В [1] были рассмотрены принцип действия, основные структурные особенности интегральных схем и требования к элементам понижающих преобразователей напряжения (ПнП). Здесь описываются параметры, приводятся каталожные данные ИС, их дополнительные функции и схемы применения.
Таблица 1
| Тип ИС | Vo,B | Io МАХ, A | КПД,% | fo,кГц | VIN MAX, В | (VIN-Vo)MAX, В | (100ΔVo/Vo)MAX, % | VREF, В |
| LM2574 | 3,3 | 0,5 | 72 | 52 | 40 | 1 | ±4 | 1,23 |
| 5 | 0,5 | 77 | 52 | 40 | 1 | ±4 | 1,23 | |
| 12 | 0,5 | 88 | 52 | 40 | 1 | ±4 | 1,23 | |
| 15 | 0,5 | 88 | 52 | 40 | 1 | ±4 | 1,23 | |
| 1,23...37 | 0,5 | 77 | 52 | 40 | 1 | ±4 | 1,23 | |
| LM2574HV | 3,3 | 0,5 | 72 | 52 | 60 | 1 | ±4 | 1,23 |
| 5 | 0,5 | 78 | 52 | 60 | 1 | ±4 | 1,23 | |
| 12 | 0,5 | 88 | 52 | 60 | 1 | ±4 | 1,23 | |
| 15 | 0,5 | 88 | 52 | 60 | 1 | ±4 | 1,23 | |
| 1,23...37 | 0,5 | 77 | 52 | 60 | 1 | ±4 | 1,23 | |
| LM2575 | 3,3 | 1 | 72 | 52 | 40 | 1,3 | ±4 | 1,23 |
| 5 | 1 | 77 | 52 | 40 | 1,3 | ±4 | 1,23 | |
| 12 | 1 | 88 | 52 | 40 | 1,3 | ±4 | 1,23 | |
| 15 | 1 | 88 | 52 | 40 | 1,3 | ±4 | 1,23 | |
| 1,23...37 | 1 | 77 | 52 | 40 | 1,3 | ±4 | 1,23 | |
| LM2575HV | 3,3 | 1 | 72 | 52 | 60 | 1,3 | ±4 | 1,23 |
| 5 | 1 | 77 | 52 | 60 | 1,3 | ±4 | 1,23 | |
| 12 | 1 | 88 | 52 | 60 | 1,3 | ±4 | 1,23 | |
| 15 | 1 | 88 | 52 | 60 | 1,3 | ±4 | 1,23 | |
| 1,23...37 | 1 | 77 | 52 | 60 | 1,3 | ±4 | 1,23 | |
| LM2576 | 3,3 | 1 | 72 | 52 | 40 | 1,6 | ±4 | 1,23 |
| 5 | 1 | 77 | 52 | 40 | 1,6 | ±4 | 1,23 | |
| 12 | 1 | 88 | 52 | 40 | 1,6 | ±4 | 1,23 | |
| 15 | 1 | 88 | 52 | 40 | 1,6 | ±4 | 1,23 | |
| 1,23...37 | 1 | 77 | 52 | 40 | 1,6 | ±4 | 1,23 | |
| LM2576HV | 3,3 | 1 | 72 | 52 | 60 | 1,6 | ±4 | 1,23 |
| 5 | 1 | 77 | 52 | 60 | 1,6 | ±4 | 1,23 | |
| 12 | 1 | 88 | 52 | 60 | 1,6 | ±4 | 1,23 | |
| 15 | 1 | 88 | 52 | 60 | 1,6 | ±4 | 1,23 | |
| 1,23...37 | 1 | 77 | 52 | 60 | 1,6 | ±4 | 1,23 | |
| LM2673 | 3,3 | 3 | 86 | 260 | 40 | - | ±2 | 1,21 |
| 5 | 3 | 88 | 260 | 40 | ±2 | 1,21 | ||
| 12 | 3 | 94 | 260 | 40 | - | ±2 | 1,21 | |
| LM2676 | 1,2...37 | 3 | 88 | 260 | 40 | - | ±2 | 1,21 |
| LM2678 | 3,3 | 5 | 86 | 260 | 40 | - | ±2 | 1,21 |
| 5 | 5 | 88 | 260 | 40 | - | ±2 | 1,21 | |
| 12 | 5 | 94 | 260 | 40 | - | ±2 | 1,21 | |
| LM2679 | 1.2...37 | 5 | 88 | 260 | 40 | - | ±2 | 1,21 |
| LH1605 | 3...30 | 5 | 75 | 100 | 35 | 5 | - | 2,5 |
| МАХ639 | 5 | 0,1 | 91 | tOFF= 10 МКС | 11,5 | 0,5 | - | 1,28 |
| 1,28...11 | 0,1 | 91 | t0FF=10 МКС | 11,5 | 0,5 | - | 1,28 | |
| МАХ724 | 2,5...39 | 5 | - | 100 | 40 | VIN MIN= 8 В | - | 2,21 |
| МАХ724Н | 2,5...49 | 5 | - | 100 | 50 | VIN MIN= 8 В | - | 2,21 |
| МАХ726 | 2,5...39 | 2 | - | 100 | 40 | VIN MIN= 8 В | - | 2,21 |
| МАХ726Н | 2,5...49 | 2 | - | 100 | 50 | VIN MIN=8B | - | 2,21 |
| МАХ730А (ТШИМ) | 5 | 0,5 | 92 | 185 | 11 | 0,2 | ±5 | - |
| МАХ738А (ТШИМ) | 5 | 0,75 | 90 | 185 | 16 | 1 | ±5 | - |
| МАХ744А (ТШИМ) | 5 | 0,75 | 90 | 185 | 16 | 1 | ±5 | - |
| МАХ748А (ТШИМ) | 3,3 | 0,5 | 88 | 180 | 16 | 0,3 | ±5 | 1,22 |
| МАХ750А (ТШИМ) | 1,22...10 | 0,75 | 92 | 160 | 11 | 1 | ±4,5 | 1,22 |
| МАХ758А (ТШИМ) | 1,22...15 | 0,45 | 90 | 160 | 16 | 1 | ±4 | 1,22 |
| МАХ763А (ТШИМ) | 3,3 | 0,5 | 90 | 200 | 11 | 0,3 | ±5 | 1,22 |
Основные параметры преобразователей
Большая часть этих параметров — выходное напряжение Vo, максимальный выходной ток Io MAX -максимальное входное напряжение VIN MAX, коэффициент стабилизации по входу LR, коэффициент стабилизации по выходу LdR и минимальная разность между входным и выходным напряжениями (VIN - Vo)MIN — совпадает с соответствующими параметрами линейных стабилизаторов [2].
- fо — рабочая частота (Oscillator Frequency, Switching Frequency), которая одновременно является и частотой пульсации выходного напряжения;
- КПД — коэффициент полезного действия (Efficiency) который, в сущности, есть отношение мощности РO = VOIO, потребляемой нагрузкой, подключенной к выходу преобразователя, к мощности PIN=PO+PD отдаваемой источником нестабилизированного напряжения VIN. Этот коэффициент больше, чем у линейных стабилизаторов, что является одним из основных преимуществ ПнП.
Опорное напряжение (Reference Voltage VREF, Feedback Voltage VFB) используется только в ИС с заданием VO с помощью внешних резисторов.
В таблице приведены основные параметры некоторых ПнП двух крупнейших мировых производителей. Первые 8 из них используются в уже рассмотренных вариантах схем источников питания с фиксированным или задаваемым с помощью внешних резисторов Vo в соответствии со схемой, приведенной на рис.Зб, и формулой (2) в [1]. Исключение составляет LH1605, в котором резистор R1=2 кОм встроен в ИС. Все ИС работают с ШИМ (ТШИМ), что отмечается в первой колонке. Исключением является МАХ639, работающая с ЧИМ. Расположение выводов ИС, приведенных в таблице, дано на рис.1. Выводы NC — не подключены.

Рис. 1
Расположение выводов ИС
Следует подчеркнуть, что во всех случаях нужно быть внимательным при использовании каталожных данных о цоколевке и проверять назначение выводов согласно блок-схеме. Дело в том, что одна и та же фирма может в различных ИС использовать разные обозначения для выводов с одинаковым назначением. Например, вывод FB для соединения внешних делителей для задания Vo обозначается как СС или OUT, вывод Vo, кроме как OUT, именуется также LX.
Дополнительные возможностиКроме стабилизации Vo, современные ИС для ПнП выполняют и некоторые дополнительные функции, гарантирующие их собственную безопасную работу, а также работу питаемых ими устройств.
Дистанционное включение и выключение. С этой целью на соответствующий вывод ИС подается сигнал подходящего логического уровня (как правило, уровня TTL). В схемах, имеющих вывод с обозначением ON/OFF, нормальная работа ПнП (создание напряжения Vo на выходе) обеспечивается сигналом с логическим уровнем "0", а подача сигнала с логическим уровнем "1" выключает ПнП (Vo=0). Если этот вывод не используется, он соединяется с общим проводом. Для ИС с выводами ON/OFF или SHDH все обстоит с точностью до наоборот: нормальная работа имеет место при логическом уровне "1", a Vo = 0 при логическом уровне "0". В этом случае неиспользованный вывод соединяется с VIN.
Задание максимального тока (Current Adjust). Когда мгновенное значение на ключе S в интегральной схеме (рис.2 в [1]) превышает определенное значение, генератор останавливается, что приводит к выключению ПНП (Vo = 0). Для рассмотренных здесь ИС такой возможностью обладают только LM2673 и LM2679. Для ее реализации между выводом CURADJ и общим проводом устанавливается резистор с сопротивлением RADJ=37,1/ISMAX.

Рис. 2
Плавный запуск (Soft Start). Сразу после подключения ПнП к источнику нестабилизированного напряжения VIN, выходной конденсатор начинает заряжаться, выходное напряжение Vo=0, и схема управления ключом CON устанавливает максимально большое время tON замыкания ключа S. В этот момент через ключ может протекать очень большой ток, который может повредить микросхему. Во избежание этого в некоторых ИС предусмотрен медленный старт, который постепенно увеличивает продолжительность tON. Время tSS достижения рабочей величины t0N обычно выбирается в интервале от нескольких единиц до нескольких десятков миллисекунд и задается с помощью конденсатора CSS, который соединяет вывод микросхемы SS и общий провод. В ИС LM2673 и LM2679 его емкость:

причем в ИС фирмы MAXIM она выбирается по таблице, в зависимости от значений VIN и IO. При отсутствии таковой хорошо подходит значение CSS = 47 нФ.
Разновидностью медленного старта является вариант, когда требуемая величина выходного напряжения Vo достигается по истечении времени tSS с момента включения VIN. В этом случае используется схема, приведенная на рис.2. В момент подачи напряжения VIN конденсатор не заряжен, и на вход ON/OFF поступает VIN (т.е. уровень логической "1"), который обеспечивает Vo = 0. За время tSS напряжение на этом входе уменьшается до уровня логического "0", благодаря чему на выходе ИС устанавливается нормальная величина VO. Для задания tSS используется формула

определяющая постоянную времени для пусковой цепи. Рекомендуется выбирать величину tss меньше 20 мс, чтобы не возникло паразитного колебания напряжения на входе ON/OFF с частотой, равной частоте сети.

Рис. 3а
Контроль VIN для схемы MAX639
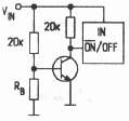
Контроль VIN (Low-Battery Detector, Low-Battery Function). Когда входное напряжение VIN больше минимального значения VIN MIN, на специальный вывод ИС (LBO на МАХ639) поступает сигнал соответствующего логического уровня TTL (логическая "1" для МАХ639). При VIN< VIN MIN уровень изменяется (логический "0" для МАХ639), а это означает, что ПнП может выйти из режима. Для МАХ639 используется схема, приведенная на рис.За, где номинал резистора RA определяется по формуле
С той же целью можно использовать и вход ON/OFF, простейший вариант применения которого приведен на рис.Зб,в. В схеме, приведенной на рис.Зб, используется любой маломощный транзистор, насыщенный в нормальном режиме работы ИС. При VIN< VIN MIN транзистор закрывается, что "выключает" ПнП (Vo = 0). Для вычисления RВ используется формула
![]() | ![]() |
| Рис. 3б Использование входа ONN/OFF | Рис. 3в Использование входа ONN/OFF |

Для расчета RС в схеме, приведенной на рис.3в, применяется соотношение
где VТН— величина напряжения на входе ON/OFF, соответствующая уровню логической "1" (обычно VTH = 2 В).
Защита от самовозбуждения. Для LM2673, LM2679, МАХ730А, МАХ738А, МАХ744А, МАХ748А и МАХ763А используется схема, приведенная на рис.4а. где С = 10 нФ для LM2673, С = 33 нФ для LM2679 и С=330 нФ для остальных ИС. Для МАХ724 и МАХ726 применяется схема, приведенная на рис.4,б.
![]() | ![]() |
| Рис. 4а Схема защиты от самовозбуждения | Рис. 4б Схема защиты от самовозбуждения |
Задание f0 для LM1605. Оно осуществляется путем установки конденсатора Ст между выводом Ст и "землей". Для рекомендуемых значений f0 от 10 до 100 кГц его емкость равна
где f0 задано в килогерцах.
Практические схемы
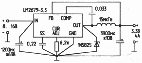
На рис.5а приведена схема стабилизатора с Vo = 3,3 В и максимальным выходным током IO MAX = 4 А. Соединение элементов с "землей" в одной точке является предпосылкой стабильной работы без самовозбуждения, которое может возникнуть из-за паразитной индуктивности монтажа. Для этой же цели служит и конденсатор 0,033 мкФ. Конденсатор 0,22 мкФ определяет медленный старт. Нормальная величина Vo достигается через 50 мс после подачи входного напряжения. При помощи резистора сопротивлением 6,2 кОм осуществляется ограничение выходного тока величиной не более 6 А.

Рис. 5а
Схема стабилизатора

Рис. 5б
Схема стабилизатора
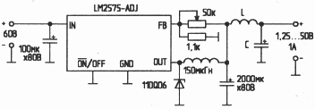
Пример подачи Vo через внешние делители показан на рис.5б. В схеме используются точные резисторы для обеспечения малого производственного допуска Vо, а конденсатор 330 пФ установлен для предотвращения самовозбуждения. RC-цепочка 510 кОм — 0,1 мкФ обеспечивает медленный старт с задержкой от 11 мс (при входном напряжении 6 В) до 4 мс (при 10 В).

Рис. 6
Схема стака
На рис.6 представлена схема стака имеет индуктивность несколько десятков микрогенри, ее активное сопротивление rL должно быть очень малым, поскольку на нем будет падать напряжения IO·rL. Конденсатор фильтра имеет емкость
где fc — граничная частота фильтра вкилогерцах (ее выбирают около 20 кГц), a L — в микрогенри.
Источники
- С.Куцаров. Понижающие преобразователи постоянного напряжения в постоянное. — Радиомир, 2003, N 7.
- С.Куцаров. Современные интегральные стабилизаторы напряжения. — Радиомир, 2002, N 4.




