Обсуждаются технические параметры, особенности конструкции и применения микроминиатюрных источников питания компании Rohm.
О КОМПАНИИ ROHM
Японская компания Rohm Co. Ltd. начала свою деятельность в 1958 году и сегодня является крупнейшей корпорацией, входящей в число ведущих производителей полупроводников в мире. Компания ведет собственные разработки новых технологий и компонентов на базе исследовательских центров в Токио, Иокогаме, Киото, Гонконге, Сан-Диего, Париже. Заводы Rohm, размещенные в Японии и странах Юго-Восточной Азии, практически полностью оснащены оборудованием собственного производства. Высокое качество производимой продукции является одним из основных приоритетов компании.
Компания выпускает широкий спектр изделий: специализированные интегральные схемы для разнообразных приложений (ASICs), интегральные схемы (ИС) памяти EEPROM, стандартные линейные ИС (ОУ, компараторы, транзисторные сборки), стандартная логика, LDO-регуляторы, драйверы дисплеев и электродвигателей, ИС для мультимедиа и телекоммуникаций, аудио- и видео-ИС, миниатюрные видеокамеры, термопечатающие головки, датчики, светодиоды, лазерные диоды, транзисторы, диоды, электронные предохранители для защиты от перегрузки, тан-таловые и керамические чип-конденсаторы, чип-резисторы.
Особый интерес российских разработчиков вызовут, по мнению автора, источники питания компании Rohm. Их отличительной особенностью являются малые размеры, простая схема включения и широта использования.
ИСТОЧНИКИ ПИТАНИЯ ROHM AC/DC-преобразователи
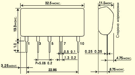
Отличительной особенностью АС/ DC-преобразователей Rohm является отсутствие трансформатора. Источники выпускаются в корпусах типа SIP. Это позволяет уменьшить размер конечного изделия на 25% и массу на 1/30 по сравнению с линейными источниками питания той же мощности на основе трансформатора. Таблица 1 содержит перечень и основные параметры преобразователей. Внешний вид преобразователей приведен на рис. 1, а габаритный чертеж - на рис. 2.

Рис. 1 Внешний вид AC/DC- и DC/DC-преобразователей Rohm

Рис. 2 Габаритный чертеж AC/DC-преобразователя (на примере модуля ВР5041А5)
Таблица 1
| Наименование | Ubx, В пост, тока | Uвых, В | Iвых, мА | Размеры корпуса, мм | Тип корпуса |
|---|---|---|---|---|---|
| Преобразователи с одним выходом | |||||
| BP5041A5 | 226…358* | 5 | 100 | 33x19x11 | SIP10 |
| BP5041A | + 12 | 100 | 33x19x11 | SIP10 | |
| BP5048 | 300 | 35x20x9 | SIP12 | ||
| BP5041A15 | + 15 | 80 | 33x19x11 | SIP10 | |
| BP5048-15 | 200 | 35x20x9 | SIP12 | ||
| BP5047A24 | 24 | 150 | 35x20x9 | SIP12 | |
| BP5048-24 | 200 | 35x20x9 | SIP12 | ||
| BP5046-5 | -(226…358)* | -5 | 250 | 35x20x9 | SIP12 |
| BP5045A | -12 | 200 | 28x18x10 | SIP10 | |
| Преобразователи с двумя выходами | |||||
| BP5085-15 | 226...358* | 5 | 350 | 49x22x14 | SIP16 |
| + 15 | 80 |
* Выпрямленное напряжение на входе модуля. Напряжение AC/DC-преобразователя, построенного на базе модуля, составляет 160...253 В переменного тока.
Другой особенностью преобразователей Rohm является отсутствие выпрямителя. Конвертор работает с входным напряжением 226...390 В постоянного тока. Постоянное напряжение может быть легко получено из переменного напряжения 220 В/50 Гц.
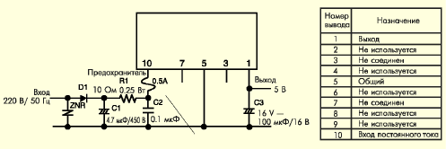
Рассмотрим основные параметры модулей и схему включения на примере модуля BP5041A5 (5 В, 100 мА).
Основные параметры модулей:
- диапазон входного напряжения мо дуля 226...390 В постоянного тока;
- диапазон входного напряжения источника питания 160...276 В переменного тока;
- диапазон выходного напряжения 4,7...5,3 В;
- Выходной ток 0...100 мА;
- нестабильность выходного напряжения 0,05...0,15 В (1...3%) при изменении входного напряжения в диапа зоне 226...390 В;
- нестабильность выходного напряжения 0,05...0,15 В (1...3%) при изменении нагрузки 0...50 мА (0...50%);
- Размах пульсаций - 0,05...0,15 В;
- КПД - 48%.
Для включения модуля (пример включения на рис. 3) требуется минимальное количество внешних компонентов. В описании преобразователей приводятся рекомендации по выбору параметров подключаемых компонентов. Например, для рассматриваемого модуля ВР5041А5 предлагается убедиться, что предохранитель рассчитан на ток не менее 0,5 А. Сглаживающий конденсатор С1 может иметь емкость от 3,3 до 22 мкФ и должен быть рассчитан на напряжение не менее 450 В. Цепочка R1C2 служит для уменьшения уровня шумов. Резистор R1 мощностью 0,25 Вт подбирается экспериментально. Его номинал обычно от 10 до 22 Ом. Конденсатор С2 емкостью 0,1...0,22 мкФ может быть пленочным или керамическим, с рабочим напряжением 450 В или больше. Выходной сглаживающий конденсатор СЗ должен иметь емкость 100...470 мкФ, эквивалентное последовательное сопротивление - не более 0,4 Ом. Выпрямительный диод D1 должен иметь обратное пиковое напряжение не менее 800 В, средний выпрямленный ток - более 0,5 А, пиковый импульсный ток - более 20 А. Рекомендуется использовать диодный мост для выпрямления входного переменного напряжения. Ва-ристор ZNR защищает вход преобразователя от импульсных помех и статического электричества.

Рис. 3 Схема включения АС/ос-преобразователя (на примере модуля ВР5041А5)
Модули предназначены для работы в диапазоне температур -20°...+80°С, типовая зависимость выходной мощности от температуры приведена на рис. 4.

Рис. 4 Область безопасной работы (на примере модуля BP5041A5)
Достоинства модулей Rohm:
- низкое собственное энергопотребление;
- отсутствие трансформатора, компактность, малая масса;
- простота создания импульсного источника питания.
Применение
AC/DC-преобразователи Rohm предназначены в первую очередь для использования в стиральных машинах, холодильниках, кондиционерах, посудомоечных машинах, светотехническом оборудовании, увлажнителях, влагопогло-тителях, пылесосах, кухонных процессорах и другой бытовой технике. Типовые схемы для различных применений приведены на рис. 5-11.

Рис. 5 Применение AC/DC-модуля в пылесосе

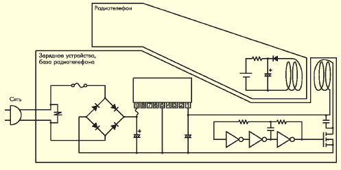
Рис. 6 Применение AC/DC-модуля в зарядном устройстве радиотелефона

Рис. 7 Применение AC/DC-модуля в устройстве управления двигателем постоянного тока

Рис. 8 Применение АС/DC-модуля в устройстве теплого пола

Рис. 9 Применение АС/DC-модуля для питания люминесцентных ламп

Рис. 10 Применение AC/DC-модуля в стиральной машине

Рис. 11 Применение AC/DC-модуля в очистителе воздуха
DC/DC-ПРЕОБРАЗОВАТЕЛИ ROHM
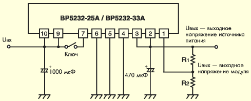
DC/DC-преобразователи ROHM имеют высокий коэффициент полезного действия (до 85...90%), что позволяет создавать энергосберегающие источники питания. Встроенный выходной переключатель позволяет разработчикам полностью использовать возможности сохранения энергии. Модули имеют широкий диапазон входного напряжения (более 4:1), например, входной диапазон моделей ВР5220А, ВР5221А составляет 8...38 В. Особенностью преобразователей является большой выходной ток, например, модель ВР5234-ЗЗА может работать с нагрузкой до 4 А. Маленькие размеры корпуса SIP позволяют экономить место на печатной плате и создавать миниатюрные устройства. Таблица 2 содержит перечень и основные параметры преобразователей. Рассмотрим основные параметры модулей и схему включения на примере модуля ВР5232-25А/ВР5232-ЗЗА. Структурная схема преобразователя приведена на рис. 12.

Рис. 12 Схема DC/DC-реобразователя ВР5232-25А/ ВР5232-ЗЗА
Основные параметры:
- диапазон входного напряжения 4,5...5,5 В;
- диапазон выходного напряжения источника питания 2,4...2,6 В (BP5232-25A), 3,17...3,43 В (BP5232-33A);
- выходной ток 0...2 А;
- потребляемый ток при отсутствии нагрузки - не более 300 мкА;
- нестабильность выходного напряжения 13...33 мВ (BP5232-25A), 16...42 мВ (BP5232-33A);
- размах пульсаций - не более 150 мВ (типовое значение 33 мВ);
- КПД не менее 89% (BP5232-25A), 93% (BP5232-33A);
- минимальное напряжение на выводе ВКЛ/ВЫКЛ для включения модуля - 1,8 В;
- максимальное напряжение на выводе ВКЛ/ВЫКЛ для выключения мо дуля - 0,3 В;
- диапазон рабочих температур - 0…+50°C.
Пример включения
Пример включения модуля ВР5232-25А/ВР5232-ЗЗА приведен на рис. 13. Вывод 7 служит для дистанционного включения и отключения модуля. На этот вывод можно подавать управляющий сигнал с ключа или микроконтроллера. Если функция дистанционного включения не используется, вывод 7 надо подключить к входу.

Рис. 13 Типовая схема включения DC/DC-преобразователя BP5232-25A/ BP5232-33A
Для точной установки выходного напряжения используется делитель напряжения R1R2. Формулы для расчета номиналов резисторов:
V0'=V0(1 +R1/R2), R1 + R2 <= 50 Ом.
К достоинствам модуля следует отнести высокий КПД, высокий выходной ток, низкое энергопотребление при отсутствии нагрузки, возможность точной установки выходного напряжения, дистанционное включение/выключение.
Модуль не требует применения теплоотвода.
Модули BP5232-25A/BP5232-33A, ВР5233-ЗЗА/ВР5234-ЗЗА предназначены для использования в копировальных аппаратах, персональных компьютерах, факсимильных аппаратах, промышленном оборудовании, звуковой и видеотехнике. Кроме этого, DC/DC-преобразователи ROHM могут применяться в измерительном оборудовании, торговых автоматах, счетчиках валют, электроинструментах, источниках питания.
Таблица 2 Параметры DC/DC преобразователей фирмы Rohm
| Наименование | Uвх, В, пост, тока | Uвых, В | Iвых, А | Размеры корпуса, мм | Тип корпуса |
|---|---|---|---|---|---|
| BP5450 | 8...20 | 1,5...5* | 1,2 | 49,2x19x12,7 | SIP18 |
| BP5029 | 8. ..16 | 5 | 0,3 | 18x19x12 | SIP6 |
| BP5223 | 8...18 | 5 | 0,15 | 17x16.8x10.2 | SIP5 |
| BP5220A | 8...38 | 5 | 1 | 28x19,5x12 | SIP9 |
| BP5220XA | 8...38 | 28x21,5x12 | SIP9 | ||
| BP5221A | 8...38 | 5 | 0,5 | 28x19,5x12 | SIP9 |
| BP5221XA | 8...38 | 5 | 0,5 | 28x21,5x12 | SIP9 |
| BP5222A | 15...38 | 12 | 0,5 | 28x19,5x12 | SIP9 |
* 2 выхода, оба регулируемые.
Таблица 3 Параметры DC/DC преобразователей фирмы Rohm с большим выходным током
| Наименование | Uвх, В, пост, тока | Uвых, В | Iвых, А | Размеры корпуса, мм | Тип корпуса |
|---|---|---|---|---|---|
| BP5232-25A | 4,5...5,5 | +2,5 | 2 | 28x19,5x12 | SIP10 |
| BP5232-33A | 3,3 | 3 | 28x19,5x12 | SIP10 | |
| BP5233-33A | 4 | 32,5x23,5x11 | SIP11 | ||
| BP5234-33A | 38,5x23,5x11 | SIP11 |
Особенности: предназначены для уменьшения напряжения питания CPU, микрокомпьютеров и т.д. Высокий КПД, дистанционное включение/выключение, возможна подстройка выходного напряжения.
Заключение
В заключение хочется отметить, что интересные с технической точки зрения преобразователи Rohm будут востребованы на российском рынке. Кроме того, наши разработчики сумеют найти для них новые области применения. При использовании модулей следует внимательно ознакомиться с оригинальной технической документацией, которую можно найти на сайте производителя www.rohm.ru.
Автор: С.Кривандин
