Тиристор
Тиристор - это переключающий полупроводниковый прибор, пропускающий ток в одном направлении. Этот радиоэлемент часто сравнивают с управляемым диодом и называют полупроводниковым управляемым вентилем (Silicon Controlled Rectifier, SCR).
Тиристор имеет три вывода, один из которых - управляющий электрод, можно сказать, "спусковой крючок" - используется для резкого перевода тиристора во включенное состояние.
Тиристор совмещает в себе функции выпрямителя, выключателя и усилителя. Часто он используется как регулятор, главным образом, когда схема питается переменным напряжением. Нижеследующие пункты раскрывают четыре основных свойства тиристора:
- тиристор, как и диод, проводит в одном направлении, проявляя себя как выпрямитель;
- тиристор переводится из выключенного состояния во включенное при подаче сигнала на управляющий электрод и, следовательно, как выключатель имеет два устойчивых состояния. Тем не менее для возврата тиристора в выключенное (разомкнутое) состояние необходимо выполнить специальные условия;
- управляющий ток, необходимый для перевода тиристора из закрытого состояния в открытое, значительно меньше (несколько миллиампер) при рабочем токе в несколько ампер и даже в несколько десятков ампер. Следовательно, тиристор обладает свойствами усилителя тока;
- oсредний ток через нагрузку, включенную последовательно с тиристором, можно точно регулировать в зависимости от длительности сигнала на управляющем электроде. Тиристор при этом является регулятором мощности.
Структура тиристора
Тиристором называется управляемый трехэлектродный полупроводниковый прибор, состоящий из чередующихся четырех кремниевых слоев типа р и n. Полупроводниковый прибор с четырехслойной структурой представлен на рис. 1.
Крайнюю область р-структуры, к которой подключается положительный полюс источника питания, принято называть анодом, а крайнюю область n, к которой подключается отрицательный полюс этого источника, - катодом.

Рис.1. Структура и обозначение тиристора
Свойства тиристора в закрытом состоянии
В соответствии со структурой тиристора можно выделить три электронно-дырочных перехода и заменить тиристор эквивалентной схемой, как показано на рис. 2.
Эта эквивалентная схема позволяет понять поведение тиристора с отключенным управляющим электродом.
Если анод положителен по отношению к катоду, то диод D2 закрыт, что приводит к закрытию тиристора, смещенного в этом случае в прямом направлении. При другой полярности диоды D1 и D2 смещены в обратном направлении, и тиристор также закрыт.
Рис.2. Представление тиристора тремя диодами
Принцип отпирания с помощью управляющего электрода
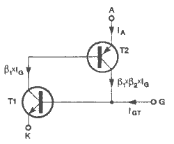
Эквивалентное представление структуры р-n-p-n в виде двух транзисторов показано на рис. 3.
Представление тиристора в виде двух транзисторов разного типа проводимости приводит к эквивалентной схеме, представленной на рис. 1.4. Она наглядно объясняет явление отпирания тиристора.
Зададим ток IGT через управляющий электрод тиристора, смещенного в прямом направлении (напряжение VAK положительное), как показано на рис. 4.
Так как ток IGT становится базовым током транзистора n-p-n, то ток коллектора этого транзистора равен B1xIGT, где B1 - коэффициент усиления по току транзистора Т1.
Этот ток одновременно является базовым током транзистора р-n-р, что приводит к его отпиранию. Ток коллектора транзистора Т2 составляет величину B1xB2xIGT и суммируется с током IGT, что поддерживает транзистор Т1 в открытом состоянии. Поэтому, если управляющий ток IGT достаточно велик, оба транзистора переходят в режим насыщения.
Цепь внутренней обратной связи сохраняет проводимость тиристора даже в случае исчезновения первоначального тока управляющего электрода IGT, при этом ток анода (1А ) остается достаточно высоким.
Типовая схема запуска тиристора приведена на рис. 5
.
Рис.3. Разбиение тиристора на два транзистора

Рис.4. Представление тиристора в виде двухтранзисторной схемы

Рис.5. Типичная схема запуска тиристора
Отключение тиристора
Тиристор перейдет в закрытое состояние, если к управляющему электроду открытого тиристора не приложен никакой сигнал, а его рабочий ток спадет до некоторого значения, называемого током удержания (гипостатическим током).
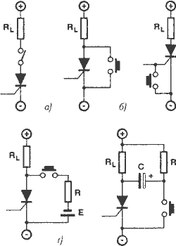
Отключение тиристора произойдет, в частности, если была разомкнута цепь нагрузки (рис. 6а) или напряжение, приложенное к внешней цепи, поменяло полярность (это случается в конце каждого полупериода переменного напряжения питания).

Рис.6. Способы отключения тиристора
Когда тиристор работает при постоянном токе, отключение может быть произведено с помощью механического выключателя.
Включенный последовательно с нагрузкой этот ключ используется для отключения рабочей цепи.
Включенный параллельно основным электродам тиристора (рис. 6б) ключ шунтирует анодный ток, и тиристор при этом переходит в закрытое состояние. Некоторые тиристоры повторно включаются после размыкания ключа. Это объясняется тем, что при размыкании ключа заряжается паразитная емкость р-n перехода тиристора, вызывая помехи.
Поэтому предпочитают размещать ключ между управляющим электродом и катодом тиристора (рис. 1.6в), что гарантирует правильное отключение посредством отсечения удерживающего тока. Одновременно смещается в обратном направлении переход р-n, соответствующий диоду D2 из схемы замещения тиристора тремя диодами (рис. 2).
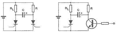
На рис. 6а-д представлены различные варианты схем отключения тиристора, среди них и ранее упоминавшиеся. Другие, как правило, применяются, когда требуется отключать тиристор с помощью дополнительной цепи. В этих случаях механический выключатель можно заменить вспомогательным тиристором или ключевым транзистором, как показано на рис. 7.

Рис.7. Классические схемы отключения тиристора с помощью дополнительной цепи
Симистор
Симиcmop - полупроводниковый прибор, который широко используется в системах, питающихся переменным напряжением. Упрощенно он может рассматриваться как управляемый выключатель. В закрытом состоянии он ведет себя как разомкнутый выключатель. Напротив, подача управляющего тока на управляющий электрод симис-тора ведет к переходу его в проводящее состояние. В это время симистор подобен замкнутому выключателю.
При отсутствии управляющего тока симистор во время любого полупериода переменного напряжения питания неизбежно переходит из состояния проводимости в закрытое состояние.
Кроме работы в релейном режиме в термостате или светочувствительном выключателе, разработаны и широко используются системы регулирования, функционирующие по принципу фазового управления напряжением нагрузки, или, другими словами, плавные регуляторы.
Структура симистора
Симистор можно представить двумя тиристорами, включенными встречно-параллельно. Он пропускает ток в обоих направлениях. Структура этого полупроводникового прибора показана на рис. 8. Симистор имеет три электрода: один управляющий и два основных для пропускания рабочего тока.

Рис.8. Структура симистора
Функционирование симистора
Симистор открывается, если через управляющий электрод проходит отпирающий ток или если напряжение между его электродами А1 и А2 превышает некоторую максимальную величину (на самом деле это часто приводит к несанкционированным срабатываниям симистора, происходящим при максимуме амплитуды напряжения питания).
Симистор переходит в закрытое состояние после изменения полярности между его выводами А1 и А2 или если значение рабочего тока меньше тока удержания Iу.
Отпирание симистора
В режиме переменного питания смена состояний симистора вызывается изменением полярности напряжения на рабочих электродах А1 и А2. Поэтому в зависимости от полярности управляющего тока можно определить четыре варианта управления симистором, как показано на рис. 9.
Каждый квадрант соответствует одному способу открывания симистора. Все способы кратко описаны в табл. 1.

Рис.9. Четыре возможных варианта управления симистором
Таблица 1. Упрощенное представление способов открывания симистора
| Квадрант | VA2-A1 | VG-A1 | IGT | Обозначение |
| I | >0 | >0 | Слабый | + + |
| II | >0 | <0 | Средний | + - |
| III | <0 | <0 | Средний | - - |
| IV | <0 | >0 | Высокий | - + |
Например, если между рабочими электродами симистора прикладывают напряжение VA1-A2>0 и напряжение на управляющем электроде отрицательно по отношению к аноду А1, то смещение симистора соответствует квадранту II и упрощенному обозначению + -.
Для каждого квадранта определены отпирающий ток I от (IGT), удерживающий ток Iуд(Iн) и ток включения Iвыкл(IL).
Отпирающий ток должен сохраняться до тех пор, пока рабочий ток не превысит в два-три раза величину удерживающего тока Iн. Этот минимальный отпирающий ток и является током включения симистора IL.
Затем, если убрать ток через управляющий электрод, симистор останется в проводящем состоянии до тех пор, пока анодный ток будет превышать ток удержания Iн.
Ограничения при использовании
Симистор накладывает ряд ограничений при использовании, в частности при индуктивной нагрузке. Ограничения касаются скорости изменения напряжения (dV/dt) между анодами симистора и скорости изменения рабочего тока di/dt.
Действительно, во время перехода симистора из закрытого состояния в проводящее внешней цепью может быть вызван значительный ток. В то же время мгновенного падения напряжения на выводах симистора не происходит. Следовательно, одновременно будут присутствовать напряжение и ток, развивающие мгновенную мощность, которая может достигнуть значительных величин. Энергия, рассеянная в малом пространстве, вызовет резкое повышение температуры р-п переходов. Если критическая температура будет превышена, то произойдет разрушение симистора, вызванное чрезмерной скоростью нарастания тока di/dt.
Ограничения также распространяются на изменение напряжения двух категорий: на dV/dt применительно к закрытому симистору и на dV/dt при открытом симисторе (последнее также называется скоростью переключения).
Чрезмерная скорость нарастания напряжения, приложенного между выводами А1 и А2 зарытого симистора, может вызвать его открытие при отсутствии сигнала на управляющем электроде. Это явление вызывается внутренней емкостью симистора. Ток заряда этой емкости может быть достаточным для отпирания симистора.
Однако не это является основной причиной несвоевременного открытия. Максимальная величина dV/dt при переключении симистора, как правило, очень мала, и слишком быстрое изменение напряжения на выводах симистора в момент его запирания может тотчас же повлечь за собой новое включение. Таким образом, симистор заново отпирается, в то время как должен закрыться.

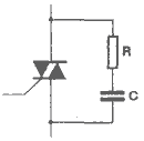
Рис.10. Симистор с защитной RC-цепочкой
При индуктивной нагрузке симистора или при защите от внешних перенапряжений для ограничения влияния dV/dt и тока перегрузки желательно использовать защитную RC-цепочку (рис. 10).
Расчет значений R и С зависит от нескольких параметров, среди которых - величина тока в нагрузке, значения индуктивности и номинального сопротивления нагрузки, рабочего напряжения, характеристик симистора.
Совокупность этих параметров с трудом поддается точному описанию, поэтому часто принимают во внимание эмпирические значения. Включение сопротивления 100-150 Ом и конденсатора 100 нФ дает удовлетворительные результаты. Однако отметим, что значение сопротивления должно быть гораздо меньше (или одного порядка), чем величина полной нагрузки, являясь достаточно высоким для того, чтобы ограничить ток разряда конденсатора с целью соблюдения максимального значения di/dt в момент отпирания.
RC-цепочка дополнительно улучшает включение в проводящее состояние симистора, управляющего индуктивной нагрузкой. Действительно, ток разряда конденсатора устраняет влияние задержки индуктивного тока, поддерживая рабочий ток выше минимального значения удерживающего тока Iуд(Iн).

Рис.11. Защита симистора с помощью варистора
Дополнительная защита, заслуживающая внимания, может быть обеспечена с помощью варистора, подключенного к выводам индуктивной нагрузки. Другой варистор, включенный параллельно питающему напряжению, задержит помехи, распространяющиеся по сети питания. Защита симистора также обеспечивается при подключении варистора параллельно его выводам А1 и А2 (рис. 11).
Источник
- Кадино Э. Цветомузыкальные установки.-М.: ДМК Пресс, 2000.
