В цифровых системах дистанционного пропорционального управления моделями [1-3] при приёме команды на соответствующем выходе приёмника появляется изменяемый по длительности канальный импульс. Сервопривод, в зависимости от его назначения, преобразует длительность этого импульса в требуемую физическую величину, пропорциональную углу отклонения ручки управления на передатчике. Например, это может быть отклонение на определённый угол качалки рулевой машинки (для обозначения этого параметра часто используют также термины "расход рулевой машинки", "путь перекладки качалки") или значение рабочего напряжения электродвигателя, обеспечивающего заданную частоту его вращения.
Обычно сервоприводы дистанционно управляемых моделей проверяют с помощью приёмника и передатчика, отклоняя на последнем соответствующие ручки управления и контролируя ответную реакцию сервоприводов, подключённых к выходу приёмника. Однако удобнее проверять их специальным прибором, что позволяет при наличии неисправности сразу сделать вывод, где она находится - в сервоприводе или в приёмопередающем тракте, и, кроме того, такой прибор позволяет измерять параметры сервоприводов [2].
Как правило, в простейших приборах для проверки сервоприводов - сервотестерах [1-7] - указателем задаваемого углового положения качалки рулевой машинки служит метка на ручке управления, закреплённой на валике переменного резистора-регулятора длительности управляющих импульсов. Это, конечно, не обеспечивает высокой точности позиционирования исполнительного органа проверяемого сервопривода. Для повышения точности более сложные приборы аналогичного назначения [8, 9] оснащены цифровым индикатором, отображающим длительность выходных управляющих импульсов. Однако многим моделистам, не знакомым со структурой и параметрами командного сигнала, трудно поставить в соответствие длительность управляющих импульсов, отображаемых на цифровом индикаторе, и угол, на который должна при этом отклониться качалка рулевой машинки. Кроме того, дискретный характер работы приборов с цифровой индикацией затрудняет контроль быстропро-текающих процессов [10], в частности процесса динамичной перекладки качалки рулевой машинки.
Предлагаю прибор для проверки сервоприводов, в котором указанные недостатки устранены. Он выполнен на доступной элементной базе, прост в налаживании и отличается от устройств, описанных в [1-7], более высокой точностью и стабильностью параметров формируемых управляющих импульсов, а также более широкими функциональными возможностями.
Прибор может работать в трёх режимах: 1 - автоматическая установка качалки рулевой машинки в дискретные положения, соответствующие середине ("установка в нуль") и конечным точкам рабочего интервала; 2 - автоматическое периодическое перемещение качалки между конечными точками этого интервала; 3 - ручная установка качалки в произвольное положение в пределах рабочего интервала (регулирование частоты вращения электродвигателя в интервале от нуля до максимального значения).
Устройство позволяет контролировать работу двух рулевых машинок одновременно и электродвигателя, работающего совместно с регулятором частоты вращения. Прибор оснащён стрелочным индикатором, наглядно показывающим, какой расход или какую относительную частоту вращения должны иметь проверяемые рулевые машинки или электродвигатель при изменении длительности управляющих импульсов. Предусмотрена возможность калибровки стрелочного индикатора, контроля параметров выходных управляющих импульсов и напряжения питания, подаваемого на рулевые машинки, тока потребления рулевых машинок, а также напряжения, вырабатываемого регулятором частоты вращения электродвигателя для питания электронных устройств, установленных на модели.
Параметры формируемых прибором прямоугольных импульсов напряжения соответствуют таковым управляющих импульсов наиболее распространённых цифровых систем дистанционного пропорционального управления моделями [1-3]: период повторения - 20 мс, длительность - от 1 до 2 мс, амплитуда - не менее 3,8 В. Отклонение длительности калибровочных импульсов от номинальных значений 1, 1,5 и 2 мс - не более ±1 %, погрешность преобразования длительности управляющих импульсов в показания индикатора - не более ±2,5 %. Напряжение питания прибора - 12 В, максимальный выходной ток источника питания - не менее 1 А.
Структурная схема прибора представлена на рис. 1, где A1, A2 - повторители напряжения, A3-A5 - усилители мощности; DA1, DA2 - стабилизаторы напряжения; DD1 - счётчик импульсов, DD2 - RS-триггер; G1 и G2 - генераторы импульсов напряжения соответственно треугольной и прямоугольной формы; Кт 1 - реле выдержки времени; PA1 - стрелочный индикатор (микроамперметр); U1 и U2 - соответственно формирователь и преобразователь амплитуды прямоугольных импульсов напряжения, U3 - преобразователь уровня напряжения, U4 - диодный детектор, U5 и U6 - делители частоты, U7 - источник образцового напряжения, U8 - одновиб-ратор; Z1 - интегратор (фильтр нижних частот); C1, R1, R2 - времязадаю-щие элементы одновибратора; C2R3 - дифференцирующая цепь; HL1R5 - узел индикации включённого состояния прибора.

Рис. 1. Структурная схема прибора
Переменный резистор R2, коммутационные устройства SA1-SA5 - элементы управления работой прибора. Вилки XP1, XP2 и XP3 предназначены для подключения к прибору сервоприводов и регулятора частоты вращения электродвигателя соответственно. Розетка XS1 служит для подключения источника питания, а розетки XS2- XS5 - для электронных измерительных приборов.
Прибор работает следующим образом. После подключения к розеткеXS1 источника питания напряжением 12 В и замыкания контактов выключателя SA5 загорается светодиод HL1, а на выходах стабилизаторов напряжения DA1, DA2 появляется напряжение +9 В и +5 В соответственно. Первое необходимо для работы основных функциональных узлов прибора, второе служит для питания подключённых к прибору рулевых машинок, входящего в состав реле выдержки времени КТ1 усилителя тока, нагрузкой которого служит электромагнитное реле, а также усилителей мощности A3-A5, обеспечивающих высокую нагрузочную способность прибора и формирующих амплитуду выходных управляющих импульсов на уровне, необходимом для нормальной работы сервоприводов.
Реле выдержки времени КТ1 устраняет опасные для микроамперметра PA1 броски тока, возникающие во время включения и выключения прибора. Сразу после его включения электромагнитное реле узла KT1 обесточено, и его нормально замкнутые контакты шунтируют микроамперметр PA1. По окончании выдержки времени реле срабатывает, его контакты размыкаются, и шунтирование микроамперметра прекращается - прибор готов к работе. После выключения питания реле вновь обесточивается, и его контакты замыкаются, исключая протекание через микроамперметр броска тока в момент выключения.
Генератор прямоугольных импульсов напряжения G2, частота которого (100 кГц) стабилизирована кварцевым резонатором, делители частоты U5, U6, дифференцирующая цепь C2R3, счётчик Dd 1 и триггер DD2 образуют цифровой стабильный одновибратор [11], который в положениях "- 100 %", "0" и "+100%" переключателя SA1 формирует на своём выходе (выход триггера DD2) прямоугольные импульсы длительностью 1, 1,5 и 2 мс соответственно, следующие с частотой 50 Гц.
С выхода генератора G2 сигнал подаётся на счётные входы делителей частоты на 2000 (U5) и на 5 (U6), которые формируют прямоугольные импульсы с частотами следования 50 Гц и 20 кГц соответственно. Фронт импульсов напряжения частотой 50 Гц, выделенный дифференцирующей цепью C2R3, воздействуя на вход S триггера DD2 и на вход R счётчика DD1, устанавливает их в единичное и нулевое состояние соответственно, при этом на выходе триггера DD2 формируется фронт выходных импульсов напряжения цифрового одно-вибратора. Счётчик DD1 после обнуления начинает счёт импульсов частотой 20 кГц, поступающих на его вход C. Внутренняя организация и коэффициент деления счётчика DD1 таковы, что при частоте входных импульсов 20 кГц на его выходе Q1 высокий логический уровень напряжения появляется на фиксированный отрезок времени через 1 мс от момента начала счёта, на выходе Q2 - через 1,5 мс, на выходе Q3 - через 2 мс. Появление напряжения высокого логического уровня на соответствующем выходе счётчика DD1, а следовательно, и на входе R триггера DD2 приводит к его переключению в нулевое состояние и окончанию формирования выходных импульсов цифрового одновибратора.
Функциональный узел U1 преобразует выходные остроконечные биполярные импульсы напряжения дифференцирующей цепи C2R3, следующие с частотой 50 Гц, в прямоугольные импульсы напряжения положительной полярности той же частоты с кратковременным перепадом напряжения с высокого на низкий логический уровень и обратно. Спад этих импульсов воздействует на вход запуска одно-вибратора U8, и на его выходе формируются прямоугольные импульсы напряжения соответствующей длительности, следующие с той же частотой 50 Гц. Кроме того, выходные импульсы преобразователя U1 поступают на вход запуска генератора прямоугольных импульсов G2 и уменьшают случайную погрешность формирования длительности его импульсов, связанную с неопределённостью фазы генератора в момент запуска [12].
С выхода триггера DD2 прямоугольные импульсы напряжения частотой 50 Гц и длительностью 1, 1,5 или 2 мс, пройдя через соответствующие замкнутые контакты переключателя SA2, установленного в положение "Дискр." (дискретный режим работы), и усилители мощности A3- A5, поступают на выход прибора (контакты 1 вилок XP1-XP3). При этом в положении "0" переключателя SA1 качалка рулевых машинок, подключённых к вилкам XP1, XP2, устанавливается в середину рабочего интервала, а в положениях "-100%" и "+100 %" - в его соответствующие крайние точки.
В положении "Дискр." переключателя SA2 одновибратор U8 заторможен, поскольку его времязадающий конденсатор C1 замкнут накоротко соответствующими контактами этого
переключателя. В положении "Авт." (автоматический режим) переключателя SA2 входы усилителей мощности A3-A5 соединяются с выходом одно-вибратора U8, а к конденсатору C1 подключается резистор R1, образуя с ним интегрирующую цепь C1R1, вход которой соединён с выходом преобразователя уровня напряжения U3.
Генератор G1 вырабатывает сигнал в виде импульсов напряжения треугольной формы, следующих с заданной частотой перекладки качалки проверяемых рулевых машинок. Преобразователь уровня напряжения U3 преобразует амплитуду и постоянную составляющую выходного сигнала генератора G1 таким образом, что при воздействии напряжения треугольной формы на вход интегрирующей цепи C1R1 длительность выходных прямоугольных импульсов напряжения одновибратора U8 периодически изменяется с той же частотой в интервале от 1 до 2 мс. Эти прямоугольные импульсы напряжения, пройдя через соответствующие замкнутые контакты переключателя SA2 и усилители мощности A3-A5, поступают на выход прибора и вызывают автоматическое периодическое перемещение качалки рулевых машинок, подключённых к вилкам XP1, XP2, между крайними точками рабочего интервала.
В положении "Ручн." (режим ручного управления) переключателя SA2 к конденсатору C1 подключается переменный резистор R2, образуя с ним интегрирующую цепь C1R2, на вход которой поступает стабилизированное напряжение +9 В. Регулируя сопротивление резистора R2, изменяют постоянную времени интегрирующей цепи и тем самым длительность выходных прямоугольных импульсов напряжения одновибратора U8 в интервале от 1 до 2 мс. Это позволяет перемещать качалку рулевых машинок, подключённых к вилкам XP1, XP2, в произвольное положение в пределах рабочего интервала или регулировать частоту вращения электродвигателя, подключённого через соответствующий регулятор к вилке XP3, в пределах его рабочего интервала.
Преобразователь амплитуды прямоугольных импульсов напряжения U2 приводит к единому уровню амплитуду импульсов, поступающих на его вход через соответствующие замкнутые контакты переключателя SA2 с выхода триггера DD2 или одновибратора U8. Нормированные по амплитуде импульсы преобразуются посредством диодного детектора U4 и интегратора Z1 в постоянное напряжение, пропорциональное их длительности.
При установке переключателей SA1 и SA2 соответственно в положения "0" и "Дискр." с выхода триггера DD2 на вход функционального узла U2 поступают прямоугольные импульсы длительностью 1,5 мс, которые, пройдя через диодный детектор U4 и интегратор Z1, преобразуются в постоянное напряжение, пропорциональное длительности этих импульсов. Источник образцового напряжения U7 формирует постоянное напряжение, равное напряжению на выходе интегратора Z1. Как видно из схемы, первое поступает на вход повторителя напряжения A2, а второе - на вход повторителя A1. К выходам этих устройств подключены соединённые последовательно токоограничивающий резистор R4 и микроамперметр PA1 с нулём посередине шкалы, две противоположные конечные точки которой имеют отметки "-100 мкА" и "+100 мкА". Поскольку разность значений напряжения на краях цепи PA1R4 равна нулю, ток через микроамперметр PA1 не течёт, вследствие чего его стрелка устанавливается на нулевую отметку шкалы.
При установке переключателей SA1 и SA2 соответственно в положе-ния "-100%" и "Дискр." с выхода триггера DD2 на вход функционального узла U2 поступают прямоугольные импульсы длительностью 1 мс, которые, как и в предыдущем случае, пройдя через диодный детектор U4 и интегратор Z1, преобразуются в постоянное напряжение, пропорциональное их длительности. Поскольку напряжение на выходе интегратора Z1 теперь меньше, чем сформированное на выходе источника U7, разность значений напряжения, приложенная к цепи PA1R4, становится меньше нуля, и через микроамперметр PA1 протекает ток такой силы и направления, что стрелка микроамперметра PA1 устанавливается на конечную отметку шкалы "-100 мкА".
Аналогично при установке переключателей SA1 и SA2 соответственно в положения "+100 %" и "Дискр." с выхода триггера DD2 на вход функционального узла U2 поступают прямоугольные импульсы длительностью 2 мс. Поскольку в этом случае напряжение на выходе интегратора Z1 больше, чем сформированное на выходе источника U7, разность значений напряжения на цепи PA1R4 становится больше нуля и стрелка микроамперметра PA1 устанавливается на конечную отметку шкалы "+100 мкА".
Если принять показания микроамперметра PA1 на соответствующих конечных отметках шкалы за ±100 % углового отклонения качалки рулевой машинки от середины её рабочего интервала, то микроамперметр при длительности импульсов 1, 1,5 и 2 мс покажет относительное угловое отклонение качалки рулевой машинки (расход рулевой машинки) на -100, 0 и +100 % соответственно.
В положении "Авт." переключателя SA2 длительность прямоугольных импульсов напряжения, поступающих на вход функционального узла U2, периодически изменяется от 1 до 2 мс. Согласно вышеизложенному, это вызывает периодическое увеличение и уменьшение амплитуды постоянного напряжения на выходе интегратора Z1 и, как следствие, периодическое изменение силы и направления протекания тока через микроамперметр PA1. В результате его стрелка перемещается с таким же периодом между конечными отметками шкалы подобно качалке рулевой машинки, периодически перемещающейся между конечными точками своего рабочего интервала.
Наконец, в положении "Ручн." переключателя SA2 длительность импульсов напряжения на входе функционального узла U2 может быть произвольно изменена переменным резистором R2 в интервале от 1 до 2 мс, при этом стрелка микроамперметра PA1, отклоняясь на соответствующий угол, показывает в относительных единицах, какое угловое положение должна занять качалка подключённой к прибору рулевой машинки в соответствии с длительностью управляющих импульсов. При регулировании переменным резистором R2 частоты вращения электродвигателя установка стрелки микроамперметра PA1 на отметку шкалы "-100мкА" соответствует нулевой частоте вращения, а на отметку "+100 мкА" - максимальной.
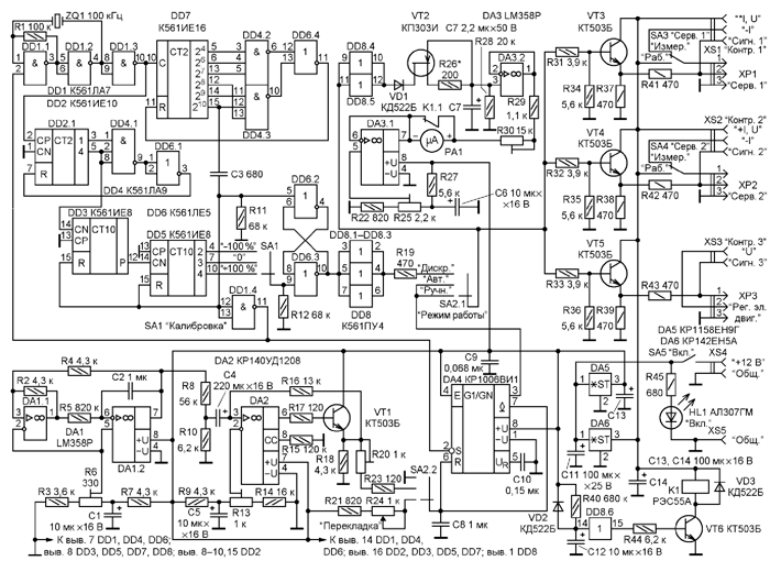
Принципиальная схема прибора показана на рис. 2. На логических элементах DD1.1, DD1.2, резисторе R1 и кварцевом резонаторе ZQ1 собран генератор прямоугольных импульсов напряжения (G2; здесь и далее в скобках указано обозначение соответствующего узла на рис. 1), элемент DD1.3 - буферный. Двоичный счётчик DD2 и логические элементы DD4.1, DD6.1 образуют делитель частоты на 5 (U6), а двоичный счётчик DD7 и логические элементы DD4.2, DD4.3 и DD6.4 - делитель частоты на 2000 (U5). На микросхемах DD3, DD5 собран многоразрядный счётчик (DD1). Логические элементы DD6.2, DD6.3 образуют RS-триггер, нагрузочную способность которого повышают буферные элементы DD8.1-DD8.3. Резистор R12 формирует низкий логический уровень напряжения на входе R RS-триггера, препятствуя его произвольному переключению в момент размыкания контактов переключателя SA1. Дифференцирующая цепь C3R11 формирует короткие импульсы напряжения, управляющие работой RS-триггера.
Рис. 2. Принципиальная схема прибора
На ОУ DA1, конденсаторах C1, C2 и резисторах R2-R7 собран генератор импульсов напряжения треугольной формы (G1). Он включает в себя триггер Шмитта на ОУ DA1.1 и резисторах R2, R4, а также интегратор, образованный ОУ DA1.2, резистором R5 и конденсатором C2. Рабочая частота генератора (примерно 0,3 Гц) задана элементами R5, C2, а пороговое напряжение переключения триггера Шмитта, определяющее амплитуду выходного сигнала генератора, - резисторами R2, R4. Делитель напряжения R3R6R7 обеспечивает нормальную работу ОУ DA1 при однополярном питании. Конденсатор C1 - фильтрующий.
На ОУ DA2, транзисторе VT1, резисторах R8-R10, R13-R18 и конденсаторах C4, C5 собран преобразователь уровня напряжения (U3). Он выполнен по схеме инвертирующего усилителя переменного тока, коэффициент передачи которого задан отношением сопротивления резисторов R16, R10, а уровень постоянной составляющей выходного сигнала - делителем напряжения R9R13R14. Резистор R15 задаёт ток управления, определяющий режим работы ОУ DA2. Транзистор VT1 и резисторы R17, R18 образуют эмиттерный повторитель, повышающий нагрузочную способность ОУ DA2. Конденсаторы
C4, C5 - разделительный и фильтрующий соответственно. Делитель напряжения R8R10 предотвращает переполюсовку оксидного конденсатора C4 выходным напряжением ОУ DA1.2.
На интегральном таймере DA4 собран одновибратор (U8), конденсатор C8 и коммутируемые переключателем SA2 резисторы R20, R21, R23, R24 - его времязадающие элементы, конденсатор C10 - фильтрующий. На логическом элементе DD1.4 выполнен формирователь прямоугольных импульсов напряжения (U1), служащих для запуска одновибратора на микросхеме DA4 и генератора прямоугольных импульсов напряжения на логических элементах DD1.1, DD1.2 (G1).
Логические элементы DD8.4, DD8.5 - преобразователь амплитуды прямоугольных импульсов напряжения (U2). Транзистор VT2, резисторы R26, R28 и конденсатор C7 образуют интегратор (Z1). Генератор стабильного тока VT2R26 повышает линейность интегрирования. Диод VD1 (U4) препятствует разрядке конденсатора C7 через транзистор VT2 в паузах между импульсами, поступающими на вход интегратора.
Оу DA3.1, DA3.2 - повторители напряжения (A1, A2). Цепь R22,R25,R27 - регулируемый источник образцового напряжения (U7). Конденсатор C6 - фильтрующий. Микроамперметр PA1 - индикатор прибора. Резисторы R29, R30 - токоограничивающие.
На транзисторах VT3-VT5 и резисторах R31-R39 собраны эмиттерные повторители - усилители мощности (A3-A5). Резисторы R41-R43 - токоограничивающие. Резистор R19 служит для приведения к единому уровню амплитуды управляющих импульсов напряжения на выходе прибора при переключении режимов его работы.
Логический элемент DD8.6, транзистор VT6, диоды VD2, VD3, резисторы R40, R44, конденсатор C12 и электромагнитное реле K1 образуют реле выдержки времени (KT1). Конденсатор C12 и резистор R40 - времяза-дающие элементы, логический элемент DD8.6 - пороговое устройство, транзистор VT6 и резистор R44 - усилитель постоянного тока. Диод VD3 защищает транзистор VT6 от возможного пробоя импульсами напряжения самоиндукции обмотки реле K1. Диод VD2 обеспечивает быструю разрядку конденсатора C12 после выключения прибора. Выдержка времени срабатывания электромагнитного реле K1 - 5...6 с.
На микросхемах DA5, DA6 собраны стабилизаторы напряжения +9 В и +5 В соответственно. Конденсаторы С9, С11, С13, C14 - фильтрующие. Светодиод HL1 и токоограничивающий резистор R45 - узел индикации включённого состояния прибора. Назначение соединителей XP1-XP3, XS1-XS5 - в соответствии со структурной схемой прибора с учётом отличий в их позиционных обозначениях.
Прибор смонтирован навесным способом на макетной плате. Микросхема DA6 установлена на теплоотводе с эффективной охлаждающей поверхностью площадью 35 см2.
Применённые в приборе оксидные конденсаторы - К50-35 или их импортные аналоги, все остальные, кроме C2 и С8, - керамические К10-17-1а, вместо них подойдут КМ-6а или аналогичные импортные. Конденсаторы C2 и С8 - полиэтилентерефталатные К73-17, они могут быть заменены на К73-9, К73-24 или другие плёночные. Кварцевый резонатор ZQ1 - РГ-01 или другой на частоту 100 кГц. Микроамперметр PA1 - М4204 (50-0-50 мкА) или другой аналогичный. Постоянные резисторы - С2-33, С2-23, МЛТ, ОМЛТ, подстроечные - СП4-3 или аналогичные, переменный - СП3-9а. Переключатели SA1, SA2 - галетные керамические ПГК-3П3Н, SA3-SA5 - МТ1 или другие аналогичные. Розетки XS1-XS5 набраны из гнёзд ГИ4, вместо них можно использовать любые другие аналогичные, подходящие по электрическим характеристикам и конструкции. Вилки XP1-XP3 - фрагменты вилок PLS с шагом 2,54 мм. Реле K1 - герконовое РЭС55А (исполнение РС4.569.600-11), можно заменить реле этой же серии других исполнений с рабочим напряжением 5±0,5 В или реле других типов с аналогичными параметрами. Диоды КД522Б заменимы любыми диодами этой серии или серий КД503, КД521, светодиод АЛ307ГМ - любым другим, подходящим по цвету и яркости свечения. Вместо транзисторов КТ503Б можно применить другие транзисторы этой же серии или подобные по электрическим характеристикам. Транзистор КП303И заменим транзисторами этой серии c буквенными индексами А, В или другими подобными.
Возможная замена микросхемы КР1006ВИ1 - импортный аналог серии 555, ОУ КР140УД1208 - 140УД12, К140УД12, КР140УД12 (с учётом различий в корпусах и назначении выводов). Импортные ОУ LM358Р заменимы отечественными КР1040УД1. Вместо микросхем серии К561 можно использовать их аналоги из серии 564 или импортные, вместо микросхемы КР142ЕН5А - импортную серии 7805, а вместо КР1158ЕН9Г - микросхему этой же серии в другом конструктивном исполнении с номинальным выходным напряжением +9 В.
Налаживание прибора заключается в проверке работы во всех режимах, контроле соответствия параметров генерируемых импульсов требуемым значениям и калибровке стрелочного индикатора PA1. Устойчивой генерации импульсов напряжения треугольной формы добиваются регулировкой напряжения смещения Оу DA1 подстроеч-ным резистором R6. Параметры прямоугольных импульсов напряжения, подаваемых на входы рулевых машинок и регулятора частоты вращения электродвигателя, контролируют на гнёздах "Сигн. 1"-"Сигн. 3" розеток XS1-XS3 (рис. 2) соответственно. Под-строечными резисторами R13, R20 устанавливают интервал автоматического периодического изменения длительности формируемых прибором прямоугольных импульсов в пределах от 1 до 2 мс.
При калибровке индикатора PA1 переключатель SA1 устанавливают в положение "0", а SA2 - в положение "Дискр.", после чего подстроечным резистором R25 устанавливают стрелку микроамперметра на нулевую отметку шкалы. Далее переключатель SA1 переводят в положение "-100%" или "+100 %", и подстроечным резистором R30 устанавливают стрелку на отметку шкалы "- 100 мкА" или "+100 мкА" соответственно.
Напряжение питания рулевых машинок измеряют относительно гнезда XS5 ("Общ.") на гнёздах "+I, U" розеток XS1, XS2, а напряжение, формируемое регулятором частоты вращения электродвигателя, - на гнезде "U" розетки XS3. Ток потребления рулевых машинок измеряют миллиамперметром, подключённым между гнёздами "+I, U", "-I" розеток XS1, XS2, установив соответствующие переключатели SA3, SA4 в положение "Измер.".
О нормальном функционировании подключённых к прибору сервоприводов судят, сравнивая расход рулевых машинок или частоту вращения электродвигателя с показаниями индикатора PA1.
Литература
1. Войцеховский Я. Дистанционное управление моделями. Пособие моделиста и радиолюбителя. Пер. с польск. Под ред. А. П. Павлова и Н. Н. Путятина. - М.: Связь, 1977, с. 167-201, 225-277.
2. Миль Г. Электронное дистанционное управление моделями. Пер. с нем. В. Н. Паль-янова. - М.: ДОСААФ, 1980, с. 45-95, 103- 114, 332-335.
3. Днищенко В. А. 500 схем для радиолюбителей. Дистанционное управление моделями. - СПб.: Наука и техника, 2007, с. 20-37, 446.
4. Ильин О. Прибор для проверки сервомеханизмов.- Радиомир, 2014, № 5, с. 24-26.
5. Каменев Н. Устройстводля проверки и управления сервоприводами. - Радио, 2017, №3, с. 51, 52.
6. Простой сервотестер. - URL: http:// rconline.ru/modules/smartsection/ item.php?itemid=114 (11.10.17).
7. Яйлиян В. Самодельный сервотестер. - URL: http://skyflex.air.ru/pages/ advices/advice016. shtm l (11.10.17).
8. Сервотестер Hobbyking LED Servo Tester. - URL: http://www.parkflyer.ru/ru/ product/428359/ (11.10.17).
9. Сервотестер Turnigy со светодиодной индикацией. - URL: http://www. parkflyer.ru/ru/product/2479855/ (11.10.17).
10. МежлумянА. Цифровая или аналоговая? - Радио, 1986, № 7, с. 25, 26.
11. Перлов В. Стабильный одновибра-тор. - Радио, 1990, № 12, с. 57-59.
12. Алёшин П. Стабильный одновибра-тор. - Радио, 1993, № 8, с. 40.
Автор: О. Ильин, г. Казань, Татарстан

