Каждая из микросхем KP1182КП1, KP1182КП1А-KP1182КПВ представляют собой комплементарную пару аналогов динистора, оформленную в одном корпусе. Прибор предназначен для коммутации тока через нити накала электролюминисцентных ламп, для применения в автогенераторах пилообразных импульсов и т.п. Зарубежный аналог - MN611A.
Переключатели изготовляют по биполярной технологии с изоляцией p-n переходом. Корпус - пластмассовый, КТ-26, с жесткими лужеными выводами (рис. 1); масса - не более 0,3 г.

Рис. 1
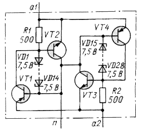
Схема переключателя представлена на рис. 2. Прибор состоит из двух идентичных транзисторных аналогов динистора, выполненных на одном кристалле и включенных встречно параллельно. Каждая из цепей стабилитронов VD1-VD14 и VD15-VD28 задает паряжение открывания своего динистора. Базы p-n-p транзисторов VT1 и VT4 динисторов соеденены между собой и с подложкой кристалла; вывод подложки (п) при эксплуатации должен оставаться свободным.

Рис. 2
Вольт-амперная характеристика прибора показана на рис.3. Легко заметить, что она симметрична относительно начала координат.
Основные технические характеристики при Токр.ср=25 °С
| Напряжение преключения (открывания), В, для | |
| КР1182КП1 | 105±10 |
| КР1182КП1А | 8,5±1 |
| КР1182КП1Б | 22,5±3,5 |
| КР1182КП1В | 86,5±6,5 |
| Постоянное напряжение на открытом динисторе, В, не более, при прямом токе 600 мА | 2,2 |
| типовое значение | 1,5 |
| Ток закрытого динистора, мкА, не более, при напряжении на динисторе для КР1182КП1-90 В, КР1182КП1А-7 В, КР1182КП1Б-18 В, КР1182КП1В-75 В | 100 |
| Ток удержания динистора в открытом состоянии, мА, не более | 5 |
Предельные эксплуатационные значения
| Максимальный ток открытого динистора, А | 1 |
| Наибольшая рассеиваемая мощность открытого динистора, Вт, при температуре окружающей среды 70 °С | 0,5 |
| Рабочий температурный интервал, °С | -10...+70 |
| Температура хранения, °С | -55...+150 |
Реальное значение тока удержания у проверенных экспериментально приборов - около 2 мА, а тока переключения (Iпер на рис. 3) - 1 мА.

Рис. 3
При соблюдении указанных условий эксплуатации динисторные переключатели способны работать формирователями импульсов в различных устройствах.
На рис. 4,а показана типовая схема включения коммутатора КР1182КП1 в узле запуска люминисцентной лампы, у которой напряжение горения меньше напряжения переключения динисторов.

Рис. 4,а
Если для лучшего освещения объекта необходимо использовать две люминисцентные лампы, то вторую следует включить по схеме рис. 4,б. Конденсатор С1 создает в цепи лампы сдвиг по фазе, благодаря чему мерцание света от двух ламп становится практически незаметным. Резистор R1 разряжает конденсатор С1 после обесточивания лампы.

Рис. 4,б
Дроссели L1 в обоих узлах - стандартные, используемые в арматуре люминисцентных осветительных ламп. Конденсатор С1-тоже стандартный, от тех же ламп.
