Микросхемы энергонезависимой памяти
М24С128, М24С256
Микросхемы М24С128 и М24С256 представляют собой электрически перепрограммируемые ПЗУ (EEPROM) с доступом по последовательному интерфейсу I2С емкостью соответственно 128 и 256 кБит. Они используются в аппаратуре широкого применения.
- Доступ по последовательному интерфейсу I2C с частотой синхронизации до 400 кГц.
- Диапазон питающих напряжений:
- 4,5...5,5 В (М24С128, МС24С256)
- 2,5...5,5 В (M24C128-W, M24C256-W).
- Предусмотрена возможность аппаратной защиты от записи.
- Возможность записи байта или страницы (до 64 байт).
- Чтение производится с произвольным или последовательным доступом.
- Обеспечивается не менее 105 циклов чтения/записи.
- Срок хранения информации не менее 40 лет.
Память микросхем организована в виде массива32768x8 бит (М24С256) и 16384x8 бит (М24С128). Они выпускаются в восьмивыводных корпусах PSDIP- 8, SO-8, TSS0P-8.
Назначение выводов микросхем показано в табл. 1, а их расположение — на рис 1.

Рис. 1
Талбица 1
| № вывода | Сигнал | Описание |
| 1 | NC | Не используется |
| 2 | NC | Не используется |
| 3 | NC | Не используется |
| 4 | Vss | Общий |
| 5 | SDA | Линия данных интерфейса I2C |
| 6 | SCL | Линия синхронизации интерфейса I2C |
| 7 | WC | Вход запрета записи |
| 8 | Vcc | Питание |
В состав микросхем включена схема начального сброса при подаче на них питающего напряжения.
| Токи потребления микросхем при различных питающих напряжениях имеют следующие значения: напряжение 5 В | 2 мА |
| напряжение 2,5 В (-W) | 1 мА |
| напряжение 1,8 В (-S) | 0,8 мА |
| Частота синхронизации во всех случаях | 400 кГц |
| Время записи данных составляет не более | 10 мс |
M24C32, М24С64
Микросхемы М24С32 и М24С64 представляют собой электрически перепрограммируемые ПЗУ с доступом по последовательному интерфейсу I2C емкостью соответственно 32 и 64 кБит. Они используются в аппаратуре широкого применения.
- Доступ по последовательному интерфейсу I2C с частотой синхронизации до 400 кГц.
- Диапазон питающих напряжений:
- 4,5...5,5 В (М24С32, М24С64)
- 2,5...5,5 В (M24C32-W, M24C64-W)
- 1,8...3,6 В (M24C32-S, M24C64-S).
- Предусмотрена возможность аппаратной защиты от записи.
- Возможность записи байта или страницы (до 32 байт).
- Чтение производится с произвольным или последовательным доступом.
- Обеспечивается не менее 106 циклов чтения/записи.
- Срок хранения информации не менее 40 лет.
Память микросхем организована в виде массива 8192x8 бит (М24С64) и 4096x8 бит (М24С32). Они выпускаются в восьмивыводных корпусах PSDIP-8, SO-8, TSS0P-8.
Назначение выводов микросхем показано в табл. 2, а их расположение — на рис 2.

Рис. 2
Талбица 2
| № вывода | Сигнал | Описание |
| 1 | ЕО | Бит 0 выбора микросхемы |
| 2 | Е1 | Бит 1 выбора микросхемы |
| 3 | Е2 | Бит 2 выбора микросхемы |
| 4 | Vss | Общий |
| 5 | SDA | Линия данных интерфейса I2C |
| 6 | SCL | Линия синхронизации интерфейса I2C |
| 7 | WC | Вход запрета записи |
| 8 | Vcc | Питание |
К шине I2C может быть подключено до 8 микросхем М24С32 (М24С64). Входы Е0-Е2 служат для аппаратного задания адреса микросхемы. Микросхема сравнивает логические уровни сигнала на этих входах с тремя младшими битами в байте выбора устройства.
Вход WC служит для аппаратного (постоянного или динамического) запрета записи данных в микросхему.
В состав микросхем включена схема начального сброса при подаче питающего напряжения.
| Токи потребления микросхем при различных питающих напряжениях имеют следующие значения: напряжение 5 В | 2 мА |
| напряжение 2,5 В (-W) | 1 мА |
| напряжение 1,8 В (-S) | 0,8 мА |
| Частота синхронизации во всех случаях | 400 кГц |
| Время записи данных составляет не более | 10 мс |
М24С16
Микросхема М24С16 представляет собой электрически перепрограммируемое ПЗУ с доступом по последовательному интерфейсу I2C емкостью 16 кБит. Она используются в аппаратуре широкого применения.
- Доступ по последовательному интерфейсу I2C с частотой синхронизации до 400 кГц.
- Диапазон питающих напряжений:
- 4,5...5,5В(М24С16)
- 2,5.3,5 В (M24C16-W)
- 1,8..5,5 В (M24C16-R)
- 1.8-3,6 В (M24C16-S).
- Предусмотрена возможность аппаратной защиты от записи.
- Возможность записи байта или страницы.
- Чтение производится с произвольным или последовательным доступом.
- Обеспечивается не менее 106 циклов чтения/записи.
- Срок хранения информации не менее 40 лет.
Память микросхем организована в виде массива2048x8 бит. Она выпускается в восьмивыводных корпусах PSDIP-8, SO-8, TSS0P-8.
Назначение выводов микросхемы показано в табл. 3, а их расположение — на рис 1.
Талбица 3
| № вывода | Сигнал | Описание |
| 1 | NC | Не используется |
| 2 | NC | Не используется |
| 3 | NC | Не используется |
| 4 | Vss | Общий |
| 5 | SDA | Линия данных интерфейса I2C |
| 6 | SCL | Линия синхронизации интерфейса I2C |
| 7 | WC | Вход запрета записи |
| 8 | Vcc | Питание |
Вход WC служит для аппаратного (постоянного или динамического) запрета записи данных в микросхему.
| Ток потребления микросхемы при различных питающих напряжениях и частотах синхронизации имеет следующие значения: напряжение 5 В, частота синхронизации 400 кГц | 2 мА |
| напряжение 2,5 В (-W), частота 400 кГц | 1 мА |
| напряжение 1,8 В (-R), частота 100 кГц | 0,8 мА |
| напряжение 1,8 В (-S), частота 400 кГц | 0,8 мА |
| Время записи данных составляет не более | 10 мс |
Микросхемы звуковых процессоров
TDA7318
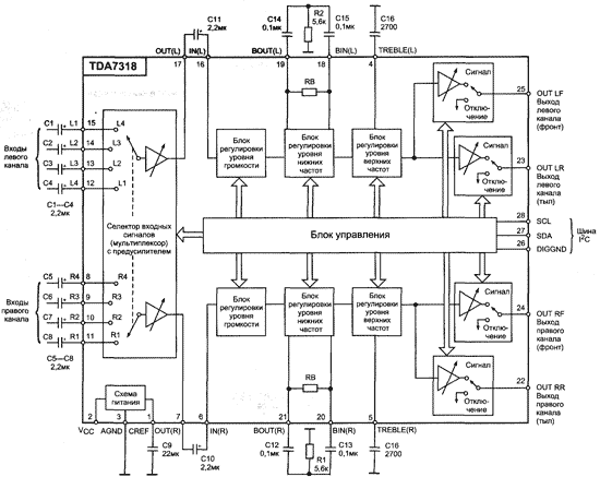
Четырехканальный звуковой процессор TDA7318 с цифровым управлением по шине I2C применяется в аудиоаппаратуре широкого применения.
- В его составе встроен входной селектор звуковых сигналов (мультиплексор) 4 к 1 (стерео) с регулируемым предварительным усилителем.
- Выход на два стереоканала (фронтальный и тыловой).
- Предусмотрена регулировка громкости с шагом 1,25 дБ.
- Предусмотрена раздельная регулировка уровня вью ких и низких частот.
- Предусмотрена возможность раздельной регулиров ки громкости для правого и левого каналов, для фронта и тыла.
- Управление процессора производится по последовательной цифровой шине I2C.
Микросхема выполнена в корпусе DIP-28.Блок-схема процессора представлена на рис. 3.Расположение выводов микросхемы показано на рис. 4.
Назначение выводов микросхемы представлено в табл. 4.
Талбица 4
| № вывода | Сигнал | Описание |
| 1 | CREF | Цепь внешней коррекции |
| 2 | VDD | Напряжение питания |
| 3 | GND | Общий |
| 4 | TREBLEL | Цепь коррекции верхних частот левого канала |
| 5 | TREBLE R | Цепь коррекции верхних частот правого канала |
| 6 | IN(R) | Вход (правый канал) |
| 7 | OUT(R) | Выход мультиплексора (правый канал) |
| 8 | RIGHT INPUT 4 | Вход мультиплексора 4(правый канал) |
| 9 | RIGHT INPUT 3 | Вход мультиплексора 3 (правый канал) |
| 10 | RIGHT INPUT 2 | Вход мультиплексора 2(правый канал) |
| 11 | RIGHT INPUT 1 | Вход мультиплексора 1 (правый канал) |
| 12 | LEFT INPUT 4 | Вход мультиплексора 4(левый канал) |
| 13 | LEFT INPUT 3 | Вход мультиплексора 3 (левый канал) |
| 14 | LEFT INPUT 2 | Вход мультиплексора 2(левый канал) |
| 15 | LEFT INPUT 1 | Вход мультиплексора 1 (левый канал) |
| 16 | IN(L) | Вход (левый канал) |
| 17 | OUT(L) | Выход мультиплексора (левый канал) |
| 18 | BASS BIN(L) | Цепь коррекции нижних частот (левый канал) |
| 19 | BASS BOUT(L) | Цепь коррекции нижних частот (левый канал) |
| 20 | BASS BIN(R) | Цепь коррекции нижних частот (правый канал) |
| 21 | BASS BOUT(R) | Цепь коррекции нижних частот (правый канал) |
| 22 | OUT RR | Выход, тыловой правый канал |
| 23 | OUT LR | Выход, тыловой левый канал |
| 24 | OUT RF | Выход, фронтальный правый канал |
| 25 | OUT LF | Выход, фронтальный левый канал |
| 26 | BUS DIG GND | Общий интерфейса I2С |
| 27 | BUS SCL | Линия синхронизации интерфейса I2С |
| 28 | BUS SDA | Линия данных интерфейса I2C |

Рис. 3

Рис. 4
Если на вход процессора подается сигнал только от одного источника (не требуется использование входного мультиплексора), то элементы С1-С8 исключают, а сигнал подают на левые (по схеме на рис. 3) выводы конденсаторов C10 и С11, которые отключают соответственно от выв. 7 и 17 микросхемы.
| Коэффициент нелинейных искаженийна частоте 1 кГц,% | 0,01 |
| Отношение сигнал/шум, дБ | 106 |
| Разделение каналов на частоте 1 кГц, дБ | 100 |
| Уровень сигнала на выходе в режиме MUTE, дБ | -100 |
| Шаг регулировки уровня выходного сигнала, дБ | 1,25 |
| Диапазон регулировки уровнявыходного сигнала, дБ | -78,5...0 |
| Шаг регулировки тембра, дБ | 2 |
| Диапазон регулировки тембра на нижнихи верхних частотах, дБ | ±14 |
| Шаг регулировки баланса, дБ | 1,25 |
| Диапазон регулировки балансаи смещения, дБ | -38,75...0 |
| Шаг регулировки коэффициента усиления входного селектора, дБ | 6,25 |
| Диапазон регулировки коэффициентаусиления входного селектора, дБ | 0...18,75 |
| Входное сопротивление (входы селектора), кОм | 50 |
| Входное сопротивление (входы регулятора), кОм | 33 |
| Диапазон регулировки громкости, дБ | 75 |
| Сопротивление нагрузки на выходе, не менее, кОм | 2 |
| Предельно-допустимые параметры | |
| Питающее напряжение, В | 6...10 |
| Потребляемый ток, мА | 4...11 |
| Максимальный уровень входного сигнала, В | 2 |
| Температура окружающей среды, °С | -40...85 |
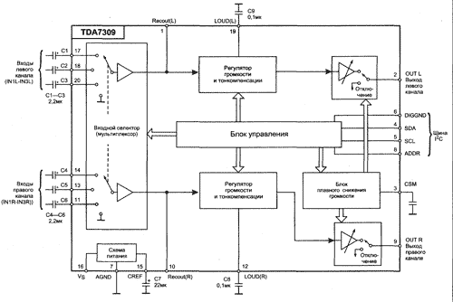
TDA73O9
Звуковой двухканальный процессор TDA7309 с цифровым управлением по шине I2С применяется в качестве многофункционального регулятора громкости в аудиоаппаратуре широкого применения.
- В его составе встроен входной селектор (мультиплексор) 3 к 1 (стерео).
- Предусмотрены прямые выходы с селектора, а также имеется функция коррекции АЧХ для режима малой громкости (loudness).
- Предусмотрена регулировка громкости с шагом 1 дБ.
- Предусмотрена раздельная регулировка уровня высоких и низких частот.
- Предусмотрена возможность раздельной регулировки громкости для правого и левого каналов, а также плавное приглушение звука (soft mute).
- Управление производится по последовательной цифровой шине I2С.
Микросхема выполнена в корпусах DIP-20 (TDA7309) и SO-20 (TDA7309D).
Расположение выводов микросхемы показано на рис. 5.
Блок-схема процессора представлена на рис. 6.Назначение выводов микросхемы показано в табл. 5.

Рис. 5

Рис. 6
Талбица 5
| № вывода | Сигнал | Описание |
| 1 | Recout(L) | Прямой выход левого канала |
| 2 | OUTL | Выход левого канала |
| 3 | CSM | Времязадающий конденсатор блока плавного снижения громкости |
| 4 | SDA | Линия данных интерфейса I2C |
| 5 | SCL | Линия синхронизации интерфейса I2C |
| 6 | DGND | Общий интерфейса I2C |
| 7 | GND | Сигнальный общий провод |
| 8 | ADD | Вход выбора адреса микросхемы |
| 9 | OUTR | Выход правого канала |
| 10 | Recout(R) | Прямой выход правого канала |
| 11 | IN3L | Вход 3 (левый канал) |
| 12 | LOUDL | Цепь коррекции левого канала |
| 13 | IN2L | Вход 2 (левый канал) |
| 14 | IN1L | Вход 1 (левый канал) |
| 15 | Vs | Напряжение питания |
| 16 | CREF | Цепь внешней коррекции |
| 17 | IN1R | Вход 1 (правый канал) |
| 18 | IN2R | Вход 2 (правый канал) |
| 19 | LOUDR | Цепь коррекции правого канала |
| 20 | IN3R | Вход 3 (правый канал) |
Вход выбора адреса (выв. 8) задает номер микросхемы в случае использования двух идентичных микросхем.
(при следующих условиях: температура окружающей среды 25°С, напряжение питания 9 В, сопротивление нагрузки на выходе 10 кОм, все регуляторы установлены в положение 0 дБ):
| Коэффициент нелинейных искаженийна частоте 1 кГц,% | 0,01 |
| Отношение сигнал/шум, дБ | 106 |
| Разделение каналов на частоте 1 кГц, дБ | 100 |
| Уровень выходного сигналав режиме SOFT MUTE, дБ | -60 |
| Уровень выходного сигнала в режиме MUTE, дБ | -100 |
| Входное сопротивление, кОм | 50 |
| Диапазон регулировки громкости, дБ | 92 |
| Сопротивление нагрузки на выходе, не менее, кОм | 2 |
| Предельно-допустимые параметры | |
| Питающее напряжение, В | 10 |
| Потребляемый ток, мА | не более 10 |
| Максимальный уровень входного сигнала, В | 2 |
| Температура окружающей среды, °С | -40...85 |
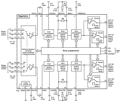
TDA7313
Трехканальный (стерео) звуковой процессор TDA7313 с цифровым управлением по шине I2C применяется в аудиоаппаратуре широкого применения.
- В его составе встроен входной селектор (мультиплексор) звуковых сигналов 3 к 1 (стерео) с регулируемым предварительным усилителем.
- Предусмотрены выходы на два стереоканала (фронтальный и тыловой), а также имеется функция коррекции АЧХ для малой громкости (loudness).
- Регулировка громкости производится с шагом 1,25 дБ.
- Предусмотрена регулировка уровня высоких и низких частот.
- Имеется возможность раздельной регулировки громкости для правого и левого каналов, для фронта и тыла, а также плавное приглушение звука (soft mute).
- Управление по последовательной цифровой шине I2С.
Микросхема выпускается в корпусе DIP-28.Блок-схема процессора представлена на рис. 7.
Расположение выводов микросхемы показано на рис. 8.
Назначение выводов микросхемы представлено в табл. 6.

Рис. 7

Рис. 8
Таблица 6
| № вывода | Сигнал | Описание |
| 1 | CREF | Цепь внешней коррекции |
| 2 | VDD | Напряжение питания |
| 3 | GND | Общий |
| 4 | TREBLE L | Цепь коррекции верхних частот левого канала |
| 5 | TREBLE R | Цель коррекции верхних частот правого канала |
| 6 | IN(R) | Вход (правый канал) |
| 7 | OUT(R) | Выход мультиплексора (правый канал) |
| 8 | LOUD R | Цепь тонкомпенсации правого канала |
| 9 | RIGHT INPUT 3 | Вход мультиплексора 3(правый канал) |
| 10 | RIGHT INPUT 2 | Вход мультиплексора 2(правый канал) |
| 11 | RIGHT INPUT 1 | Вход мультиплексора 1 (правый канал) |
| 12 | LOUDL | Цепь тонкомпенсации левого канала |
| 13 | LEFT INPUT 3 | Вход мультиплексора 3 (левый канал) |
| 14 | LEFT INPUT 2 | Вход мультиплексора 2(левый канал) |
| 15 | LEFT INPUT 1 | Вход мультиплексора 1 (левый канал) |
| 16 | IN(L) | Вход (левый канал) |
| 17 | OUT(L) | Выход мультиплексора (левый канал) |
| 18 | BASS BIN(L) | Цепь коррекции нижних частот (левый канал) |
| 19 | BASS BOUT(L) | Цепь коррекции нижних частот (левый канал) |
| 20 | BASS BIN(R) | Цепь коррекции нижних частот (правый канал) |
| 21 | BASS BOUT(R) | Цепь коррекции нижних частот (правый канал) |
| 22 | OUT RR | Выход, тыловой правый канал |
| 23 | OUT LR | Выход, тыловой левый канал |
| 24 | OUT RF | Выход, фронтальный правый канал |
| 25 | OUT LF | Выход, фронтальный левый канал |
| 26 | BUS DIG GND | Общий интерфейса I2С |
| 27 | BUS SCL | Линия синхронизации интерфейса I2С |
| 28 | BUS SDA | Линия данных интерфейса I2С |
Если на вход процессора подается сигнал только от одного источника (не требуется использование входного мультиплексора), то элементы С1-С6 исключают, а сигнал подают на левые по схеме выводы конденсаторов С8 и С9, отключенные соответственно от выв. 7 и 17 микросхемы.
(при следующих условиях: температура окружающей среды 25°С, напряжение питания 9 В, сопротивление нагрузки на выходе 10 кОм, все регуляторы установлены в положение 0 дБ):
| Коэффициент нелинейных искаженийна частоте 1 кГц,% | 0,01 |
| Отношение сигнал/шум, дБ | 106 |
| Разделение каналов на частоте 1 кГц, дБ | 100 |
| Уровень выходного сигнала в режиме MUTE, дБ | -100 |
| Шаг регулировки уровня выходного сигнала, дБ | 1,25 |
| Диапазон регулировки уровнявыходного сигнала, дБ | -78,5...0 |
| Шаг регулировки тембра, дБ | 2 |
| Диапазон регулировки тембра на нижнихи верхних частотах, дБ | ±14 |
| Шаг регулировки баланса и смещения, дБ | 1,25 |
| Диапазон регулировки баланса, дБ | ~38,75...0 |
| Шаг регулировки коэффициента усилениявходного селектора, дБ | 3,75 |
| Диапазон регулировки коэффициентаусиления входного селектора, дБ | 0...11,25 |
| Входное сопротивление (входы селектора), кОм | 50 |
| Входное сопротивление (входы регулятора), кОм | 33 |
| Диапазон регулировки громкости, дБ | 75 |
| Сопротивление нагрузки на выходе, не менее, кОм | 2 |
| Предельно-допустимые параметры | |
| Питающее напряжение, В | 10 |
| Потребляемый ток не более, мА | 11 |
| Максимальный уровень входного сигнала, В | 2 |
| Температура окружающей среды, °С | -40...85 |
