Микросхема TDA3810 предназначена для работы в каналах ЗЧ радио- и телевизионных приемников, а также в другой звуковоспроизводящей аппаратуре. Она обеспечивает три режима - "Стерео", "Расширенное стерео" и "Псевдостерео". В первом оба канала процессора имеют единичный коэффициент передачи, т.е работают повторителями напряжения. Во втором - в каждый канал добавляется в противофазе сигнал из соседнего канала, что субъективно расширяет стереобазу. Третий режим предназначен для преобразования монофонического сигнала в псевдостереофонический.
Микросхема оформлена в 18-выводном пластмассовом корпусе SOT 102 (рис. 1).

Рис. 1
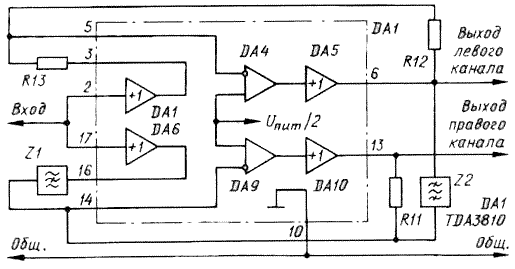
Упрощенная функциональная схема процессора [1] изображена на рис. 2. Каждый канал содержит входной буферный усилитель с коэффициентом передачи 1 (DA1 - для левого канала, верхнего по схеме) три усилителя (DA2-DA4), выходы которых коммутирует электронный переключатель (S1.1), и выходной буферный усилитель (DA5). Рабочую точку усилителей задает делитель напряжения R7R8, а делитель сигнала R3R4 определяет коэффициент передачи ОУ DA3 в режиме "Расширенное стерео".

Рис. 2
Сигналы на переключение выходов усилителей DA2-DA4 формирует устройство управления. Оно содержит входной логический узел и узел управления индикаторами.
В состав микросхемы входит также устройство, позволяющее включать процессор мягко, без щелчка в акустических приборах. Оно действует, если между выводом 9 и общим проводом подключен конденсатор большой емкости.
Цоколевка микросхемы: выв. 1-выход резистивного делителя напряжения, точка подключения фильтрующего конденсатора; выв. 2-вход левого канала (LIN); выв. 3-выход входного буферного усилителя левого канала (LAMP); выв. 4-вход сигнала ОС для режима "Расширенное стерео" по левому каналу (LSPAT); выв. 5-вход усилителя - формирователя псевдостереоэффекта левого канала (LPSD); выв. 6-выход левого канала (LOUT); выв. 7-вывод для подключения светодиода, индуцирующего включение "Расширенное стерео"; выв. 8-вывод для подключения светодиода, индуцирующего включение режима "Псевдостерео"; выв. 9-вывод для подключения конденсатора устройства "мягкого" включения (SSC); выв. 10-общий и минусовой вывод питания; выв. 11 и 12- входы управления выбором режима работы (CNTR1 CNTR2 соответственно); выв. 13-выход правого канала (ROUT); выв. 14-вход усилителя - формирователя псевдостереоэффекта правого канала (RPSD); выв. 15-вход сигнала ОС для режима "Расширенное стерео" по правому каналу (RSPAT); выв. 16-выход входного буферного усилителя правого канала (RAMP); выв. 17-вход правого канала (RIN); выв.18-плюсовой вывод питания.
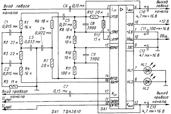
На рис. 3 показана типовая схема включения микросхемы [2]. Здесь конденсаторы C6,С7,С10 и C13 -разделительные, С11- фильтровый по напряжению питания 6 В; конденсатор С12 входит в систему "мягкого" включения. Роль остальных элементов пояснена далее при рассмотрении конкретных режимов работы процессора.

Рис. 3
Основные технические характеристики
| Напряжение питания, В | 4,5...16,5 |
| Потребляемый ток, мА не более | 12 |
| Типовое значение | 6 |
| Напряжение на выходе резистивного делителя (выв.1), В | 5,3...6,7 |
| Входное напряжение при коэффициенте нелинейных искажений не более 0,2% В, не менее | 2 |
| Нелинейные искажения в частотной полосе 40...16000 Гц при выходном напряжении 1 Вэфф, %, не более | 0,1 |
| Типовое значение выходного напряжения шумов (невзвешанное), мкВ | 10 |
| Типовое значение коэффициента подавления пульсаций напряжения питания, дБ | 50 |
| Входное сопротивление (выв.2 и 17), кОм, не менее | 50 |
| типовое значение | 75 |
| Коэффициент передачи, дБ, в режиме "Стерео" | 0 |
| Коэффициент передачи, дБ, в режиме "Расширенное стерео" для сигнала своего канала | 1,4...3,4 |
| типовое значение | 2,4 |
| другого канала, в процентах от коэффициента передачи сигнала своего канала | |
| Коэффициент разделения каналов в режиме "Стерео", дБ, не менее | 60 |
| типовое значение | 70 |
| Входной вытекающий ток низкого уровня по входам управления (выв. 11 и 12), мкА, не более | 100 |
| типовое значение | 35 |
| Входное сопротивление входов управления (выв.11 и 12), кОм, не менее | 70 |
| типовое значение | 120 |
| Ток выходов индикации (выв.7 и 8) при нагрузке светодиодом, мА | 10...15 |
| типовое значение | 12 |
| Напряжение на выходах индикации (выв.7 и 8) при отсутствии нагрузки, В, не более | 6 |
| Тепловое сопротивление кристалл-окружающая среда, °С/Вт | 80 |
Предельные эксплуатационные значения
| Наибольшее напряжение питания, В | 18 |
| Рабочий интервал температуры окружающей среды, °С | 0...+70 |
| Интервал температуры хранения, °С | -25...+150 |
Режим работы процессора выбирают подачей на входы управления CNTR1 и CNTR2 (выводы 11 и 12) сигналов высокого и низкого уровней в определенных сочетаниях в соответствии с таблицей. Эти сигналы можно подавать как со стандартных выходов микросхем ТТЛ, так и с выходов с открытым коллектором, для чего в состав процессора TDA3810 введены необходимые нагрузочные резисторы. Возможна подача сигналов управления и с выходов микросхем КМОП, если их питать напряжением 2...5,5 В. Управлять процессором можно и с помощью механического переключателя, замыкая на общий провод выводы 11 и 12 микросхемы.
Таблица 1
| Режим | Управляющий сигнал на входах | Светодиод, подключенный к выходу | ||
| CNTR1 | CNTR2 | HL1 | HL2 | |
| "Стерео" | 0 | Любой | Выключен | Выключен |
| "Расширенное стерео" | 1 | 1 | Включен | Выключен |
| "Псевдостерео" | 1 | 0 | Выключен | Включен |
На рис. 4 показана структурная схема процессора TDA3810, работающего в режиме "Стерео". Коэффициент передачи обоих каналов в этом случае равен 1.

Рис. 4
Функциональная схема, представелная на рис. 5, соответствует режиму "Расширенное стерео". Коэффициент передачи со входа левого канала на его выход равен 0,66(1+R8/R9), где 0,66-коэффициент передачи подключенного к неинвертирующему входу ОУ DA3 внутреннего резистивного делителя процессора, а R8 и R9- сопротивление внешних резисторов R8 и R9, входящих во входную фильтровую цепь.

Рис. 5
При указанных на рис.3 номиналах этих резисторов коэффициент передачи равен 1,32(2,4 дБ). Коэффициент же передачи от входа левого канала до выхода правого отрицателен и равен -0,66R10/R9=-0,66. На высших частотных составляющих звукового сигнала, где емкостное сопротивление конденсаторов C8 и С9 значительно меньше сопротивления внешних резисторов R8 и R10, сигналы на выходах каналов повторяют с коэффициентом 0,66 сигналы с их входов. Условной частотной границей разделения, неже которой стереобаза расширяется, а выше нет, можно считать значение 1/2πR8C8=4 кГц. Если конденсаторы С8 и С9 не устанавливать, стереобаза будет расширяться во всей звуковой частотной полосе.
Поскольку каналы построены аналогично, указанные коэффициенты справедливы и для правого канала.
Схема на рис. 6 справедлива для режима "Псевдостерео". Здесь на оба входа стереопроцессора поступает один и тот же монофонический сигнал. Коэффициент передачи со входа левого канала на его выход не зависит от частот и равен -R12/R13=-1,33. Частотную характеристику коэффициента передачи с общего входа моносигнала на выход правого канала определяют характеристики фильтров Z1 и Z2. Через фильтр Z1, собранный на резисторах R1-R5 и конденсаторах С1-C3 (см. рис. 3), на инвертирующий вход ОУ DA9 процессора поступает прямой входной сигнал. Через фильтр Z2-элементы R6,R7,C4 и С5-на тот же вход с выхода левого канала подан инвертированный и усиленный сигнал.

Рис. 6
Кроме этого, коэффициент передачи зависит от сопротивления резистора R11 обратной связи. Для того чтобы на самых низших значениях частоты коэффициенты передачи по обоим выходам были одинаковыми, необходимо, чтобы сопротивление резистора R11=100 кОм было в 1,33 раза (R12/R13) больше суммарного сопротивления резисторов фильтра Z1, т.е. R1+R2+R3+R4=76 кОм, что и обеспечивает типовая схема включения.
Фильтр Z1-режекторный, с частотой затухания около 500 Гц. Фильтр Z2-полосовой, с той же центральной частотой. Их параметры рассчитаны так, что амплитудно-частотная характеристика по выходу правого канала практически равномерна, а сдвиг фаз между каналами близок к нулю на краях звукочастотной полосы. На частоте 500 Гц выходные сигналы стереопроцессора противофазны, а сдвигу в 90 град. соответствуют значения частоты 150 и 200 Гц. Такая фазочастотная характеристика создает интересную пространственную картину звука.
Литература
- Шкритек П. Справочное руководство по звуковой схемотехнике.
-М.:Мир, 1991.-448 с. - Philips Semiconductors. TDA3810.
Spatial, stereo and pseudo-stereo sound circuit. Data Sheet. January 1985.
