Антенный усилитель МВ-диапазона
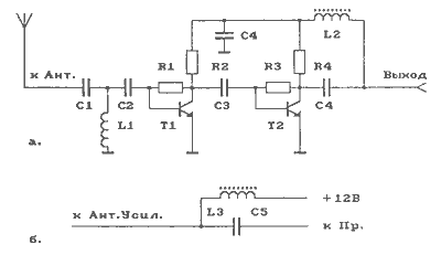
Схема антенного усилителя для диапазона частот 150-210 МГц приведена на рис.1.а.
Радиоэлементы:
R1=47к, R2=470, R3=110, R4=47к, R5=470, R6=110, R7=47к, R8=470, R9=110, R10=75; Cl=15, С2=1н, С3=15, C4=22, C5=15, C6=22, C7=15, C8=22, T1,T2,T3 - 1Т311(Д,Л), ГТ311Д, ГТ341 или аналогичные. Конденсаторы типа КМ, КД и т.д.
Полосу частот данного антенного усилителя можно расширить в области низких частот соответствующим увеличением емкостей, входящих в состав схемы.
Радиоэлементы для варианта антенного усилителя для диапазона 50-210 МГц:
R1=47K, R2=470, R3=110, R4=47к, R5=470, R6=110, R7=47к, R8=470. R9=110, R10=75; Cl=47, С2=1н, C3=47, C4=68, C5=47, C6=68, C7=47, C8=68; T1,T2,T3 - ГТ311А, ГТ341 или аналогичные.
Конденсаторы типа КМ, КД и т.д.
При повторении данного устройства необходимо соблюдать все требования, предъявляемые к монтажу ВЧ-юнструкций: минимальные длины соединяющих проводников, экранирование и т.д.
Антенный усилитель, предназначенный для использования в диапазонах телевизионных сигналов (и более высоких частот) может перегружаться сигналами мощных СВ-, КВ-, У KB-радиостанций. Поэтому широкая полоса частот может быть неоптимальной, т.к. это может мешать нормальной работе усилителя. Особенно это сказывается в нижней области рабочего диапазона усилителя. Для схемы приведенного антенного усилителя это может быть существенно, т.к. крутизна спада усиления в нижней части диапазона сравнительно низка.
Повысить крутизну амплитудно-частотной характеристики (АЧХ) данного антенного усилителя можно применением фильтра верхних частот 3-го порядка. Для этого на входе указанного усилителя можно применить дополнительную LC-цепь.
Схема подключения дополнительного LC-фильтра верхних частот к антенному усилителю приведена на рис.1.б.
![]() |
|
Параметры дополнительного фильтра (ориентировочные):
С=5-10, L - 3-5 витков ПЭВ-2 0.6, диаметр намотки 4 мм.
Настройку полосы частот и формы АЧХ целесообразно проводить с помощью соответствующих измерительных приборов (генератор качающейся частоты и т.д.)- Форму АЧХ можно регулировать изменением величин емкостей С, С1, изменением шага между витками L1 и числа витков.
Используя описанные схемотехнические решения и современные, высокочастотные транзисторы (сверхвысокочастотные транзисторы - СВЧ-транзисторы) можно построить антенный усилитель ДМВ-диапазона. Этот усилитель можно использовать как с УКВ-радиоприемником, например, входящим в состав УКВ-радиостанции, или совместно с телевизором.
Антенный усилитель ДМВ-диапазона
На рис.2.а приведена схема антенного усилителя ДМВ-диапазона.
Полоса частот 470-790 МГц, усиление - 30 дБ. коэффициент шума -3 дБ, Входное и выходное сопротивления - 75 Ом, ток потребления - 12 мА. Одной из особенностей данной схемы является подача напряжения питания на схему антенного усилителя по выходному кабелю, по которому осуществляется подача выходного сигнала от антенного усилителя к приемнику радиосигнала - УКВ-радиоприемника, например, приемника У KB-радиостанции или телевизора.
Антенный усилитель представляет собой два транзисторных каскада, включенных по схеме с общим эмиттером. На входе антенного усилителя предусмотрен фильтр верхних частот 3-го порядка, ограничивающий диапазон рабочих частот снизу. Это увеличивает помехозащищенность антенного усилителя.
Радиоэлементы:
R1=150к, R2=1к, R3=75к, R4=680; С1=3.3, С10=10, С3=100, С4=6800, С5=100; Т1,Т2 - КТ3101А-2, КТ3115А-2, КТ3132А-2.
Конденсаторы С1,С2 типа КД-1, остальные - КМ-5 или К10-17в.
L1 - ПЭВ-2 0.8 мм, 2.5 витка, диаметр намотки 4 мм. L2 - ВЧ-дроссель, 25 мкГн.
На рис.2.б приведена схема подключения антенного усилителя к антенному гнезду ТВ-приемника (к селектору ДМВ-диапазона) и к дистанционному источнику питания 12 В. При этом, как видно из схемы, питание на схему подается через коаксиальный кабель, используемый и для передачи усиленного ДМВ-радиосигнала от антенного усилителя к приемнику - УКВ-радиоприемнику или к телевизору.
Радиоэлементы подключения, рис.2.б:
С5=100; L3 - ВЧ-дроссель, 100 мкГн.
![]() |
|
Монтаж:
на двустороннем стеклотекстолите СФ-2 навесным способом, длина проводников и площадь контактных площадок - минимальные, необходимо предусмотреть тщательное экранирование устройства.
Регулировка:
токи коллекторов регулируются R1 и R3, Т1 - 3.5 мА, Т2 - 8 мА; форму АЧХ можно регулировать подбором С2 в пределах 3-10 пФ и изменением шага между витками L1.


