В разработке пассивных разделительных фильтров важную роль играет их конструкция, а также выбор типа конкретных элементов – катушек индуктивности, конденсаторов, резисторов. В частности, большое влияние на характеристики АС с фильтрами оказывает взаимное размещение катушек индуктивности. При неудачном расположении, вследствие взаимной связи, возможны наводки сигнала между близко расположенными катушками.
Связи катушек. Катушки индуктивности являются одним из важнейших компонентов пассивных разделительных фильтров. В настоящее время многие зарубежные фирмы применяют катушки индуктивности на сердечниках из магнитных материалов, обеспечивающий большой динамический диапазон, низкий уровень нелинейных искажений и малых габаритов. Однако конструирование катушек с магнитными сердечниками связано с применением специальных материалов, поэтому многие разработчики применяют катушки с воздушным сердечником, основные недостатки которых – большие габариты при условии малых потерь (особенно в фильтре низкочастотного канала), а также большой расход меди; достоинства – пренебрежимо малые нелинейные искажения [1]. Конфигурация цилиндрической катушки с воздушным сердечником изображена на рис. 1.

Рис. 1. Конструкция цилиндрической катушки индуктивности с воздушным сердечником: D – средний диаметр катушки; d – внутренний диаметр катушки; b – высота намотки; h – ширина намотки; O - геометрический центр.
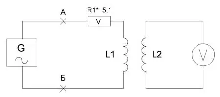
Вокруг катушки, через которую протекает переменный электрический ток, образуется переменное магнитное поле. Если рядом с такой катушкой установить еще одну катушку, то часть силовых линий магнитного поля первой катушки попадут на витки второй катушки, пересекая их. Чем ближе катушки друг к другу, тем больше пересечений силовых линий с витками катушки. В результате на второй катушке индуцируется электродвижущая сила (ЭДС), то есть на выводах второй катушки появиться переменное напряжение. Связь близко расположенных катушек можно проследить с помощью доступных подручных устройств – генератора звуковой частоты и мультимера, используя схему на рис. 2. Одну из катушек (L1) присоединяют к генератору, другую (L2) к мультимеру, включенного в режиме вольтметра. В качестве генератора используют персональный компьютер с соответствующей программой и усилитель НЧ. Катушку L1 к усилителю следует подключать через резистор R1. Суммарное сопротивление резистора и катушки индуктивности должно соответствовать выходному сопротивлению усилителя. Генератор подает на катушку L1 сигнал нужной частоты и амплитуды (измеряют вольтметром в точках А, Б на схеме). Наводящуюся на катушке L2 ЭДС показывает мультимер. Величина показаний меняется в зависимости от удаленности катушек и их взаимного расположения. Если вместо мультимера подключить динамик, то ЭДС индукции катушки L2 можно еще и услышать.

Рис. 2. Схема измерения ЭДС индукции катушки
Результаты тестирования при различных взаимных положениях катушек индуктивности L1 1,8 мГн подключенной к генератору, и катушки L2 0,43 мГн, подключенной к мультимеру, отображены в таблице 1.
Таблица 1. Зависимость величины ЭДС индукции от взаимного расположения катушек
Параметры сигнала, подаваемого на катушку L1 | Взаимное расположение цилиндрических катушек индуктивности с воздушным сердечником | ||||||||||||||||
1
| 2
| 3
| 4
| ||||||||||||||
Расстояние между катушками, см | |||||||||||||||||
0 | 1 | 5 | 10 | 0 | 1 | 5 | 10 | 0 | 1 | 5 | 10 | 0 | 1 | 5 | 10 | ||
U, В | Частота, Гц | ЭДС индукции катушки L2, мВ | |||||||||||||||
10 | 100 | 550 | 250 | 50 | 12 | 85 | 47 | 10 | 4 | 25 | 11 | 3 | 0 | 4 | 0 | 0 | 0 |
500 | 1166 | 630 | 110 | 25 | 155 | 100 | 22 | 7 | 60 | 33 | 5 | 2 | 19 | 4 | 2 | 0 | |
1000 | 1250 | 705 | 140 | 28 | 180 | 103 | 23 | 8 | 85 | 49 | 12 | 2 | 12 | 4 | 0 | 0 | |
5000 | 1269 | 784 | 215 | 29 | 188 | 103 | 23 | 7 | 68 | 49 | 6 | 0 | 8 | 4 | 0 | 0 | |
10000 | 1075 | 503 | 110 | 18 | 141 | 81 | 18 | 3 | 68 | 34 | 0 | 0 | 6 | 0 | 0 | 0 | |
Как видно из таблицы, самым верным взаимным расположением катушек является позиция 4 – ортогонально цилиндрическими (боковыми) поверхностями. Немного худший результат показало размещение катушек в позиции 3 – взаимноперпендикулярное. В позиции 2 надлежит размещать катушки не ближе 100 мм, а в позиции 1 – более 100 мм. Следует заметить, что в позиции 3 измерения проводились при положении геометрического центра O катушки I на оси симметрии катушки II. При смещении центра с оси ЭДС значительно возрастает и достигает своего максимума, когда проекция центра катушки I находится на линии среднего диаметра D (рис. 1) катушки II. В остальных случаях увеличение ЭДС в результате смешений катушек не прослеживается, а наоборот – уменьшается. Величина индуцированной ЭДС зависит от числа силовых линий, пересекаемых витки катушки.
Исходя из полученных данных, проект платы будущего фильтра для акустической системы начинают с выбора взаимного расположения катушек индуктивности. Если в фильтре две катушки, все просто, располагают в положении 4. Но если больше, 5, 6 катушек, необходимо подходить комплексно. Правильно подбирать не только взаимное положение катушек, но расстояния между ними.
Платы. Реализация схемы фильтра модернизированной акустической системы 35АС-012 "S-90", приведенной на рис. 14 во второй части статьи, оказалась весьма затруднительной на родной фанерной плате из-за недостатка места для новых компонентов. Поэтому изготавливают новую плату большего размера на фольгированом стеклотекстолите. Это позволит поместить катушки индуктивности с минимальным взаимным влиянием, упорядочить монтаж других компонентов, избавиться от большого количества соединительных проводов и перемычек, что, в свою очередь, облегчит работы по подключению, обслуживанию и ремонту фильтра в будущем.
Наиболее подходящее в корпусе АС место для основания фильтра – внутренняя нижняя плоскость. На ней помещается плата размерами 205х195 мм. Именно таких размеров вырезают заготовку для основной печатной платы – рис. 3,а. Конструкция имеет еще одну, дополнительную, плату, размерами 155х90 мм – рис. 3,б. На основной плате располагаются печатные проводники СЧ и ВЧ звеньев фильтра, на дополнительной – НЧ звена. Подготовку рисунка печатного монтажа выполняют на компьютере, оснащенном специальной программой Sprint-Layout. Каких-нибудь особых требований к плате не предъявляется: проводники должны быть максимально короткими и широкими; не допускают изгибов токопроводящих дорожек под прямым углом; элементы схемы с условным обозначением "общий провод" соединяют в одном месте. После ориентирования катушек, определяются с другими компонентами – конденсаторами, резисторами. Для удобства подключения фильтра предусматривают места и под ножевые клеммы. При проектировании в программе используют опцию двухсторонней печатной платы, т. е. на одном рисунке размещают проекты основной и дополнительной плат. Оба рисунки отдельно распечатывают на лазерном принтере на мелованной бумаге или глянцевой для принтерной фотопечати. Для основной платы рисунок должен быть в зеркальном изображении.
На металлизированные стороны заготовок, предварительно отшлифованные наждачной бумагой нулевой зернистости, прикладывают рисунки и переводят с помощью утюга. После бумагу отмачивают. Платы готовы к травлению. Для травления площади в 100 см2 наиболее пригодный для бытовых условий раствор: 100 мл трехпроцентного раствора перекиси водорода, 50 - 75 г лимонной кислоты, 15 г поваренной соли. После травления удаляют принтерный тонер, сверлят отверстия, тщательно облуживают проводники. Если есть возможность изготовить платы более прогрессивным способом, воспользуйтесь им.
Правильно изготовленные платы должны накладываться друг на друга, свободными от проводников поверхностями, как показано на рисунке 3,в.

а

б

в

г

д
Рис. 3. Печатные платы фильтра АС: а – основная; б – дополнительная; в – взаимное расположение; г – размещение элементов на основной плате; д – размещение элементов на дополнительной плате. Условные обозначения: Jmp1 – к контакту 9 делителя; Jmp2 – к отрицательному проводу СЧ головки; Jmp3 – к контакту 1 делителя; Jmp4 – к отрицательному проводу ВЧ головки; Jmp5 – к положительным проводам СЧ и ВЧ головок, отрицательной клемме К4; Jmp6 – к отрицательному проводу НЧ головки; Jmp7 – к положительной клемме К1; Jmp7 – к положительному проводу НЧ головки, отрицательной клемме К2; R'' - резистор включенный в точке А.
Монтаж. Катушки индуктивности (рис. 4) следует осмотреть и, по возможности, провести измерения индуктивности. При обнаружении плохой плотности намотки или большого несоответствия фактической величины индуктивности с заявленной, катушки перематывают. Конструкция каркасов катушек индуктивности СЧ, ВЧ звеньев имеет отверстие для крепления в центре одного из оснований. Винт или шуруп из магнитного материала, по сути, являющийся сердечником, увеличивает ее индуктивность на 2…3 мГн, а из немагнитного (латуни) – наоборот, снижает. Поэтому применение таких крепежных элементов дает положительный эффект, если реальная величина индуктивности катушки на 2…3 мГн меньше (больше) указанной в схеме. А вообще не рекомендуется крепить такие катушки на металлические винты. Намоточные данные катушек индуктивности фильтра "S-90" от завода изготовителя приведены в таблице 2 [27].

Рис. 4. Катушки индуктивности фильтра АС.
Схема дополнена катушками номиналами 0,22 мГн и 0,43 мГн. Их рассчитывают исходя из размеров каркаса и толщины обмоточного провода. Для расчета катушек существует много программ. Из практики известно, не каждая программа дает верный результат. Следует наматывать на 5-10 витков больше расчетных. После чего заданный номинал катушки устанавливают отматыванием витков, подвергая ее измерениям. Измерять индуктивность с помощью приставок к мультимерам не желательно. В них не учитывается сопротивление катушки, как результат – большая погрешность в измерениях. Относительно точно рассчитать катушку можно с помощью компьютерной программы CoilCalc 1.02b.
Таблица 2. Намоточные данные катушек фильтров 35АС-012.
Катушка | Индуктивность, мГн | Число витков | Провод | Внутренний диаметр намотки, мм | Длина каждого слоя, мм |
L1 | 2,1 | 235 | ПЭВ-1 1,12 | 40 | 28 |
L2 | 0,23 | 145 | ПЭВ-1 0,63 | 15 | 18.5 |
L3 | 1,67 | 350 | ПЭВ-1 0,63 | 15 | 18.5 |
L4 | 0,55 | 215 | ПЭВ-1 0,63 | 15 | 18.5 |
Конденсаторы и резисторы поддают измерениям их номиналов, поскольку они имеют некий допустимый разброс параметров. По результатам замеров их сортируют на близкие по характеристикам пары. Каждую пару разбивают на две группы предельно подобранные по номиналам для одного и второго фильтра. Результирующие схемы двух фильтров должны быть максимально похожи друг на друга.
С выводов конденсаторов МГБО-2 отпаивают подводящие лепестки – рис. 5,а. Затем закрепляют их на основной плате. Сверху прикладывают дополнительную плату, продевая выводами через отверстия – рис. 5,б. Обе платы скрепляют резьбовыми шпильками или муфтами – рис. 5,в. Резьбовое соединение должно жестко соединять обе платы и обеспечивать зазор между ними 55,5 мм – расстояние от стеклянного изолятора конденсатора до его нижнего габарита.

а

б

в
Рис. 5. Монтаж конденсаторов МБГО-2: а - отпаивание подводящего лепестка; б – размещение на плате; в – резьбовая шпилька.
Все конденсаторы для СЧ и ВЧ звеньев фильтра устанавливают лавсановые серии К73-16 рабочим напряжением 160 и 250 В. Стандартами предусмотрены определенные ряды значений номиналов радиоэлементов (конденсаторов, резисторов), не всегда совпадающие с указанными в схеме. Конденсаторы К73-16 с рабочим напряжением 250В выпускаются наибольшей емкостью 10 мкФ, а рабочем напряжением 160В – 6,8 мкФ. Наиболее близкий к 4 мкФ – 3,9, к 6,6 мкФ – 6,8, и т. д. Поэтому, для набора необходимой емкости конденсаторы собирают в параллель. Например: 30 мкФ – три по 10 мкФ; 6,6 мкФ – три по 2,2 мкФ; 4 мкФ – 2,2 мкФ и 1,8 мкФ. При параллельном соединении конденсаторов снижается такой важный параметр как эквивалентное последовательное сопротивление.
Резисторы серии ПЭВ заменяют на С5-16В или, еще лучше, на ОСС5-16В, предназначенные для работы в цепях постоянного, переменного, пульсирующего и импульсного тока напряжением до 300В, или несколькими параллельно или последовательно включенными пленочными (металлоокисными). Количество резисторов подбирают исходя из необходимой мощности рассеивания. Например, мощность рассеивания резистора R1 на 75 Ом определяют по формуле: Рр=U2/R, где Рр – мощность рассеивания резистора, U – подводимое напряжение, R – сопротивление резистора, 112/75 = 1,61 Вт. Рекомендуется устанавливать резисторы мощность в 1,5…2 раза выше расчетной. Поскольку звуковой сигнал носит импульсный характер, резистора мощностью на 2 Вт вполне достаточно. К примеру, в акустической системе 35АС-212 "S-90" установлен резистор R1 типа ОМЛТ номиналом 100 Ом и мощностью 2 Вт. Пленочные резисторы имеют гораздо меньшую паразитную индуктивность, сравнительно с ПЭВ и С5-16В, и более пригодны для применения в звуковых цепях. А если применять несколько параллельно включенных резисторов, паразитная индуктивность снижается в столько раз, сколько установлено резисторов.
Элементы кроссовера работают в условиях воздействий вибраций и повышенного звукового давления. Во избежание возникновения призвуков, или еще хуже, отслаивания токопроводящих элементов платы, обламывания выводов массивных деталей, рекомендуется укреплять их на плате с помощью герметики, клея (силиконовый, акриловый), стяжек и т. п. После сборки плату (рис. 6) осматривают, проверяют, винтовые соединения и дорожки покрывают цапон-лаком. Фильтр устанавливают на предусмотренное место в корпусе АС. Монтажные провода закрепляют стяжками.

Рис. 6. Фильтр акустической системы 35АС-012 "S-90"
Литература
27. Ласис Д. 35АС-013. Радио № 3 1985, №7, 1986.
28. Николаенко М. Настольная книга радиолюбителя конструктора. – М: ДМК Пресс, 2004.
Автор: Владимир Марченко, г. Умань, Украина




