Предлагаемое устройство позволяет организовать голосовую связь между несколькими абонентами по одной двухпроводной линии. Каждый из них может сделать свои сообщения слышимыми только выбранным им абонентам. Одновременно может быть создано несколько групп, общающихся независимо. Рассматриваются два варианта устройства - на шесть и на двенадцать абонентов.
Целью разработки было создание простой системы связи, позволяющей с минимальными аппаратными и эксплуатационными затратами оперативно соединять между собой абонентов в любых сочетаниях. В основу был положен адресный принцип организации системы связи, в которой каждому абоненту присваивается индивидуальный адрес и обеспечивается возможность передачи речевых сообщений одному или нескольким адресатам по его выбору.
Адресом абонента может служить либо выделенная ему частотная полоса (система с частотным разделением каналов, ЧРК), либо периодически выделяемый ему промежуток времени (система с временным разделением каналов, ВРК). Техническая реализация системы связи с ЧРК весьма громоздка и сложна. Система с ВРК решила поставленную задачу значительно проще. Использование для соединения абонентов проводной линии позволяет обеспечить по ней же и электропитание всех аппаратов связи.
Разработанное переговорное устройство состоит из общей двухпроводной линии связи, с которой двухпроводными отводами распределённо-парал-лельно соединены абонентские аппараты (АА). К началу общей линии подключён генератор импульсов, синхронизирующих работу АА. Он назван генератором линии - ГЛ. Энергией этих же импульсов питаются все АА.
В каждом АА есть коммутатор, в одном из положений которого, индивидуальном для каждого АА, с линией связи соединено его приёмное устройство. Номер этого положения и есть адрес абонента - он может слышать только те сообщения, которые другие абоненты передают, когда их коммутаторы находятся в том же положении. Положения коммутатора, в которых с линией соединяется передающее устройство данного АА, абонент выбирает сам. Этим он делает свои сообщения доступными только тем АА, которые в соответствующих временных интервалах работают на приём. При достаточно высокой частоте переключения коммутатора принятый речевой сигнал воспринимается как непрерывный и единственный, хотя в линии связи вместе с ним присутствуют и несколько сигналов, доступных другим адресатам.
Основное требование к такой системе связи - надёжная синхронная и синфазная работа коммутаторов во всех АА. Для её обеспечения используются не занятые абонентами их положения. В отведённых для них интервалах времени передаются формируемые ГЛ синхроимпульсы.
По возможностям организации связи эту систему можно отнести к бесприоритетным - каждый абонент может связаться с любым, при этом могут одновременно существовать, не создавая взаимных помех, независимые соединения. Максимальное число таких соединений в варианте системы на шесть абонентов - 57, а на двенадцать абонентов - 4083.
Длина общей двухпроводной линии связи может достигать 200 м, длина абонентских отводов от неё - до 10 м. Частота полных циклов переключения коммутатора - 25 кГц при шести абонентах или 12,5 кГц при двенадцати. Частота следования синхроимпульсов - 25 кГц. Для передачи голосовых сигналов используется широтно-импульсная модуляция.
ГЛ одинаков для обоих вариантов системы и обеспечивает её работу при напряжении питания 8...14 В. Ток потребления не превышает 200 мА. Все АА идентичны и различаются лишь подключением одного провода, задающего адрес аппарата в системе. В системе на 12 абонентов в каждый АА добавлена всего одна микросхема средней степени интеграции.

Рис. 1
Схема ГЛ изображена на рис. 1. Он выполнен на сдвоенном таймере DD1 ILC556N (GLC556). На первом таймере (DA1.1) собран задающий генератор, формирующий последовательность импульсов с частотой повторения 25 кГц. Точное значение частоты устанавливают подстроенным резистором R2. Сигнал с выхода задающего генератора запускает одновибратор на втором таймере (DA1.2), формирующий положительные импульсы длительностью 6...7 мкс, устанавливаемой подстроенным резистором R4. Через эмиттерный повторитель на транзисторе VT1 эти импульсы поступают в линию связи.
При налаживании системы выходное сопротивление ГЛ регулируют подстроенным резистором R7, согласуя генератор с конкретной линией связи. В авторском варианте генератор собран на плате размерами 40x25 мм. Ввиду простоты чертёж платы не приводится.
Таймер ILC556N, имеющий структуру КМОП, может быть заменён менее экономичным структуры ТТЛ - сдвоенным IN556N (NE556) либо двумя одиночными IN555N (NE555, КР1006ВИ1). При этом резистор R3 заменяют перемычкой.

Рис. 2
АА выполнен на трёх цифровых микросхемах структуры КМОП и сдвоенном компараторе напряжения. На рис. 2 приведена схема аппарата с адресом 2 для системы на шесть абонентов. На триггере Шмитта DD1.2 собран тактовый генератор, охваченный петлёй ФАПЧ, в которую входят триггер Шмитта DD1.1, диоды VD1, VD2, резисторы R4, R5 и конденсатор С2, с которого через резистор R6 на генератор поступает управляющее частотой напряжение. Частоту свободных колебаний генератора задаёт цепь R8C4.
Тактовые импульсы поданы на счётный вход счётчика DD2.1, выходные сигналы которого управляют селектором-мультиплексором DD3. На вход-выход Y мультиплексора через защитный резистор R17 поступает сигнал с линии. На выходах 7 и 0 выделяются части передаваемого по ней синхроимпульса. Они поступают на вход временного детектора системы ФАПЧ - вход инвертора DD1.1 и анод диода VD1. Нагрузкой выхода 0 мультиплексора служит резистор R3, а выхода 7 - цепь из резистора R2 и светодиода HL1, непрерывное свечение которого сигнализирует о захвате петлёй ФАПЧ поступающего по линии связи синхроимпульса.
Цепь R5VD2 обеспечивает разрядку конденсатора С2, а цепь R4VD1 - его зарядку, что формирует управляющее частотой генератора напряжение рассогласования между "центром тяжести" импульса синхронизации и моментом переключения мультиплексора из состояния 7 в состояние 0. Постоянные времени этих цепей выбраны такими, что обеспечиваются как быстрое вхождение в режим захвата, так и неизменность частоты и фазы тактового генератора в интервалах времени между синхроимпульсами. Параметры элементов указанных цепей желательно выдерживать с отклонениями от номиналов не более 5 %.
Линейно изменяющееся напряжение с конденсатора С4 поступает на неинвертирующий вход компаратора DA1.1, а на его инвертирующий вход подана сумма напряжения смещения с подстроенного резистора R9 и сигнала с выхода микрофонного усилителя на транзисторе VT2. В устройстве используется электретный микрофон ВМ1 (например, CZN-15E), питаемый от источника тока на транзисторе VT1. Узел микрофона и усилителя его сигнала может быть выполнен выносным и подключён к абонентскому аппарату по двухпроводной схеме.
Сформированные компаратором ШИМ импульсы поступают с его выхода через резистивный делитель напряжения R12R13 на базу транзистора VT3, включённого по схеме эмиттерного повторителя. С помощью выключателей SA1-SA5, соединённых с эмиттером этого транзистора, выбирают абонентов, которые должны принимать формируемые данным АА сигналы.
Собственно передача происходит при подаче замыканием кнопки SB1 "Речь" напряжения питания на коллектор транзистора VT3. При этом ШИМ импульсы с эмиттера этого транзистора поступают на соответствующий вход мультиплексора DD3 и далее с его выхода Y - в линию связи через эмиттерный повторитель на транзисторе VT4.
При нажатии на кнопку SB2 "Тон" на коллектор транзистора VT3 с выхода 4 счётчика DD2.2 через защитный диод VD4 поступают импульсы частотой около 1,5 кГц - сигнал тонального вызова.
В приёмный тракт АА входят резистор нагрузки канала приёма R15, усилитель-ограничитель на компараторе DA1.2, подстроенный резистор R14, которым устанавливают порог срабатывания компаратора, цепь нагрузки выхода компаратора - резистор R16 и светодиод HL2, импульсный усилитель на триггере Шмитта DD1.3, разделительный конденсатор С5 и электромагнитный телефонный капсюль BF1. Номер выхода мультиплексора, с которым соединён вход компаратора DA1.2, - это индивидуальный адрес АА. В данном случае это аппарат "Абонента 2".
Сигнал с этого выхода поступает на вход компаратора. При превышении им порога, заданного подстроенным резистором R14, включается светодиод HL2, сигнализируя о наличии принимаемого сигнала. Далее принятые импульсы усиливаются. по мощности триггером Шмитта DD1.3, с выхода которого через разделительный конденсатор С5 они поступают на капсюль BF1. За счёт ограниченной полосы пропускания телефонного капсюля ШИМ импульсы преобразуются в речевой звуковой сигнал. Капсюль может быть типа ДЭМК-6 или ДЭМ-4м, но лучше всего подходит ВП-1 с сопротивлением постоянному току 70 Ом (на его корпусе написано 600 Ом, но это полное сопротивление сигналу 34).
Питается АА напряжением, накопленным на конденсаторе С6, который заряжают через диод VD5 поступающие по линии связи синхроимпульсы.
Номиналы подстроенных резисторов R9 и R14 могут быть практически любыми, но желательно не уменьшать их по сравнению с указанными на схеме. Светодиоды HL1, HL2 - разного цвета свечения повышенной яркости в корпусе диаметром 3 мм.

Рис. 3
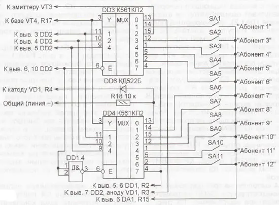
Для переговорного устройства на 12 абонентов в каждый абонентский аппарат необходимо добавить, как показано на схеме рис. 3, ещё один мультиплексор К561КП2 (DD4) и выключатели SA6-SA11. Подключение мультиплексора DD3 остаётся прежним, за исключением его управляющего входа Е, который соединяют не с общим проводом, а с выходом 8 счётчика DD2.1. С этим же выходом через инвертор на остававшемся ранее свободным триггере Шмитта DD1.4 соединён вход Е мультиплексора DD4. За счёт этого мультиплексоры работают поочерёдно, а корректность их чередования обеспечивается обнулением счётчика DD2.1 импульсами, снимаемыми с выхода 0 мультиплексора DD3.
В результате число абонентов может быть увеличено вдвое. Хотя частота информационных импульсов для каждого из них понижается в два раза, она остаётся достаточной для передачи речевых сигналов. Дополнительная цепь R18VD6 обеспечивает зарядку конденсатора С2 импульсами с выходов 0 обоих мультиплексоров, что сохраняет условия работы петли ФАПЧ такими же, как и в ранее рассмотренном варианте.
Каждый абонентский аппарат был собран автором на двух платах - основной размерами 100x40 мм и дополнительной с движковыми выключателями ПД9-2 (SA1 -SA5 или SA1-SA11) и кнопками SB1, SB2.
Предлагается следующий порядок вхождения в связь. Вызывающий абонент замыкает на своём аппарате один или несколько выключателей, соответствующих вызываемым абонентам, затем нажатиями на кнопку SB2 "Тон" передаёт свой "позывной", в качестве которого могут быть, например, использованы коды Морзе различных цифр и букв. Такие тональные сигналы хорошо прослушиваются и распознаются, даже если вызываемый абонент во время их звучания слушает другой разговор.
Линия связи - витая пара (одна скрутка на 2...5 см длины) из гибких монтажных проводов с прочной изоляцией разного цвета. В местах присоединения к основной линии шлейфов, ведущих к АА, удобно установить двухконтактные разъёмы, обеспечивающие быстрое подключение с соблюдением полярности. Аналогичные разъёмы устанавливают в начале и в конце основной линии. К одному из них подключают ГЛ, а к другому - согласованную нагрузку из последовательно соединённых подстроенного резистора 220 Ом и постоянного 100 Ом. При равномерном распределении точек подключения АА по длине линии оконечная согласованная нагрузка может и не потребоваться, её влияние на качество связи незначительно.
Налаживают переговорное устройство с помощью осциллографа. Прежде всего устанавливают параметры формируемых ГЛ синхроимпульсов: длительность - 6 мкс, период повторения - 40 мкс. Затем подключают к ГЛ линию и регулируют сопротивление подстроенного резистора R7 (см. рис. 1) и сопротивление нагрузки линии по минимальной затяжке спада синхроимпульса.
АА налаживают поочерёдно. Это можно делать, либо подключая их к реальной линии, либо имитируя её двумя резисторами по 220 Ом (по одному в каждом проводе, соединяющем АА с ГЛ). При подключении следует соблюдать полярность.
Подстроечным резистором R8 (см. рис. 2) добиваются захвата импульсов синхронизации петлёй ФАПЧ. Когда он отсутствует, в телефонном капсюле BF1 прослушивается треск, а светодиод HL1 мигает. При захвате шум в капсюле прекращается, а светодиод светит непрерывно. Замкнув один из выключателей выбора абонента и нажав на кнопку SB1 "Речь", подстроечным резистором R9 устанавливают длительность информационного импульса равной 2,5 мкс (в режиме молчания). Её контролируют осциллографом, подключённым к выходу ГЛ. Амплитуда импульса - около 1 В.
Подключив все АА к линии, регулируют их приёмные каналы. Для этого на одном из уже налаженных АА замыкают выключатель, соответствующий налаживаемому АА, и нажимают на кнопку SB1 "Речь". Подстроечным резистором R14 налаживаемого АА добиваются устойчивого свечения светодиода HL2, а также наилучшей слышимости и разборчивости слов, произносимых перед микрофоном образцового АА.
При испытаниях уровень и качество сигнала в системе на шесть абонентов субъективно оценивались как высокие. В системе на 12 абонентов уровень сигнала немного ниже и прослушивается слабая помеха с частотой коммутации (12,5 кГц), практически не влияющая на разборчивость речи.
Описанная система может найти применение как для стационарного оснащения сельских больниц, школ, детских учреждений, офисов, так и для организации сетей связи быстрого развёртывания, например, в туристских палаточных городках или в зонах стихийных бедствий.
Автор: И. Яковцев, г. Гомель, Белоруссия
