О доработке описанного в [1] термометра-термостата, заключавшейся во введении дополнительной кнопки для изменения заданного значения поддерживаемой температуры в сторону уменьшения, а не только увеличения, как было в исходном варианте, было рассказано в [2].
За прошедший со времени этой публикации период совершенствование прибора продолжалось. Была добавлена ещё одна кнопка, позволяющая оперативно, без перепрограммирования микроконтроллера, изменять гистерезис - разность значений температуры включения и выключения нагревателя. Это позволило легко приспосабливать прибор к разным задачам и условиям эксплуатации Например, для инкубатора требуется минимальная и даже нулевая ширина зоны гистерезиса, а для "тёплых полов" она может доходить до 2...4 °С. На оптимальное значение влияют объём и теплопроводность среды, в которой поддерживается температура, качество её теплоизоляции, мощность нагревателя, расстояние между ним и датчиком температуры и другие факторы. Поэтому его обычно подбирают экспериментально.

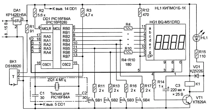
Рис. 1
Схема доработанного терморегулятора изображена на рисунке. Кроме ранее имевшихся кнопок SB1 и SB2 и добавленной при предыдущей доработке кнопки SB3 с резистором R16, в нем установлены кнопка SB4 и резистор R17. Назначение кнопок теперь следующее:
SB1 - "+" (увеличение параметра);
SB2 - "Температура";
SB3 - (уменьшение параметра);
SB4 - "Гистерезис".
Изменённые значения параметров сохраняются в EEPROM микроконтроллера и переносятся из него в оперативную память при каждом включении питания прибора.
В приборе могут работать микроконтроллеры PIC16F84A или PIC16F628, но каждый по своей программе. Для микроконтроллера PIC16F628 кварцевый резонатор ZQ1 и конденсаторы С1, С2 не требуются. Его тактирование будет происходить от встроенного RC-генератора.
Литература
1. Трищенко К. Усовершенствованный термометр-термостат на микроконтроллере. - Радио, 2006, № 1, с. 43-45.
2. Гетте А. Доработка "Усовершенствованного термометра-термостата на микроконтроллере". - Радио, 2011, № 11, с. 48.
Программы для микроконтроллеров PIC16F84A и PIC16F628A доработанного термометра-термостата можно скачать здесь.
Автор: А. Гетте, г. Рязань
