Теперь о драйвере. В простейшем случае его функцию может выполнять токоограничивающий резистор, как это показано на рис. 3. Его сопротивление зависит от напряжения аккумулятора, вольт-амперной характеристики светодиода и требуемого тока. Зная напряжение на светодиоде UСВ при требуемом токе IСВ и напряжение аккумулятора UAK, можно найти сопротивление токоограничивающего резистора RTО = (UAK - UСВ)/IСВ. Для примера на рис. 10 приведены зависимости тока через светодиод ARPL-1W-BCX2345 с токоограничивающим резистором и без него. Видно, что токоограничивающим резистором в интервале напряжения аккумулятора 3...4,2 В ток через светодиод изменяется примерно в пять раз. Соответственно изменяется и яркость фонаря.

Рис. 10.

Рис. 11.
Если применить многопозиционный переключатель, можно оперативно изменять яркость фонаря (рис. 11). Подборкой резисторов R1 и R2 можно установить требуемый ток через светодиод. У такого технического решения есть положительные стороны: во-первых, простота, а во-вторых, из-за нелинейной вольт-амперной характеристики светодиода аккумулятор не сможет разрядиться полностью. Недостатки также очевидны - низкий КПД из-за бесполезной потери энергии на резисторах, а также существенное уменьшение яркости при разрядке аккумулятора.

Рис. 12.
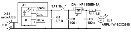
Устранить один из недостатков, а именно второй, можно, если применить стабилизатор напряжения. Вариант схемы фонаря с таким драйвером показан на рис. 12. Конденсаторы С1 и С2 обеспечивают устойчивую работу микросхемы. В этом драйвере можно применить стабилизатор с выходным напряжением 3 В с малым падением напряжения (LDO) Зависимость тока через светодиод для этого варианта показана на рис. 10 (зелёная кривая). В этом варианте яркость свечения остаётся практически постоянной. Изготовление платы не обязательно, если конденсаторы припаять непосредственно к выводам микросхемы, например конденсаторы для поверхностного монтажа (рис. 13).

Рис. 13.

Рис. 14.
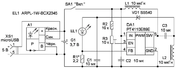
Если для питания светодиода применить драйвер на основе импульсного преобразователя-стабилизатора тока, можно обеспечить стабильную яркость его свечения во всём интервале напряжения аккумулятора. В этом случае подходящим будет преобразователь структуры Sepic, описание которого приведено в [5]. Его схема показана на рис. 14, он собран на микросхеме PT4110E89E и обеспечивает питание стабильным током, который можно установить подборкой резистора R1: IСВ = 0,3/R1.
Поскольку этот стабилизатор работоспособен при снижении напряжения питания до 2,2...2,5 В, он может разрядить аккумулятор до слишком низкого напряжения, что может отрицательно сказаться на сроке его службы. Чтобы этого не допустить, в микросхеме задействован вход EN (вывод 3), с помощью которого можно включать и выключать преобразователь. Напряжение переключения - 1...1,2 В. При меньшем напряжении преобразователь выключается, при большем - включается. Установить напряжение аккумулятора, при котором преобразователь выключается, можно подстроечным резистором R3. На рис. 15 приведены зависимости тока через светодиод и тока, потребляемого преобразователем.

Рис. 15.

Рис. 16.
Все элементы устройства размещены на двухсторонней печатной плате из фольгированного стеклотекстолита толщиной 1 мм, её чертёж показан на рис. 16. Вторая сторона оставлена фольгированной и используется в качестве общего провода, через отверстия (2 шт.) в плате печатные проводники первой стороны соединены с металлизацией второй отрезками лужёного провода. Применены элементы для поверхностного монтажа, постоянные резисторы и конденсаторы - типоразмера 1206, подстроечный резистор - серии PVA3A (RVG3A). Диод может быть любым выпрямительным быстродействующим или Шоттки с допустимым прямым током не менее 0,5 А. Дроссели - силовые серии VLCF5028T или SLF10145T Внешний вид смонтированной платы показан на рис. 17. Её помещают в термоусаживаемую трубку и устанавливают в корпусе фонаря. Следует отметить, что в фонаре можно применить и другие светодиоды средней мощности, выбор которых в настоящее время большой.

Рис. 17.

Рис. 18.
Таким образом, в результате проведённой работы получился малогабаритный, достаточно мощный фонарь с узким лучом и возможностью зарядки его аккумулятора от зарядного устройства сотового телефона (смартфона). Внешний вид фонаря показан на рис. 18.
Чертёж печатной платы находится здесь.
Литература
1.Нечаев И. Об использовании электронной начинки одноразовых электронных сигарет при создании радиолюбительских устройств.- Радио, 2023, № 8, с. 30-34.
2.Мощный светодиод ARPL-1W-BCX2345. - URL: https://arlight.ru/catalog/product/ moshchnyy-svetodiod-arpl-1w-bcx2345-white-arlight-emitter-020954/ (21.06.23).
3.Оптическая система 10 A12. - URL: https://moskva.chip-led27.ru/catalog/ vtorichnaya_svetodiodnaya_optika/ opticheskaya_sistema_10_a12/ (21.06.23).
4.Нечаев И. Карманный фонарь с узким лучом. - Радио, 2022, № 4, с. 27-29.
5.Нечаев И. Sepic в светодиодном фонаре. - Радио, 2020, № 10, с. 62-64.
Автор: И. Нечаев, г. Москва
