Предлагаемый уровнемер предназначен для дистанционного измерения уровня любой жидкости, имеющей электрическую проводимость, с выдачей результата на внешние устройства отображения в виде постоянного напряжения 0...+10 В, стандартного для систем автоматизации. Прибор обеспечивает линейную зависимость выходного напряжения от уровня жидкости с погрешностью не более 5 %. Для индикации уровня "по месту" используется светодиодная шкала из 11 светодиодов, смонтированных вместе с соответствующим устройством на крышке корпуса.
Передача показаний в контроллер централизованной системы домашней автоматики, обеспечивающей управление различными электроприборами, местный и дистанционный контроль за всеми параметрами с помощью смартфона, производится по трёхпроводному кабелю, вместе с напряжением питания 12...15 В. В упрощённом варианте в месте, удобном для считывания показаний, устанавливаются цифровой или аналоговый вольтметр со шкалой 0...100 % и сетевой стабилизированный блок питания, обеспечивающий ток до 100 мА. Как вариант, для периодического измерения уровня можно кнопкой без фиксации подключать уровнемер и вторичный прибор к небольшой батарее из аккумуляторов или гальванических элементов на соответствующее напряжение. В случае необходимости вторичный прибор можно дополнить несколькими регулируемыми пороговыми устройствами для организации световой и звуковой сигнализации достижения определённых уровней и обеспечения автоматического заполнения или откачки контролируемой ёмкости в заданном интервале уровней. Схемы таких устройств, как правило, разрабатываются для конкретной ситуации, а их прототипы можно найти на просторах Интернета, и в рамках данной статьи они не рассматриваются.
Структурно уровнемер состоит из изолированного измерительного зонда, погружённого в измеряемую жидкость и меняющего электрическую ёмкость прямо пропорционально её уровню, генератора, частота которого обратно пропорциональна ёмкости зонда, линейного частотного детектора с инверсной характеристикой, когда его выходное напряжение пропорционально увеличивается с уменьшением частоты, узла компенсации начального смещения и масштабирования выходного сигнала до стандартной величины. Областью применения уровнемера в домашнем хозяйстве является дистанционный контроль уровня воды в различных накопительных ёмкостях, бассейнах, дренажных колодцах, расширительных баках систем отопления, септиках и тому подобное.
В качестве измерительного зонда в устройстве используется металлопластиковая труба, обычно применяемая в системах водоснабжения. Она имеет многослойную структуру, включающую слой алюминия толщиной 0,2 мм, защищённый внешним слоем полиэтилена. В авторском варианте использована недорогая шовная труба диаметром 16 мм с толщиной стенки 2 мм. Измеренная погонная ёмкость этой трубы между алюминиевой прослойкой и электропроводящей жидкостью снаружи составляет примерно 140 пФ на каждые 10 см длины. При использовании металлопластиковых труб разных производителей ёмкость, вероятно, будет отличаться от этого значения, и может потребоваться коррекция номиналов некоторых элементов уровнемера. Длина трубы выбирается исходя из высоты контролируемой ёмкости с запасом 15...20 см.
В верхней части закрепляется корпус прибора, внутри которого удаляется часть наружного слоя трубы до алюминиевой прослойки, которая коротким проводником соединяется со входом генератора. Нижний торец трубы тщательно изолируется от попадания жидкости внутрь и на алюминиевую прослойку. Для этого в отверстие трубы устанавливается резиновая пробка, а затем поверх надевается отрезок подходящей клеевой термоусаживаемой трубки, и всё герметизируется. Общий провод уровнемера должен иметь контакт с жидкостью. Если контролируемый сосуд металлический, то эта цепь просто соединяется с корпусом, в противном случае общий провод в виде неизолированного проводника просто опускается в воду рядом с зондом. В одном из вариантов исполнения зонда на нижний край трубы наполовину насаживается небольшая трубка, изготовленная из медной или латунной полоски шириной 3 см и толщиной около 0,2 мм. Ктрубке изнутри припаивается гибкий проводник сечением 1 мм2, выводится в корпус прибора и подключается к общей цепи уровнемера. Затем, на уровне торца трубы, внутрь неё вставляется небольшая пробка, и всё углубление заливается силиконовым герметиком или термоклеем. Для крепления зонда на ёмкости используется кабельный сальник PG21.

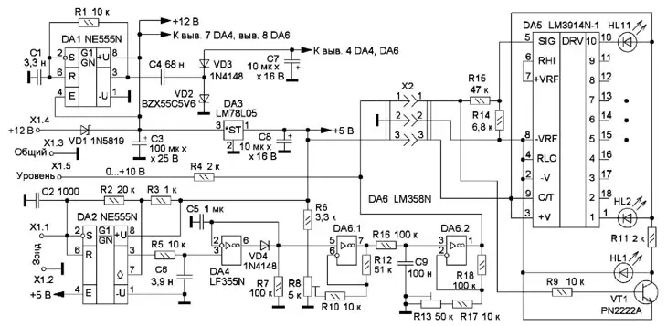
Рис. 1. Схема уровнемера
Схема уровнемера приведена на рис. 1. Измерительный зонд подключается в качестве частотозадающего конденсатора к генератору на таймере DA2. Конденсатор C2, подключённый параллельно входу, предназначен для уменьшения пределов изменения частоты генератора при увеличении уровня от нуля до максимального, что способствует более линейному преобразованию частоты в сигнал уровня. Кроме того, чтобы частота генератора на таймере линейно зависела от ёмкости, как показали эксперименты, её минимальное значение должно быть больше 500 пФ. В авторском варианте частота генератора изменяется от 29 кГц до 14 кГц при изменении уровня от 0 до 1 м. При использовании металлопластиковых труб иных производителей нижняя частота при уровне 1 м может значительно отличаться от приведённой. В этом случае подборкой резистора R2 и конденсатора C2 добиваются примерно двукратного изменения частоты генерации при погружении зонда в ёмкость глубиной 1 м и минимального отклонения от выше приведённых значений. В противном случае может понадобиться коррекция номиналов остальных элементов.
Преобразование прямоугольных импульсов с изменяющейся частотой в сигнал постоянного тока производится с помощью RC-цепи R5C6 и амплитудного детектора, реализованного на операционном усилителе DA4, резисторе R7, конденсаторе C5 и диоде VD4. При нулевом уровне в ёмкости напряжение на выходе этого преобразователя составляет около 2,2 В и увеличивается примерно на 0,4 В на каждый метр измеряемого столба воды. Для компенсации начального смещения используется операционный усилитель DA6.1, на неинвертирующий вход которого поступает сигнал, прямо пропорциональный уровню жидкости, а на инвертирующий вход - стабилизированное напряжение около 2,2 В от подстроечного резистора R8, которым устанавливают нулевые показания. Дополнительно этим каскадом производится усиление полезного сигнала примерно в пять раз. Таким образом, при изменении уровня контролируемой жидкости от 0 до 1 м напряжение на выходе ОУ DA6.1 изменяется от 0 до 2 В, при достижении 2 м напряжение станет равным 4 В и т. д.
Затем сигнал дополнительно сглаживается и масштабируется до 10 В с помощью операционного усилителя DA6.2 и подстроечного резистора R13. В большинстве случаев требуемый интервал измерения уровня отличается от 0...1 м, поэтому прибор калибруется на показания процента заполнения ёмкости от 0 до 100 %. С указанными на схеме номиналами резисторов R13, R17, R18 100 % показания можно установить при любых максимальных уровнях от 0,5 м до 2 м. Этот интервал можно легко изменить в любую сторону путём коррекции номиналов этих резисторов. Устройство обеспечивает достаточно высокую линейность показаний от уровня. При точной настройке погрешность преобразования может быть менее 1 %, а основные ошибки вносит температурная нестабильность зонда.
Требуемое для корректной работы операционных усилителей DA4 и DA6 напряжение -5 В вырабатывается преобразователем полярности напряжения на таймере DA1, резисторе R1, конденсаторах C1, C4, C7, стабилитроне VD2 и диоде VD3. Стабилизация этого напряжения осуществляется стабилитроном VD2. В роли гасящего резистора для стабилитрона выступает конденсатор C4 относительно небольшой ёмкости. Для исключения возможности перегрузки таймера и стабилитрона при повторении конструкции не следует сильно изменять номиналы этих элементов. Так как основную погрешность при измерении уровня вносят узел генератора и преобразователь частоты в напряжение, их компоненты должны быть высокостабильными, а номиналы близки к рекомендованным в схеме. Дополнительно таймер DA2 питается стабильным напряжением +5 В с выхода микросхемы DA3. Модуль индикации уровня "по месту" выполнен на специализированной микросхеме DA5 и 11 светодиодах, включённых по стандартной схеме. Делитель напряжения R14R15 обеспечивает зажигание последнего 11-го светодиода при выходном напряжении уровнемера, равном 10 В. При нулевом уровне основная линейка светодиодов погашена, а светится только светодиод HL1. Все элементы смонтированы на отдельной плате, установленной на крышке прибора, и связаны с основной частью разъёмным соединением. Этот узел никак не влияет на работу уровнемера и может отсутствовать.

Рис. 2. Чертёж печатной платы уровнемера и размещение элементов на ней

Рис. 3. Чертёж печатной платы уровнемера и размещение элементов на ней
Все элементы уровнемера размещены на двух печатных платах из одностороннего фольгированного стеклотекстолита FR4 толщиной 1,5 мм, чертежи которых показаны на рис. 2 и рис. 3. Некоторые элементы должны быть высокостабильными, так как от этого зависит достоверность измерения в широком интервале рабочих температур, но их номинальные параметры могут иметь небольшое отличие от приведённых в схеме, с помощью подстроечных резисторов R8, R13 результирующие показания легко корректируются. Особое внимание следует уделить конденсаторам C2 и C6, в качестве которых желательно применить полистирольные конденсаторы типа К71-7, слюдяные К31-11-3, керамические КМ-4а, КМ-5а с группой ТКЕ не хуже М47 или зарубежные аналоги. Остальные конденсаторы, кроме оксидных, любого типа, подходящие по ёмкости и габаритам. Оксидные конденсаторы - К50-35, К50-68, К50-96 или импортные аналоги. Все постоянные резисторы - С2-14, С2-36 или стабильные импортные, с допуском по отклонению сопротивления до 1 % и мощностью 0,125 Вт. Подстроечные резисторы R8, R13 должны быть многооборотными, например СП5-2ВБ, 3296W-1 производства Bourns или аналогичными. Таймеры DA1, DA2 заменяются на HA17555 или отечественными КР1006ВИ1. Выбор ОУ в качестве замены LF355N невелик. Для замены проверены с десяток различных ОУ, импортных и отечественных, но подошли только импортный LF355N и отечественный КР140УД8А. Заменить ОУ LM358N можно на RC4558D или отечественный КР1401УД5. Стабилизатор LM78L05 можно заменить любым малогабаритным в корпусеTO-92 с выходным напряжением +5 В, например КР1157ЕН5, КР1181ЕН5 и т. д. В модуле индикации транзистор VT1 может быть любым маломощным структуры n-p-n, например P2N2222Aили серий КТ342, BC547, BC546. Микросхема LM3914N-1 (DA5) не имеет полного отечественного аналога и не рекомендована к замене. Светодиоды - импортные c корпусом диаметром 3 мм и разным свечением, HL1 - синего, HL11 - зелёного, остальные - жёлтого.
Подключение модуля индикации уровня к основной плате производится посредством трёхконтактного штыревого разъёма X2 серии PLS с гнездо-вой частью PLD. Внешние подключения к плате осуществляются с помощью разъёмного клеммного блока X1 2EDGRC-5.08-05p-14-00AH с ответной частью 2EDGK-5.08-05p-14-00AH. Вид смонтированной основной печатной платы приведён на рис. 4. Все элементы устройства размещены в корпусе размерами 100x100x50 мм, в качестве которого применена ответвительная коробка DKC, на которой смонтированы два кабельных сальника PG21 для крепления измерительного зонда и PG9 для подключения внешнего кабеля питания и индикации. Внешний вид уровнемера в сборе показан на рис. 5.

Рис. 4. Вид смонтированной основной печатной платы

Рис. 5. Внешний вид уровнемера в сборе
После окончания монтажа печатных плат и проверки их на отсутствие нештатных соединений между элементами необходимо проверить работоспособность устройства без подключения зонда и модуля индикации. На клеммы 3 и 4 разъёма X1 подают напряжение питания 12...15 В и проверяют ток потребления, который не должен превышать 35 мА. Осциллографом проверяется наличие генерации с частотой около 30 кГц на выходе таймера DA2, постоянного напряжения 2,2...2,5 В на неинвертирующем входе (вывод 5) ОУ DA6.1 и напряжения питания +5 В и -5 В в соответствующих точках.
Затем подключают модуль индикации к разъёму X2 и измерительный прибор - к выходу X1.5 уровнемера. Вращением оси подстроечного резистора R8 добиваются нулевых показаний и зажигания светодиода HL1 модуля местной индикации. Далее между контактами X1.1 и X1.2 временно подключают конденсатор ёмкостью около 1500 пФ. Подстроечным резистором R13 добиваются появления на выходе напряжения 10 В и зажигания последнего светодиода. Если испытания прошли удач но, производится полная сборка устройства с подключением измерительного зонда. Для точной настройки уровнемера потребуется ём кость с водой, налитой до уровня, который в дальнейшем будет восприниматься как 100%. Сначала резистором R8 устанавливают нулевые показания на выходе, а затем, опустив зонд в воду, подстроечным резистором R13 добиваются появления выходного напряжения 10 В. Если пределов регулировки режимов с помощью резисторов R8 и R13 недостаточно, то, скорее всего, погонная ёмкость использованной металлопластиковой трубы значительно отличается от использованной автором, и придётся корректировать номиналы резисторов R2, R5 и конденсаторов C2, C6. В некоторых случаях за нулевой уровень контролируемой жидкости требуется принимать некоторое начальное значение, отличное от нуля. В этом случае удобно использовать две ёмкости, уровни воды в которых соответствуют требуемым 0 и 100 %. Вначале зонд опускают в ёмкость с уровнем воды, соответствующим 0 %, и подстроечным резистором R8 устанавли вают нулевые показани я, а затем во второй ёмкости резистором R13 устанавливают показания 100 %. Подстройку по нулевому и максимальному уровням следует повторить несколько раз из-за небольшого взаимного влияния настроек.
По окончании налаживания платы покрывают защитным лаком для исключения влияния влажности воздуха на показания и монтируют устройство на контролируемую ёмкость. В процессе эксплуатации, особенно если зонд установлен в загрязнённой жидкости, например в канализационном колодце или приямке, требуется его периодическая очистка от загрязняющих частиц. Для этого достаточно отпустить уплотняющую гайку сальника PG21 и просто вынуть зонд из ёмкости.
Чертежи печатных плат находятся здесь.
Автор: В. Кравцов, г. Новороссийск Краснодарского края
