Этот прибор имеет не только большой верхний предел измеряемой частоты, но и ряд дополнительных функций. Он измеряет уход частоты от начального значения, длительность импульсов и пауз между ними, подсчитывает число импульсов. Его можно использовать и как делитель частоты входного сигнала с задаваемым в широких пределах коэффициентом деления.
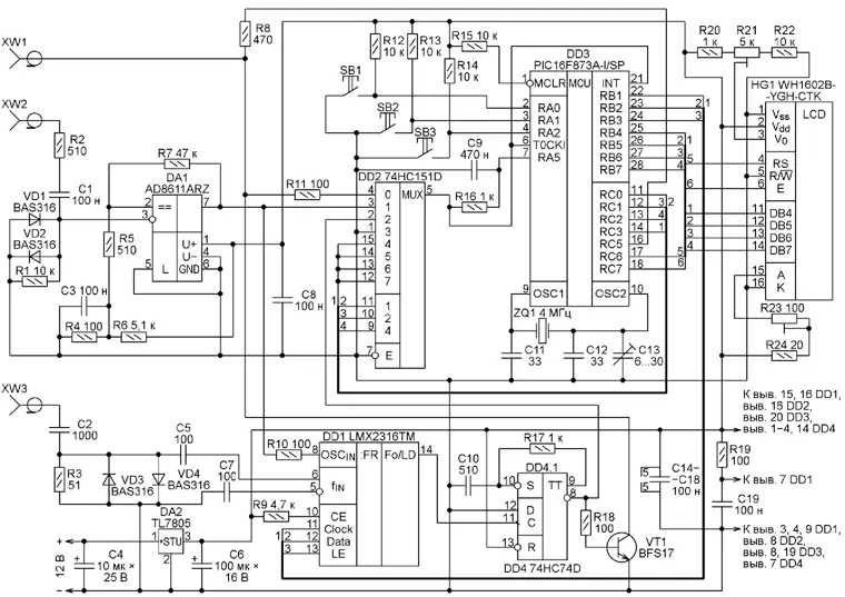
Предлагаемый частотомер содержит шесть микросхем - компаратор напряжения AD8611ARZ [1], синтезатор частоты LMX2316TM [2], D-триггер 74HC74D [3], селектор-мультиплексор 74HC151D [4], микроконтроллер PIC16F873A-1/SP [5] и интегральный стабилизатор напряжения TL7805. Результаты измерения он выводит на символьный ЖКИ WH1602B [6].
Основные технические характеристики
Интервал измеряемой частоты
импульсов с уровнями ТТЛ, Гц...............0,1...8·107
аналоговых периодических сигналов произвольной формы напряжением более 100 мВэфф, Гц.....................1...8·107
синусоидальных ВЧ-сигналов напряжением более 100 мВэфф, МГц ...............20...1250
Длительность счёта при измерении частоты, мс ......104, 103, 100, 10
Интервал измеряемой длительности импульсов, мкс ........10...106
Максимальная частота следования подсчитываемых импульсов, кГц ...............100
Максимальное число подсчитанных импульсов .....100 000 000
Измеряемый уход частоты
импульсов на входе ТТЛ или сигнала на аналоговом входе, Гц..........±1...±106
сигнала на входе ВЧ, кГц ...................±1...±105
Коэффициент деления частоты сигнала
поданного на аналоговый вход..............3 - 16383
поданного на вход ВЧ ................1000 - 65535
Уровни выходных импульсов делителя частоты.............ТТЛ
Длительность выходных импульсов делителя частоты, мкс.......................0,5
Напряжение питания (постоянное), В...................9.16
Потребляемый ток, мА ......100...150
При выключении прибора установленные режимы его работы микроконтроллер запоминает в своём EEPROM и восстанавливает при включении.
Схема частотомера изображена на рис. 1. Тактовый генератор микроконтроллера DD3 стабилизирован кварцевым резонатором ZQ1. Подстроечный конденсатор C13 позволяет установить тактовую частоту в точности равной 4 МГц. Стабилизатор напряжения +5 В собран на микросхеме DA2. Подстроечным резистором R23 регулируют яркость подсветки экрана ЖКИ HG1. Оптимальную контрастность изображения на нём устанавливают подстроечным резистором R21.

Рис. 1. Схема частотомера
Кнопками SB1-SB3 управляют прибором. Кнопка SB1 служит для выбора измеряемого параметра. Кнопкой SB2 выбирают разъём, на который подают измеряемый сигнал. В зависимости от частоты и формы входного сигнала это может быть XW1 (импульсы логических уровней частотой 0,1 Гц...80 МГц), XW2 (аналоговые сигналы произвольной формы частотой 1 Гц...80 МГц) или XW3 (сигналы частотой 20...1250 МГц). Кнопкой SB3 запускают и останавливают измерение в режимах счётчика импульсов и измерения ухода частоты. Длительным (более 1 с) нажатием на эту кнопку переходят из режимаизмерения частоты в режим её деления и вывода результата на разъём XW1. Когда кнопки не нажаты, на входах микроконтроллера, с которыми они соединены, резисторы R12-R14 поддерживают высокие уровни.
Резисторы R4 и R6 создают постоянное смещение около 100 мВ на неинвертирующем входе компаратора DA1. Резисторы R5 и R7 - цепь положительной обратной связи, нужной для получения гистерезиса в характеристике переключения компаратора. Диоды VD1 и VD2 вместе с резистором R2 образуют двухсторонний ограничитель входного напряжения на инвертирующем входе компаратора.
Микросхема DD1, основное назначение которой - работа в синтезаторах частоты диапазона 1,2 ГГц, содержит два делителя частоты с переменным коэффициентом деления, которые и используются в описываемом приборе для деления частоты входных сигналов, подаваемых на разъёмы XW2 и XW3, в заданное число раз. Микроконтроллер устанавливает коэффициенты деления и режим работы этой микросхемы, подавая команды по её последовательному интерфейсу (входы Clock, Data, LE). В зависимости от установленного режима на выход Fo/LD поступает результат работы одного из этих делителей. Резистор R19 и конденсатор C19 образуют фильтр питания микросхемы DD1, а диоды VD3 и VD4 защищают от перегрузки вход одного из её делителей частоты, непосредственно связанный с разъёмом XW3. На триггере DD4.1 собран одновибратор, формирующий из выходных сигналов делителей частоты импульсы длительностью 0,5 мкс. Его времязадающая цепь - резистор R17 и конденсатор C10.
Формирователь импульсов, подаваемых на разъём XW1, собран на транзисторе VT1 с коллекторной нагрузкой - резистором R8. Он работает, когда на выходе RC5 микроконтроллера установлен высокий логический уровень. В противном случае формирователь выключен и не оказывает влияния на подаваемые на разъём XW1 внешние сигналы. Поэтому разъём XW1 может быть как входным при измерении частоты и длительности логических сигналов, а также при счёте импульсов, так и выходным в режимах деления частоты. Резистор R11 служит для защиты входа 0 селектора-мультиплексора DD2 от случайно поданных на разъём XW1 сигналов большой амплитуды.
Селектор-мультиплексор по командам микроконтроллера подаёт на его предназначенные для измерения частоты и длительности импульсов входы либо импульсы уровней ТТЛ с разъёма XW1, либо сигналы, поступившие на разъём XW2 и преобразованные в такие импульсы компаратором DA1, либо сигналы, поступившие на разъём XW3 и прошедшие через делитель частоты микросхемы DD1. Микроконтроллер выполняет основные операции измерения частоты, длительности и счёта импульсов. Он же выводит результаты измерений на ЖКИ HG1 и управляет работой всего прибора. Программа микро-контроллера написана на языке ассемблера MASM, входящего в состав среды разработки программ MPLAB IDEv7.5.
В режимах измерения частоты микроконтроллер подсчитывает импульсы, поступившие на вход T0CKI в течение выбранного пользователем измерительного интервала (0,01, 0,1, 1 или 10 с). При измерении частоты сигнала, поданного на разъём XW3, его частоту предварительно делит на 1000 один из делителей микросхемы DD1.
При измерении длительности импульсов высокого логического уровня микроконтроллер по нарастающему перепаду измеряемого импульса на входе INT начинает счёт импульсов частотой 1 МГц, полученных делением своей тактовой частоты. Он прекращает этот счёт по спадающему перепаду измеряемого импульса. В случае измерения длительности импульса низкого уровня счёт начинается по его спадающему перепаду, а завершается по нарастающему.
Как только включён режим измерения ухода частоты, микроконтроллер выполняет первое измерение частоты входного сигнала, затем периодически повторяет эти измерения. Программа вычитает результат первого измерения из каждого последующего и выводит текущую разность на индикатор. После остановки этого режима на ЖКИ отображаются максимальные зафиксированные завремя измерения отклонения частоты вниз и вверх от начальной.
Для измерения частоты следования логических импульсов с уровнями ТТЛ кнопкой SB2 выбирают входной разъём XW1. Микроконтроллер формирует на выходах RC0-RC2 код 000, переводя этим селектор DD2 в состояние, при котором сигнал с разъёма XW1 поступает на входТОСК1 микроконтроллера для измерения частоты и на его же вход INT для измерения длительности импульсов. Результаты измерений программа выводит на ЖКИ HG1 (рис. 2), причём длительности импульсов высокого (H) и низкого (L) уровней на экране чередуются. Код в правой части верхней строки означает заданное время счёта: "10" - 10 с, "1" - 1 с, ",1" - 0,1 с и ",01" - 0,01 с. В правой части нижней строки выводится условное обозначение выбранного входного разъёма: TTL - XW1, VHF - XW2, UHF - XW3.

Рис. 2. Результаты измерений, выводимые программой на ЖКИ HG1
Измеряя частоту аналоговых сигналов (до 80 МГц), кнопкой SB2 выбирают входXW2. На выходах RC0-RC2 микроконтроллер формирует код 001, переводя мультиплексор DD2 в положение, в котором сигнал с разъёма XW2, преобразованный в прямоугольные импульсы компаратором DA1, поступает на вход TOCKI микроконтроллера. Программа измеряет частоту сигнала и выводит результат на ЖКИ (рис. 3).

Рис. 3. Результаты измерений, выводимые программой на ЖКИ HG1
Для измерения ВЧ-сигналов частотой до 1250 МГц кнопкой SB2 выбирают входной разъём XW3. С него сигнал поступает на вход fIN имеющегося в микросхеме DD1 делителя частоты. Коэффициент деления задан микроконтроллером равным 1000. Сигнал с выхода делителя частоты, преобразованный в импульсы длительностью около 0,5 мкс одновибратором на триггере DD4.1, поступает через мультиплексор DD2 на вход TOCKI микроконтроллера. Мультиплексор установлен в нужное для этого состояние кодом 010 на выходах RC0-RC2 микроконтроллера. Программа микроконтроллера измеряет частоту и с учётом коэффициента деления выводит результат на ЖКИ (рис. 4).

Рис. 4. Результаты измерений, выводимые программой на ЖКИ HG1
Подлежащие счёту импульсы подают на входной разъём XW1 или XW2. Кнопкой SB2 выбирают один из этих входов, а кнопкой SB1 - режим COUNTER (рис. 5). Счёт запускают нажатием на кнопку SB3, что сопровождается заменой на экране метки OFF (выключено) меткой ON (включено). Для остановки счёта на кнопку SB3 нажимают повторно, при этом метку ON сменяет метка OFF. Накопленное за время от запуска до остановки число импульсов программа показывает на ЖКИ.

Рис. 5. Результаты измерений, выводимые программой на ЖКИ HG1
Чтобы измерить уход частоты, сигнал (в зависимости от его формы и частоты) подают на один из входных разъёмов XW1-XW3, выбирают кнопкой SB2 этот разъём, а кнопкой SB1 - функцию "+/-FREQUENCV (её название сопровождается меткой OFF). Измерение запускают нажатием на кнопку SB3, при этом метку OFF сменяет метка ON. Прибор измеряет уход частоты и выводит его текущее значение на ЖКИ (рис. 6). После повторного нажатия на кнопку SB3, останавливающего измерение, на ЖКИ появляются максимальные зафиксированные за время измерения значения ухода частоты вверх и вниз от исходной (рис. 7).

Рис. 6. Результаты измерений, выводимые программой на ЖКИ HG1

Рис. 7. Результаты измерений, выводимые программой на ЖКИ HG1
Для деления частоты аналогового сигнала частотой до 80 МГц кнопкой SB2 выбирают входной разъём XW2 и подают на него сигнал, частота которого подлежит делению. С выхода компаратора DA1 он поступает на вход OSCIN делителя частоты R_Counter микросхемы DD1. Микроконтроллер задаёт по последовательному интерфейсу необходимый коэффициент деления этого делителя и подключает его выход к выходу Fo/LD микросхемы. Нажатиями на кнопку SB1 коэффициент деления уменьшают, а на кнопку SB2 - увеличивают. Чем дольше удерживают кнопку нажатой, тем быстрее изменяется коэффициент.
На выходе RC5 микроконтроллер устанавливает высокий уровень, переключая разъём XW1 в режим выхода. На своих выходах RC0-RC2 микроконтроллер формирует код 000, поэтому сигнал, выведенный на разъём, поступает и на входТ0СКI микроконтроллера для измерения частоты. Длительность импульсов в этом режиме не измеряется.

Рис. 8. Результаты измерений, выводимые программой на ЖКИ HG1
На рис. 8 показан результат деления частоты 19,706 МГц поданного на разъём XW2 сигнала на 100. В этом случае на выходе XW1 с частотой 197,06 кГц следуют импульсы высокого логического уровня длительностью 0,5 мкс. Сигналы частотой от 50 до 1200 МГц подают для деления на разъём XW3. Они обрабатываются аналогично, отличие лишь в том, что в операции участвует более высокочастотный делитель частоты N-Counter микросхемы DD1. На рис. 9 показан результат деления частоты 200,26 МГц на 2000. Частота на выходе - 100,13 кГц.

Рис. 9. Результаты измерений, выводимые программой на ЖКИ HG1
Частотомер смонтирован на печатной плате из фольгированного с двух сторон стеклотекстолита толщиной 1 мм. Её чертёж показан на рис. 10, а размещение элементов - на рис. 11. Постоянные резисторы и большинство конденсаторов имеют типоразмер 0805 для поверхностного монтажа. Подстроечные резисторы R21 и R23 - SH-655MCL, подстроечный конденсатор C13 - TZC3P300A110R00. Оксидные конденсаторы С4 и C6 - алюминиевые с проволочными выводами.

Рис. 10. Печатная плата частотомера

Рис. 11. Размещение элементов на плате
Разъёмы XW1-XW3 - 24_BNC-50-2-20/133_N [7]. Они соединены с платой отрезками коаксиального кабеля с волновым сопротивлением 50 Ом длиной около 100 мм. Кнопки SB1-SB3 - TS-A3PG-130. Индикатор HG1 укреплён над платой на стойках высотой 10 мм винтами М3.
Прибор собран в пластмассовом корпусе Z-28 [8]. На его передней панели вырезано прямоугольное отверстие размерами 70x25 мм для экрана ЖКИ и просверлены три отверстия диаметром 3 мм под кнопки. Сами кнопки установлены на стеклотекстолитовой плате размерами 100x12x1,5 мм, прикреплённой к передней панели с обратной стороны винтами M3. С левой стороны корпуса установлено гнездо питания, а с правой - его выключатель. Входные байонетные разъёмы размещены на задней стенке корпуса.
Налаживание частотомера заключается в следующем:
- установите подстроечным резистором R21 оптимальную контрастность изображения на экране ЖКИ;
- установите подстроечным резистором R23 необходимую яркость подсветки ЖКИ;
- установите подстроечным конденсатором C13 тактовую частоту микроконтроллера в точности равной 4 МГц. Для этого к разъёму XW1 подключите цифровой частотомер (Ч3-63 или любой другой), включите налаживаемый прибор при нажатой кнопке SB3 (при этом на ЖКИ должна появиться надпись "TEST") и, вращая ротор подстроечного конденсатора C13, добейтесь показаний внешнего частотомера, максимально близких к 100000 Гц. Не забывайте, что погрешность установки этой частоты непосредственным образом влияет на погрешность налаживаемого прибора.
Литература
1. Ultrafast, 4 ns Single-Supply Comparators AD8611/AD8612. - URL: http://www.analog. com/media/en/technical-documentation/ data-sheets/AD8611_8612.pdf (02.11.2015).
2. PLLatinum™ LowPower Frequency Synthesizer for RF Personal Communications LMX2306 550 MHz, LMX2316 1.2 GHz, LMX2326 2.8 GHz. - URL: http://www.ti.com/lit/ds/ symlink/lmx2326.pdf (02.11.2015).
3. 74HC74, 74HCT74 Dual D-type flip-flop with set and reset; positive edge-trigger. - URL: http://www.nxp.com/documents/data_sheet/ 74HC_HCT74.pdf (02.11.2015).
4. 74HC151, 74HCT151 8-input multiplexer. - URL: http://www.nxp.com/documents/data_ sheet/74HC_HCT151.pdf (02.11.2015).
5. PIC16F87XA Data Sheet 28/40/44-Pin Enhanced Flash Microcontrollers. - URL: http://akizukidenshi.com/download/PIC16F 87XA.pdf (02.11.2015).
6. WH1602B character 16x2. - URL: http:// www.winstar.com.tw/download.php?ProID= 22 (17.11.15).
7. Coaxial Cable Connector: 24_BNC-50-2-20/133_N. - URL: http://www.electroncom. ru/pdf/hs/bnc/24bnc50-2-20_133n.pdf (16.11.15).
8. Корпус Z-28. - URL: http://files.rct.ru/ pdf/kradex/z-28.pdf (16.11.15).
Чертёж печатной платы в формате Sprint Layout 5.0 и программу микроконтроллера можно скачать здесь.
Автор: В. Турчанинов, г. Севастополь
