Уже давно не проблема приобрести прибор под названием "бытовой дозиметр", но для части читателей журнала интересно собирать электронные устройства своими руками. Возможно, их заинтересует публикуемая статья, поскольку индикатор интенсивности ионизирующего излучения разработан на широко распространённых микросхемах КМОП без применения микроконтроллера. Ему не нужен выключатель питания, а переключение пределов измерений при повышенных уровнях радиации происходит автоматически.
В 1990 г. в журнале "Радио" была опубликована статья Ю. Виноградова "Измеритель интенсивности ионизирующего излучения" [1]. Некоторые из моих знакомых успешно собрали этот измеритель, однако автора предлагаемой статьи он не устраивал по двум причинам: интен-сивность ионизирующего излучения отображалась в единицах превышения естественного фона и в устройстве были применены неэкономичные люминесцентные индикаторы. Поэтому в том же году был разработан и собран свой вариант. В нём к настоящему времени лишь заменён ЖКИ ИЖЦ5-4/8 более современным ITS -E0805SRNP и применён стабилизированный блок питания с детектором понижения напряжения в связи с переходом на питание от аккумулятора или гальванического элемента типоразмера АА. Измеряемая интенсивность отображается в мкР/ч или в мР/ч.
Основные технические характеристики
Пределы измерений ................... 1000 мкР/ч, 10 и 100 мР/ч
Напряжение питания, В ............................ 1...4,2
Ток потребления в дежурном режиме от Li-Ion аккумулятора 3,7 В, мкА, не более ...................... 60
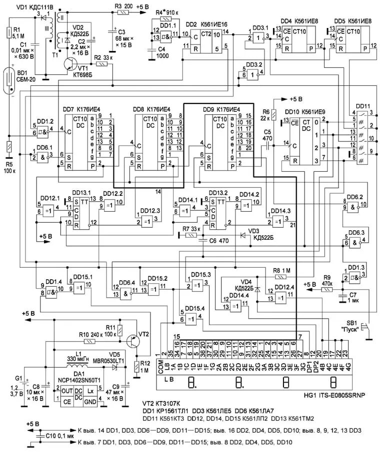
Схема индикатора интенсивности ионизирующего излучения приведена на рис. 1. На транзисторе VT1 и трансформаторе Т1 собран высоковольтный преобразователь (ВВ-преобразователь) для питания напряжением 400 В счётчика Гейгера BD1 СБМ-20. Его компоненты и их номиналы несколько отличаются от приведённых в [1]. Рабочая частота - около 45 Гц. Узлы на микросхемах DD1-DD15 обеспечивают измерение ионизирующего излучения и вывод результатов на экран ЖКИ HG1. На микросхеме DA1 собран блок питания (БП) - преобразователь напряжения аккумулятора или гальванического элемента G1 в напряжение питания 5 В микросхем DD1-DD15. Он подробно описан в [2]. Узел на транзисторе VT2 - детектор понижения напряжения, подробное описание которого приведено в [3].

Рис. 1. Схема индикатора интенсивности ионизирующего излучения
При снижении напряжения на Li-Ion аккумуляторе до 3,3 В на коллекторе транзистора появится высокий уровень и элементы DD1.4 и DD15.1 вызовут попеременное высвечивание и гашение знака "LB" ЖКИ каждые 0,75 с, указывающие на необходимость зарядки аккумулятора.
Перед каждым измерением необходимо кратковременно нажать на кнопку SB1 "Пуск". Нажатие на кнопку вызывает появление на выходах логических элементов DD1.3 и DD6.2 импульса обнуления всех счётчиков и триггеров. Номиналы цепи R9C7 задают его длительность 0,5 с после отпускания кнопки. За это время ВВ-преобразователь запустится и гарантированно войдёт в рабочий режим.
На логическом элементе DD1.1 собран тактовый генератор с частотой около 1,3 кГц. Сигналы на выходах 5 и 10 счётчика DD2 управляют работой всего индикатора по заданному алгоритму. Сигнал с выхода 5 счётчика частотой около 40 Гц служит исходным для подачи напряжения возбуждения на вывод COM ЖКИ и высвечивания на экране необходимой информации через соответствующие выходы счётчиков и логических элементов. На экран выводятся индикация разрядки источника питания (о чём сказано выше), интенсивность излучения, единицы её измерения и знаки десятичной точки.
По сигналу обнуления на выходе элемента "ИЛИ-НЕ" DD3.1 и выходах переноса Р счётчиков DD4, DD5 формируются импульсы после сигнала обнуления длительностью 0,37, 3,7 и 37 с, которые задают время измерения. Выбором интервала измерения управляет счётчик DD10, открывая соответствующий ключ четырёхканального коммутатора DD11. Изначально на выходе 0 счётчика установлен высокий уровень, поэтому на объединённых выходах коммутатора будет выделен интервал 37 с. Во время измерения этот уровень разрешает прохождение сигналов от счётчика DD2 на выход логического элемента DD3.1 и импульсов от регистрации частиц счётчиком Гейгера через логический элемент DD1.2, а также гасит высвечивание единицы измерения на экране ЖКИ в крайнем правом разряде и через резистор R2 поддерживает работу ВВ-преобразователя.
Импульсы с выхода элемента DD1.2 поступают на вход трёхдекадного счётчика DD7-DD9. На ЖКИ отображается счёт импульсов. Логические элементы "исключающее ИЛИ" DD12.1 -DD12.3, DD14.1 -DD14.3 и D-триггер DD13 по сигналу обнуления обеспечивают гашение незначащих нулей.
Рассмотрим этот процесс подробнее. В начале счёта гашение задано на входах S счётчиков DD8, DD9 неинвертированными сигналами с выхода 5 счётчика DD2. На выводе СОМ ЖКИ эти сигналы инвертированы. На экране ЖКИ наблюдалась бы "инверсия нулей": высвечивание сегментов G. Для их гашения установлены логические элементы DD12.3 и DD14.3. При поступлении десятого импульса счётчик DD7 сигналом с выхода Р переключает триггер DD13.1 в состояние высокого уровня, и с выходов счётчика DD8 высвечивание знаков нормализуется. Точно так же по мере поступления импульсов счётчик DD8 переключит триггер DD13.2, и высвечивание знаков будет нормализовано в левом разряде ЖКИ. Процесс повторится при следующей манипуляции с кнопкой.
По окончании интервала измерения длительностью 37 с сигналы с выхода 5 счётчика DD2 элемент DD12.4 начинает пропускать без инверсии. Из сегментов 4B, 4e, 4F и 4G высвечивается буква "ц". Это означает, что измерение закончено и интенсивность измерена в мкР/ч.
При поступлении тысячного импульса со счётчика Гейгера сигналом переноса с выхода Р счётчика DD9, укороченным цепью R6C5 до 4.5 мкс, все счётчики, за исключением DD10, обнуляются через элемент DD6.2. По истечении 4.5 мкс положительный перепад на выходе цепи R6C5 переключит счётчик DD10.
Высокий уровень на выходе 1 этого счётчика подключит выходы четырёхканального коммутатора DD11 к выходу счётчика DD4, а через элемент DD15.4 вызовет высвечивание знака точки DP1 ЖКИ. Время измерения в этом случае - 3,7 с, а предел - 10 мР/ч.
Аналогично с поступлением тысячного импульса со счётчика Гейгера на пределе 10мР/ч произойдёт переход на предел 100 мР/ч. От высокого уровня на выходе 2 счётчика DD10 через элемент DD15.3 высветится знак DP2 ЖКИ, а на выходе дифференцирующей цепи R7C6 появится импульс обнуления триггера DD13.2, вызывающий временное гашение нуля в левом разряде индикатора. Поскольку на выводе резистора R8, соединённом с выходом 0 счётчика DD10, установлен низкий уровень, по окончании интервалов измерения 3,7 с и 0,37 с через логический элемент DD14.4 дополнительно высветится сегмент 4С и на экране ЖКИ в правом разряде буква "ц" сменится на "H" (от англ. High) - высокий уровень интенсивности излучения в мР/ч.
Появление высокого уровня на выходе 3 счётчика DD10 вызовет через вывод 8 коммутатора DD11, соединённый с общим проводом, удержание низкого уровня на выходе элемента DD3.1 и запрет измерений. Одновременно сигналы с выходов 5 и 10 счётчика DD2 через элемент "И-НЕ" DD6.4 и "исключающее ИЛИ" DD15.2 вызовут на экране ЖКИ смену индикации знаков "000H" на"-" и обратно через каждые 0,75 с. Это будет означать, что зафиксирована интенсивность излучения более 100 мР/ч.

Рис. 2. Чертёж печатной платы и расположение элементов на ней
Все логические микросхемы и счётчики, диоды VD3, VD4, конденсаторы С4-С7 и резисторы R4-R9 смонтированы на основной печатной плате, чертёж которой и расположение элементов приведены на рис. 2. Со стороны элементов установлены две перемычки для поверхностного монтажа типоразмера 0805 или 1206, выделенные красным цветом. Питание к большинству микросхем подведено П-образными отрезками лужёного провода диаметром 0,5 мм. Их устанавливают над платой с зазором 1...1,5 мм в отведённые отверстия со стороны элементов. На рис. 3 и рис. 4 приведены чертежи и расположение элементов ВВ-преобразователя и БП с детектором понижения напряжения. Как и основная, плата ВВ-преобразователя изготовлена из двухстороннего стеклотекстолита. Фольга на стороне, противоположной установленным элементам, оставлена. Она служит экраном и общим проводом. Выводы элементов, соединённые с ним, выделены на рис. 3 чёрными точками на белом фоне. Обе платы монтируют под основной со стороны печатных проводников. На её левой стороне имеются три контактные площадки для установки БП. ВВ-преобразователь закрепляют на контактных площадках для выводов 7 микросхем DD1, DD7, DD3 и DD15. По углам платы со стороны экрана припаивают четыре отрезка лужёного провода диаметром 0,4...0,6 мм. Далее отрезки подгибают так, чтобы их концы попали на указанные площадки, затем укорачивают их и припаивают.

Рис. 3. Чертеж и расположение элементов ВВ-преобразователя

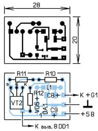
Рис. 4. Чертеж и расположение элементов БП с детектором понижения напряжения
ЖКИ монтируют со стороны установки микросхем. Если толщина платы более 1 мм, его устанавливают в панель для микросхем DIP-40. Панель распиливают вдоль на две половины, а мешающие установке остатки перемычек удаляют. ЖКИ ITS-E0805SRNP заменим на ITS-E0190SRNP, но у него отсутствует знак "LB", вместо него можно задействовать знак "двоеточие" (COL). Кнопка SB1 - ПКН-150-1 или подобная. Конденсатор С1 - К73-16; C2 - миниатюрный танталовый с радиальными выводами; С3 - полупроводниковый К53-1 или подобный с низким ЭПС; С4-С7, С10 - импортные аналоги К10-17б. Трансформатор Т1 намотан на кольцевом магнитопрово-де К20х12х6 из феррита М2000НМ или N87 (фирмы Epcos). Обмотка I содержит восемь витков провода ПЭВ-2 диаметром 0,15...0,2, обмотка II - четыре витка провода ПЭВ-2 0,1...0,2, обмотка III - 660 витков провода ПЭВ-2 0,09. Сначала мотают первичную обмотку, равномерно распределив её по окружности, затем - высоковольтную (III), а уже поверх неё - вторичную, распределив четыре витка по окружности. Транзистор КТ698Б (VT1) заменим любым с напряжением насыщения не более 0,3 В при токе коллектора 1 А, например 2SD1450. При установке транзистора КТ630В и подобных придётся увеличить число витков обмотки III для получения выходного напряжения ВВ-преобразователя 400 В, а КПД станет меньше.
При нескольких измерениях в сутки основной источник потребления тока - тактовый генератор. В своё время автор измерял потребляемые им токи, заменяя микросхемы К561ТЛ1 и КР1561ТЛ1. Наименьшим потреблением (до 30...40 мкА) обладали микросхемы с логотипом завода-изготовителя "Экситон" (г. Павловский Посад) [4]. Микросхемы К561ТЛ1 с логотипом "Интеграл" (теперь Беларусь) потребляли ток в несколько раз больше. Возможно, что "Интеграл" выпускал их в небуферизированном исполнении.
На фото рис. 5 и рис. 6 в качестве примера показана информация на ЖКИ в начале измерения и его результат при высокой интенсивности излучения. Внешний вид платы авторского варианта конструктивного исполнения индикатора приведён на фото рис. 7. Для защиты от помех счётчика Гейгера при работе ВВ-преобразователя между счётчиком и трансформатором Т1 установлен небольшой экран из полоски меди. Li-Ion аккумулятор типоразмера АА помещён в батарейный отсек.

Рис. 5. Информация на ЖКИ

Рис. 6. Информация на ЖКИ

Рис. 7. Внешний вид платы конструктивного исполнения индикатора
Индикатор желательно откалибровать. Для этого предварительно следует сделать не менее десяти измерений, вычислить среднее значение и, если оно отличается от интенсивности радиоактивного фона в районе измерения, откорректировать частоту тактового генератора резистором R4.
Чертежи печатных плат в форматах Sprint LayOut 5.0 и TIFF имеются здесь.
Литература
1. Виноградов Ю. Измеритель интенсивности ионизирующего излучения. - Радио, 1990, №7, с. 31-35.
2. Глибин С. Микромощный преобразователь напряжения с высоким КПД. - Радио, 2017, №5, с. 23.
3. Глибин С. Узел контроля разрядки литиевого аккумулятора. - Радио, 2019, №4, с. 20.
4. Логотипы заводов-производителей электронных компонентов. - URL: erk.su/ media/sprav/25/LOGOTIPY. pdf (01.06.19).
Автор: С. Глибин, г. Москва
