Набор деталей для изготовления любительского частотомера FC250 выпускают много лет. Ранее автор опубликовал описания приставок к этому частотомеру - выносного усилителя-формирователя [1] и выносного щупа-делителя частоты на 10 [2]. Они позволили довести максимальную измеряемую частоту до 300 МГц. В новой статье он описывает ряд изготовленных им щупов-пробников для этого частотомера, собранного в корпусе как законченная конструкция. При проведении различных измерений они повышают удобство работы с прибором.
Для сборки прибора был выбран пластмассовый корпус размерами 116x78x38 мм. Основная плата частотомера доработана. Над микросхемой К1554ЛА3 (DD2 согласно приведённой в [3] схеме) установлена плата усилителя-формирователя [1]. Ниже микро-схемы DD2 на освобождённом от деталей входного усилителя на транзисторе VT1 участке платы просверлены четыре отверстия диаметром 4 мм для крепления платы с входным разъёмом частотомера. Их видно на фотоснимке рис. 1. Кроме того, интегральный стабилизатор DA1, мешавший установить основную плату вплотную к передней панели корпуса, перенесён на противоположную установке других деталей сторону этой платы.

Рис. 1. Плата с отверстиями для крепления
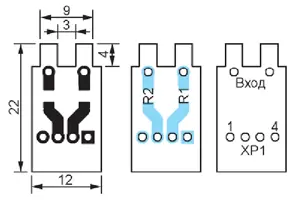
Схема платы с входным разъёмом показана на рис. 2, а её чертёж - на рис. 3. Перед установкой на эту плату разъёма XS1 его контактные пружины (они поставляются отдельно от корпуса) доработаны согласно рис. 4. В каждую из пружин 1 заделан отрезок одножильного неизолированного провода 3 длиной около 20 мм. На этот провод надет и придвинут вплотную к хвостовику пружины отрезок медной или жёсткой пластмассовой трубки 2. Общая длина пружины и отрезка трубки равна 12 мм. Только после этого контакты вставлены в корпус.

Рис. 2. Схема платы с входным разъёмом

Рис. 3. Чертёж платы с входным разъёмом

Рис. 4. Доработка контактных пружин разъёма XS1
Свободные концы проводов пропущены в отверстия платы. Разъём прижат к ней так, чтобы надетые на провода отрезки трубки упёрлись в поверхность платы. Провода обрезаны и припаяны к соответствующим контактным площадкам. Зазор между корпусом разъёма и платой залит термоклеем. Собранная плата установлена, как показано на рис. 5, на изоляционных стойках высотой 15 мм над основной платой и закреплена пропущенными в просверленные отверстия винтами M3. Во избежание замыканий под навинченные на них гайки подложены изоляционные шайбы.

Рис. 5. Собранная плата
Разъём XS1 выведен на переднюю панель частотомера (рис. 6), для чего в корпусе прибора сделан вырез. Ещё один вырез предназначен для светодиодного индикатора и закрыт органическим стеклом. С правой стороны находится разъём питания.

Рис. 6. Разъём XS1 на передней панели частотомера
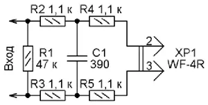
При измерении частоты от 100 кГц до 100 МГц к разъёму XS1 подключают узел, схема которого показана на рис. 7, а чертёж печатной платы - на рис. 8. При работе с сигналами с низкой основной частотой их высокочастотные составляющие и наводки могут искажать результаты измерения. Устранить такие искажения помогает фильтр нижних частот, схема которого изображена на рис. 9, а печатная плата - на рис. 10. Частота среза фильтра - около 200 кГц.

Рис. 7. Схема узла

Рис. 8. Чертёж печатной платы

Рис. 9. Схема фильтра нижних частот

Рис. 10. Чертёж печатная плата фильтра нижних частот
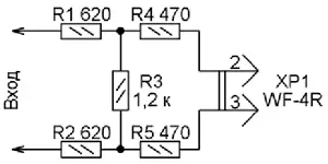
Если амплитуда измеряемого сигнала слишком велика, уменьшить её можно с помощью аттенюатора, собранного по схеме, показанной на рис. 11 . Его печатная плата изображена на рис. 12. При низком внутреннем сопротивлении источника он ослабляет сигнал приблизительно в два раза. Входное сопротивление аттенюатора - около 2,5 кОм.

Рис. 11. Схема аттенюатора

Рис. 12. Чертёж печатной платы аттенюатора
Во всех трёх рассмотренных случаях к контактным площадкам "Вход" печатных плат припаяны гибкие провода длиной 350...500 мм в изоляции разного цвета. Провода закреплены на выступах плат бандажами из липкой ленты. Платы защищены от внешних воздействий надетыми на них отрезками термоусаживаемой трубки PBF. К свободным концам проводов припаяны щупы, сделанные из отрезков медной трубки с внутренним диаметром 0,9 мм (от терморегулятора холодильника) и длиной 10...12 см. Внутрь каждой трубки впаян жёсткий медный провод диаметром 0,75 мм так, что его концы выступают из торцов трубки на 3...5 мм. Для придания нужной толщины каждый щуп обмотан несколькими слоями липкой ленты и помещён в термоусаживаемую трубку.
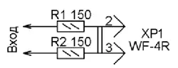
Делитель частоты на 10 (точнее, его часть, схема которой на рис. 1 в [2] обведена штрихпунктирной линией) также подключают к разъёму XS1. Для этого изготовлена и соединена с делителем жгутом из четырёх проводов плата, чертёж которой показан на рис. 13. Длина жгута - 600...800 мм. В нескольких местах на него надеты отрезки по-лихлорвиниловой трубки. Номинал резистора R1 - 1 кОм.

Рис. 13. Чертёж платы
Все описанные платы рассчитаны на установку конденсаторов и резисторов для поверхностного монтажа типоразмера 1206.
Литература
1. Паньшин А. Предварительный усилитель-формирователь для частотомера FC250. - Радио, 2015, № 2, с. 18-20.
2. Паньшин А. Выносной щуп-делитель частоты на 10 для частотомера FC250. - Радио, 2015, № 4, с. 26, 27.
3. Набор деталей FC250. Частотомер-конструктор до 250 МГц. - URL: http://www.5v. ru/pdf/fc250.pdf (25.11.15).
Автор: А. Паньшин, г. Москва
