Частотомер, изготовленный из набора FC250 [1], неплохо показал себя в работе. Но желание автора предлагаемой статьи получить обещанную в описании прибора максимальную измеряемую частоту 250 МГц заставило его искать схему нужного для этого предварительного усилителя-формирователя (ПУФ). Но схемы ПуФ, найденные в Интернете, или не годились для FC250, или были слишком сложными. В статье приведены описания двух разработанных автором вариантов ПУФ, а также выносного щупа для частотомера FC250.
В описываемых ПУФ применены КМОП-компараторы МАХ999ЕиКили ADCMP600BRJZ-R2 в корпусе SOT-23-5 с одним выходом сигнала уровня ТТЛ и ADCMP604BKSZ-R2 в корпусе SOT-323-6 с двумя противофазными выходами стандарта LVDS [2]. С такими ПУФ частотомер на базе набора FC250 способен измерять частоту сигналов от 50 Гц до 110...250 МГц при их минимальной амплитуде 0,25...0,65 В. От дополнительных усилителей на входе компараторов пришлось отказаться. Они приводили к самовозбуждению, меры борьбы с которым ещё больше снижали чувствительность.
При работе с частотомером FC250 было замечено, что он создаёт сильные импульсные помехи, распространяющиеся по общему проводу и цепи питания. Для устранения влияния этих помех на объект измерения входы ПУФ и выносного щупа выполнены по дифференциальной схеме.
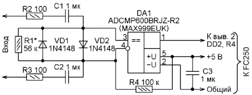
На рис. 1 приведена схема наиболее простого варианта ПУФ, позволяющего измерять частоту от 50 Гц до 140 МГц при использовании компаратора ADCMP600BRJZ-R2 [3] или до 170 МГц с компаратором MAX999EUK [4]. Амплитуда измеряемого сигнала на частоте ниже 70 МГц должна быть не менее 0,3 В и не менее 0,65 В на предельной частоте.

Рис. 1. Схема наиболее простого варианта предварительного усилителя-формирователя
С входных щупов измеряемый сигнал по цепям R2C1 и R3C2 поступает на входы компаратора DA1. Диоды VD1 и VD2 не столько защищают эти входы от перегрузки по напряжению (в компараторах обоих упомянутых выше типов имеются внутренние защитные диоды), сколько уменьшают вероятность самовозбуждения компаратора, имеющего большой коэффициент усиления.
Напряжение питания +5 В на компаратор поступает от частотомера. Инвертирующий вход компаратора (вывод 4) через резистор R4 соединён с источником напряжения +5 В, при этом в отсутствие измеряемого сигнала на выходе компаратора (выводе 1), который должен быть соединён с выводом 2 микросхемы DD2 частотомера, напряжение имеет низкий логический уровень.
При таком включении рабочая точка компараторов MAX999 и ADCMP600 устанавливается автоматически, а характеристика переключения имеет петлю гистерезиса. Диоды VD1, VD2 и резистор R1 позволяют уменьшить ширину этой петли до значения, при котором не возникает самовозбуждения, а чувствительность достаточно велика. Этот вариант ПУФ хорошо работает и на низкой частоте, вплоть до 50 Гц.
Для рассмотренного ПУФ разработаны два варианта печатной платы. Обе они изготовлены из фольгированного с двух сторон стеклотекстолита толщиной 1...1,5 мм методом прорезания фольги и механического удаления её лишних участков. Одна из плат (рис. 2,а) рассчитана на установку выводных диодов и резисторов мощностью 0,0б2 Вт. Конденсаторы могут быть для поверхностного монтажа или дисковыми выводными. Расположение элементов на этой плате показано на рис. 3. Плата меньших размеров, изображённая на рис. 2,б, рассчитана на элементы для поверхностного монтажа, в том числе на диоды 1N4148W. Расположение элементов - на рис. 4.

Рис. 2. Варианта печатной платы для ПУФ

Рис. 3. Расположение элементов на плате

Рис. 4. Расположение элементов на плате
Переходные отверстия, соединяющие печатные проводники на противоположных сторонах плат, в обоих случаях показаны залитыми. Резисторы R1 и R2 - выводные мощностью 0,125 Вт. Их вставляют одним выводом в соответствующие отверстия плат и припаивают к фольге. К свободным выводам резисторов припаивают отрезки гибких изолированных проводов длиной 15 см со щупами.
Впаянные в отверстия плат отрезки жёсткого провода, предназначенные для соединения ПУФ с частотомером, служат одновременно стойками для крепления платы ПУФ на плате частотомера.
На рис. 5 приведена схема ПУФ с выносным пробником, собранного на трёх компараторах, соединённых последовательно. В пробнике и на входе собственно ПУФ применены компараторы ADCMP604BKSZ-R2 [5]. При выходах компаратора DA2, соединённых
непосредственно с входами компаратора DA3, последний в статическом режиме находится в состоянии ограничения, что предотвращает его самовозбуждение. Увеличение напряжения "раскачки" входов компаратора DA3 повысило скорость его переключения, которая определяет максимальную частоту работы ПУФ. Напряжение смещения на инвертирующем входе компаратора DA2 и ширина петли гистерезиса в его характеристике переключения устанавливаются так же, как в предыдущем ПУФ.

Рис. 5. Схема ПУФ с выносным пробником, собранного на трёх компараторах, соединённых последовательно
После подключения ко второму варианту ПУФ выносного пробника (с помощью неэкранированного жгута гибких изолированных проводов длиной 50 см) предельная частота, измеряемая FC250, превысила 250 МГц. Это иллюстрирует фотоснимок на рис. 6. Микросхема ADCMP604BKSZ-R2 не склонна к самовозбуждению, поэтому для уменьшения входной ёмкости встречно-параллельные диоды на входе пробника отсутствуют. Высокое входное сопротивление и малая входная ёмкость пробника позволили измерять частоту гетеродина таких микросхем, какTDA7021T и её аналоги.

Рис. 6. Подключения ко второму варианту ПУФ выносного пробника
Этот ПУФ и его пробник собраны на печатных платах, изготовленных из того же материала и тем же методом, что и предыдущий. Чертёж печатных проводников основной платы ПУФ изображён на рис. 7, а расположение элементов на ней - на рис. 8. Печатная плата выносного пробника показана на рис. 9. Детали на ней расположены в соответствии с рис. 10. Конденсаторы C1 и C2 - керамические дисковые. Их располагают на разных сторонах платы.

Рис. 7. Чертёж печатных проводников основной платы ПУФ

Рис. 8. Расположение элементов на плате

Рис. 9. Печатная плата выносного пробника

Рис. 10. Расположение элементов на плате
Особенность платы пробника - два ряда переходных отверстий вдоль её длинных граней. Они "прошиты" тонким лужёным проводом, который затем припаян к фольге по всей длине платы с двух её сторон. Это позволяет брать пробник рукой, не оказывая влияния на его работоспособность. Длина измерительных щупов пробника - З...4 см. Провода 1-4 соединительного жгута припаивают к соответствующим контактным площадкам с разных сторон платы.
При проверке частотомера с описанными ПУФ в качестве источника сигнала использовался генератор, собранный по схеме, изображённой на рис. 11. Катушка L1 в нём сменная. Она бескаркасная с числом витков, подбираемым в зависимости от необходимого диапазона перестройки генератора.

Рис. 11. Схема генератора
Несмотря на полученные результаты, нормальная работа частотомера, собранного из набора FC250, на частотах более 180...190 МГц всё-таки невозможна. Максимальная рабочая частота применённых в нём микросхем серии К1554 (аналог 74AC) не превышает 130 МГц. На более высокой частоте они быстро перегреваются, и показания частотомера уже через пару минут уменьшаются на 2...5 МГц. Неточность и нестабильность показаний частотомера на этих частотах объясняется тем, что не все импульсы, следующие с частотой выше предельной, пришедшие на входы микросхемы К1554ЛА3 (74АС00) и D-триггера К1554ТМ2 (74АС74), вынужденных переключаться с недопустимой частотой, корректно доходят до их выходов. По этой причине не рекомендую применять частотомер на базе набора FC250 для измерения частоты, превышающей 110 МГц (с ПУФ по схеме рис. 1 на компараторе ADCMP600), 120 МГц (с таким же ПУФ на компараторе МАХ999) и 180 МГц (с ПУФ по схеме рис. 5 с выносным пробником).
Для работы с описанными ПУФ этот частотомер необходимо доработать. На его плате не устанавливают (или удаляют уже установленные) транзистор VT1 со всеми относящимися к нему деталями, конденсаторы С3 и С5. В оба отверстия для выводов конденсатора C5 и в отверстие для вывода конденсатора С3, соединявшегося с резистором R4, или R2 (см. рис. 5) монтируют переменный резистор номиналом 100.150 кОм. При включённом частотомере, не прикасаясь руками к входам ПУФ, сопротивление этого переменного резистора постепенно уменьшают, пока ПУФ не прекратит самовозбуждаться. Затем выпаивают переменный резистор, измеряют его сопротивление и припаивают вместо него постоянный резистор ближайшего большего номинала. Аналогично подбирают резистор R5 в выносном пробнике, уже подключённом к налаженной основной плате ПУФ.
Литература
1. Набор деталей FC250. Частотомер-конструктор до 250 МГц. - URL: http:// www.5v.ru/pdf/fc250.pdf (22.08.14).
2. Введение в LVDS. - URL: http://www. gaw. ru/html.cgi/txt/publ/_rtcs/lvds. htm (23.08.14).
3. Rail-to-Rail, Very Fast, 2.5 V to 5.5 V, Single-Supply TTL/CMOS Comparators ADCMP600/ADCMP601 /ADCMP602. - URL: http://www.analog.com/static/imported-files/data_sheets/ADCMP600_601 _602.pdf (22.08.14).
4. MAX961-MAX964/MAX997/MAX999 Single/Dual/Quad, Ultra-High-Speed, +3V/+5V, Beyond-the-Rails Comparators. - URL: http:// datasheets.maximintegrated.com/en/ds/ MAX961-MAX999.pdf (22.08.14).
5. Rail-to-Rail, Very Fast, 2.5 V to 5.5 V, Single-Supply LVDS Comparators ADCMP604/ ADCMP605. - URL: http://www.analog.com/ static/imported-files/data_sheets/ ADCMP604_605.pdf (22.08.14).
Автор: А. Паньшин, г. Москва
