Автор предлагает приставку, повышающую входное сопротивление мультиметров, для измерения напряжения в высокоомных цепях.
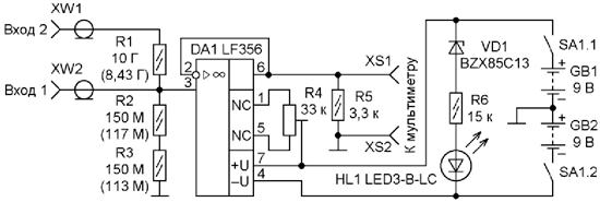
Большинство производимых сегодня мультиметров (UNI-T, APPA ME-TERMAN и т. д.) имеют входное сопротивление не более 10MОм. Однако в некоторых случаях, когда измерения проводят в высокоомных цепях, этого может оказаться недостаточным. Автор статьи столкнулся именно с такой проблемой. Её решение оказывается наиболее простым, если использовать буферный повторитель напряжения, к выходу которого подключают мультиметр. Такую приставку проще всего собрать на основе операционного усилителя (ОУ). Важен выбор самого ОУ, который должен иметь высокое входное сопротивление. Желательно также, чтобы он имел возможно широкий интервал входного напряжения. Выбор пал на недорогой ОУ LF356 с полевыми транзисторами на входе. Напряжение питания его находится в пределах 2x5...2x22 В и максимальное входное напряжение (которое должно оставаться меньше питающего) - ±20 В. Входное сопротивление микросхемы равно 1 ТОм, а входная ёмкость - 3 пФ.
Первоначальный вариант такой приставки был собран с питанием от сети, но из-за трудноустранимых сетевых наводок в конечном итоге использовано автономное питание от двух батарей "Крона" (6F22, 6LF22, 6LR61) напряжением по девять вольт. Приставка собрана в экранированном корпусе размерами 115x85x55 мм, спаянном из фольги-рованного стеклотекстолита. Заметим здесь, что из-за высокого входного сопротивления приставки должны быть применены коаксиальные входные клеммы. Схема этой простой приставки, содержащей минимум элементов, приведена на рис. 1, а общий её вид - на рис. 2. Приставка потребляет ток около 5 мА. Ввиду простоты схемы чертёж печатной платы не приводится.

Рис. 1. Схема приставки

Рис. 2. Внешний вид приставки
Подстроечный резистор R4 служит для установки нуля на выходе приставки при отсутствии постоянного напряжения на входе. Цепь из светодиода HL1, стабилитрона VD1 и резистора R6 служит для индикации включения питания. При уменьшении напряжения каждой батареи до 7,8 В светодиод полностью гаснет.
В качестве "подсобного инструмента" для измерения входного сопротивления был использован прецизионный конденсатор с полистирольным диэлектриком К71-7 ёмкостью 0,1 мкФ (±0,5 %) и номинальным напряжением 250 В. Для того чтобы определить сопротивление утечки конкретного экземпляра, конденсатор заряжался до напряжения 30 В и отключался от источника. Через каждый час напряжение на нём измерялось высокоомным вольтметром. В течение первых часов напряжение уменьшалось приблизительно по экспоненциальному закону с постоянной времени Т ≈ 8·105 с. Отсюда можно вычислить сопротивление утечки - R ≈ 8000 ГОм.
В приставке применены резисторы КЛМ (Rl -R3). Сопротивление этих резисторов, помимо десятипроцентного разброса, подвержено также старению (тем более, что срок хранения применённых резисторов ещё советского про изводства достигал 40 лет). Сопротивление резисторов было измерено омметром с пределом измерения 400 МОм. Измеренное суммарное сопротивление резисторов R2 и R3 оказалось равным 230 МОм. Номинальное сопротивление резистора R1 - 10 ГОм. Проведённые измерения с помощью источника напряжения и аттенюатора показали, что реальное сопротивление этого резистора 8430 МОм.
Дальнейшие измерения напряжения на упомянутом разряжаемом конденсаторе, подключённом к ОУ, показали, что для постоянного тока этими резисторами определяется входное сопротивление приставки. Им для входа 1 является сопротивление резисторов R2 и R3 - 0,23 ГОм, а для входа 2 сопротивление резисторов R1-R3 - 8,66 ГОм.
Отметим, что выбором резисторов R1-R3 входные сопротивления при необходимости могут быть значительно увеличены. Однако заметим также, что неинвертирующий вход микросхемы (вывод 3) всё же через резистор (пусть достаточно большого сопротивления) должен быть соединён с общим проводом. Вывод 4 минусового источника питания находится рядом с выводом 3. И если исключить этот резистор, то входное сопротивление повторителя оказывается настолько большим, что сопротивление между этими выводами оказывается сравнимым с входным сопротивлением повторителя. В результате и при отсутствии входного напряжения на выходе появляется отрицательное напряжение относительно общего провода (в моём случае оно оказалось -6,6 В).
При напряжении питания 2x9 В линейная зависимость между входным и выходным напряжениями (их равенство при использовании входа 1) сохранялась до входного напряжения ±7,1 В. При напряжении питания ±7,9 В это значение уменьшилось до ±5,5 В. С учётом этого максимальное входное напряжение для входа 1 - ±5 В. Для входа 2 оно равно ±200 В. В последнем случае, чтобы получить истинное значение входного напряжения, нужно измеренное мультиметром напряжение умножить на коэффициент пересчёта: k = (R1+R2+R3)/(R2+r3). В нашем случае k = 37,65.
C помощью приставки к мультиметру можно измерять и переменное напряжение. С точностью ±1 % выходное напряжение равно входному (при использовании входа 1) для полосы частот 0...2 МГц. Для входа 1 и частоты 100 Гц входное сопротивление равно 100 МОм, а для входа2 - 350 МОм. При повышении частоты измеряемого напряжения входное сопротивление уменьшается пропорционально увеличению этой частоты.
Шум на выходе включённой с открытым входом приставки измерялся мультиметром APPA-109N. Этот прибор измеряет переменное напряжение с разрешением 1 мкВ до частоты приблизительно 250 кГц (с калиброванной погрешностью до 100 кГц). При минимизации внешних наводок (таких, например, как электрическая сеть рядом с приставкой и пр.) напряжение шума - менее 1 мкВ.
В заключение отметим, что, помимо применённой микросхемы, могут быть использованы и другие, например, LF155, LF355, TL061, TL071. Для двух последних сопротивление подстроечного резистора R4 следует увеличить до 100 кОм.
Автор: А. Гаврилов, г. Таллинн, Эстония
