До изготовления выносного щупа для частотомера FC250, позволяющего ему измерять частоту до 500 МГц, автор собрал несколько делителей частоты на микросхеме К193ИЕ2, описанных в Интернете. В них измеряемый сигнал подавался непосредственно на вход счётчика или на вход предварительного усилителя на транзисторе. У всех образцов была выявлена сильная зависимость частоты на выходе от амплитуды входного сигнала и низкая помехоустойчивость.
Согласно техническому описанию делителя частоты К193ИЕ2 [1], его нормальная работа возможна лишь при подаче на вход импульсов с достаточными амплитудой и крутизной перепадов. Поэтому на входе щупа, получившего название ВЩ-500, был установлен компаратор ADCMP606 [2] и введена регулировка чувствительности. Этот щуп делит частоту входного сигнала на 10. Совместно с частотомером FC250 он позволяет измерять частоту от 2 до 500 МГц с дискретностью 100 Гц. Его чувствительность во всём интервале измеряемых частот не ниже 0,65 В. От источника напряжения питания 5 В щуп потребляет ток 80...85 мА. Входное дифференциальное сопротивление - около 70 кОм.
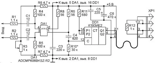
Схема щупа изображена на рис. 1. В нём применены микросхемы DA1 - ADCMP606BKSZ-R2 (компаратор стандарта CML с максимальной рабочей частотой 750 МГц) и DD1 - К193ИЕ2 (делитель частоты на 10 до 500 МГц). Согласно стандарту, CML на входы компаратора подают смещение, близкое к напряжению питания +3,3 В. Но микросхема ADCMP606 относится к категории Rail-to-Rail и поэтому может работать при напряжении на входах от 0 до плюса напряжения питания. В щупе ВЩ-500 на входы DA1 подано смещение, равное половине напряжения питания. С входных контактов щупа через цепочки R1C1 и R2C2 измеряемый сигнал поступает на входы (выводы 3 и 4) компаратора DA1. Цепь из резисторов R3-R7 позволяет переменным резистором R3 регулировать чувствительность щупа, изменяя постоянное напряжение между входами DA1 от 0 до 0,5 В. Противофазные выходы DA1 соединены с плюсом питания через резисторы R8 и R9. Благодаря их малому сопротивлению (56 Ом) сравнительно большое входное сопротивление делителя частоты DD1, подключённого к одному из выходов компаратора, не нарушает симметрии последнего.

Рис. 1. Схема щупа
На вход микросхемы делителя частоты DD1 поступают прямоугольные импульсы амплитудой 0,4 В с длительностью перепадов 160 пс. Резистор R10, понижая постоянное напряжение на входе делителя, предотвращает его самовозбуждение в отсутствие сигнала.
При подключении к частотомеру FC250, согласно описанию в [3] напряжение питания щупа +5 В поступает с имеющегося в частотомере стабилизатора напряжения. С выходов делителя DD1 противофазный сигнал частотой до 50 МГц поступает на входы предварительного усилителя-формирователя частотомера FC250 [4]. РазъёмХР1 размещён на отдельной плате, соединённой с основной жгутом из четырёх проводов длиной 600...800 мм. На этой же плате расположен резистор R12.
В отличие от описанного в [5] выносного щупа, работоспособного до частоты 300 МГц, ВЩ-500 работает на частоте до 500 МГц. Оба щупа без использования внешнего делителя могут регистрировать колебания синусоидальной и прямоугольной формы с амплитудой до 5 В. Регулировка чувствительности переменным резистором R3 позволяет подавить помеху, если её амплитуда меньше амплитуды полезного сигнала.
На частотах 100...200 МГц ВЩ-500 может реагировать на гармоники сигналов неправильной формы амплитудой более 0,5 В, что приводит к удвоению частоты на выходе. Если регулировкой чувствительности не удаётся отстроиться от гармоник, можно понизить входное сопротивление ВЩ, припаяв на время параллельно его входным контактам резистор сопротивлением от 100 Ом до 1 кОм.
Чертёж печатной платы щупа показан на рис. 2, а расположение деталей на ней - на рис. 3. Технология изготовления платы подробно описана в [5]. Все установленные на плате постоянные резисторы и конденсаторы - типоразмера 1206 для поверхностного монтажа. Переменный резистор R3 - R-0904n-A1K (РП1-74). Перед установкой на плату отогните его боковые крепёжные лепестки под прямым углом в разные стороны. Концы лепестков обрежьте по месту и припаяйте к фольге общего провода. Незадействованные выводы микросхемы К193ИЕ2 удалите.

Рис. 2. Чертёж печатной платы щупа

Рис. 3. Расположение деталей на плате
Разъём ХР1 (WF-4R) установлен на небольшой плате, аналогичной изображённой на рис. 13 в [3]. Резистор R12 там обозначен как R1. Внешний вид собранного щупа ВЩ-500 показан на рис. 4.

Рис. 4. Внешний вид собранного щупа ВЩ-500
Собрав плату щупа ВЩ-500 без компаратора DA1 и резисторов R3 и R10, припаяйте к соответствующим контактным площадкам платы жгут проводов с разъёмом Хр 1 и подключите его к частотомеру, доработанному согласно [3]. Обычно делитель частоты DD1 само-возбуждается. Устраните самовозбуждение подборкой резистора R10, после чего установите на плату компаратор и недостающие резисторы. Если самовозбуждение компаратора DA1 не удаётся остановить переменным резистором R3, вероятная причина этого - обрыв или плохая пайка одного из выходов DA1.
Литература
1. Нефёдов А. В. Интегральные микросхемы и их зарубежные аналоги. Справочник, т. 3 - М.: ИП РадиоСофт, 2000.
2 Rail-to-Rail, Very Fast, 2.5 V to 5.5 V, Single-Supply CML Comparators ADCMP606/ ADCMP607. - URL: http://www.analog.com/ media/en/technical-documentation/data-sheets/ADCMP606_607. pdf (19.04.16).
3. Паньшин А. Доработка частотомера FC250. - Радио, 2016, № 3, с. 23, 24.
4. Паньшин А. Предварительный усилитель-формирователь для частотомера FC250. - Радио, 2015, № 2, с. 18.
5. Паньшин А. Выносной щуп - делитель частоты на 10 для частотомера FC250. - Радио, 2015, № 4, с. 26, 27.
Автор: А. Паньшин, г. Москва
