К выходу модуля A1 подключены буферные элементы DD2.1 и DD2.2, установленные в непосредственной близости от выходных разъёмов XW1, XW2. Это обеспечивает стабильный уровень гармоник, который иначе бы определялся излишне длинными печатными проводниками модуля. К разъёму XW1 выход элемента DD2.1 подключён через цепь R1R2C7C8, понижающую уровень основного сигнала, но обогащающую его высокочастотными гармониками. Более мощный выход XW2 подключён напрямую. Следует избегать перегрузки или тем более порчи SDR-приёмника слишком сильным сигналом!
МК имеет интерфейс SPI (линий SCK, SDO, SDI) и сигналов выбора кристалла CS0, CS1, CS2. При желании к нему можно подключить до трёх дополнительных ВЧ-генераторов. В табл. 2 приведён список поддерживаемых программой ВЧ-генераторов (этот список м ожет быть расширен при обновлении программы).
Таблица 2
Диапазон частот | Микросхема | Комментарии |
0,008...250 МГц (меандр) | Si5351A или аналог ms5351m | Имеет три выхода. Используемый выход выбирается программно. |
0...12,5 МГц (гармонический) | AD9833 (DDS) | Желателен ФНЧ и усилитель для работы на 50-омный измерительный мост. |
240...960 МГц | Si4432/Si4431e радиомодулях RFM22B/RFM23B | Радиомодули имеют модификации для диапазонов 433 МГц, 868 МГц и 915 МГц, отличающиеся параметрами выходных фильтров. При выходе за штатный диапазон модуля возможно изменение уровня гармоник или сигнала. Работа на гармониках выше 1 ГГц затруднительна из-за наличия ФНЧ. |
270...340 МГц, 405...510 МГц, 809...1023 МГц | SX1231 в радиомодулях Rfm69 | |
136...189 МГц, 204...378 МГц, 408...757 МГц, 816...1135 МГц | SI4463 | |
2200...4400 МГц (гармонический), 35...2200 МГц (меандр) | ADF4351 | Доступна ступенчатая регулировка уровня выходного сигнала (-4, -1,2,3 дБм). |
Каждый ВЧ-генератор может использоваться либо для подключения измерительного моста, либо быть настроен на формирование фиксированной частоты (например, для использования в качестве гетеродина для конвертера). Более подробно о подключении генераторов и соответствующей настройке программы для компьютера написано в выложенном на сайте редакции "Руководстве пользователя".

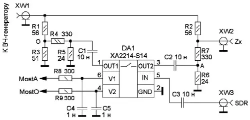
Рис. 4. Схема базового варианта измерительного моста
Схема базового варианта измерительного моста показана на рис. 4. Он образован резисторами R1-R3 и сопротивлением Zx измеряемой цепи. Высокочастотный переключатель DA1 поочерёдно подключает вход SDR-приёмника к точкам "О" и "А" моста. Такой подход позволяет обойтись без трансформаторов, что упрощает повторение устройства. Сигналы управления коммутатором поступают от устройства управления через фильтры R8С4 и R9C5.
Делители R4-R5 и R6-R7 уменьшают влияние коммутатора и SDR-приёмника на мост. Конденсаторы С1-С3 - разделительные, их ёмкость должна быть достаточно большой для пропуска сигналов с минимальной рабочей частоты. Однако на высоких частотах паразитная индуктив ность этих конденсаторов может ухудшать измерительные свойства моста. Для работы на частоте 3 ГГц для микросхемы XA2214-S14 рекомендуемая ёмкость конденсаторов С1-С3 - около 100 пФ. Тоесть номинал 10 нФ является компромиссным, обеспечивающим работу на КВ и УКВ.
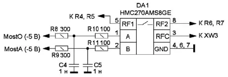
Другой интересный вариант построения широкополосного моста - использование коммутатора HMC270AMS8GE, который вообще не требует блокировочных конденсаторов. Это позволяет упростить плату, что важно для работы на СВЧ. К тому же микросхема HMC270AMS8GE работает в диапазоне от 0 до 8 ГГц, а его высокие изоляционные свойства (45 дБ на частоте 6 ГГц) улучшают точность измерений. Пример включения этой микросхемы показан на рис. 5 (элементы моста не показаны, они аналогичны схеме на рис. 4). Отметим, что эта микросхема требует управляющих напряжений -5 В.

Рис. 5. Пример включения микросхемы HMC270AMS8GE
Анализатор собран на плате из двухстороннего фольгированного стеклотекстолита толщиной 1 мм (рис. 6, рис. 7). Половину платы занимает устройство управления, другую половину - два варианта мостов на микросхе-махXA2214-S14 и HMC270AMS8GE. Автор собирал и тестировал оба этих моста. На практике имеет смысл собрать один наиболее подходящий мост с учётом доступности микросхем ВЧ-коммутаторов.

Рис. 6. Схема анализатора в сборе

Рис.7. Схема анализатора в сборе
Наиболее критична реализация измерительного моста для работы на УКВ и СВЧ. При разводке платы следует соблюдать симметрию моста. Одна сторона платы - полностью "земля", на другой стороне металлизация удалена в местах установки SMD-элементов. Желательно применять резисторы с допуском не более 1 %.
В авторском варианте применены коаксиальные ВЧ-разъёмы серии SMA, которые установлены со стороны полигона общего провода, а их выводы проходят через отверстия в плате, что позволяет минимизировать длину соединений. Из четырёх корпусных (земляных) выводов разъёмов SMA использованы только два, другие два удаляют. При этом корпус разъёма по периметру припаивают к полигону общего провода.
Продолжение следует
Автор: Н. Егошин, г. Рязань
