Долго верой и правдой служил клеевой пистолет Metabo KE 3000. Достаточно мощный и удобный для работы. Вот только требует глаз да глаз - он перегревается, поэтому надо периодически выключать его из розетки. А если оставить, клеевая масса может стать коричневой! Для облегчения работы встроил аналоговый таймер, схема опубликована в [1]. Но увы, силиконовая манжета порвалась, и пришлось купить новый клеевой пистолет.
При обмене мнениями с коллегами о применении аналогового таймера в этом приборе они обратили внимание: "А может, лучше встроить термостат?". И вот в новый пистолет было решено встроить устройство с двумя функциями: термостат и таймер. Наиболее просто это можно реализовать, применив микроконтроллер ATtiny13A При этом для термостата использовать встроенный АЦП, а для отсчёта времени - один из аппаратных таймеров, которых в этом микроконтроллере несколько!

Рис. 1. Схема устройства
На рис. 1 представлена схема устройства. Нагревательный элемент EK1 клеевого пистолета подключается к сети 230 В через симистор VS1, которым управляет оптопара U1 с встроенным детектором перехода через ноль, что уменьшает помехи в сеть. Схема питания схемы выполнена по традиционной бестрансформаторной схеме из-за малого доступного пространства в рукоятке пистолета. Термостойкий терморезистор RK1 взят от нагревателя неисправного лазерного принтера. Температурный рабочий диапазон большинства терморезисторов не превышает 160 оС, что и заставило применить именно такой. Он аккуратно вставлен между нагревателем и дюралевым корпусом, внутри которого происходит нагрев клеевого стержня. Двухцветный светодиод HL1 служит для индикации режима нагрева: дежурный режим (Др) с температурой нагрева примерно 100 оС и рабочий режим (РР) с температурой нагрева 160...180 оС. Если пистолет находится в ДР более 4 мин, таймер отключает нагревательный элемент. Для перехода между режимами слегка нажимают на курок, магнит, закреплённый на нём вызывает замыкание контактов геркона, что приводит к прерыванию Int0 в микроконтроллере.
При включении пистолета в сеть светодиод начинает светить красным, когда он начинает мигать - ДР достигнут. При лёгком нажатии на курок свечение светодиода меняется на зелёное, а когда РР достигнут, светодиод начинает мигать - можно работать. На время РР около 1,5 мин прерывание Int0 маскируется и снимается, когда включается ДР, т. е. если светодиод мигает красным, а работа продолжается, просто нажимаем на курок. Через 4,25 мин (точнее, ~255 с) в ДР нагревательный элемент отключается, что индицируется попеременным свечением красного и зелёного цвета с периодом 2 с.
АЦП микроконтроллера циклически измеряет напряжение на выводе РВ3, на которое поступает напряжение с делителя напряжения, образованного терморезистором RK1 и резистором и R6. В зависимости от режима работы в переменную сравнения пересылаются соответствующие константы.

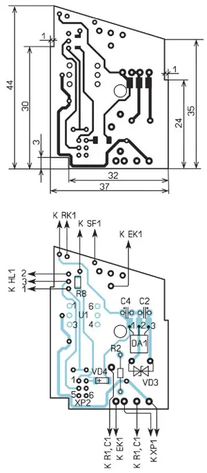
Рис. 2. Чертёж печатной платы и размещение элементов на ней

Рис. 3. Чертёж печатной платы и размещение элементов на ней
Печатная плата - двухсторонняя, она изготовлена из фольгированного стеклотекстолита толщиной 1...1,5 мм. Чертёж платы показан на рис. 2 и рис. 3. На ней установлен разъём XP2 для внутрисхемного программирования. Он изготовлен из IDE-коннектора неисправного HDD 2,5". Для этого выпилено три ряда, шаг - 2 мм и между рядами - 2 мм. Конденсатор С1 и резистор R1 установлены отдельно от платы и соединены с ней проводом МГТФ. Светодиод HL1 диаметром корпуса 3 мм закреплён в отверстии заглушки сзади рядом с отверстием загрузки клеевого стержня. К плате светодиод подключён тремя проводами МГТФ. Геркон SF1 размещён так, чтобы не мешать ходу курка, а на нём закреплён с помощью проволоки магнит, желательно мощный, для уверенного срабатывания геркона при лёгком нажатии на курок.
Применены постоянные выводные резисторы МЛТ R1, R2, остальные - для поверхностного монтажа типоразмера 1206, конденсатор C1 - плёночный MEX/TENTA на переменное напряжение 275 В или К73-17 на напряжение 630 В, конденсаторы C2, C4 - К50-35 или аналогичные, остальные - бескор-пусные типоразмера 1206. Оптопара - MOC3063, светодиод - L-3WEGW, L-115VEGW, L-93WEGC, VD4 - диод Шоттки Ш581х, BAT4х, MBR0520 в корпусе SOD-123. На рис. 4 и рис. 5 показан вид размещения печатной платы в корпусе клеевого пистолета. Плата ещё макетная и не соответствует чертежам на рис. 2 и рис. 3.

Рис. 4. Вид размещения печатной платы в корпусе клеевого пистолета

Рис. 5. Вид размещения печатной платы в корпусе клеевого пистолета
Программа разрабатывалась в среде iDe Eclipse с AVR Eclipse Plugin под OS Linux Mint. Этот плагин позволяет проводить полный цикл разработки: программирование, отладка, про шивка целевых микроконтроллеров ATMEL (с) фирмы Microchip. Исходный текст программы на языке Си представлен здесь. Там же размещён hex-файл.
Литература
1. Басов Г. "Вредный" эффект Миллера в таймерах. - Радио, 2021, № 9, с. 16, 17.
2. ATtiny13A. - URL: https://pdf1.alldatasheet.com/datasheet-pdf/view/313634/ATMEL/ATtiny13A.html (28.12.21).
Авторы: Г. Басов, г. Томск/Ставрополь, С. Исаков, г. Барнаул
