Для комфортного прослушивания звукового контента необходимо обеспечить в месте прослушивания достаточный уровень звукового давления. Так, при домашнем просмотре телевидения среднеквадратический уровень звукового давления составляет 60 дБ [1]. Чрезмерное превышение этого уровня может быть вредным для здоровья. Ограничим уровень среднего звукового давления безопасным для здоровья значением 70 дБ [1]. И возьмём запас 18 дБ для неискажённого воспроизведения пиков сигнала [2].
Тогда от УМЗЧ компьютерной акустической системы (АС) потребуется выходная мощность, обеспечивающая на пиках сигналазвуковое давление 88 дБ. Это соответствует действующему значению синусоидального сигнала 85 дБ (на 3 дБ ниже пикового уровня).
Пусть с персональным компьютером (ПК) используются полочные АС сопротивлением 4 Ом и характеристической чувствительностью 90 дБ. При подведении к такой АС синусоидального сигнала напряжением 2 В на расстоянии 1 м создастся звуковое давление 90 дБ, соответствующее характеристической чувствительности. Стереопара же таких АС создаст звуковое давление 93 дБ [3, с. 116]. И для достижения звукового давления 85 дБ на синусоидальном сигнале к каждой АС достаточно подводить сигнал с действующим значением напряжения не 2 В, а меньше на 93 - 85 = 8 дБ, т. е. 0,8 В или 160 мВт по мощности.
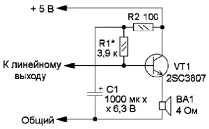
Выходное напряжение 0,8 В обеспечивают многие цифроаналоговые преобразователи (ЦАП) встроенных звуковых карт ПК. В таком случае для обеспечения необходимой для комфортного прослушивания мощности в соответствии с приведёнными оценками от УМЗЧ требуется усилить только ток. С этой задачей справляется эмиттерный повторитель (каскад с общим коллектором). Традиционная схема эмиттерного повторителя содержит в цепи эмиттера резистор, сигнал с которого подаётся на нагрузку через разделительный конденсатор. На резисторе, включённом в цепь эмиттера, рассеивается часть мощности сигнала. Избежать этих потерь позволяет включение нагрузки непосредственно в цепь эмиттера, что и реализовано в предлагаемом УМЗЧ. Такое решение не только упрощает УМЗЧ, но и повышает его качество из-за сокращения длины тракта звуковоспроизведения.

Рис. 1. Схема одного канала УМЗЧ
Схема одного канала предлагаемого УМЗЧ приведена на рис. 1. Здесь отсутствует входной разделительный конденсатор, поскольку такой конденсатор присутствует на выходе ЦАП звуковой карты ПК. Сигнал на вход УМЗЧ можно подавать либо с линейного выхода, расположенного на задней панели ПК, либо с разъёма на материнской плате, предназначенного для соединения с разъёмами микрофона и телефонов передней панели системного блока ПК. Напряжение питания 5 В можно взять с внутреннего разъёма Molex системного блока ПК.
Транзистор 2SC3807 при напряжении питания 5 В и сопротивлении нагрузки 4 Ом имеет минимум коэффициента гармонических искажений (КГИ) при токе эмиттера около 0,5 А. В этом случае на АС сопротивлением 4 Ом подаётся мощность 1 Вт, что значительно меньше паспортной мощности многих полочных АС.
Кроме транзистора 2SC3807, в усилителе были испытаны и другие транзисторы: KSD1273, KSC1983, 2SD1829, CEP603AL, КТ819В, КТ972А, ГТ404Б. Однако транзистор 2SC3807 продемонстрировал наилучшие результаты.
УМЗЧ не требует отдельного блока питания, что значительно упрощает его конструкцию. Невысокое напряжение питания способствует защите транзисторов при коротком замыкании в нагрузке и защите АС при пробое транзисторов. Каждый канал УМЗЧ можно питать и от отдельного порта разъёма USB-2 материнской платы ПК, поскольку этот порт обеспечивает ток в нагрузке до 0,5 А. Общий провод для УМЗЧ следует подключать к одной точке. Например, если общий провод подключён к разъёму Molex или к контакту USB-разъёма, экран кабеля от линейного выхода Пк не должен быть подключён на стороне УМЗЧ. Транзисторы УМЗЧ устанавливают на теплоотвод и размещают в удобном месте внутри корпуса ПК. Из корпуса выводят только провода для подключения АС.
Несмотря на простоту, предлагаемый УМЗЧ имеет признаки усилителей, отвечающих критериям High End:
- работа транзисторов в классе А;
- отсутствие каких-либо обратных связей по усиливаемому току;
- усилительный тракт имеет минимально возможную длину, так как содержит единственный элемент - транзистор.
Измерения параметров этого УМЗЧ проводились с использованием встроенной в материнскую плату звуковой карты на микросхеме ALC892 [4]. Некоторые типовые параметры этой микросхемы: выходное напряжение ЦАП - 1,2 В; динамический диапазон аналогоцифрового преобразователя (АЦП) - 92 дБ; динамический диапазон ЦАП - 97 дБ; выходной импеданс - 200 Ом. Измеренные параметры звуковой карты приведены в табл. 1.
Таблица 1
Параметр | Значение | Оценка |
Неравномерность АЧХ в диапазоне 40 Гц...15 кГц, дБ | +0,07...0 | Отлично |
Уровень шума, дБ(А) | -91,7 | Очень хорошо |
Динамический диапазон, дБ(А) | 91,7 | Очень хорошо |
КГИ, % | 0,00524 | Очень хорошо |
Гармонические искажения + шум, дБ(А) | -77,2 | Удовлетворительно |
Интермодуляционные искажения + шум, % | 0,013 | Очень хорошо |
Взаимопроникновение каналов, дБ | -85,1 | Отлично |
Уровень интермодуляционных искажений на частоте 10 кГц, % | 0,01 | Очень хорошо |
Общая оценка | Очень хорошо |
Результаты измерений одного канала УМЗЧ при выходном синусоидальном сигнале напряжением 1 В приведены в табл. 2.
Таблица 2
Параметр | Значение | Оценка |
Неравномерность АЧХ в диапазоне 40 Гц... 15 кГц, дБ | +0,03...0 | Отлично |
Уровень шума, дБ(А) | -92 | Очень хорошо |
Динамический диапазон, дБ(А) | 92 | Очень хорошо |
КГИ, % | 0,059 | Удовлетворительно |
Гармонические искажения + шум, дБ(А) | -62 | Плохо |
Интермодуляционные искажения + шум, % | 0,08 | Хорошо |
Уровень интермодуляционных искажений на частоте 10 кГц, % | 0,051 | Хорошо |
Общая оценка | Хорошо |
Из сравнения результатов измерений видно, что усилитель имеет меньшую неравномерность АЧХ, чем звуковая карта. Действительно, собственно эмиттерный повторитель работает даже на постоянном токе, и АЧХ УМЗЧ практически полностью определяется свойствами ЦАП и ёмкостью разделительного конденсатора на выходе ЦАП. Это видно на рис. 2, где красная кривая - АЧХ звуковой карты, зелёная кривая - АЧХ звуковой карты вместе с усилителем. Видно, что АЧХ различаются меньше чем на 0,1 дБ, т. е. в диапазоне частот 10...40000 Гц АЧХ усилителя линейна с точностью до погрешности измерений.

Рис. 2. АЧХ звуковой карты и АЧХ звуковой карты вместе с усилителем
Продолжение следует
Автор: Л. Костырко, г. Чернигов, Украина
