Установка в компьютере двух независимых НЖМД, выбираемых вручную, помимо преимуществ, упомянутых в статье В. Геймана в "Радио", 2013, № 8, с. 21, устраняет ещё и вибрацию НЖМД, вызванную механическими биениями в случае близких скоростей вращения дисков, что ускоряет выход НЖМД из строя.
Заложенная в предложенную там конструкцию идея интересна, однако необходимые для её изготовления детали (дистанционный переключатель, оптореле) оказалось трудно приобрести, и пришлось разработать более простое устройство с теми же свойствами. Никаких дефицитных деталей оно не содержит, кроме того, не требуется и дежурное напряжение 5 В, доступ к которому сопряжён с известным риском повредить компьютер.
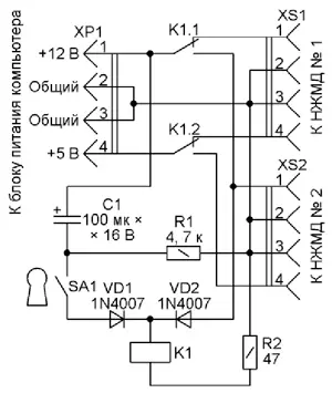
Схема устройства приведена на рисунке и особых пояснений не требует. Разъёмы питания НЖМД № 1 (XS1) и НЖМД № 2 (XS2) соединены с блоком питания компьютера через контакты K1.1 и K1.2 реле K1 и разъём XP1. В момент включения компьютера при замкнутом выключателе SA1 ток зарядки конденсатора C1, протекая через диод VD1 и обмотку реле, вызывает его срабатывание. Питание подаётся на НЖМД № 2. Одновременно напряжение +12 В поступает на обмотку реле через диод VD2, и реле остаётся сработавшим до выключения компьютера. Никакие манипуляции с выключателем SA1 на его состояние не повлияют.

Схема устройства
Если же компьютер включается при разомкнутом выключателе SA1, реле K1 остаётся в исходном несработавшем состоянии и питание подаётся на НЖМД № 1, а конденсатор C1 заряжается через резистор R1. Спустя небольшой промежуток времени, необходимый для его зарядки, замыкание выключателя SA1 уже не приведёт к срабатыванию реле и переключению НЖМД.
Устройство собрано на заглушке свободного отсека системного блока компьютера. На ней установлен выключатель SA1 типа SWK-2, управляемый с помощью ключа, что позволило защитить НЖМД № 2 от нежелательного любопытства. Жгуты проводов с разъёмами XS1 и XS2 взяты от ненужного компьютерного блока питания. В качестве разъёма XP1 можно использовать переходник с IDE на SATA.
Реле K1 - JW2HN-DC9V с обмоткой сопротивлением 155 Ом. Поскольку она рассчитана на напряжение 9 В, а подключается к источнику напряжения 12 В, излишек гасит резистор R2. Если использовать реле с обмоткой на 12 В, этот резистор нужно заменить перемычкой. Можно применить и реле на 5 В. В этом случае резистор R2 тоже не потребуется, если плюсовой вывод конденсатора перенести с контакта 1 на контакт 4 разъёма XP1, а анод диода VD2 с контакта 1 - на контакт 4 разъёма XS2.
Контакты реле, применяемого взамен указанного выше, должны выдерживать ток, потребляемый НЖМД по цепям +5 В и +12 В. При любой замене может потребоваться подборка конденсатора C1, ёмкость которого должна быть достаточно большой для надёжного срабатывания реле K1. Увеличивая ёмкость, нужно соответственно уменьшать номинал резистора R1. Иначе возрастёт время, в течение которого несвоевременное замыкание контактов выключателя SA1 может привести к выключению уже начавшего работать НЖМД № 1 и включению НЖМД № 2.
Автор: Г. Закоморный, г. Тбилиси, Грузия
