Однажды мне принесли для ремонта интересную "игрушку" - китайский аккумуляторный автомобильный компрессор с автоматическим отключением при достижении заданного давления. Назвать это устройство хорошим язык не поворачивается - всё хилое, двигатель маломощный, аккумулятор слабый, и к тому же "мозги" вышли из строя. Это устройство было отправлено продавцу, но понравилась идея - почему бы не доработать мой компрессор "Тайфун 406HS" производительностью 35 л в минуту. Всем он хорош, но очень неудобен провод питания, который мешается и к тому же зимой не хочет гнуться.
Потому было решено провести глубокую модернизацию компрессора. При напряжении питания 12...13,5 В потребляемый им ток - около 14 А. Для его питания из литиевых аккумуляторов была собрана батарея напряжением 12,6 В и ёмкостью 9 А·ч. Проверка показала, что компрессор работает нормально, а ёмкости батареи на практике достаточно. Но через некоторое время было решено изготовить и блок управления, чтобы сделать компрессор автоматическим. В дело пошли Arduino Nano, безымянный датчик давления с Алиэкспресса на 150 psi (psi - фунт на квадратный дюйм, 1 атм ~ 14 psi) и четырёхразрядный цифровой светодиодный дисплей. жКи использовать не рискнул, поскольку на морозе он может "замёрзнуть".

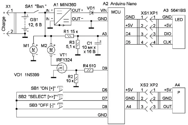
Рис. 1. Схема блока управления компрессором
Схема блока управления компрессором показана на рис. 1. Он сравнительно простой и содержит управляющий модуль А2 Arduino Nano, который получает информацию с датчика давления А4 и команды управления от трёх кнопок SB1-SB3, управляет с помощью тран-зистора VT1 электродвигателем М2 компрессора и выводит информацию на четырёхразрядный светодиодный индикатор-дисплей А3. Напряжение питания 12,6 В понижается модулем А1 до 8 В и через диод VD1 поступает на цепь питания Arduino Nano. Вентилятор охлаждения компрессора М1 включается при подаче питающего напряжения.
После включения питания модуль Arduino Nano А2 производит инициализацию остальных модулей, в течение одной секунды выводит на дисплей А3 информацию о напряжении аккумулятора, а потом информацию о давлении в атмосферах и ждёт действий оператора. Кнопкой SB2 "SELECT [>>]" можно изменять выводимую информацию по кольцу. При первом нажатии выводится напряжение аккумулятора, при втором - порог отключения компрессора при достижении заданного давления, который можно изменять кнопками SB1 "ON [+]" и SB3 "OFF [-]". При нажатии на кнопку SB2 более 3 с установленный порог записывается в EEPROM микроконтроллера модуля А2. Индикатором записи служит кратковременное включение средних сегментов в четырёх разрядах дисплея. У кнопок SB1, SB3 двойная функция, взависимости от информации, выводимой на дисплей. Включить электродвигатель M2 компрессора можно нажатием на кнопку SB1, а выключить - нажатием на кнопку SB3. Компрессор автоматически отключается при достижении заданного порога давления.
Поскольку перед золотником создаётся более высокое давление, чем в баллоне, из-за сопротивления, создаваемого золотником, чтобы после отключения компрессора и выравнивании давления между баллоном и компрессором получить установленное давление в баллоне, в программе к порогу отключения добавляется 0,5 атм.

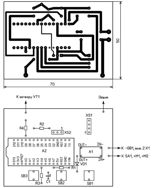
Рис. 2. Чертёж платы и расположение элементов на ней
Поскольку это был лабораторный макет, была использована макетная печатная плата, но для читателей журнала разработан чертёж печатной платы. Для её изготовления можно применить односторонний фольгированный стеклотекстолит толщиной 1,5...2 мм. Чертёж платы показан на рис. 2. Она рассчитана на применение резисторов МЛТ, оксидного конденсатора К50-35 или аналогичного иностранного производства, А3 - модуль на микросхеме TM1637 и четырёхразрядном светодиодном индикаторе [1]. Транзистор VT1 установлен на металлическом торце электродвигателя с изоляцией от корпуса через теплопроводящую прокладку. Собранная плата показана на рис. 3. Она установлена в пластмассовом корпусе размерами 90x70x28 мм, показанном на рис. 4.

Рис. 3. Собранная плата

Рис. 4. Вид платы в корпусе
В верхней части корпуса резаком, сделанным из ножовочного полотна по металлу, вырезано прямоугольное отверстие размерами 51x19 мм для дисплея. Рисунок фальшпанели (рис. 5 в масштабе 1:1) напечатан на белой бумаге на лазерном принтере. После вырезания окна для дисплея её ламинируют и приклеивают двухсторонней липкой лентой или клеем, кому как удобно.

Рис. 5. Вид фальшпанели

Рис. 6. Собранный блок управления на компрессоре
Собранный блок управления закреплён на компрессоре с помощью алюминиевого уголка на пластмассовой крышке, закрывающей торец электродвигателя (рис. 6).
Продолжение следует
Автор: В. Киба, г. Волжский Волгоградской обл.
