Все легковые автомобили ВАЗ десятого семейства оснащены отопителем салона, укомплектованным автоматическим блоком управления. Практика показывает, что уже нескольких лет пользования машиной достаточно для того, чтобы выявить недостатки имеющейся системы отопления. О том, как их устранить, рассказывает автор этой статьи.
В процессе эксплуатации своего автомобиля ВАЗ-2111 мне пришлось постоянно сталкиваться с проблемами управления отопителем салона. Так, например, при нагревании крыши машины под воздействием прямых солнечных лучей датчик температуры, работающий в блоке управления и размещенный в потолочной обивке, нагревается раньше, чем салон автомобиля. В результате отопи-тель переключается на охлаждение салона задолго до завершения его прогревания. При длительной езде по трассе в прохладную погоду правая нога водителя начинает мерзнуть из-за полного откры-гия заслонки отопителя. Дело в том, что блок управления отопителем работает всегда в автоматическом режиме за исключением крайних положений органа управления, когда подается либо горячий воздух, либо холодный. При этом заслонка отопителя при достижении установленной переключателем температуры перемещается автоматически примерно на 50 % рабочего хода. Поэтому воздух, поступающий в салон из отопителя, резко меняется с холодного на горячий и обратно, т. е. практически не бывает теплым.

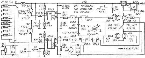
Рис. 1
Если к этому добавить, что надежность блока управления оставляет желать лучшего, - после трехлетней эксплуатации он часто выходит из строя, - станет понятно, почему я принял решение разработать самодельное устройство управления отопителем. Оно электронно-механическое и работает аналогично тросовому приводу заслонки отопителя автомобиля ВАЗ-2108. Тросовый привод реализует пропорциональное управление заслонкой, т. е. насколько изменилось положение регулятора в салоне, настолько сдвинется и она.
Схема блока управления изображена на рис. 1. Основой устройства служит управляющий делитель напряжения, одно плечо которого - набор резисторов R1-R8, коммутируемых переключателем SA1 положения заслонки отопителя, а другое - переменный резистор R9, смонтированный на редукторе электродвигателя М1, который перемещает заслонку. То есть движок резистора механически связан с заслонкой отопителя.
Напряжение с делителя через два эмиттерных повторителя на транзисторах VT1, VT2 поступает на вход двух компараторов, собранных на ОУ DA1.1 и DA1.2. Первый реагирует на повышение напряжения на инвертирующем входе относительно напряжения на неинверти-рующем, а второй - на понижение напряжения на инвертирующем входе относительно напряжения на неинверти-рующем. Напряжение на неинвертирую-щем входе обоих ОУ установлено рези-стивными делителями R15R16 и R17R18. Для обеспечения гистерезиса напряжения переключения сопротивление резисторов R16 и R18 отличается на 200 Ом. Это требуется для предотвращения возникновения автоколебательного режима движения заслонки отопителя.
В сбалансированном состоянии - положение заслонки остается неизменным - на выходе ОУ DA1.1 присутствует напряжение, близкое к 9 В, а на выходе ОУ DA1.2 - близкое к нулю, мощные транзисторы VT3-VT6 остаются закрытыми

Рис. 2
При перемещении ручки переключателя SA1 в сторону повышения температуры в салоне (вниз по схеме) уменьшается сопротивление верхнего плеча управляющего делителя напряжения, напряжение на базе, а значит, и на эмиттере транзистора VT1 становится больше, чем на неинвертирующем входе ОУ DA1.1. Вследствие этого ОУ переключается в состояние, при котором его выходное напряжение становится близким к нулю, а инвертор DD1.2 - в единичное. В результате открывается транзистор VT4.
Одновременно на выходе инвертора DD1.4 возникает низкий уровень, открывающий транзистор VT3. Ротор электродвигателя М1 и вал редуктора привода заслонки отопителя начинают вращаться в сторону ее открывания. Вал редуктора перемещает движок резистора R9, уменьшая сопротивление нижнего плеча управляющего делителя. Через некоторое время напряжение на инвертирующем входе ОУ DA1.1 снова станет меньше, чем на неинвертирующем, компаратор переключится в первоначальное состояние, закроются транзисторы VT3 и VT4 и электродвигатель выключится.
При повороте ручки переключателя SA1 в сторону понижения температуры в салоне (вверх по схеме) напряжение на инвертирующем входе ОУ DA1.2 станет меньше установленного на неинвертирующем, ОУ переключится в состояние высокого напряжения на выходе. Легко видеть, что при этом откроются транзисторы VT5 и VT6 и ротор электродвигателя начнет вращаться в обратную сторону - заслонка будет закрываться.

Рис. 3
Через некоторое время соотношение значений напряжения на входах ОУ DA1.2 восстановится, ОУ переключится в исходное состояние, транзисторы VT5, VT6 закроются - электродвигатель выключится. Диоды VD1 и VD2, резистор R23 и светодиод HL1 служат для индикации движения заслонки отопителя. Пока вращается ротор электродвигателя, светодиод включен.
Устройство собрано на печатной плате из фольгированного стеклотекстолита толщиной 1,5 мм. Чертеж платы показан на рис. 2. Она установлена в корпусе регулятора отопителя, над основной платой. Нумерация контактов разъемов Х1 и Х2 на схеме рис. 1 соответствует номерам контактов "вазовских" разъемов, впаянных в основную плату. Основная плата оставлена на своем месте, чтобы не изменять коммутацию переключателя SA1 блока управления отопителя и использовать уже установленные разъемы.
Нумерация контактов разъемов показана на рис. 3 (отмечены в основном те из них, которые фигурируют на схеме рис. 1). Для облегчения идентификации контактов ниже указана расцветка соответствующих проводов. Для разъема Х1: 1 - зеленый; 2 - розовый; 3 - зеленый с черной полосой; 4 - голубой с розовой полосой; 5 - зеленый с красной полосой; 8 - коричневый. Для разъема Х2: 3 - черный (общий провод); 6 - голубой (плюсовой провод питания). К сожалению, цветовую маркировку проводов нельзя считать строгой - отмечены случаи отклонения расцветки от указанной.
Перед монтажом платы блока регулятора в корпус на основной плате печатные проводники, идущие к выводам 1, 2, 4, 8 разъема Х1, необходимо перерезать. Ток, потребляемый электродвигателем редуктора (используется имеющийся привод от ВАЗ-2110), не превышает 100 мА, поэтому ни стабилизатор напряжения DA2, ни выходные транзисторы не требуют теплоотводов.
В устройстве применены постоянные резисторы МЛТ-0,125, оксидный конденсатор С4-импортный, остальные - керамические КМ-5. Транзисторы и диоды могут быть использованы с любыми буквенными индексами. Вместо ОУ К140УД20 подойдет его аналог UA747 (при соответствующей коррекции печатной платы); можно также применить два ОУ К140УД6 или К140УД7, но в этом случае в плату придется внести серьезные изменения. Микросхема К561ЛН2 заменима ее аналогом CD4049, а КР142ЕН8А - 7809.
Следует также иметь в виду, что в новых блоках (выпуска 2005 г.) установлены керамические переключатели с резисторами верхнего плеча управляющего делителя, изготовленными методом напыления. В этом случае резистор R10 необходимо заменить другим, сопротивлением 470 Ом. Вместо переключателя SA1 можно установить переменный резистор сопротивлением 3,3 кОм с линейной характеристикой (А) для плавного управления заслонкой.
Автор: И. Кузенков, г. Апатиты Мурманской обл.
