Широкое распространение получили импульсные DC/DC-блоки питания, ввиду их более высокого КПД по сравнению с линейными. Хотя они и уступают линейным в меньшей стабильности выходного напряжения, но при значительном изменении входного напряжения на них рассеивается меньшая мощность. Производится довольно широкая номенклатура различных микросхем, на основе которых возможно выполнение подобной задачи. В данной статье рассмотрены практические схемы двух блоков питания на основе микросхемы LM2577T-AJI.
Краткие характеристики микросхемы:
Напряжение питания................................................3,5...30 В
Частота внутреннего генератора..............................52 кГц
В состав данной микросхемы входит 3-амперный выходной транзистор структуры п-р-п с граничным напряжением эмиттер-коллектор 6S В.
Микросхема имеет внутреннюю токовую и температурную защиту.

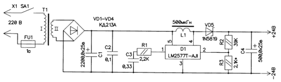
Рис. 1
Принципиальная схема, показанная на рис.1, представляет собой простой индукторный преобразователь. Сетевое напряжение 220 В преобразовывается трансформатором Т1 в более низкое 8... 16 В, затем выпрямляется диодным мостом на VD1-VD4 и сглаживается конденсатором С1. Выпрямленное напряжение поступает на вывод 5 D1, в результате чего запускается внутренняя схема и генератор. Внутренний транзистор замыкает выводы 3 и 4, в результате чего происходит накопление энергии во внешней индуктивности L1, при этом диод VD5 закрыт. После того как транзистор закроется, энергия с индуктивности поступит через открытый диод VD5 на конденсатор С4, и он зарядится до определенного напряжения. При этом выходное напряжение, т.е. напряжение на емкости сравнивается с опорным 1,23 В, и, если оно ниже, процедура повторится в следующем такте. Если оно больше, то длительность времени открытия транзистора уменьшится. Таким образом, на конденсаторе наблюдается пилообразное напряжение амплитудой в несколько милливольт и частотой генератора. Выходное напряжение можно регулировать в широких пределах, но оно не может быть ниже входного, так как в этом случае откроется диод VD5, и напряжение поступит на выход, при этом транзистор микросхемы всегда закрыт. Если необходимо создать преобразователь с более низким напряжением, чем входное, то лучше использовать обратноходовый преобразователь (рис.2).

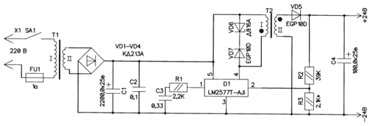
Рис. 2
Работа основной части схемы не отличается от предыдущей с той лишь разницей, что энергия запасается не в дросселе L1, а в трансформаторе Т2, и после закрытия транзистора микросхемы передается во вторичную обмотку. За счет коэффициента трансформации, а в большей мере потому, что постоянное напряжение не может пройти через обмотки трансформатора, можно достичь меньшего выходного напряжения, чем входное. При этом следует опасаться подавать на вход микросхемы напряжение выше 32 В, так как выбросы на выходном транзисторе могут быть выше предельно допустимого напряжения эмиттер-коллектор 65 В. Цепочка VD6VD7 служит для ограничения обратного напряжения на первичной обмотке трансформатора Т2.
Детали. Микросхема с индексом "-AJI" рассчитана на регулируемое потребителем выходное напряжение. С индексом "-12" и "-15" - на фиксированное выходное напряжение соответственно 1 2 и 15 В. При этом вывод 2 микросхемы необходимо без резистивного делителя подключить непосредственно к выходу. Трансформаторы Т1 в обеих схемах на мощность 8...10 Вт, если выходное напряжение, как на схемах, 24 В и токе 200 мА. Если необходимо получить широкий диапазон входного напряжения, например от 8 до 16 В по первой схеме и 8...32 В по второй, то провод необходимо выбрать диаметром не менее 1 мм (чем выше входное напряжение, тем меньший ток потребляется от обмотки).
В качестве диодов VD1-VD4 в обеих схемах применены диоды КД213, при большем входном напряжении преобразователя, а также меньшей потребляемой мощностью в нагрузке возможно применение менее мощных диодов, например КД209. Все резисторы типа МЛТ 0,125, электролитические конденсаторы типа К50-35 или аналогичные. Керамические конденсаторы типа КД. Их желательно устанавливать как можно ближе к микросхеме. Дроссель L1 намотан на феррите 4-18x11 и содержит 53 витка провода ПЭЛШО диаметром 0,4 мм. Между чашечками устанавливают прокладку толщиной 0,2 мм. Трансформатор Т2 намотан на феррите Е20/10/6 с зазором в центральном керне 0,25 мм и содержит первичная обмотка 33 витка провода ПЭВ-2 диаметром 0,45 мм, вторичная - 45 витков провода ПЭВ-2 диаметром 0,31 мм.
Автор: С.М. Абрамов, г. Оренбург
