Микросхема LNK501 весьма удобна для построения импульсных блоков питания мощностью до 5 Вт. Но рекомендуемая фирмой-производителем программа автоматического проектирования PIXIs Designer имеет ограничения, которые не позволяют полностью использовать возможности этой микросхемы. Автор предлагаемой статьи успешно преодолел эти ограничения — рассчитал импульсный трансформатор по другой программе — VIPer Design Software, предназначенной для микросхем VIPer.
Маломощные обратноходовые преобразователи (ОХП) широко используются в зарядных устройствах мобильных телефонов, сетевых блоках питания аудиоплейеров, цифровых фотокамер, модемов и различной компьютерной периферии. Современные элементы позволяют выполнить их миниатюрными, схемотехнически простыми и дешевыми.
О том, как сделать импульсный источник питания на микросхеме LNK501 с выходным стабилизированным напряжением 3 или 5,5 В, рассказано в статье [1]. Но когда мне потребовался аналогичный источник с напряжением 12 В и выходным током до 0,2 А, совершенно неожиданно (ведь мощность такого устройства не превышает 2,4 Вт, что вполне соответствует используемой микросхеме) был получен отрицательный результат. Оказалось, что упомянутая в статье [1] специализированная программа PIXIs Designer, предназначенная для расчета импульсного трансформатора в ОХП, с подобной задачей не может справиться. В программе предполагается использование с этой микросхемой трансформаторов на ферритовых магнитопроводах всего лишь трех типов — ЕЕ13, ЕЕ16, ЕЕ19. При проектировании требуемого преобразователя даже в наибольшем из перечисленных магнитопроводов феррит входит в насыщение (расчетная магнитная индукция достигает значения 0,45 Тл, что значительно превышает допустимые 0,38 Тл). Поскольку содержимое ячеек в программе заблокировано от редактирования, ввести в расчеты параметры собственного трансформатора пользователь не сможет. Это значит, что программа не позволяет пользователю рассчитывать блоки питания на стандартные напряжения 9 и 12 В, что значительно сужает область применения микросхем LNK501.

Рис. 1
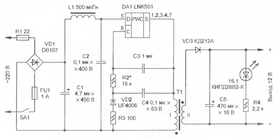
Поэтому для проектирования требуемого ИИП решено было использовать программу VDS — VIPer Design Software. В журнале "Радио" уже рассказано об использовании этой программы для проектирования ОХП на ИМС серии TOPSwitch-ll [2]. Удачным оказался опыт и с LNK501. Принципиальная схема рассчитанного устройства показана на рис. 1. От прототипа (рис. 1 в [1]) она отличается номиналами некоторых элементов и наличием индикатора включения HL1, который вместе с токоограничительным резистором R4 обеспечивает минимальную нагрузку.

Рис. 2
На рис. 2 показана нагрузочная характеристика блока при входном напряжении 220 В. Нагрузка номинального сопротивления потребляет ток 0,17 А при выходном напряжении 12 В. На рис. 3 показана зависимость выходного напряжения от входного при номинальном сопротивлении нагрузки.

Рис. 3
Принцип работы ОХП на микросхеме LNK501 подробно описан в статье [1]. Задача проектирования ИИП сводится к расчету импульсного трансформатора. Последовательность такого расчета в программе VDS: устанавливаем интервал входного напряжения 176...264 В; выбираем ШИ контроллер VIPer53A в корпусе DIP8, значение отраженного напряжения 50 В (как в [1 ]), частоту коммутации — 42 кГц; выходное напряжение и ток — 12 В и 0,2 А соответственно.
Для импульсного трансформатора использован магнитопровод из феррита М2000НМ1 типоразмера Б22, между половинами которого вставлена шайба из немагнитного материала толщиной 0,1 мм (эквивалентный суммарный немагнитный зазор — 0,2 мм). Первичная обмотка содержит 87 витков провода ПЭВ-2 диаметром 0,21 мм. Ее измеренная индуктивность — 2,62 мГн. В программе выбран близкий зарубежный аналог — магнитопровод RM8 из феррита N27. После принудительной установки в программе измеренной индуктивности первичной обмотки и числа витков в ней был получен вполне приемлемый результат — при максимальном токе 228 мА магнитная индукция не превышает 0,109 Тл.
В соответствии с паспортными данными микросхемы LNK501 внутреннее ограничение тока происходит на уровне 0,24...0,27 А. Для надежной и устойчивой работы блока питания желательно при максимальном токе нагрузки не допускать увеличения тока через микросхему выше 0,24 А.

Рис. 4
При любых сочетаниях входного напряжения и тока нагрузки трансформатор работает в режиме прерывистого тока, как это рекомендуют разработчики микросхемы LNK501. Результаты расчета по программе VDS показали что при установленных принудительно параметрах первичной обмотки трансформатора вторичная должна содержать 22 витка провода ПЭВ-2 диаметром 0,6 мм. В трансформаторе устройства нет обмотки связи, поэтому соответствующая информация программы не использована. Обмотки изолированы между собой несколькими слоями лакоткани. Все элементы источника питания (кроме SA1 и FU1) установлены на печатной плате (рис. 4) из односторонне фольгированного стеклотестолита толщиной 1,5 мм. Внешний вид платы с деталями показан на фото (рис. 5). Половины магнитопро-вода трансформатора при сборке плотно прикреплены к плате винтом МЗ через центральное отверстие, винт изолирован от магнитопровода гетинаксо-вой шайбой и надетым на винт отрезком ПВХ трубки, гайка на плате зафиксирована каплей нитрокраски. Акустические шумы в трансформаторе отсутствуют даже без какой-либо его пропитки. Ввиду малых внешних электромагнитных полей рассеяния броневого магнитопровода корот-козамкнутый экран из медной ленты, рекомендованный в [1], не применен.

Рис. 5
На этапе налаживания сопротивление резистора R2 уменьшено от исходных 20 кОм до 18кОм, чтобы установить выходное напряжение 12В при токе нагрузки 0,2 А. Нагрев каких-либо элементов не отмечен. Это позволило установить микросхему на плату через переходную панель DIP8.
Таким образом, используя программу VDS, можно быстро и качественно выполнить проект маломощного ОХП на имеющемся у радиолюбителя подходящем магнитопроводе и микросхеме LNK501. Полученные программой осциллограммы токов и напряжений близки к реальным.
ЛИТЕРАТУРА
- Плетнев Е. Малогабаритный импульсный источник питания на микросхеме LNK501. — Радио, 2006, № 5, с. 32—34.
- Косенко С. Проектирование обратно-ходовых ИИП на TOPSwitch-ll с помощью программы VDS. — Радио, 2006, № 3, с. 30—32.
Автор: С. Косенко, г. Воронеж
