В наличии оказался неисправный нестабилизированный сетевой блок питания (адаптер) Robiton PC1000, рассчитанный на выходной ток до 1 А с переключаемым выходным напряжением постоянного тока 1,5, 3, 4,5, 6, 7,5, 9 и 12 В. Кроме переключателя выходного напряжения, этот блок питания также оснащён переключателем его полярности. Аналогичные блоки питания распространены под разными торговыми марками, их обычно приобретают для питания различной маломощной аппаратуры, детских игрушек взамен вышедших из строя штатных питающих устройств.
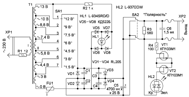
Схема доработанного устройства показана на рис. 1. Изначально блок питания содержал понижающий трансформатор (T1), мостовой диодный выпрямитель (VD1-VD4), конденсатор C5 фильтра выпрямленного напряжения, переключатели SA1, SA2, резисторы R2, R3 и светодиод HL1. В блоке питания были неисправны диоды мостового выпрямителя, от сильного нагрева которых деформировался его пластмассовый корпус. Также был обрыв одноразового термопредохранителя на температуру 120 оС, включённого последовательно со вторичной обмоткой. Поскольку понижающий трансформатор с площадью центрального керна около 5 см2 произвёл хорошее впечатление, было принято решение восстановить блок питания, попутно улучшив его эксплуатационные характеристики и повысить надёжность.

Рис. 1. Схема доработанного блока питания
Последовательно с первичной обмоткой трансформатора предположительно включён одноразовый термопредохранитель, но доступ к нему затруднён. Дополнительно установлен предохранительный резистор R1. На место неисправных диодов 1N4004 установлены более мощные RL205 (VD1-VD4). Параллельно им дополнительно установлены конденсаторы C1 - C4. Вместо конденсатора C5 ёмкостью 2200 мкФ установлен конденсатор ёмкостью 4700 мкФ, что уменьшило амплитуду пульсаций выходного напряжения. Взамен неисправного термопредохранителя, включённого последовательно с вторичной обмоткой понижающего трансформатора, установлен полимерный самовосстанавливающий-ся предохранитель FU1. Термопредохранитель был закреплён на вторичной обмотке трансформатора с помощью липкой ленты, самовосстанавливаю-щийся предохранитель установлен в разрыв печатного проводника на плате. Чем больше температура внутри корпуса блока питания, тем при меньшем выходном токе будет срабатывать предохранитель FU1. При токе нагрузки 0,9 А и положении переключателя SA1 "12 В" предохранитель FU1 срабатывает через два часа непрерывной работы, его ток удержания - около 0,1 А. Ранее светодиод HL1 был подключён к вторичной обмотке T1 только через токоограничивающий резистор R2. Для увеличения яркости свечения добавлен мостовой диодный выпрямитель VD5-VD8.
Поскольку блок питания имеет переключатель полярности выходного напряжения SA2, для уменьшения вероятности ошибок устройство было дополнительно оснащено светодиодным индикатором полярности на элементах HL2, R4, VT1 и VT2. Когда переключатель SA2 находится в верхнем по схеме положении, генератором стабильного тока работает полевой транзистор VT2 и в светодиоде HL2 светит кристалл красного цвета. В нижнем по схеме положении SA2 ток через светодиод будет стабилизировать транзистор VT1, светит зелёный кристалл светодиода. Резистор R4 - защитный. Индикатор полярности работает при выходном напряжении более 2 В.
Нагрузочные параметры блока питания и потребляемая им мощность при напряжении сети 230 В приведены в табл. 1 (без нагрузки), табл. 2 (ток нагрузки - 0,5 А) и табл. 3 (ток нагрузки - 1 А). Блок питания в разобранном виде показан на рис. 2, а в собранном - на рис. 3. Размеры корпуса - 87x59x51 мм, масса без соединительных проводов - 580 г. Штатные сетевые контактные штыри, установленные на нижней крышке, были удалены, вместо них применён провод длиной 2 м с сетевой вилкой XP1. На конце выходного кабеля установлено несколько разных штекеров для подключения к нагрузкам с разными типами гнёзд. Штатный соединительный провод имел сопротивление 1,6 Ом, поэтому он заменён двужильным силовым кабелем AWG18 длиной 120 см. В корпусе блока просверлено около сотни вентиляционных отверстий диаметром 2,5 мм.

Рис. 2. Блок питания в разобранном виде

Рис. 3. Блок питания в собранном виде
Таблица 1
Положение переключателя SA1 | Выходное напряжение, В | Потребляемая мощность, Вт |
1,5 В | 3,4 | 2,5 |
ЗВ | 5,2 | 2,6 |
4,5 В | 6,9 | 2,6 |
6 В | 8,7 | 2,6 |
7,5 В | 10,2 | 2,6 |
9 В | 12,1 | 2,7 |
12 В | 15,8 | 2,9 |
Таблица 2
Положение переключателя SA1 | Выходное напряжение, В | Потребляемая мощность, Вт |
1,5 В | 2,2 | 4,8 |
ЗВ | 4 | 5,8 |
4,5 В | 5,7 | 6,9 |
6 В | 7,4 | 7,9 |
7,5 В | 8,7 | 8,6 |
9 В | 10,5 | 10,0 |
12 В | 13,6 | 13,3 |
Таблица 3
Положение переключателя SA1 | Выходное напряжение, В | Потребляемая мощность, Вт |
1,5 В | 1,4 | 6,8 |
3 В | 3 | 8,7 |
4,5 В | 4,5 | 11,0 |
6 В | 5,9 | 12,7 |
7,5 В | 7,3 | 14,0 |
9 В | 8,7 | 16,3 |
12 В | 11,5 | 20,1 |
Резистор R1 - импортный невозгораемый или разрывной, остальные - С1-4, С1-14, С2-23, МЛТ, РПМ. Конденсатор C5 - оксидный импортный, остальные - керамические или плёночные. Вместо диодов КД522Б подойдут любые из серий КД510, КД521, 1 N4148, 1N914 или аналогичные.
Диоды RL205 можно заменить любыми из серий FR201-FR207, FR301 -FR307, RL201 -RL207, КД257, КД226. Светодиод L-937EGW (красного и зелёного свечения, диаметр корпуса - 3 мм) можно заменить, например, светодиодом L-117EGW или L-57EGW. Полевые транзисторы с каналом p-типа КП103М1 (с начальным током стока около 7 мА) можно заменить транзисторами 2П103Г 2П103Д, КП103Л, КП103Л1. Без изменения схемы включения можно применить полевые транзисторы с каналом n-типа, например, 2П302А, КП302А, КП302АМ, 2П303Г, КП303Г, 2П303Д, КП303Д. Упомянутые транзисторы имеют отличия в цоколёвке и типе корпуса. Полевые транзисторы, резистор R4 и светодиод HL2 приклеены к нижней крышке корпуса клеем "Квинтол". Взамен самовосстанавли-вающегося предохранителя MF-S150 подойдут MF-R160, LP30-160.
Безошибочно изготовленное устройство начинает работать сразу и не требует налаживания. Поскольку контакты переключателей SA1, SA2 - это проводники на печатной плате, чтобы уменьшить их износ, нежелательно переключать выходное напряжение и его полярность при подключённой нагрузке.
Автор: А. Бутов, с. Курба Ярославской обл.
