Уже очень много лет в телевизорах применяют блоки питания, представляющие собой импульсные источники, преобразующие высокое постоянное напряжение (примерно 300 В) в ряд тоже постоянных выходных напряжений других (обычно меньших) значений, например, 125, 60, 25, 15 В и др. Высокое напряжение получают из переменного (50 Гц) сетевого 220 В, используя двухполупериодный выпрямитель, а выходные напряжения — из импульсных, относительно высокой частоты следования (десятки килогерц), формируемых в основном на вторичных обмотках трансформатора питания. Между указанными узлами включен довольно сложный импульсный преобразователь, задающая часть которого собрана на микросхеме или транзисторах, которые нередко выходят из строя. И не всегда удается сразу найти необходимые новые детали для замены неисправных.

Рис. 1
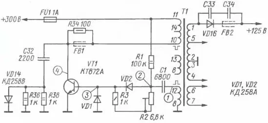
Для того чтобы заставить телевизор работать, можно временно собрать очень простой импульсный преобразователь по схеме, изображенной на рис. 1. В устройстве оставлен выходной мощный транзистор VT1 (самого БП или замененный своим исправным или аналогом), выводы коллектора и эмиттера которого соединены с имеющимися цепями телевизора. Подключение показано для телевизора "Юность 42ТЦ408Д", причем все узлы задающей части преобразователя БП нужно отключить от базы транзистора. Конечно, в другом телевизоре коллекторные цепи транзистора могут выглядеть иначе, однако их оставляют без изменения.
Базовую цепь транзистора VT1 собирают по представленной схеме. В ней использованы элементы R2 (R28 по нумерации в телевизоре), VD1 (VD10), VD2 (VD11) от БП телевизора с изменением включения и новые дополнительные детали R1, R3, С1. Конденсатор С1 — К73-9 на напряжение 100 В.

Рис. 2
В результате такой преобразователь представляет собой блокинг-генератор, осциллограммы напряжений в характерных точках которого можно видеть на рис. 2 при использовании устройства в указанном выше телевизоре. В других аппаратах, в которых применены иные трансформаторы, осциллограммы могут немного отличаться.
Транзистор VT1 установлен на имеющийся в БП теплоотвод. Кроме того, ктеп-лоотводу привинчивают дополнительную металлическую пластину, увеличивающую его площадь рассеяния примерно вдвое.
Для установки преобразователя в номинальный режим необходимо вращением движка подстроечного резистора R2 получить требуемое напряжение питания строчной развертки — в нашем случае 125 В на выходе выпрямителя во вторичной цепи.
Следует еще раз указать, что использование такого преобразователя — временная мера, так как стабильность получаемых напряжений будет невысокая. В результате при изменении яркости изображения немного меняется и его размер.
Автор: Л. Компаненко, г. Москва
