Хочу поделиться опытом изготовления оригинального индикатора наличия напряжения в сети ~230 В. Многие радиолюбители помнят время, когда на системных блоках компьютеров стояли индикаторы тактовой частоты процессора, состоящие из светодиодного трёхразрядного семиэлементного индикатора и множества перемычек, переставляя которые, можно было вывести на индикатор любое число от 000 до 999.
Такой индикатор очень долго лежал у меня на полке. Распаивать его не хотелось, поскольку я надеялся сделать из него что-нибудь оригинальное, а не просто получить трёхразрядный индикатор и два десятка ненужных перемычек...
И вот недавно, когда я делал сетевой удлинитель с индикатором наличия напряжения на синем светодиоде, мне на глаза попался этот индикатор. Синий светодиод был без сожаления убран, а в удлинитель вставлен индикатор, на котором светится число 230 зелёного цвета, означающее номинальное напряжение в сети. Я запитал индикатор от простейшего блока питания с гасящим конденсатором по схеме, изображённой на рис. 1.

Рис. 1. Схема питания индикатора
Примечание.Чтобы случайно не прикоснуться к деталям платы индикатора, находящимся под напряжением сети, щели между отверстием в корпусе удлинителя и индикатором необходимо закрыть накладкой из изоляционного материала. Для ограничения броска тока при включении последовательно с плавкой вставкой следует установить резистор сопротивлением 20...30 Ом и мощностью 0,25...0,5 Вт.
Но сначала индикатор нужно было подключить к источнику постоянного напряжения 5 В, предварительно установив перемычки так, чтобы зажглось число 230, и измерить мультиметром потребляемый ток. Его необходимо знать, чтобы правильно выбрать ёмкость гасящего конденсатора C1. Формулы для её расчёта можно найти, например, в статье C. Бирюкова "Расчёт сетевого источника питания с гасящим конденсатором" ("Радио", 1997, №5, с. 48-50). С достаточной точностью можно считать, что если ёмкость этого конденсатора равна 1 мкФ, а выпрямитель двухполупериодный (как в рассматриваемом случае), то этот ток будет около 60 мА. Из них 50 мА потечёт через индикатор HG1, а остаток возьмёт на себя стабилитрон VD2. При случайном отключении индикатора стабилитрон защитит от пробоя сглаживающий конденсатор C2, напряжение на котором не превысит 6 В. Если использовать индикатор с другим током, то ёмкость конденсатора C1 нужно изменить пропорционально току.
Плавкая вставка FU1 нужна на случай пробоя конденсатора C1. Перегорев, она предотвратит грозящее большими неприятностями повреждение подводящих сетевое напряжение проводов и элементов защищаемого устройства. Было решено испытать плавкие вставки на 0,16 А и 0,25 А. Для того чтобы точно определить, не перегорит ли вставка на 0,16 А от броска зарядного тока конденсатора С1 при первоначальном включении, было произведено около десятка медленных включений сетевой вилки в розетку и её выключений. Многие из них сопровождались искрением. Но вставка на 0,16 А выдержала это испытание. Понятно, что вставка на 0,25 А выдержит его тем более.
Резистор R1 предназначен для быстрой разрядки конденсатора C1 после отключения устройства от сети. Иначе можно получить электроудар, случайно прикоснувшись к контактам отключённой от розетки сетевой вилки.
Поскольку индикатор должен работать круглосуточно, чтобы обеспечить нужную надёжность, следует применить в качестве C1 импортный аналог плёночного конденсатора К73-17 с допустимым постоянным напряжением не менее 630 В (или переменным не менее ~275 В). К сожалению, отечественная промышленность не выпускает конденсаторы К73-17 на 630 В ёмкостью более 0,47 мкФ, поэтому, если подходящего импортного конденсатора нет, придётся соединить два таких конденсатора параллельно.
Можно пойти и по другому пути - использовать сетевое зарядное устройство для сотового телефона. Главное, чтобы его плата поместилась в корпус удлинителя. Это значительно повысит безопасность эксплуатации удлинителя. Но следует убедиться, что выходное напряжение зарядного устройства равно 5 В (все современные зарядные устройства с разъёмом micro USB этому требованию удовлетворяют).
Если же зарядное устройство предназначалось для телефона старой модели и его выходное напряжение более 5 В, последовательно с индикатором необходимо включить ограничительный резистор, подобрав его так, чтобы ток индикатора не превышал ранее измеренного значения.

Рис. 2. Схема включения индикатора с общими анодами

Рис. 3. Схема включения индикатора с общими катодами
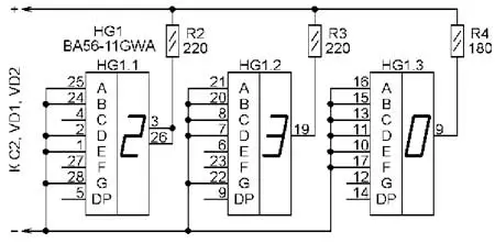
Вместо платы с индикатором тактовой частоты от старого компьютера, если её найти не удалось, можно использовать любой светодиодный трёхразрядный семиэлементный индикатор, разряды которого имеют раздельные выводы элементов (общее число выводов таких индикаторов - 28). Индикатор с общими анодами разрядов включают по схеме, изображённой на рис. 2, а с общими катодами - на рис. 3. Конечно, можно применить и три одноразрядных индикатора или четырёхразрядный, не использовав в нём один разряд. Подбирая резисторы R2-R4, устанавливают желаемую яркость свечения цифр.
Автор: А. Карпачев, г. Железногорск Курской обл.
