При ремонте радиоэлектронных устройств обычно приходится выпаивать из них вызывающие подозрение транзисторы для проверки. При этом неизбежен риск повредить как печатную плату устройства, так и выводы самого транзистора. Однако во многих случаях можно избежать демонтажа, если воспользоваться предлагаемым автором статьи методом проверки.
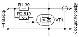
Метод не позволяет измерить, например, коэффициент передачи 5транзистора по току, но даёт полное представление о работоспособности проверяемого транзистора. Схема проверки биполярного транзистора без выпайки его из устройства изображена на рис. 1, где VT1 - проверяемый транзистор. Через резисторы R1 и R2 на выводы его коллектора и базы нужно подать относительно вывода эмиттера испытательное синусоидальное переменное напряжение около 1 Вэфф (амплитудой 1,5 В). Для проверяемого транзистора оно безопасно. К выводам коллектора и эмиттера подключают осциллограф. Хотя на схеме изображён транзистор структуры n-p-n, он может быть и структуры p-n-p. При этом изменять схему не потребуется.

Рис. 1. Схема проверки биполярного транзистора без выпайки его из устройства
Частота испытательного напряжения не принципиальна, но слишком увеличивать её не стоит, так как это исказит форму наблюдаемых осциллограмм, особенно при наличии подключённых к выводам проверяемого транзистора конденсаторов. Удобно брать испытательный сигнал от сети 50 Гц через понижающий трансформатор и, при необходимости, низкоомный делитель напряжения. Провода к выводам проверяемого транзистора, находящегося в устройстве, на время измерения припаивают или плотно прижимают. Я обычно использую провод МГТФ-0,12.
Номиналы резисторов R1 и R2 зависят от мощности проверяемого транзистора. Те, что указаны на схеме, подходят для транзисторов малой и средней мощности и обеспечивают максимальный ток коллектора около 5 мА. Для проверки транзисторов при меньшем токе их нужно увеличить, а при большем - уменьшить. Следует также иметь в виду, что для успешной проверки сопротивление резисторов, подключённых к проверяемому транзистору в устройстве, где он установлен, должно быть значительно больше, чем резисторов R1 и R2.

Рис. 2. Осциллограмма напряжения
При проверке исправного транзистора структуры n-p-n осциллограмма напряжения между его коллектором и эмиттером имеет вид, подобный показанному на рис. 2 (синяя линия). Здесь и далее красная линия отмечает нулевой уровень напряжения, коэффициент отклонения луча по вертикали - 0,5 В/дел., скорость горизонтальной развёртки - 5 мс/дел. Испытывался транзистор КТ940А, установленный в модуле М2-4-1 старого телевизора.
В отрицательных полупериодах испытательного напряжения и на начальных и конечных участках его положительных полупериодов (в интервалах от 0 до приблизительно +0,6 В) транзистор остаётся закрытым, и форма напряжения между его коллектором и эмиттером повторяет форму испытательного напряжения. Когда мгновенное значение испытательного напряжения превышает +0,6 В, транзистор открывается, в результате чего напряжение между его коллектором и эмиттером быстро снижается за счёт падения на резисторе R1. Далее транзистор переходит в состояние насыщения с близким к нулю напряжением коллектор-эмиттер (плоский участок осциллограммы), из которого выходит при понижении мгновенного значения испытательного напряжения. Те или иные отклонения формы осциллограммы от описанной связаны, как правило, с неисправностью транзистора.
При проверке транзистора структуры p-n-p осциллограмма получается инверсной, относительно рассмотренной, - такой, как показано на рис. 3 (проверялся транзистор 2Т208К).

Рис. 3. Осциллограмма напряжения

Рис. 4. Схема проверки полевых транзисторов с изолированным затвором средней и большой мощности при токе стока около 0,1 А

Рис. 5. Осциллограмма напряжения
Проверять полевые транзисторы с изолированным затвором средней и большой мощности при токе стока около 0,1 А можно по схеме, изображённой на рис. 4. Они могут быть как n-канальными, так и p-канальными. Осциллограмма на рис. 5 получена при проверке n-канального транзистора 2П7160Е. В положительных полупериодах испытательного напряжения он открывается при напряжении затвор-исток более +3 В (это его пороговое напряжение). Падение напряжения на открытом канале сток-исток очень мало. В отрицательных полупериодах канал закрыт, но открыт защитный диод транзистора, ограничивающий напряжение между выводами его стока и истока до -0,65 В. Увеличив коэффициент отклонения по вертикали до 20 мВ/дел., можно оценить падение напряжения на открытом канале сток-исток (рис. 6). Здесь уже виден собственный шум осциллографа.

Рис. 6. Осциллограмма напряжения

Рис. 7. Осциллограмма напряжения сток-исток

Рис. 8. Осциллограмма, полученная при проверке n-канального полевого транзистора IRFP064N

Рис.9. Осциллограмма, полученная при проверке p-канального полевого транзистора КП785А

Рис. 10. Осциллограмма, полученная при проверке p-канального полевого транзистора КП785А в инверсном включении
На рис. 7 - осциллограмма напряжения сток-исток того же транзистора в инверсном включении (выводы стока и истока поменяны местами), применяемом, например, в синхронных выпрямителях. Здесь напряжение положительного полупериода синусоиды, ограниченное до 0,3 В защитным диодом транзистора, уменьшается почти до нуля при открывании канала исток-сток. В отрицательных полупериодах испытательного напряжения и сам транзистор, и его защитный диод при таком включении закрыты, поэтому эти полупериоды испытательного сигнала регистрируются полностью.
Рис. 8 - осциллограмма, полученная при проверке n-канального полевого транзистора IRFP064N. Он открывается и закрывается при напряжении затвор-исток 3,4 В, провалы при полностью открытом канале - до 0,05 В, падение напряжения на открытом защитном диоде - -0,6 В. На рис. 9 изображена осциллограмма, полученная при проверке p-канального полевого транзистора КП785А, на рис. 10 - тогоже транзистора в инверсном включении.
Описанный метод проверки транзисторов без демонтажа из устройства не применим, если в этом устройстве между выводами проверяемого транзистора или междуэтими выводами и общим проводом либо выходом источника питания имеются элементы (резисторы, конденсаторы, катушки индуктивности) с недостаточно большим по сравнению с сопротивлением резисторов R1 и R2 активным или реактивным (на частоте испытательного сигнала) сопротивлением.
Автор: В. Кильдюшев, г. Жуков Калужской обл.
