В дополнение к статье "Проверка исправности транзисторов без демонтажа их из устройства" автор предлагает аналогичный способ проверки тиристоров, симисторов и диодных оптронов. Несложно распространить предложенный метод и на другие активные полупроводниковые трёхполюсники, например, транзисторные, тиристорные и резисторные оптроны.
![]()
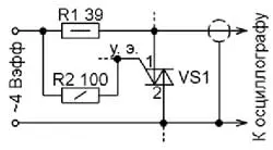
Рис. 1. Схема проверки симисторов, пригодная и для тиристоров
![]()
Рис. 2. Осциллограмма напряжения
На рис. 1 приведена схема проверки симисторов, пригодная и для тиристоров. Осциллограмма на рис. 2 (синяя линия) показывает характер изменения напряжения между электродами 1 и 2 исправного симистора 2У208Г при импульсном токе в коммутируемой цепи около 0,13 А. Она почти симметрична относительно нулевой (красной) линии. При положительном напряжении на электроде 1 симистор скачком открывается при напряжении между главными электродами 2,5 В. При отрицательном напряжении между ними симистор открывается при напряжении -4 В. Падения напряжения разной полярности на симисторе в проводящем состоянии (на горизонтальных участках осциллограммы) немного различны по абсолютному значению - соответственно около +0,8 В и около -0,9 В.
Примечание. По описанной методике симистор проверяется только при двух из четырёх возможных комбинаций направлений тока в коммутируемой и управляющей цепях. Такую проверку нельзя считать полноценной.
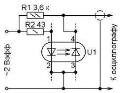
На рис. 3 изображена схема проверки диодного оптрона. Номера его выводов показаны условно, у реальных диодных оптронов различных типов они могут быть другими. В оптроне и в устройстве, где он установлен, его входная цепь (излучающий ИК-диод) обычно электрически изолирована от выходной цепи (фотодиода). Но для предлагаемой проверки выводы катода излучающего диода и анода фотодиода нужно временно соединить, превратив оптрон в трёхполюсник.
![]()
Рис. 3. Схема проверки диодного оптрона
На рис. 4 показана осциллограмма, полученная при проверке оптрона 3ОД101Б с неисправным излучающим диодом. Она типична для полупроводникового диода (в данном случае фотодиода). В прямом для него направлении напряжение - около -0,5 В, в обратном повторяется полупериод контрольного напряжения синусоидальной формы амплитудой 2,7 В.
![]()
Рис. 4. Осциллограмма, полученная при проверке оптрона 3ОД101Б с неисправным излучающим диодом
Осциллограмма на рис. 5 снята с исправным диодным оптроном того же типа. Положительные полупериоды испытательного напряжения имеют на ней глубокие провалы, вызванные ростом фототока фотодиода под действием ИК-излучения. Глубина этих провалов может быть даже больше амплитуды испытательного напряжения, в результате чего напряжение на фотодиоде меняет знак.
![]()
Рис. 5. Осциллограмма с исправным диодным оптроном
Все осциллограммы сняты при скорости горизонтальной развёртки 5 мс/дел. и при коэффициенте отклонения по вертикали 1 В/дел. (см. рис. 2) или 0,5 В/дел. (см. рис. 4 и рис. 5).
В устройствах, где между выводами проверяемого прибора имеется конденсатор большой ёмкости, его можно не отключать, а заменить источник контрольного переменного напряжения частотой 50 Гц источником регулируемого вручную в нужных пределах напряжения постоянного тока. Для схемы, изображённой на рис. 1, это напряжение должно регулироваться от -6 В до +6 В, а для той, что на рис. 3, - от -3 В до +3 В.
Если имеется источник напряжения только одной полярности, то в нужные моменты (вблизи переходов через ноль) можно менять местами его выводы. Но входная цепь трёхполюсника во время этих операций должна оставаться зашунтированной резистором небольшого сопротивления. Осциллограф можно заменить обычным мультиметром, наблюдая его показания на входе и на выходе проверяемого трёх-полюсника или записывая их, чтобы потом построить графики.
Автор: В. Кильдюшев, г. Жуков Калужской обл.
