Было бы преступлением не упомянуть здесь плавкие предохранители. Как и другие типы предохранительных устройств они призваны защищать участок цепи от губительных перепадов питающего тока.
Плавкие предохранители
Отличительная особенность таких предохранителей - их очевидная простота. Устройство представляет собой не что иное, как участок проволоки небольшого диаметра. Последняя легко плавится при превышении силы тока сверх заданного порога.
Конечно, у такого метода защиты есть очевидный недостаток – время реакции (плавление проволоки не происходит мгновенно). То есть от кратковременных, но от этого не менее губительных, импульсов тока он не спасет. Зато он очень эффективен при коротких замыканиях в сети или при превышении допустимой нагрузки.
Принцип работы основывается на тепловой работе, которую совершает ток при прохождении через проводники (и напряжение здесь не имеет особого значения).
Расчет:
Сила тока = Максимально допустимая мощность цепи / Напряжение
То есть максимальная сила тока, которую должен выдерживать плавкий предохранитель в цепи питания 220 В при максимальной нагрузке в 3 кВт – около 15 А.
Ввиду того, что плавкость зависит от множества факторов (диаметр проволоки, теплоотводящая способность окружающей среды, материал, из которого изготовлена проволока, и т.п.), то чаще всего сгоревший элемент меняют согласно готовым расчетам из таблицы ниже (для наиболее популярных металлов).
Таблица 1

Предохранители на реле
Как и было сказано выше, плавкие предохранители имеют серьезный недостаток – время реакции. Кроме того, сгоревший элемент необходимо полностью менять (требуется замена проволоки или всего предохранителя).
В качестве альтернативы можно рассмотреть реле.
Один из примеров реализации такой схемы ниже.

Рис. 1. Схема реле
При коротком замыкании в питаемой цепи резко возрастает ток, вследствие чего составной транзистор (VT1 VT2) запирается и всё напряжение прикладывается к первому реле, которое, в результате срабатывания, размыкает второе реле и ток остается только на закрытом составном транзисторе.
Обозначенный блок рассчитан только на цепи, ток питания которых не превышает 1,6А, что может быть неудобно для разных задач.
Её можно немного переделать так.

Рис. 2. Переделанная схема реле
Номинал R4 не прописан специально, так как он требует расчета в зависимости от параметров питаемой цепи.
В качестве основы можно использовать готовые показатели в таблице ниже.
Таблица 2
R4, Ом | 1,6 | 0,82 | 0,6 | 0,39 | 0,22 |
Сила тока срабатывания предохранителя, А | 0,9 | 1,3 | 1,7 | 2,0 | 2,4 |
Обе приведенные схемы рассчитаны на работу только в цепях питания 12 В.
Электронные предохранители без реле
Если ваша схема питается током до 5 А и напряжением до 25 В, то вам определенно понравится схема ниже. Порог срабатывания может быть настроен подстроечным резистором, а время реакции можно задать с помощью конденсатора.

Рис. 3. Схема предохранителя без реле
Ввиду того, что под постоянной нагрузкой транзистор может греться, его лучше всего разместить на теплоотводе.
В качестве альтернативной реализации, но с тем же принципом.

Рис. 4. Схема предохранителя без реле
Еще более простой электронный предохранитель с минимумом деталей на схеме ниже.

Рис. 5. Схема электронного предохранителя с минимумом деталей
При возникновении короткого замыкания транзистор блокируется на непродолжительное время. Если блокировка будет снята, а короткое замыкание останется, то "предохранитель" снова сработает и так до тех пор, пока в питаемой цепи не будет устранена проблема. То есть такой предохранитель не требует включения или выключения. Единственный его недостаток – постоянное включение прямой нагрузки в цепи в виде резистора R3.
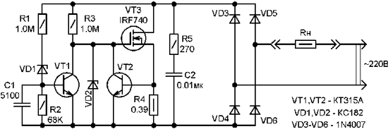
Электронный предохранитель для 220 В
Схемы электронных предохранителей, приведенные выше, могут работать только в цепях с постоянным питанием. Но что, если вам нужен быстродействующий предохранитель для защиты питания в цепях с переменным током 220 В?
Можно использовать схему блока защиты от перегрузок ниже.

Рис. 6. Схема блока защиты от перегрузок
Максимальный ток срабатывания этой схемы, выполненной на стабилизаторе 7906 – 2А.
T1 – транзистор TIC225M, а
T2 - BTA12-600CW (замена не допустима).
В качестве более простых альтернатив для цепей с переменным током могут выступать следующие.


Рис. 7. Схемы для цепей с переменным током
Автор: RadioRadar
