При проведении ряда измерений функциональный генератор, наряду с мультиметром и осциллографом, является обязательным прибором, входящим, пожалуй, в основной необходимый комплекс домашней лаборатории радиолюбителя.
Обычно в несложных функциональных генераторах с небольшим частотным диапазоном отсутствуют регулировки скважности прямоугольных импульсов, прямого и обратного хода напряжения пилообразной формы сигнала, нет индикации длительности и частоты выходного сигнала, нет выходного делителя, нет возможности получения частотно- или широтно-импульсного модулированного сигнала.
Предлагаемый вниманию читателей прибор свободен от перечисленных недостатков. Прибор собран на цифровых микросхемах и в налаживании практически не нуждается. Собрать его может радиолюбитель средней квалификации.
Предлагаемый генератор собран на микросхеме MAX038 фирмы MAXIM [1] и микроконтроллере (МК) PIC18F452-I/P [2]. Конечно, его нельзя сравнивать с генераторами на DDS по стабильности частоты, но зато он не имеет шумов квантования. В этом приборе были учтены недостатки ранее разработанных генераторов на MAX038.
Основная функция - генератор частоты синусоидальной, прямоугольной или треугольной форм сигнала.
У этого прибора есть дополнительные функции: частотомер, счётчик видеоимпульсов, тестовый режим, генератор одиночного импульса (таймер), генератор пакета импульсов, генератор псевдослучайных чисел.
Информация выводится на 20-символьный четырёхстрочный ЖКИ FDCC2004B-FLYYBW-51XR [3].

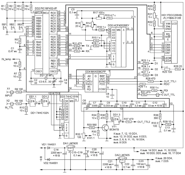
Рис. 1. Схема генератора
Схема генератора изображена на рис. 1. Основа устройства - МК DD2, который управляет всеми узлами, в том числе генератором DD4. Мк тактируется импульсами длительностью 100 нс, вырабатываемыми кварцевым генератором, собранным на элементах ZQ1, C2-C4.
Выпрямитель плюсового напряжения выполнен по однополупериодной схеме на диоде VD1 со сглаживающим конденсатором C14. Напряжение питания +5 В стабилизирует микросхема DA1 (LM7805) [4], конденсатор C20 сглаживает пульсации. Конденсаторы С15-С19 - блокировочные по цепи питания +5 В. Выпрямитель минусового напряжения выполнен по однополупериодной схеме на диоде VD2 со сглаживающим конденсатором C21. Стабилизатор напряжения питания 5 В собран на микросхеме DA2 (LM7905) [5], конденсатор C23 сглаживает пульсации. Конденсатор С22 - блокировочный. Подстроечным резистором R25 регулируют яркость подсветки ЖКИ. Подстроечным резистором R21 регулируют контрастность ЖКИ.
Кнопки SB1-SB3 подключены к МК и используются для управления прибором. Резисторы R1-R4 задают высокий уровень на входах МК. На микросхеме DD3 (74HC151N) [6] собран коммутатор входов генератора. Коммутатором управляет МК двоичным кодом с портов RA2 и RD2. Конденсаторы C6- C12 - времязадающие генератора. Коммутацией конденсаторов управляет МК с портов RB4, RD3-RD7. На микросхеме DD1 (74HC132N) [7] собран формирователь фронтов измеряемого сигнала. На микросхеме DD5 (HCF4052BEY) [8] и резисторах R13- R19 собран коммутатор вида модуляции генератора. Резистором R17 регулируют частоту генератора "грубо". Резистором R13 регулируют частоту генератора "плавно". Резистором R14 регулируют скважность импульсов. Сдвоенным резистором R32 плавно регулируют напряжение на выходе OUT генератора.
Резисторы R6 и R7 в этой версии не используются. Они зарезервированы для дальнейшей модернизации прибора. Выводы PDI (вывод 13) и PDO (вывод 12) микросхемы MAX038 в этой версии не используются. Их необходимо соединить с общим проводом.
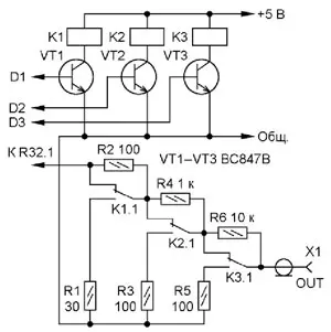
В приборе применён делитель выходного напряжения генератора. Схема делителя изображена на рис. 2.

Рис. 2. Схема делителя
Резисторы R1-R6 образуют делитель выходного напряжения. Транзисторы VT1-VT3 подают напряжение на реле K1-K3. Транзисторами управляет МК. Применены реле AXICOM SWISS FP2 D3009(K1-K3) [9]. Их можно заменить на реле РЭС60 исполнения РС4.569.435-03 или РС4.569.435-08. Но у РЭС60 ток в пять раз больше - около 100 мА.
Прибор имеет три многофункциональные кнопки управления:
-включение и выключение функций измерения - START (SB3);
-выбор функции измерений - RANGE (SB1);
-установка параметров - SETTING (SB2).
Выход OUT_TTL имеет уровень TTL. Выходное сопротивление - около 1 кОм.
Прибор имеет два основных выхода: OUT_TTL - цифровой и OUT - аналоговый.
Прибор имеет два основных входа: IN_TTL- цифровой и INPUT - аналоговый.
Дополнительные выходы, которые не подключены к выходным разъёмам:
-выход TX (выход USART) предусмотрен для дальнейшей модернизации прибора;
-вход RX (выход USART) предусмотрен для дальнейшей модернизации прибора;
-выход OUT_TTL1 - цифровой выход микросхемы MAX038. На его выходе сигнал сдвинут на 90 градусов по отношению к выходу OUT_TTL;
-выход OUT_TTL2 - цифровой выход.
Основные функции
Основные технические характеристики
Форма сигнала - синусоидальная, прямоугольная и треугольная.
Модуляция внешняя - частотная и широтно-импульсная (управляющий сигнал амплитудой 0...1,5 В переменного напряжения).
Диапазон частот разбит на семь поддиапазонов: 1...10 Гц, 10...100 Гц, 100...1000 Гц, 1...10кГц, 10...100кГц, 100...1000 кГц, 1...10 МГц.
Перекрытие по диапазону - 10 %.
Амплитуда выходного напряжения (синусоидального, прямоугольного или треугольного) - 1 В.
Период обновления индикации - 1 с.
Независимая регулировка частоты и скважности выходного сигнала.
Два вида внешней модуляции (четыре положения коммутатора):
M-ON - в этом режиме производится внутренняя регулировка частоты (грубо и плавно) и скважности импульсов генератора;
M-FM - в этом режиме производится внешняя модуляция частоты генератора. Органами управления устанавливают частоту грубо и скважность импульсов генератора;
M-CPP - в этом режиме производится внешняя модуляция скважностью импульсов (широтно-импульсная модуляция) генератора. Органами управления устанавливают частоту генератора грубо и плавно;
M-OFF - в этом режиме на выходе генератора импульсы со скважностью два. Органами управления устанавливают частоту грубо и плавно.
Плавная регулировка выходного напряжения.
Выходной аттенюатор имеет восемь положений ослабления выходного сигнала: 0 дБ, -10 дБ, -20 дБ, -30 дБ, -40 дБ, -50 дБ, -60 дБ и -70 дБ.
Цифровая индикация частоты и длительности импульсов выходного сигнала.
Энергонезависимая память на последние установки (при отключении прибора все установки сохраняются в энергонезависимой памяти).
Напряжение питания переменного тока - 9 В.
Потребляемый ток - не более 200 мА.
Дополнительные функции
Тестовый режим: на выходе OUT_TTL формируются прямоугольные импульсы счастотой 1 МГц, 100 кГц, 10 кГц, 1 кГц, 100 Гц, 10 Гц или 1 Гц и уровнем TTL. Погрешность не превышает 0,001 %.
Таймер: на выходе OUT_TTL формируется прямоугольный импульс длительностью от 1 мкс до 100 с с шагом установки 1 мкс (в интервале до 10 мс), 10 мкс (в интервале до 100 мс), 100 мкс (в интервале до 1 с), 1 мс (в интервале до 10 с) и 10 мс (в интервале до 100 с).
Импульс может быть сформирован лог 1 (H) или лог. 0 (L). Запуск таймера может быть ручной или внешним импульсом по входу IN_TTL. При внешнем запуске есть возможность сделать задержку запуска в пределах 5 мкс...10 с по фронту синхроимпульса на входе IN_tTl. Задержка запуска имеет два ин-тервала: 5мкс...10мс (шаг установки 1 мкс) и 0...10 с (шаг установки 1 мс).
Генератор пакета импульсов: на выходе OUT_TTL формируется пакет прямоугольных импульсов длительностью от 3 мкс до 65535 мкс, паузой между импульсами от 3 мкс до 65535 мкс и числом импульсов от 1 до 65535. Дискретность установки: для длительности импульса - 1 мкс, для числа импульсов - 1 импульс. В этом режиме прибор может работать как генератор непрерывных импульсов. Для этого необходимо установить число импульсов, равное нулю (Np=0).
Генератор импульсов с псевдослучайной последовательностью: на выходе OUT_TTL формируются прямоугольные импульсы с псевдослучайной последовательностью.
Диапазон измерения частоты (цифровой вход IN_TTL) - 1 Гц...50 мГц уровня TTL. Погрешность измерения частоты в диапазоне 1 Гц...10кГц не превышает 0,001 %, в диапазоне 10кГц...1 МГц не превышает ±1 Гц, в диапазоне частот свыше 1 МГц не превышает 0,001 %.
Интервал измерения длительности импульсов лог. 1 и лог. 0 - 1 мкс...1 с (по входу IN_TTL при входной частоте до 10 кГц). Погрешность измерения - ±1 мкс.
Интервал измерения длительности импульсов лог. 1 и лог. 0 - 10 нс...100 мкс (по входу IN_TTL при входной частоте от 10 кГц до 50 МГц). Погрешность измерения в интервале 10...1000 нс - ±5 нс, в интервале 1...100 мкс не превышает 5 %.
Производит счёт импульсов (цифровой вход IN_TTL) в интервале от 1 до 108 при длительности входного импульса более 10 нс и паузы между импульсами более 10 нс.
Микросхема MAX038 - высокочастотная прецизионная, позволяющая генерировать треугольные, пилообразные, синусоидальные, прямоугольные и импульсные сигналы с минимумом внешних компонентов. Выходная частота может регулироваться в диапазоне частот от 0,1 Гц до 20 МГц при подключённых внешних резисторе и конденсаторе. Скважность можно варьировать в широком интервале, подавая управляющий сигнал ±2,4 В, облегчающий широтно-импульсную модуляцию и генерацию пилообразных сигналов. Частотная модуляция и частотная генерация достигаются таким же образом. Регулировки скважности и частоты независимы друг от друга. Синусоидальную, прямоугольную или треугольную формы сигнала можно выбрать, установив соответствующий код на двух TTL-совместимых контактах выбора. Выходной сигнал для всех случаев симметричен относительно общего провода. Выход с низким импедансом допускает ток до ±20 мА. TTL-совместимый выход SYNC от внутреннего генератора поддерживает коэффициент заполнения 50 % (скважность равна двум), независимо от коэффициента заполнения других сигналов - для синхронизации других устройств в системе. Внутренний генератор может синхронизироваться внешними генераторами уровней TTL, подключёнными к входу PDI.
Частоту и скважность можно независимо регулировать путём программирования тока, напряжения или сопротивления. Необходимую форму выходного сигнала выбирают установкой соответствующего кода на входах A0 и A1. Mикросхема работоспособна при напряжении питания ±5 В ±5 %. Основной внутренний генератор представляет собой релаксационный генератор, который работает, попеременно заряжая и разряжая постоянным током внешний конденсатор, одновременно формируя треугольный и прямоугольный сигналы. Зарядные и разрядные токи управляются током, втекающим по входу IIN, и могут модулироваться напряжениями по входам FADJ и DADJ. Ток в IIN может быть варьироваться от 2 до 750 мкА, при этом формируется более двух декад частоты для любого значения ёмкости внешнего конденсатора. Напряжение ±2,4 В на входе FADJ изменяет номинальную частоту на ±70 %. Это можно использовать для точного управления частотой. Коэффициент заполнения можно регулировать от 10 до 90% подачей напряжения ±2,3 В на вход DADJ. Это напряжение изменяет соотношение зарядного и разрядного токов при сохранении почти постоянной частоты.
Стабильное образцовое напряжение 2,5 В на выходе REF, поступающее на входы IIN, FADJ или DADJ через переменные резисторы, позволяет регулировать параметры выходного сигнала генератора. Входы FADJ и/или DADJ можно соединить с общим проводом, создав номинальную частоту с коэффициентом заполнения 50 %. Выходная частота обратно пропорциональна ёмкости внешнего конденсатора. Ёмкость может быть выбрана для получения частоты выше 20 МГц. Треугольный сигнал внутреннего генератора преобразует внутренние узлы в синусоиду с низким уровнем искажений и с постоянной амплитудой. Выходной усилитель выдаёт постоянную амплитуду (±1 В) независимо от формы сигнала и частоты. Треугольный сигнал также поступает на компаратор, который формирует прямоугольный сигнал SYNC, который может использоваться для синхронизации других генераторов. Узел синхронизации имеет отдельные выводы питания и может быть отключён. Во внутреннем генераторе формируются два прямоугольных квадратурных сигнала, они поступают на один вход фазового детектора, построенного по схеме "исключающее ИЛИ". Другой вход фазового детектора (вход PDI) можно подключить к внешнему генератору. Выход фазового детектора (PDO) - источник тока, может быть подключён непосредственно к входу FADJ для синхронизации MAX038 с внешним генератором. Переключение формы сигнала может быть выполнено в любое время без пропуска по фазе. Происходит переключение в пределах 0,3 мкс, но может быть небольшой переходный процесс в выходном сигнале длительностью 0,5 мкс. Выходная частота определяется током, поступающим по входу IIN, ёмкостью конденсатора, подключённого между выводом COSC и общим проводом, и напряжением на выводе FADJ.
Оптимальная работа микросхемы достигается при токе по входу IIN в интервале между 10 и 400 мкА, хотя хорошая линейность достигается от 2 до 750 мкА. Токи за пределами этого интервала не рекомендуются. Для работы на фиксированной частоте устанавливают ток примерно 100 мкА и выбирают подходящее значение ёмкости конденсатора. При таком токе температурный коэффициент имеет наименьшее значение и при изменении коэффициента заполнения имеет наименьший сдвиг частоты. Ёмкость конденсатора может варьироваться от 20 пФ до более 100 мкФ, но паразитная ёмкость цепи должна быть сведена к минимуму с помощью коротких проводников. Частота выше 20 МГц возможна, но тогда искажение сигнала увеличивается. Низшая частота ограничена утечкой конденсатора, подключённого к выводу COSC, и требуемой точностью выходной частоты. Работа на самой низкой частоте с хорошей стабильностью обычно достигается с неполярным конденсатором ёмкостью 10 мкФ или более.
Микросхемой по входу IIN можно управлять либо от источника тока (IIN), либо напряжением (VIN) с включённым последовательно с источником резистором (Rin). Резистор, включённый между выводами REF и IIN, обеспечивает ток входа IIN = VRef/Rin. Когда частота сигнала управляется напряжением от источника с последовательно включённым постоянным резистором, выходная частота прямо пропорциональна напряжению. Например, используя резистор сопротивлением 10 кОм и изменяя напряжение от 20 мВ до 7,5 В, можно получить большой диапазон изменения частоты, до 375. Сопротивление резистора выбирают так, чтобы ток входа IIN оставался в интервале от 2 до 750 мкА. Полоса пропускания усилителя управления по входу IIN, которая ограничивает модулирующую частоту сигнала, как правило, 2 МГц. Вход IIN можно использовать в качестве точки суммирования для добавления или вычитания токов от нескольких источников. Это позволяет получить частоту в виде функции от суммы нескольких переменных. Когда напряжение приближается к 0 В, ошибка увеличивается из-за напряжения смещения входа IIN. Выходная частота будет смещена на 1 % от её конечного значения в течение 10 с после включения питания.
Выходная частота может быть модулирована по входу FADJ, который предназначен, в основном, для точной регулировки частоты обычно внутри контуров фазовой автоподстройки частоты. Когда центральная частота установлена током по входу IIN, можно подстроить частоту, подав на вход FADJ напряжение, отличное от 0 В. Это напряжение может быть в интервале от -2,4 В до +2,4 В, что приводит к изменению частоты от 1,7 до 0,3 от исходного значения при отсутствии напряжения на входе FADJ. Напряжение за пределами интервала ±2,4 В может вызвать нестабильность или привести к уходу частоты в обратную сторону.
Продолжение следует
Автор: В. Турчанинов, г. Севастополь
