Автор статьи, решив "вспомнить молодость", изготовил оригинальные настольные электронные часы из газоразрядных индикаторов и других деталей, выпускавшихся в последней четверти прошлого века.
Вероятно, любой радиолюбитель (особенно старшего поколения) согласится с тем, что электронные часы для него не просто самоделка, а полезное для всей семьи изделие. В начале своей радиолюбительской деятельности каждый радиолюбитель (и я, естественно, тоже) собрал по несколько часов. Но это было давно, когда электронные часы, причём даже в самом простом и примитивном корпусе, а то и вовсе без него, были чем-то удивительным...
Когда в середине 90-х годов промышленность выпустила набор "Старт", в котором было всё необходимое для часов, включая печатную плату, бум по их изготовлению побил все рекорды. У нас в общежитии института радиоэлектроники часы без корпусов, собранные из него, висели на всех стенах.
Но те времена безвозвратно прошли. Сегодня торговля предлагает такой широкий выбор разнообразнейших часов что вроде ничего оригинального уже и не придумаешь. Про самодельный корпус, сравнимый с промышленным, я вообще промолчу. Изготовить его под силу далеко не каждому. Именно поэтому я больше не планировал браться ни за какие часы.
Однако около года назад я увидел в Интернете фотоснимок часов с газоразрядными индикаторами ИН-16 (рис. 1). Несмотря на то что такие индикаторы уже давно морально устарели, часы выглядели интересно, необычно и очень ностальгически. Взяться за изготовление подобных часов меня побудили три обстоятельства. Во-первых, интересный внешний вид. Во-вторых, корпус изготовить очень просто. А в-третьих, газоразрядные индикаторы у меня с давних пор были и предназначались именно для часов. Но тогда делать на них часы я не стал, потому что появился набор "Старт" с его большим и изумительным индикатором ИВЛ1-7/5, по сравнению с которым газоразрядные индикаторы выглядели неказистыми.

Рис. 1. Часы с газоразрядными индикаторами ИН-16
Но вот колесо истории совершило очередной поворот, часы на газоразрядных индикаторах стали считаться "ретро" и вошли в моду. Теперь магический оранжевый цвет и простая форма цифр газоразрядных индикаторов смотрятся оригинально, а в темноте даже завораживающе.
Естественно, возник вопрос - собирать часы на микроконтроллере или обычных часовых микросхемах? Конечно, часы на микроконтроллере обладают более широкими возможностями. Они могут показывать и год, и месяц, и день недели, могут иметь несколько будильников, управлять электроприборами и ещё много чего. Но поскольку я задумал "ретрочасы", то решил, что будет правильно, чтобы они были "ретро" и внутри.
Несмотря на кажущуюся сложность, разработанные часы просты в изготовлении и налаживании, потому что собраны на специализированных "часовых" микросхемах. Эти микросхемы у многих лежат на полке - выбросить жалко, а применить некуда. Если же их нет в старых запасах, то они всё ещё имеются в продаже и стоят недорого. Высоковольтные транзисторы и диоды можно выпаять из неисправных энергосберегающих ламп. Поэтому стоимость комплекта деталей для таких часов минимальна. Повторить их могут практически все желающие.
Схемы часов на "часовых" микросхемах хорошо известны радиолюбителям. Но в известных конструкциях не предусмотрена индикация секунд, а часы и минуты отображаются на светодиодных или вакуумных люминесцентных индикаторах. Поэтому пришлось согласовать "часовые" микросхемы с газоразрядными индикаторами и добавить блок индикации секунд.
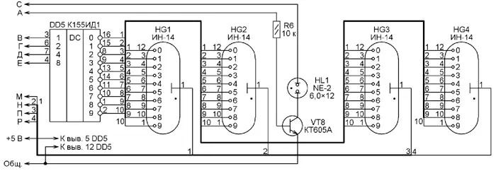
В результате получилось устройство, состоящее из четырёх плат: счёта времени (схема на рис. 2), индикации часов и минут (схема на рис. 3), высоковольтных ключей и питания (схема на рис. 4), счёта и индикации секунд (схема на рис. 5). Одноимённые входные и выходные цепи этих плат следует соединить между собой.

Рис. 2. Схема платы счёта времени

Рис. 3. Схема индикации часов и минут

Рис. 4. Схема высоковольтных ключей и питания

Рис. 5. Схема счёта и индикации секунд
Микросхемы К176ИЕ12 (DD2) и К176ИЕ13 (DD3) разработаны именно для совместной работы в часах. Не стану подробно описывать назначение всех выводов этих микросхем - эту информацию можно найти в десятках, если не сотнях источников. Остановлюсь только на некоторых, необходимых для понимания схемы часов и их налаживания начинающими радиолюбителями.
Микросхема DD2 вырабатывает секундные и минутные импульсы. Они поступают на микросхему DD3, которая содержит счётчики минут, часов и регистр памяти будильника с устройством включения звуковой сигнализации в заданное время.
К выводам 12 и 13 микросхемы DD2 подключён кварцевый резонатор ZQ1 на частоту 32768 Гцс элементами, необходимыми для работы с ним внутреннего генератора микросхемы. Такой резонатор так и называют - "часовой". Конденсатор C1 необходим для точной подстройки частоты генератора, от которой зависит точность хода часов. На выводе 14 микросхемы DD2 эту частоту можно проконтролировать частотомером.
Входы начальной установки счётчиков микросхемы DD2 (выводы 5 и 9) соединены с соответствующим выходом (выводом 4) микросхемы DD3. При нажатии на кнопку коррекции времени SB1 сигнал с микросхемы DD3 обнулит эти счётчики. Он же через преобразователь уровня на транзисторе VT20 поступает на входы начальной установки счётчиков единиц секунд DD6 и десятков секунд DD8 (рис. 5).
Индикация часов и минут в рассматриваемом устройстве - динамическая. Это означает, что каждый индикатор включён только в том интервале времени, когда на выводах 13, 14, 15, 1 микросхемы DD3 установлен код цифры, которая должна отображаться именно на этом индикаторе. Сигналы с выводов 3, 1, 15, 2 микросхемы DD2, управляющие поочерёдным включением индикаторов HG1-HG4, поступают на высоковольтные ключи, собранные на транзисторах VT9-VT12, VT14, VT15, VT17, VT18 (см. рис. 4). Эти ключи подают высокое напряжение положительной полярности на аноды индикаторов. Но поскольку они инвертируют управляющие сигналы, их перед подачей на ключи необходимо инвертировать ещё раз. Для этого предназначены инверторы DD1.1 - DD1.4 (см. рис. 2).
На выводе 4 микросхема DD2 генерирует секундные импульсы, идущие на её же вход С (вывод 7). Эти же импульсы через преобразователь уровня на транзисторе VT19 (рис. 5) поступают на вход счётчика единиц секунд на микросхеме DD6. Сигнал с выхода 8 (вывода 11) этого счётчика поступает на вход счётчика десятков секунд на микросхеме DD8. Сигналы с выходов разрядов обоих счётчиков поданы на высоковольтные дешифраторы DD7, DD9 и далее на индикаторы HG5, HG6. Таким образом, индикация единиц и десятков секунд не динамическая, а статическая.
Секундные импульсы поданы и на вход высоковольтного ключа на транзисторе VT8, который управляет неоновой лампой HL1. В окончательной версии часов от мигающей каждую секунду точки я отказался, но не стал удалять соответствующий узел из схемы. Возможно, что кто-нибудь захочет, чтобы в его часах такая точка была.
У использованного мной варианта добавления к часам счётчика и индикатора секунд есть одна особенность. Поскольку счётчики К155ИЕ2 и К155ИЕ4 изменяют своё состояние по спадам входных импульсов, переключение секунд происходит на полсекунды позже, чем переключение минут счётчиком микросхемы DD3. Впрочем, это заметно лишь при смене 59-й секунды нулевой. Я не счёл это недостатком. Пусть думают, что так и должно быть, часы ведь не обычные, а "ретро".
Вывод 6 микросхемы DD3 - вход сигнала коррекции показаний часов. Выход звукового сигнала будильника - вывод 7. С него сигнал поступает на усилитель мощности на транзисторах VT6 и VT7 и далее на излучатель звука HA1.
Как уже упоминалось, с выводов 13, 14, 15, 1 микросхемы DD3 код цифры поступает через преобразователи уровней (транзисторы VT1-VT4) на информационные входы запоминающего регистра - счетверённого D-триггера DD4. Запись в этот регистр происходит по сигналу с вывода 12 микросхемы DD3, прошедшему через преобразователь уровня на транзисторе VT5.
С выходов регистра коды цифр часов и минут поступают на общий дешифратор DD5 (см. рис. 3), выходы которого соединены с объединёнными одноимёнными катодами индикаторов HG1-HG4. Выводы неиспользуемых катодов индикаторов ни в коем случае не следует оставлять неподключёнными, иначе возможно паразитное свечение соответствующих им цифр.
Для управления работой часов предназначены кнопки SB1-SB4 и кнопочный выключатель SA1 (им включают и выключают звуковой сигнал будильника). Кнопки SB2 и SB3 служат для установки соответственно минут и часов, а кнопка SB4 - для установки времени срабатывания будильника. При нажатой кнопке SB4 индикаторы показывают это время. Чтобы изменить его, необходимо нажимать на кнопки SB2 и SB3, не отпуская кнопку SB4.
Кнопка SB1 позволяет откорректировать показания часов, для чего её следует нажать за несколько секунд до фактического окончания текущего часа. При этом счёт времени прекратится. Внутренние счётчики минут и секунд микросхем DD2 и DD3, а также счётчики DD6 и DD8 будут обнулены. Если число минут в момент остановки было менее 40, значение в счётчике часов микросхемы DD3 не изменится, в противном случае оно увеличится на единицу. По сигналу точного времени кнопку SB1 следует отпустить, после чего счёт времени будет продолжен.
К сожалению, при нажатой кнопке SB1 остаётся включённой цифра на каком-либо индикаторе. Чтобы не усложнять часы, я не стал делать узел гашения всех индикаторов, посчитав, что это нельзя считать недостатком ретрочасов. Впрочем, в них можно добавить такой узел, собрав его по схеме, приведённой на рис. 24 в [1].
Как уже было отмечено, в предлагаемых часах индикация часов и минут - динамическая, а секунд - статическая. Чтобы яркость индикаторов HG5 и HG6 не отличалась от яркости индикаторов HG1-HG4, номиналы резисторов R25 и R26 в цепях анодов индикаторов HG5 и HG6 увеличены до 150 кОм.
Вследствие недостатка места в корпусе часов я выполнил их блок питания по бестрансформаторной схеме. Поэтому все детали часов находятся под напряжением сети. При их налаживании следует соблюдать особую осторожность [2].
Если при повторении конструкции в корпусе найдётся место для понижающего трансформатора, рекомендую применить трансформаторный блок питания. Вторичная обмотка трансформатора должна быть рассчитана на напряжение около 12 В при токе нагрузки 150...200 мА. При этом из схемы исключают конденсатор C8, резистор R9 и стабилитрон VD7.
Ещё один вариант - использовать выносной стабилизированный импульсный блок питания на 9 или 12 В. Такие блоки обычно по конструкции подобны зарядным устройствам для сотовых телефонов, их применяют повсеместно. При использовании блока питания на 12 В из схемы исключают конденсатор C8, резистор R9, диодный мост VD6 и стабилитрон VD7. Выходное напряжение блока питания, соблюдая полярность, подают на конденсатор C9. Если применён блок питания на 9 В, из схемы исключают, кроме перечисленных в предыдущем абзаце элементов, также транзистор VT13, резистор R14 и стабилитрон VD9, а анод диода VD10 соединяют с плюсовым выводом конденсатора C9.
Большая ёмкость конденсатора C10 позволяет часам идти ещё некоторое время после отключения напряжения в сети. Диод VD10 отсекает от конденсатора C10 другие цепи, позволяя ему расходовать запасённую энергию только на питание микросхем DD1-DD3. При указанной на схеме ёмкости 2200 мкФ часы продолжают работать более 10 мин. Этого вполне достаточно, чтобы не только предотвратить сбои показаний, но и, например, перенести часы из одной комнаты в другую. В статье [3] имеются экспериментальные данные о зависимости продолжительности хода часов от ёмкости этого конденсатора.
Если всё-таки необходимо резервное питание, изучите статью [3] - её автор предлагает несколько вариантов. А если не нравится звучание имеющегося в часах будильника, можно собрать другой по схемам из [3] и [4]. В [5] есть даже вариант будильника на микросхеме музыкального синтезатора УМС [6].
На рис. 6 показаны печатные платы, на которых собраны часы. Их чертежи я не привожу, потому что и схема часов, и печатные платы неоднократно изменялись и дорабатывались. Например, когда я решил добавить в часы индикатор секунд, то не стал разрабатывать новую плату, а просто прикрепил дополнительную к имеющейся плате индикаторов часов и минут. Были изменения и в других платах. Поскольку часы делались в одном экземпляре, перерабатывать печатные платы с учётом изменений я не стал.

Рис. 6. Печатные платы, на которых собраны часы
Вместо микросхемы К176ИЕ12 можно использовать К176ИЕ18, но схема её включения отличается.
Вместо микросхемы К176ЛА7 в описанных часах допустимо применить К176ЛЕ5, причём никаких изменений схемы не потребуется. Только не забудьте, что такая замена станет невозможной, если будет решено делать узел гашения индикаторов по схеме из статьи [1].
Вместо счетверённого D-триггера К155ТМ7 можно использовать К155ТМ5. Применение микросхемы К155ТМ7 объясняется лишь тем, что она была у меня в наличии. Её я и установил в часы, оставив инверсные выходы триггеров свободными.
Многие детали можно взять из электронных балластов неисправных энергосберегающих ламп. Из него взят, например, малогабаритный оксидный конденсатор C7. Его ёмкость может лежать в пределах 2,2...10 мкФ. Применяемые в балластах транзисторы МЕ13003, MJE13005, MJE13007, MJE13009 можно использовать взамен КТ605А. Из отечественных транзисторов для их замены подойдут КТ604А. Можно также применить две транзисторные сборки К166НТ1А, что несколько усложнит разработку печатной платы, но зато уменьшит её габариты. Наконец, из неисправных балластов можно взять диоды 1N4007, которые заменят все диоды в часах (кроме стабилитронов). Из них же можно собрать и диодный мост вместо КЦ407А.
Из отечественных диодов в качестве замены диодов КД102Б подойдут дру гие маломощные кремниевые диоды с допустимым обратным напряжением 300 В и более, например, КД104А, КД105Б-КД105Д. Диоды КД102А в рассматриваемом случае могут быть заменены любыми маломощными кремниевыми диодами. Если позволяют размеры платы, вместо диодного моста КЦ407А можно применять КЦ402 или КЦ405 с любыми буквенными индексами.
Транзисторы КТ315Г и КТ361Г могут быть заменены транзисторами тех же серий с любыми буквенными индексами или другими кремниевыми маломощными транзисторами соответствующей структуры с допустимым напряжением коллектор-эмиттер не менее 15 В.
Вместо транзистора КТ815Г пригодны транзисторы серий КТ815, КТ817, КТ819 с любыми индексами. Однако транзисторы серии КТ819 из соображения габаритов лучше применять в пластмассовом корпусе (без индексаМ).
Поскольку на вход стабилизатора напряжения 5 В поступает напряжение 12 В, транзистор VT16 выделяет значительное количество тепла. Поэтому он должен иметь теплоотвод, который может быть любой конструкции. Например, алюминиевой пластиной толщиной несколько миллиметров и площадью не менее 15...20 см2. Кнопки SB1-SB4 - любые, умещающиеся в корпус часов. Вместо кнопочного выключателя SA1 можно с тем же условием применить любой движковый или рычажный выключатель. Звуковой излучатель HA1 - телефонный капсюль сопротивлением не менее 50 Ом. Если позволяет место в корпусе, можно использовать малогабаритную динамическую головку, подключив её через выходной трансформатор от любого транзисторного приёмника. При этом громкость сигнала будильника существенно возрастёт.
Гасящий конденсатор C8 составлен из трёх конденсаторов К73-17 ёмкостью 1 мкФ на постоянное напряжение 630 В, соединённых параллельно. Их можно расположить в любом свободном месте корпуса. Имейте в виду, что не все конденсаторы пригодны для работы в качестве гасящих. Например, нельзя применять конденсаторы БМ, МБМ, МБГП, МБГЦ-1, МБГЦ-2 [7]. Если позволяют размеры корпуса, можно использовать конденсаторы МБГЧ или К42-19 на напряжение не менее 250 В или МБГО на напряжение не менее 400 В.
К изготовлению корпуса часов следует подойти со всей тщательностью, поскольку от него зависит впечатление, которое будут производить часы на друзей и знакомых. Далее я указываю размеры своих часов. Естественно, их можно менять.
Возьмите ровную, хорошо отполированную деревянную планку шириной 50 мм и толщиной 5 мм. Отпилите от неё две детали длиной по 200 мм и две детали длиной по 70 мм. Рекомендую использовать ножовку по металлу с более мелкими, чем у ножовки по дереву, зубьями. Постарайтесь пилить строго под прямым углом. Затем, применяя любой клей для дерева (например, ПВА), склейте каркас. Его внешние размеры - 200x80 мм.
Для изготовления светящегося дна необходима пластина органического стекла толщиной не менее 5 мм. Разметьте прямоугольник размером, как у получившегося каркаса, и также ножовкой по металлу, стараясь пилить строго под прямым углом и не останавливаясь, выпилите его. Отполируйте торцы пластины и приклейте получившееся дно к каркасу клеем "Момент".
На задней стенке корпуса установите кнопки SB1-SB4 и выключатель SA1, просверлите в ней отверстия для держателя плавкой вставки FU1 и сетевого шнура. Не забудьте и про вентиляционные отверстия.
Самая ответственная часть работы - изготовление верхней крышки часов из тонированного стекла. Самостоятельно вырезать такую крышку, да ещё с отверстиями под индикаторы, сможет далеко не каждый, поэтому я рекомендую обратиться в ближайшую стекольную мастерскую. Они есть в любом, даже самом маленьком городе. Там вырезают стёкла для окон, зеркала, делают аквариумы. Просто принесите туда точные размеры крышки и точно укажите центры и диаметры отверстий под индикаторы.
Вполне удовлетворительный результат получится, если сделать крышку из органического стекла, но внешний вид часов будет несколько иным. Зато такую крышку можно изготовить и самому.
Особо стоит остановиться на деталях, которые придадут изготовленным часам ещё больший шарм. Это синие светодиоды подсветки индикаторов снизу и светодиодная лента жёлтого свечения, подсвечивающая заднюю кромку дна корпуса часов. Типов светодиодов и лент великое множество и можно применять практически любые. Если у кого-нибудь возникнет сомнение, что светодиоды должны быть именно синими, а лента именно жёлтой, не стану спорить. На вкус и цвет товарищей нет. Можно экспериментировать с любыми цветами или даже применить RGB-светодиоды и RGB-ленту с контроллерами, управляемыми дистанционно. Такие контроллеры можно приобрести в магазинах, торгующих электротоварами.
Светодиоды HL2-HL7 устанавливают под каждый из шести индикаторов. Они создают красивый синий светящийся ореол вокруг цифр и в верхней части индикаторов - этот эффект хорошо виден на фотоснимке внешнего вида часов (рис. 7). Светодиоды соединяют последовательно и подключают через гасящий резистор R24 к цепи +300 В. Подборкой этого резистора добиваются желаемой яркости свечения светодиодов. Применённые мной светодиоды имеют достаточную яркость уже при токе 2...3 мА, поэтому мощность, рассеиваемая резистором, не превышает 0,5 Вт.

Рис. 7. Ретрочасы в сборе
Конечно, безопаснее было бы питать светодиоды подсветки не высоким напряжением, а с выхода низковольтного выпрямителя - от конденсатора C9, соответственно уменьшив сопротивление резистора R24. Объясню, почему было решено питать их от высоковольтного, а не от низковольтного выпрямителя. Напряжение +300 В на плате индикаторов секунд уже имеется, а для питания светодиодов HL2-HL7 низким напряжением пришлось бы добавить ещё один провод.
Светодиодная лента состоит из параллельно соединённых секций длиной по 50 мм, в каждой из которых имеются соединённые последовательно два-три светодиода и резистор. Для использования в часах пригодна лента с напряжением питания 12 В. Отделите от неё отрезок длиной 200 мм (четыре секции) и приклейте его прозрачным клеем к задней кромке дна корпуса часов. Желаемую яркость свечения установите подборкой резистора R12. При этом следует помнить, что чем больше яркость свечения ленты, тем больший ток она потребляет и тем большей должна быть ёмкость гасящего конденсатора
C8. При ёмкости этого конденсатора 3 мкФ ток, потребляемый лентой, не должен превышать 60 мА, иначе напряжение на конденсаторе C9 опустится ниже 12 В, в результате чего транзистор VT13 выйдет из рабочего режима. При указанных на схеме номиналах лента в моих часах именно столько и потребляет и светит достаточно ярко, хотя напряжение на ней всего 9 В.
Литература
1. Алексеев С. Применение микросхем серии К176. - Радио, 1984, № 4, с. 25-28; № 5, с. 36-40; № 6, с. 32-35.
2. Осторожно! Электрический ток! - Радио, 2015, № 5, с. 54.
3. Никишин Д. Часы на светодиодных индикаторах КЛЦ202А. - Радио, 1998, № 8, с. 46-48.
4. Алексеев С. Электронные часы автолюбителя. - Радио, 1996, № 11, с. 46- 48.
5. Турчинский Д. Вместо обычного будильника - музыкальный. - Радио, 1998, № 2, с. 48, 49.
6. Дриневский В., Сироткина Г. Музыкальные синтезаторы серии УМС. - Радио, 1998, № 10, с. 85, 86.
7. Бирюков С. Расчёт сетевого источника питания с гасящим конденсатором. - Радио, 1997, № 5, с. 48-50.
Автор: А. Карпачев, г. Железногорск Курской обл.
