В статье предложен усилитель мощности на популярной микросхеме, отличающийся использованием ИТУН в качестве входного буферного каскада и параллельной ООС. Эта особенность позволила получить в рабочей полосе частот максимально возможную глубину обратной связи, достигаемую для микросхемы, и существенно уменьшить её нелинейные искажения и шумы в сравнении с типовым включением.
В этой статье продолжается тема максимизации отрицательной обратной связи (ООС) в УМЗЧ с учётом их схемотехнических особенностей. Как отмечено в [1], основная идея такого подхода состоит в том, чтобы обеспечить максимальное снижение нелинейных искажений в мощных каскадах усилителей.
Напомним, что для кардинального снижения нелинейных искажений глубина ООС должна быть максимальной при очень большом запасе усиления внутри петли. В пределе ООС может быть стопроцентной, что, например, для мощного ОУ означает прохождение искажений сигнала на инвертирующий вход без ослабления. Сама ООС должна обеспечивать крайне малое время реакции в петле ООС (ВРП ООС) [1, 2].
Подобные принципы, по сути, являются фундаментом, на котором базируются прочие параметры усилителя. Однако в явном большинстве УМЗЧ эти условия выполняются лишь частично.
Автором этой статьи на протяжении ряда лет опубликовано несколько схем УМЗЧ различной степени сложности [1-3], в которых достаточно полно реализованы достоинства многоканальных усилительных структур (МКУС), в том числе с усилением мощности на микросхеме LM3886 [2], однако упрощённым такой усилитель назвать сложно.
Если же в УМЗЧ не использовать структуру МКУС, то можно реализовать только один из трёх важных критериев - стопроцентную ООС в рабочей полосе частот, охватывающую каскады, вносящие заметные нелинейные искажения. Структура такого усилителя показана на рис. 1 (рис. 2 в [1]). Здесь входной источник тока, управляемый напряжением (ИТУН), создаёт входной ток для инвертирующего усилителя. Этим и создаются условия для получения стопроцентной ООС. Сразу заметим, что для минимизации общих нелинейных искажений ИТУН должен работать в малосигнальном режиме (на уровне не более -40 дБ от максимального). Его практическая схема может быть реализована на основе различных полупроводниковых приборов, в том числе и высококачественных ОУ.

Рис. 1. Структурная схема усилителя
В целом это универсальная структура, которая подходит для любых микросхем УМЗЧ, в том числе и мощных ОУ, но среди них очень мало скорректированных для коэффициента усиления по напряжению Кu = 1, хотя многие маломощные ОУ имеют такую же фазово-частотную коррекцию. Не обладает такой коррекцией и микросхема усилителя мощности LM3886 [4], способная обеспечить выходную мощность до 68 Вт на нагрузке сопротивлением 4 Ом.
Устойчивая, без признаков возбуждения, работа такого усилителя возможна только при Кu ≥ 10. Но уже при Кu = 5 микросхема может проявлять неустойчивость при перегрузке, а при Кu = 2 микросхема LM3886 явно склонна к самовозбуждению. То есть получается, что при попытке уменьшить коэффициент ослабления в петле ООС усилитель становится неустойчивым.
Понятно, что здесь устойчивость необходима именно в области высоких частот (выше 100 кГц). Поэтому можно создать необходимый коэффициент передачи по петле ООС на высоких частотах, а на низких, звуковых, получить ООС почти без ослабления. Такой компромиссный вариант реализован в структурной схеме, показанной на рис. 2.

Рис. 2. Структурная схема усилителя
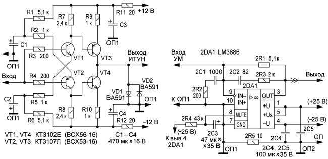
В такой структуре микросхема УМЗЧ охвачена частотно-зависимой ООС в виде RC-делителя из звеньев R2C1 и R3C2, причём R3/R2 " C1/C2 " 10. На звуковых частотах этот делитель не действует, и ООС осуществляется через резистор R1. Благодаря этому и получается стопроцентная ООС, без ослабления. По такому принципу и работает УМЗЧ, схема которого показана на рис. 3, где входной ИТУН и усилитель мощности на микросхеме LM3886 представлены как два каскадно-соединяемых узла.

Рис. 3. Схема УМЗЧ
Глубина ООС в такой структуре возрастёт на 26 дБ (в 20 раз) относительно значения [4] для типовой схемы включения. Но на высоких частотах она будет менее глубокой, т. е. усилитель будет обладать меньшим запасом усиления внутри петли. В этом случае применительно к микросхеме LM3886, помимо снижения уровня нелинейных искажений, улучшаются шумовые характеристики (отношение сигнал/ шум). Время реакции петли ООС (ВРП ООС) будет, однако, связано с частотой среза частотно-корректирующего делителя.
Основные технические характеристики
Выходная мощность, Вт, на нагрузке
8 Ом.......................29
4 Ом .......................51
Коэффициент гармоник в полосе ЗЧ, %, не более .......0,01
Выходное сопротивление, Ом .........................0,01
Полоса рабочих частот, кГц ......................0...20
Выходное сопротивление цепи ООС в типовой схеме включения [4] приблизительно равно сопротивлению резистора, замыкающего цепь ООС на общий провод, - 1 кОм. В предлагаемой версии выходное сопротивление петли ООС приблизительно равно сопротивлению резистора 2R1 (5,1 кОм), который выбран относительно низкоомным с целью уменьшения влияния входной нелинейности и шумового тока микросхемы и самого резистора.
Немного о каскаде ИТУН, выполненного на комплементарных транзисторах. Они образуют симметричную усилительную структуру ОЭ-ОЭ с местной ООС, повышающей выходное сопротивление каскада. Сигнал, поступающий на вход усилителя, приходит на базы транзисторов VT1 и VT2, которыми усиливается по напряжению в соотношении Ku1 = R7/R5 = R8/R2. Далее с коллекторов VT1, VT2 сигнал поступает на базы транзисторов VT3, VT4, образующих в коллекторной цепи источник переменного (двунаправленного) тока. Токовые сигналы ИТУН с этих транзисторов суммируются и поступают на вход микросхемы LM3886, охваченной параллельной ООС через резистор 2R1 сопротивлением 5,1 кОм. В этом случае крутизна передачи этого ИТУН равна 5 мА/В. В результате коэффициент передачи по напряжению в этом УМЗЧ получается равным 25 (Ku = 2R1 х 5 мА/В).
Ток коллектора транзисторов VT1, VT2 задан резисторами R5, R6 и R1, R2, а также питающим напряжением (+/-12 В). Соответственно, изменение питающего напряжения ИТУН приводит к изменению его электрического режима. Как следствие, постоянная составляющая выходного тока ИТУН сильно зависит от точности и стабильности питающего напряжения, поэтому стабильность напряжения питания должна быть высокой.
При настройке ИТУН его удобно подключить к отдельному нагрузочному резистору сопротивлением 200 Ом. В этом случае при крутизне ИТУН 5 мА/В выходное напряжение на этом резисторе (Ки = 1 = 200 Ом х 5 мА/В) будет равно входному. Диоды VD1, VD2 при налаживании ИТУН следует отключить. В качестве входного ИТУН возможно применение и других вариантов схемы, например, по рис. 4 в [1].

Рис. 4. Осциллограммы входного сигнала
При больших уровнях ВЧ-сигнала (с амплитудой фронта импульса на выходе мощного Оу более 30 В) фазово-частотная коррекция ОУ может оказаться недостаточной. Но здесь следует отметить, что звуковые сигналы, где присутствовали бы мощные ВЧ-импульсы, отсутствуют. Как следствие, при работе УМЗЧ в линейном режиме (т. е. без перегрузки) его устойчивость к возбуждению сохраняется высокой, что обусловлено достаточным для такого режима запасом фазово-частотной коррекции микросхемы.
Но также понятно, что при выходе из режима перегрузки УМЗЧ сигналом большого уровня его низкая перегрузочная способность по входу приводит к его кратковременной неустойчивости. На рис. 4 показаны осциллограммы входного сигнала частотой 5 кГц (жёлт.), выходного сигнала (красн.) при нагрузке сопротивлением 4 Ом и без нагрузки (голуб., смещено на полпериода для удобства наблюдения).
В целом это явление связано с конечным значением ВРП ООС (особенно при работе на низкоомную нагрузку) и отсутствием достаточного запаса фазово-частотной коррекции для отработки скачка напряжения при выходе из ограничения. Последнее означает, что для сохранения устойчивости усилителя и при выходе из ограничения можно рекомендовать увеличение коэффициента ослабления на ВЧ в цепи ООС до 26 дБ.
В реальной конструкции усилителя, работающего от различных источников сигналов, в том числе и с постоянной составляющей выходного напряжения, следует применить входной разделительный RC-фильтр из плёночного конденсатора ёмкостью не менее 2,2 мкФ и резистора сопротивлением 47 кОм.
Акустическую систему, присоединяемую через акустический кабель, следует подключать к выходу УМЗЧ через параллельную RL-цепь с резистором сопротивлением 10 Ом (мощность 1-2 Вт) и катушкой индуктивностью 1...1,5 мкГн, намотанной обмоточным проводом диаметром 0,8...1 мм.
Литература
1. Литаврин А. МКУС в УМЗЧ с биполярными и полевыми транзисторами (универсальная структура). - Радио, 2015, № 10, с. 12-16; № 11, с. 7-9.
2. Литаврин А. МКУС в усилителях с интегральными микросхемами мощных УМЗЧ (универсальная структура). - Радио, 2016, №4, с. 13-18.
3. Литаврин А. Многоканальная усилительная структура в УМЗЧ класса D. - Радио, 2017, №6, с. 8-10; № 7, с. 7-11.
4. LM3886 - Audio Power Amplifier. - URL: http://www.ti.com/lit/ds/symlink/ lm3886.pdf (10.07.18).
Автор: А. Литаврин, г. Березовский Кемеровской обл.
