Цифровые SACD/DVD-ресиверы, перечисленные в заголовке, выпускались фирмой SONY в 2005-2007 годах. Ресиверы предназначены для комплектования домашних кинотеатров (ДК) фирмы, в состав комплектов входят акустические системы фронтальных, тыловых, центрального каналов и НЧ канала сабвуфера. Во всех ресиверах применены однотипные механизмы CDM85-DVBU102 и оптические блоки KHM-310CAA или KHM-310CAA/C2NP, а также цифровые УЗЧ, выполненные по технологии "S-Master". В состав рассматриваемых моделей входят цифровые блоки обработки звуковых сигналов различных систем объемного звучания и УКВ/СВ тюнеры. Внешний вид модели HCD-X1 показан на рис. 1, моделей HCD-DZ100K/DZ500KF HCD-DZ520K/620K - в предыдущей статье автора [1]. Модели HCD-DZ119/DZ410, HCD-DZ520K/DZ620K предназначены для воспроизведения DVD- и CD-дисков, остальные модели для воспроизведения SACD/DVD/CD дисков. Классификационные параметры рассматриваемых ресиверов приведены в таблице, особенности ремонта механизма CDM85-DVBU102 приведены в [1].

Рис. 1. Внешний вид ресивера HCD-X1
Таблица 1. Основные характеристики ресиверов
Модель | Рвых фронт, тыл, центр (Вт) | Рвых, сабвуфер (Вт) | КНИ (%) | Рпотр (Вт) | ИМС УМЗЧ | Примечания |
Х1 | 40 | 40 | 0,7 | 85 | CXD9845M | КНИ=0,7% при РВЫХ=20 Вт; КНИ=1% при РВЫХ =40 Вт |
DZ10 | 67 | 65 | 1 | 95 | CXD9774M | КНИ=1% при РВЫХ=50 Вт; КНИ=10% при РВЫХ =67/65 Вт |
DZ100K | 120 | 120 | 1 | 145 | CXD9774M | КНИ=1% при РВЫХ=55 Вт; КНИ=10% при РВЫХ=143/285 Вт |
DZ500KF | 143 | 285 | 1 | 160 | CXD9775M | |
Z119 | 142 | 140 | 1 | 150 | CXD9883M | КНИ=1% при РВЫХ=108 Вт; КНИ=10% при РВЫХ=142/140 Вт |
DZ410 | 142 | 140 | 1 | 150 | CXD9883M | |
DZ300 | 133 | 135 | 1 | 145 | CXD9775M | КНИ=1% при РВЫХ=55 Вт; КНИ=10% при РВЫХ=133/135 Вт |
DZ520K | 142 | 140 | 1 | 160 | CXD9883M | КНИ=1% при РВЫХ=108 Вт; КНИ=10% при Рвых=143/285 Вт |
DZ620K | 143 | 285 | 1 | 160 | CXD9883M |
Ресивер HCD-X1 входит в состав домашнего кинотеатра "DAV-X1", особенность которого - использование только трех акустических систем. Во фронтальные колонки системы включены также и громкоговорители тыловых каналов, центральный канал отсутствует. Драйверы фронтальных и фронтальных тыловых каналов (Front Surround) акустических систем помещены в отдельные камеры и немного развернуты относительно друг друга. Обработка звука для такой системы осуществляется по собственной технологии "S-Force PRO Front Surround", использующей временные задержки и так называемое объемное проецирование. В сабвуфере установлены также два драйвера, каждый из которых работает от отдельного УМЗЧ. Таким образом, в ресивере интегрировано шесть усилителей "S-Master", особенности этой технологии приведены в [1, 2].
Ресивер "HCD-X1" является аппаратом высокого класса (выходная мощность УЗЧ нормирована при КНИ=1%, см. таблицу 1), и обладает широкими функциональными возможностями, например, имеется цифровой интерфейс HDMI (не во всех исполнениях), воспроизводятся мультимедийные диски.
Структурная схема
Структурная схема главной секции (Main Section) ресивера HCD-X1 приведена на рис. 2 (см. архив). Этот блок преобразует аналоговые входные сигналы в цифровую форму, коммутирует внешние цифровые сигналы и обрабатывает преобразованные цифровые звуковые сигналы. В состав секции входят следующие основные узлы и микросхемы:

Рис. 3. Структура микросхемы MC14052B

Рис. 4. Структура микросхемы PCM1803DBR
- сдвоенный селектор аналоговых сигналов IC511 (на рис. 2 показаны левые каналы) MC14052BDR2, обеспечивающий коммутацию звуковых сигналов с внешних входов VIDEO1/SAT1 AUDIO IN, VIDEO2/SAT2 AUDIO IN, TV AUDIO IN и внутреннего УКВ/СВ тюнера (TUNER UNIT). Для проверки селектора можно ориентироваться на структуру микросхемы MC14052B, приведенную на рис. 3, коммутация осуществляется подачей управляющих сигналов на выв. 10, 9 ИМС. Входные сигналы Х0/Y0-X3/Y3 проходят на выходы X, Y при подаче на входы А/В сигналов управления с логическими уровнями 0/0, 1/0, 0/1, 1/1;
- сдвоенный операционный усилитель IC512 NJM4565M-D фирмы New Japan Radio, используемый в качестве буфера выходных сигналов селектора IC511;
- двухканальный 24-разрядный дельта-сигма АЦП IC513 PCM1803DBR с несимметричным входом (Single-Ended) фирмы Texas Instruments. Структура микросхемы приведена на рис. 4. Частота дискретизации звуковых сигналов равна 96 кГц, КНИ+шум=-95 дБ, отношение "сигнал/шум" и динамический диапазон - 103 дБ. Форматы выходных данных АЦП: левое/правое выравнивание (Left/RightJustified), I2S. Цифровые выходные сигналы в последовательном коде снимаются с выв. 12, напряжение питания +5 В контролируют на выв. 5 IC513 (Vcc), +3,3 В (Vdd) - на выв. 14. Микросхема преобразует звуковые аналоговые сигналы с выходов ОУ IC511 в цифровую форму;
- цифровой сигнальный процессор IC506 CXD9862R (Part No 6-707-754-01) собственного производства. Микросхема обеспечивает обработку цифровых звуковых сигналов в соответствии с предпочтениями пользователей (различные функциональные режимы) и алгоритмами технологий "S-Force PRO Front Surround" и "S-master";
- микросхемы секции коммутации цифровых входных сигналов, к ним относятся:
- IC503 TORX147L, приемник оптических цифровых сигналов по стандарту JEITA CP-1212 фирмы Toshiba;
- формирователь импульсов IC510 TC74HCU04AF фирмы Toshiba, микросхема состоит из шести независимых логических инверторов на основе быстродействующей КМОП логики (технология C2MOS). Инверторы микросхемы обеспечивают формирование импульсов из входных сигналов, подаваемых на цифровые коаксиальные входы ресивера (разъем J501);
- коммутатор цифровых звуковых сигналов IC509 TC74HC151AF фирмы Toshiba, является 8-канальным логическим мультиплексором и выполнен на основе быстродействующей КМОП логики (технология C2MOS);
- приемник цифрового звукового интерфейса с буферным ЗУ IC505 LC89056W-E фирмы Sanyo, микросхема поддерживает стандарты IEC60958, EIAJ CP-1201 (SPDIF) с частотами дискретизации до 192 кГ ц;
- селектор цифровых данных IC514 SN74LV157APWR фирмы Texas Instruments, обеспечивает коммутацию цифровых потоков от преобразованных в цифровую форму аналоговых входных сигналов (выв. 11) и цифровых входных сигналов (выв. 10). Выходные цифровые данные с выхода 3Y (выв. 9) подаются на цифровой сигнальный процессор IC506;
- формирователь цифровых оптических сигналов по стандарту SPDIF IC504 TOTX147L фирмы Toshiba;
- УКВ/СВ тюнер, для российского исполнения Part No 1-693-66911 TUNER UNIT (TM-10CE), диапазон УКВ 87,5...108 МГц с ПЧ=10,7 МГц, шаг настройки 50 кГц и диапазон СВ 531...1602 кГц, ПЧ=450 кГц, шаг настройки 9 кГц;
- микропроцессор системы управления IC501 M30622MGP-A20FPU0 фирмы Mitsubishi (Part No 6-805-979-01) обеспечивает управление всеми режимами и функциями главной секции и ресивера в целом.
Элементы главной секции в основном размещены на главной плате MAIN BOARD (Part No для российского исполнения A-1107-207-A MAIN BOARD COMPLETE (RU). При проведении диагностики неисправностей и ремонте следует иметь в виду, что позиционные обозначения некоторых элементов на различных платах ресивера могут повторяться, например, это относится к позициям IC503, IC506, IC507, имеющимся на главной плате и на плате MIB01 BOARD (устанавливается в исполнениях с интерфейсом HDMI), а это совершенно разные микросхемы. Временные диаграммы на некоторых выводах микросхем IC505, IC506 приведены на рис. 5.

Рис. 5. Временные диаграммы на выводах ИМС IC505, IC506
Структурная схема секции проигрывателя дисков ресивера (RF/SERVO/VIDEO Section) приведена на рис. 6 (см. архив), элементы секции в основном установлены на плате DMB10 BOARD (Part No для российского исполнения ресивера A-1107-248-A DMB10 BOARD, COMPLETE). Основным элементом секции является БИС IC102 типа CXD9804R собственного производства (Part No 6-706-727-01). В состав микросхемы входят ВЧ блок и система авторегулирования проигрывателя дисков, а также декодер MPEG. Временные диаграммы сигналов на основных функциональных выводах БИС приведены на рис. 7. Совместно с микросхемой IC102 используется динамическое ЗУ IC104 HY57V641620HGTP-HDR и ЭСППЗУ IC103 BR24L66F-WE2.

Рис. 7. Временные диаграммы сигналов на основных функциональных
выводах БИС CXD9804R
Многофункциональная микросхема IC201 FAN8036L фирмы Fairchild обеспечивает управление всеми двигателями механизма CDM85-DVBU102 и катушками оптического блока KHM310-CAA.
В микросхему также встроены два стабилизатора напряжения, два ОУ, схема температурной защиты и схема включения экономичного режима (Power Save Mode Circuit). Структура микросхемы приведена на рис. 8, во всех остальных моделях ресиверов, рассматриваемых в статье, в качестве драйвера двигателей механизмов проигрывателей и катушек оптических блоков также применена микросхема FAN8036L. Принципиальная электрическая схема части секции DMB10 ресивера, включающей IC201, приведена в архиве. Напряжения питания подаются на выв. 23 (PVCC2, +9 B), выв. 38 (PVCC1, +9 B), выв. 44 (SVCC, +5 B), выв. 39 (REGVCC, +9 B) микросхемы IC201. Управляющие напряжения на входах и выходах всех каналов микросхемы контролируют, ориентируясь на рис. 6, 8 и схемы в архиве.

Рис. 8. Структура микросхемы FAN8036L
Усилители мощности ресивера установлены на плате POWER AMP (Part No A-1107-230-A POWER-AMP BOARD, COMPLETE). На этой же плате находится и импульсный источник питания (ИИП) ресивера. Принципиальные электрические схемы усилителей мощности приведены в архиве. Микросхемы IC231, IC232, IC233 типа CXD9788AR собственного производства являются потоковыми процессорами (S-Master) для фронтальных, НЧ и тыловых каналов ресивера соответственно. Микросхемы обеспечивают преобразование цифровых звуковых сигналов, поступающих от проигрывателя дисков и других источников, в импульсные сигналы с модуляцией C-PLM (подробности см. в [1, 2]).
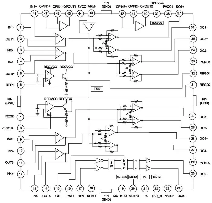
Микросхемы IC301, IC302, IC303 типа CXD9845M собственного производства являются двухканальными импульсными усилителями класса D для фронтальных, НЧ и тыловых каналов ресивера. Напряжение питания +12 В подается на выв. 1, 18, 19, 36 (GVDD_B, GVDD_C, GVDD_D, GVDD_A) микросхем, а напряжение +27 В - на выв. 21, 26, 29, 34 (PVDD_D, PVDD_C, PVDD_B, PVDD_A).
При проведении диагностики неисправностей следует обращать внимание на целостность гасящих резисторов R303, R360, R342, R345 в цепях питания +12 В. Напряжение смещения +25 В на затворах верхних ключей (внутри микросхемы) на выв. 20, 27, 28, 35 (BST_D, BST_C, BST_B, BST_A) формируется на соответствующих бутстреп-ных конденсаторах С321, С342, С345, С366. Значительные отклонения напряжений от номинала свидетельствуют о внутренних повреждениях силовых ключей микросхемы. На выходах OUT_D-OUT_A (выв. 22, 25, 30, 33) установлены защитные стабилитроны D303, D306, D309, D312 типа P6SMB39AT3 на номинальное напряжение 39 В, допустимое отклонение напряжения стабилизации равно ±2 В. На выходах всех микросхем также установлены компараторы схем защиты от перегрузки по выходу (КЗ) на транзисторах 2SA1235TP-1EF (для фронтальных каналов Q303, Q306, Q309, Q312), основные параметры транзисторов: UКЭ МАКС=-50В, IКЭ МАКС= 0,2 А, h21Э=150-800, UКЭ НАС= 0,3 В fT=200 МГц.
Все необходимые схемы к статье можно найти здесь.
Продолжение следует
Автор: Юрий Петропавловский (г. Таганрог)
Источник: Ремонт и сервис
