В жидкокристаллических (ЖК) мониторах (дисплеях) и телевизорах в качестве задней подсветки панелей используются светодиоды (LED). Эту технологию нельзя назвать ультрасовременной, но вопросов по работе задней подсветки и принципам управления светодиодами стало значительно больше, ведь все эти устройства стали поступать в ремонт. Об этом и пойдет речь в данной статье.
Буквально несколько лет назад в качестве задней подсветки ЖК панелей широко применялись флуоресцентные лампы различных типов (CCFL - Cold Cathode Fluorescence Lamp, EEFL - External Electrode Fluorescent Lamp). В настоящее время практически все панели, за очень редким исключением, в качестве источника света задней подсветки используют белые светодиоды (White LED - WLED). Так как размеры светодиодов малы, то для создания светового потока соответствующей мощности требуется большое количество светодиодов, как правило, исчисляемое несколькими десятками. Чаще всего их размещают на подложке в виде узкой светодиодной линейки (рис. 1).

Рис. 1. Внешний вид WLED-линейки
Все множество светодиодов разбивается на несколько групп последовательно включенных светодиодов - WLED-линеек. В каждой такой группе находится от 6 до 10 WLED. Таким образом, если для задней подсветки необходимо, например, 64 WLED, то их можно распределить на 8 линеек, каждая из которых будет состоять из 8 последовательно включенных светодиодов (рис. 2).

Рис. 2. Структурная схема LED-подсветки из 64 WLED
Ток каждого WLED, используемого в задней подсветке, как правило, находится в диапазоне 20...40 мА. Поэтому в каждой линейке должен протекать ток именно этой величины. Также следует напомнить, что падение напряжения на открытом WLED находится, чаще всего, в диапазоне 3...4 В. Таким образом, к WLED-линейке необходимо приложить напряжение, приблизительно равное произведению количества светодиодов на величину падения напряжения на одном из них (именно поэтому на рис. 2 указано напряжение питания 34 В).
Еще на один аспект работы задней подсветки необходимо обратить внимание - это стабилизация и регулировка тока светодиодов. Без стабилизации тока невозможно говорить о качественной подсветке, так как без обратной связи световой поток будет изменяться под действием различных факторов, например, в зависимости от температуры WLED. Потому необходимо контролировать величину тока, протекающего через светодиоды, и в случае изменения тока его необходимо стабилизировать.
Теперь несколько слов о регулировке. Любой дисплей предполагает регулировку такого параметра изображения, как яркость. Регулировка яркости в ЖК панелях традиционно осуществляется изменением мощности светового потока задней подсветки, т.е. изменением яркости источника света. Поэтому в системе задней подсветки необходимо предусмотреть возможность изменения тока светодиодов в ответ на некоторое внешнее управляющее воздействие (например, вращение ручки регулировки яркости). При этом изменение тока светодиодов должно осуществляться пропорционально величине входного управляющего сигнала. Процесс регулировки яркости в зарубежной литературе называют диммингом (Dimming).
Таким образом можно отметить, что корректная работа светодиодов невозможна без соответствующего управления, осуществляемого специализированными микросхемами-контроллерами. Эти ИМС называются драйверами светодиодов (LED Driver). К функциям LED Driver также можно отнести и включение-выключение светодиодов по внешнему управляющему сигналу (рис. 3). Под термином LED Driver понимают, с одной стороны, микросхему, а с другой стороны, весь модуль, включающий и микросхему, и ее внешние элементы.

Рис. 3. Структурная схема LED-подсветки с цепями питания и управления
Для управления светодиодами разработаны микросхемы LED-драйверов, выполняющие абсолютно все необходимые функции. Интегральное исполнение этих микросхем позволяет сделать схему управления LED чрезвычайно компактной. Отметим основные функции интегральных LED-драйверов:
- контроль (регулировка) и стабилизация тока LED;
- программирование величины тока LED;
- ограничение тока LED на безопасном уровне;
- формирование, контроль и стабилизация питающего напряжения LED;
- защита от превышения напряжения на LED;
- термическая защита;
- регулировка яркости LED-линеек (Dimming);
- защита от низкого напряжения питания ИМС;
- защита от обрыва в цепи LED-линеек.
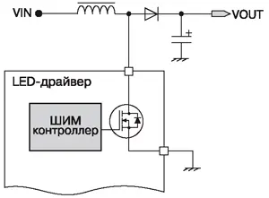
Выше уже отмечалось, что для работы LED-подсветки требуется относительно высокое напряжение - от 20 до 40 В, в зависимости от количества светодиодов в одной линейке. Откуда берется это напряжение, ведь на ЖК панель оно не подается? Оказывается, это напряжение формирует из какого-либо низковольтного напряжения (обычно из 12 В) повышающий DC/DC-преобразователь, установленный на плате ЖК панели. Этот повышающий DC/DC-преобразователь также является элементом LED-драйвера (рис. 4). Существуют разные варианты схемотехники повышающих преобразователей для LED, но в большинстве современных ЖК панелей применяется так называемый Boost-регулятор, эквивалентная схема которого представлена на рис. 5.

Рис. 4. Структура LED-драйвера

Рис. 5. Эквивалентная схема Boost-регулятора
В ИМС LED-драйверов узел DC/DC-преобразователя интегрирован в ИМС. Это позволяет значительно упростить схему подсветки за счет снижения количества внешних элементов, а также за счет использования единой схемы управления. Традиционным решением для LED-драйверов является интегральное исполнение силового транзистора BOOST-регулятора и наличие встроенной схемы ШИМ контроллера, управляющего этим силовым транзистором (рис. 6). Такое исполнение позволяет LED-драйверу контролировать напряжение светодиодов, управлять им и осуществлять защиту от превышения данного напряжения.

Рис. 6. ШИМ контроллер в составе LED-драйвера
Продолжение следует
Автор: Алексей Конягин (г. Пенза)
Источник: Ремонт и сервис
