Рабочий источник питания
Этот источник формирует постоянные стабилизированные напряжения 12 В (1,4 А), 24 В (0,6 А) и 76 В (1 А) для питания всех узлов ТВ в рабочем режиме. Он построен на основе ШИМ контроллера IC101 типа SSC9522S фирмы SANKEN (см. блок-схему на рис. 8). Микросхема представляет собой контроллер полумостового резонансного преобразователя (LLC), основные особенности микросхемы:
-встроенный "плавающий" источник питания драйвера верхнего плеча полумоста;
-схема плавного старта;
- автоматическая регулировка паузы между переключениями (Dead Time) ключей полумоста (0,25...3 мкс);
-встроенные защиты OCP, OVP, OLP, TSD;
-напряжение питания 10,2...30 В;
-потребляемый ток от 1,2 до 20 мА
-диапазон частот встроенного генератора от 26 до 335 кГц;
-корпус SOIC-18.

Рис. 7. Блок-схема ИМС SSC9522S
Блок-схема ИМС SSC9522S приведена на рис. 7, а назначение выводов - в таблице 5.
Таблица 5. Назначение выводов ИМС SSC9522S
Номер вывода | Обозначение | Описание |
1 | VSEN | Вход детектора сетевого напряжения (AC) |
2 | Vcc | Напряжение питания ИМС и вход схемы OVP |
3 | FB | Вход напряжения обратной связи и вход схемы OLP |
4 | GND | "Земля" |
5 | Css | Внешний конденсатор схемы плавного старта и вход выключения ИМС внешним сигналом |
6 | OC | Вход схемы токовой защиты OCP |
7 | RC | Вход детектора резонанса тока |
8 | REG | Выход внутреннего стабилизатора напряжения 10,5 В |
9 | RV | Вход детектора резонанса напряжения |
10 | COM | Силовая "земля" |
11 | VGL | Выход драйвера нижнего плеча полумоста |
12, 13, 17, 18 | NC | Не подключены |
14 | VB | Вход драйвера верхнего плеча полумоста |
15 | VS | Земля "плавающего" источника питания драйвера верхнего плеча |
16 | VGH | Выход драйвера верхнего плеча полумоста |
ИМС включена по типовой схеме, как и контроллер ККМ, она питается от дежурного источника напряжением 14,5 В (выв. 2). Пороговый уровень напряжения OVP составляет 31,5 В (контролируется на выв. 2).
Для контроля резонанса тока в контуре, образованном первичной обмоткой 1-2 трансформатора Т101 и конденсатором С114, служит цепь С113 R115 R113, через которую сигнал поступает на выв. 7 IC101. В рассматриваемом случае вход контроля резонанса напряжения RV (выв. 9) не используется.
Напряжение обратной связи на входе компаратора ошибки ИМС (выв. 3) формируется из вторичного напряжения 24 В схемой из управляемого стабилизатора IC251 и оптрона гальванической развязки IC102. Контроллер переходит в пакетный (дежурный) режим формирования выходных управляющих сигналов при токе через выв. 3 IFB(SOURCE)= -2,5 мА. Если ток превышает значение IFB(SOURCE)= -3,5 мА, блокируется внутренний опорный генератор ИМС.
Выходные параметры ИМС:
IGL SOURCE (выв. 11-10) = IGH SOURCE (выв. 16-15) = -515 мА (при VREG=10,5 В; VB=10,5 В; VGL=0 В; VGH=0V).
IGL SINK (выв. 11-10) = IGH SINK (выв. 16-15) = 685 мА (при VREG=10,5 В;VB=10,5 В; VGL=10,5 В; VGH=10,5 В).
В качестве внешних силовых ключей в схеме используются MOSFET-транзисторы Q204 типа FQPFN50C (ID=11 А, VD=650 В, RDS ON=0,36 Ом при VGS=10 В и ID=5,5 A).
В качестве выпрямительных диодов во вторичных цепях источников 76, 24 и 12 В используются сверхбыстрые выпрямительные диоды типов SDURF1030 (VRRM=300 В, I=10 А, VF=1,3 В, trr=35 нс), MBRF10100 (VRRM=100 В, 1=10 А, VF=0,85 В) и SB560 (VRRM=60 В, I=5 А, VF=0,67 В).
Инвертор питания LED-линеек краевой подсветки ЖК панели
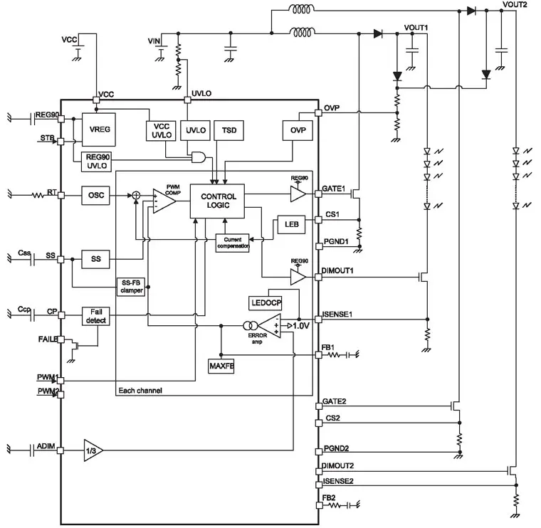
Этот узел блока питания (см. принципиальную схему на рис. 8) выполнен на основе специализированного LED-драйвераIC801 типа BD9483 фирмы ROHM - драйвер повышающего типа (Step Up)двух линек белых светодиодов. Блок-схема микросхемы и ее типовое включение приведены на рис. 9. Помимо собственно драйверов LED-линеек в составе микросхемы имеется двухканальный DC/DC-конвертор повышающего типа с выходом на затворы внешних MOSFET-транзисторов. Конвертор предназначен для питания LED-линеек с целью оптимизации энергопотребления от источника питания.
Рис. 8. Принципиальная электрическая схема БП LGP4750- 13P. Инвертор питания LED-линеек краевой подсветки ЖК панели (по клику крупно)

Рис. 9. Блок-схема типового включения ИМС BD9483
Диапазон входных напряжений ИМС составляет 11,5...35 В, потребляемый ток ICC=6 мА. Микросхема имеет вход включения STB (выв. 2), входы для аналогового (выв. 9) и цифрового (выв. 10, 11) (ШИМ) димминга, назначение остальных выводов ИМС в корпусе SOP24 приведено в таблице 6.
Таблица 6. Назначение выводов ИМС BD9483
Номер вывода | Обозначение | Описание |
1 | VCC | Напряжение питания ИМС |
2 | STB | Вход включения ON/OFF |
3 | CS1 | Вход обратной связи по току DC/DC-конвертора (канал 1), вход токовой защиты OCP 1 |
4 | GATE1 | Выход драйвера DC/DC-конвертора на затвор MOSFET- транзистора (канал 1) |
5 | GND1 | "Земля" канала 1 |
6 | DIMOUT1 | Выход ШИМ сигнала димминга на затвор N-MOSFET-транзистора (канал 1) |
7 | ISENSE1 | Вход обратной связи по току схемы димминга (канал 1) |
8 | FB1 | Выход усилителя ошибки схемы димминга (канал 1) |
9 | ADIM | Вход напряжения аналогового димминга |
10 | PWM1 | Вход сигнала внешнего ШИМ димминга (канал 1) |
11 | PWM2 | Вход сигнала внешнего ШИМ димминга (канал 2) |
12 | FAILB | Выход ошибки |
13 | RT | Внешний резистор установки ключевой частоты DC/DC- конвертора (в данном случае при R=124 кОм f=120 кГц) |
14 | OVP | Вход схемы защиты OVP |
15 | SS | Внешний конденсатор схемы плавного старта |
16 | CP | Вход таймера ошибки |
17 | UVLO | Вход детектора низкого напряжения питания ИМС |
18 | FB2 | Выход усилителя ошибки схемы димминга (канал 2) |
19 | ISENSE2 | Вход обратной связи по току схемы димминга (канал 2) |
20 | DIMOUT2 | Выход ШИМ сигнала димминга на затвор N-MOSFET-транзистора (канал 1) |
21 | GND2 | "Земля" канала 2 |
22 | GATE2 | Выход драйвера DC/DC-конвертора на затвор MOSFET- транзистора (канал 2) |
23 | CS2 | Вход обратной связи по току DC/DC-конвертора (канал 1), вход токовой защиты OCP 2 |
24 | REG90 | Выход стабилизатора напряжения 9 В |
Ключевые особенности микросхемы BD9483:
-двухканальный DC/DC-конвер-тор повышающего типа с диапазоном ключевой частоты 50...800 кГц;
-схема защиты светодиодов (ограничение максимального рабочего цикла и схема токовой защиты LED);
-защита от перенапряжения на выходах DC/DC-конвертора;
-регулируемый плавный старт;
-широкий диапазон аналоговой регулировки яркости (димминг) 0,2...3 В;
-два независимых входа ШИМ димминга (диапазон входной частоты 40...50 кГц);
-схема защиты от низкого напряжения питания ИМС;
-логический выход ошибки FAILB;
-корпуса SOP24 и SSOP24.
Продолжение следует
Автор: Леонид Ларионов (г. Ахтубинск)
Источник: Ремонт и сервис

