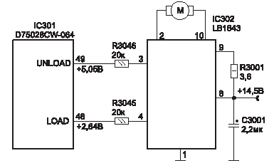
В видеоплейере "Sony SLV-110" после двух лет эксплуатации стал проявляться дефект: в режиме EJECT при сматывании ленты образуется петля длиной 3…5 см, которая цепляется за стойки расправки ленты, нарушая тем самым нормальный процесс выгрузки кассеты. Сначала было сделано предположение, что на микросхему управления заправкой ленты IC302 типа LB1643 (выв. 4 и 3) не поступают сигналы LOAD и UNLOAD с процессора управления - микросхемы IC301 типа D75028CW-064, выв. 48 и 49 (рис. 1).

Рис. 1
Затем из корпуса видеоплейера был изъят блок кинематики, проверено состояние фигурных шестерен и планок привода - все они оказались в исправном состоянии. Также проверена правильность регулировки подтормаживающей металлической ленты узла механического стабилизатора натяжения ленты (рис. 2) по взаимному совмещению двух треугольных рисок, первая из которых нанесена на пластиковый наплыв основания ЛПМ, а вторая - на закрепленную винтом перемещающуюся в небольших пределах планку, в которую запрессован один конец ленты. Далее были осмотрены соединители подключения шлейфов питания (СТ1 (А7)) и датчиков (CN802) платы ЛПМ (рис. 3). Оказалось, что провода в соединителях не распяны, а технологически вдавлены между парами ножевых ламелей, и, как результат, в соединителе CN802, через который подаются сигналы датчиков положения кассеты в ЛПМ, провода имели плохой контакт. После того, как они были продавлены в соединителе тонкой отверткой, работоспособность плейера восстановилась.

Рис. 2

Рис. 3

Рис. 4
Чтобы исключить повторение дефекта, провода соединителя CN802, имеющие запас по длине около 2 см, были извлечены из соединителя и распаяны непосредственно на плате датчиков положения кассеты. Нелишним может оказаться и удаление грязи с чистящего ролика видеоголовок (рис. 4). Для этого ролик снимают и промывают в теплой воде с мылом. Когда ролик высохнет, его ставят на место.
Источник: Журнал Ремонт&Сервис
Автор: М.Киреев
