Принтеры Oki достаточно широко распространены на российском рынке. Процесс печати у них несколько отличается от других лазерных принтеров. Для формирования изображения в этих принтерах используется светодиодная матрица или линейка. По заявлениям официальных представителей OKI (www.oki.ru) многие производители принтеров также переходят на эту технологию.
Рассмотрим устройство и работу принтера OKIPAGE 6W.
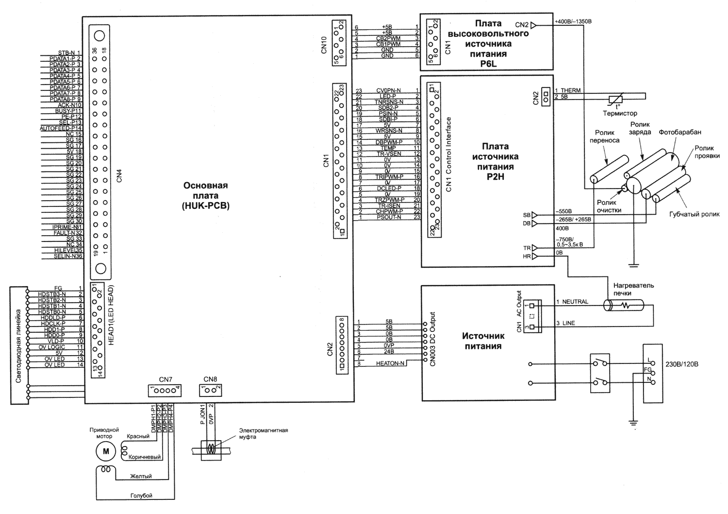
На рис. 1 изображена функциональная схема принтера, на рис. 2 - его структурная схема, на рис. 4 - схема соединений.

Рис. 1. Функциональная схема принтера Okipage 6W
Основная плата управления принтером содержит процессор MCPU, схему интерфейса, схему управления приводом. В состав управления приводом, входит схема управления светодиодной линейкой, приводным двигателем и электромагнитной муфтой. Источник питания вырабатывает два напряжения: +5 В и +26 В. Напряжение +5 В используется логическими схемами и высоковольтными источниками питания. Напряжение +26 В служит для управления приводным двигателем и электромагнитной муфтой.

Рис. 2. Структурная схема принтера Okipage 6W
Формируемые высоковольтными источниками напряжения приведены в табл. 1.
Таблица 1
| Выход | Напряжение | Назначение |
|---|---|---|
| CH | -1,3 кВ | Напряжение, подаваемое на ролик заряда |
| DB | -265 В/+265 В | Напряжение, подаваемое на ролик проявки |
| SB | -550 В/0 В | Напряжение, подаваемое на губчатый ролик |
| CB | +400 В/-1,35 кВ | Напряжение, подаваемое на ролик очистки |
| TR | +500 В - +3,5 кВ/-750 В | Напряжение, подаваемое на ролик переноса |
На рис. 3 показано расположение датчиков принтера, в табл. 2 указано их назначение.

Рис. 3. Расположение датчиков принтера Okipage 6W
Таблица 2
| Наименование | Назначение | Состояние датчика |
|---|---|---|
| Датчик лотка ручной (обходной) подачи | Контролирует наличие бумаги в обходном лотке | ON - бумага вставлена в лоток OFF - бумага отсутствует |
| Датчик бумаги | Контролирует наличие бумаги в лотке | ON - бумага есть OFF - бумаги нет |
| Датчик выхода (outlet sensor) | Контролирует положение бумаги на выходе механизма | ON - бумага есть OFF - бумаги нет |
| Датчик тонера | Сигнализирует об окончании тонера | ON - низкое содержание тонера OFF - тонер есть |

Рис. 4. Схема соединений принтера Okipage 6W
На рис. 5 приведена схема движения бумаги в принтере.

Рис. 5. Схема движения бумаги в принтере Okipage 6W
В табл. 3 приведены режимы работы привода принтера.
| Главный двигатель | Электромагнитная муфта | Ролик подхвата | Шестерня регистрации | Фотобарабан | Операция принтера |
|---|---|---|---|---|---|
| Прямое вращение | Выключена | Не вращается | Не вращается | Вращается | Прогрев |
| Обратное вращение | Включена Выключена | Вращается Не вращается | Вращается Вращается | Вращается Вращается | Захват Печать |
Процесс формирования изображения

Рис. 6. Процесс формирования изображения принтером Okipage 6W
Из рис. 6 видно, что процесс формирования изображения принтером включает в себя шесть основных стадий:
1. Заряд
При помощи ролика заряда на поверхность фотобарабана (ФБ) наносится равномерный отрицательный заряд.
2. Экспонирование
Свет от светодиодной линейки проецируется на поверхность ФБ, потенциал заряда на освещенных участках становится меньше, таким образом на поверхности фотобарабана формируется скрытое электростатическое изображение.
3. Проявка
Отрицательно заряженные частицы тонера с магнитного ролика проявки переносятся на поверхность ФБ, скрытое электростатическое изображение становится видимым.
4. Перенос
Ролик переноса заряжает поверхность бумаги потенциалом, обратным потенциалу частиц тонера, изображение с поверхности ФБ переносится на бумагу.
5.Очистка
Ролик очистки притягивает частицы тонера, оставшиеся на ФБ после переноса тонера на бумагу, а с началом нового цикла формирования изображения возвращает тонер на ФБ.
6.Закрепление
Лист бумаги с нанесенным тонером (сформированным изображением) проходит через узел фьюзера между нагревательным (тефлоновым) и прессующим (резиновым) валом. Частицы тонера под воздействием высокой температуры и давлением вплавляются в бумагу.
Рассмотрим операции, выполняемые принтером, более подробно.

Рис. 7. Устройство подхвата бумаги принтера Okipage 6W
На рис. 7 показано, каким образом работает электромагнитная муфта ролика подхвата. При подаче напряжения +26 В на катушку муфты, шестерня ролика подхвата входит в зацепление с муфтой, ролик подхвата делает оборот и подхватывает бумагу, соответственно, когда напряжение 26 В не приложено к катушке муфты, нет захвата шестерни с муфтой и нет вращения.

Рис. 8. Работа привода в режиме прогрева принтера Okipage 6W
На рис. 8 и 9 показана работа привода главного двигателя в режимах прогрева и печати соответственно.

Рис. 9. Работа привода в режиме печати принтера Okipage 6W
Рис. 10, 11, 12, 13, 14, 15 иллюстрируют, соответственно, процессы заряда поверхности ФБ, экспонирования, проявки, переноса,закрепления и очистки.

Рис. 10. Процесс зараяда поверхности фотобарабана принтера Okipage 6W

Рис. 11. Процесс экспонирования принтера Okipage 6W
Сервисное обслуживание, замена расходных материалов и запасных частей
Принтер OKIPAGE 6W имеет раздельный тонер-картридж (ресурс 1500 страниц при 5% заполнении) и drum-картридж (ресурс - 10 000 страниц). Как и все производители, OKI не рекомендует заправлять картридж неоригинальным тонером. Использование неоригинального тонер-картриджа может вызвать появление серого фона при печати либо приведет к преждевременному износу ФБ drum-картриджа. Очистка светодиодной матрицы должна производиться очень аккуратно специальным приспособлением либо мягкой неворсистой тканью (рис. 16). Излишнее усилие может привести к перекосу светодиодной матрицы и, соответственно, к дефекту при печати.

Рис. 12. Процесс проявки принтера Okipage 6W

Рис. 13. Процесс переноса изображения принтера Okipage 6W
Как и в принтерах других производителей, в результате выработки ресурса, неаккуратного обращения впроцессе эксплуатации могут выйти из строя те или иные запасные части. Перечень запасных частей и их парт-номера можно найти на официальном сайте производителя: www.oki.ru.

Рис. 14. Процесс закркпления изображения принтера Okipage 6W

Рис. 15. Процесс очистки принтера Okipage 6W
Типовые неисправности лазерных и им подобных принтеров мало чем отличаются, в большинстве случае все они вызваны окончанием ресурса картриджа (износом барабана, ракеля, ролика заряда, ролика переноса), загрязнениями, нарушениями контактных соединений. Можно выделить несколько неисправностей, характерных дляданной модели - табл. 4.

Рис. 16. Очистка светодиодной матрицы принтера Okipage 6W
Таблица 4
| Неисправность | Причина | Порядок устранения |
|---|---|---|
| Расфокусировка изображения по центру листа | Изгиб линейки светодиодов | Выровнять линейку светодиодов |
| Захват нескольких листов бумаги | Износ или загрязнение тормозной площадки и ролика подачи | Заменить (почистить) тормозную площадку и ролик, увеличить степень прижима тормозной площадки |
| Неравномерное изображение (светлый правый край) | Перекос картриджа из-за использования неоригинальной тубы с тонером | Заменить тубу с тонером |
Источник
- Журнал "Ремонт & Сервис"
Автор: В. Довгань
