Общие сведения
Бюджетная микроволновая печь LG VS-2042G появилась на российском рынке в конце 2008 г.
Судя по отзывам потребителей, она хорошо себя зарекомендовала при эксплуатации. Исполнение и функционал печи практически не имеют отличий от стандартного списка "бюджетного" аппарата: микропроцессорное управление, светодиодный индикатор, пленочная мембранная клавиатура, поворотный стол,стандартные функции и др. Что касается обслуживания и ремонта СВЧ печи, то сервисные специалисты также не имеют к ней особых нареканий - она достаточно надежна, неисправности прогнозируемы и практически не отличаются от дефектов, присущих большинству аналогичных моделей СВЧ печей. Рассмотрим особенности конструкции, порядок разборки, принципиальную электрическую схему и возможные неисправности СВЧ печи.
Внешний вид печи LG VS-2042G показан на рис. 1.

Рис. 1. Внешний вид печи LG VS-2042G
На рис. 2-8 показаны сборочные чертежи печи, причем на первом из них - общий чертеж, а на рис. 3-8 - деталировка дверцы, панели управления, камеры печи, фиксатора-защелки, внутренние детали и детали основания корпуса соответственно. Для возможности заказа деталей при ремонте печи рядом с каждой деталью приведен ее каталожный номер (Part. №).

Рис. 2. Общий сборочный чертеж печи

Рис. 3. Детали дверцы

Рис. 4. Детали панели управления

Рис. 5. Детали камеры

Рис. 6. Детали фиксатора-защелки

Рис. 7. Внутренние детали

Рис. 8. Детали основания корпуса
Описание принципиальной электрической схемы
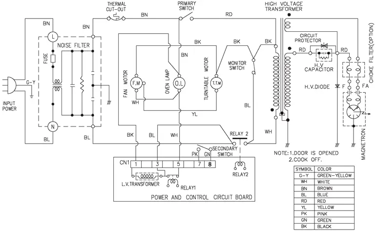
На рис. 9 представлена схема соединения силовых электрических узлов печи.

Рис. 9. Схема соединения силовых электрических узлов печи, где: INPUT POWER - сетевая вилка; NOISE FILTER - сетевой фильтр; THERMAL CUT_OUT - тепловой предохранитель; FAN MOTOR - мотор вентилятора; TURNTABLE MOTOR - мотор поворотного круга; OVEN LAMP - лампа освещения камеры; PRIMARY SWITCH - основной выключатель; MONITOR SWITCH - контрольный выключатель; SECONDARY SWITCH - вторичный выключатель; HIGH VOLTAGE TRANSFORMER - высоковольтный трансформатор; H.V. CAPACITOR, H.V. DIODE - высоковольтные конденсатор и диод соответственно; CIRCUIT PROTECTOR - схема защиты; CHOKE FILTER - высоковольтный дроссель; MAGNETRON - магнетрон (типа 2М214-240GP), POWER AND CONTROL CIRCUIT BOARD - плата питания и управления с низковольтным трансформатором (L.V. TRANSFORMER), двумя реле (RELAY1 и RELAY2), микроконтроллером (МК), зуммером, клавиатурой и светодиодной индикаторной сборкой и др. узлами и элементами.
На этой же схеме внизу справа приведена таблица соответствия символов и цветов соединительных проводов.
Для защиты от микроволнового излучения в печи имеется специальный механизм блокировки, расположенный на панели фиксатора-защелки дверцы. В его состав входят три выключателя: основной, вторичный и контрольный.
В обычном режиме после нажатия кнопки "Старт" контакты основного и вторичного выключателей замыкают цепь и питающее напряжение 220 В подается на высоковольтный трансформатор питания магнетрона. В этом режиме включены двигатели поворотного круга и вентилятора. Последний при вращении охлаждает магнетрон потоком воздуха, который поступает через отверстия в задней стенке. Поток воздуха также направляется внутрь печи через основную и заднюю решетки, чтобы выпустить образовавшиеся при работе печи пары.
Если дверца печи открылась во время приготовления пищи, то при этом контакты основного и вторичного выключателей размыкаются и прерывают подачу напряжения на трансформатор, что приводит к прекращению СВЧ излучения.
При подключении сетевой вилки к питающей сети переменное напряжение питания через предохранитель, фильтр подавления шумов и контакты 1, 3 разъема CN1 подается на первичную обмотку низковольтного понижающего трансформатора платы питания и управления. С его вторичных обмоток снимаются напряжения, которые после выпрямления соответствующими мостовыми схемами обеспечивают питанием микроконтроллер (МК) и другие узлы на плате управления.
Когда дверца печи закрыта, основной и вторичный выключатели находятся в замкнутом состоянии ("Включено"), а контрольный выключатель разомкнут.
При вводе с мембранной клавиатуры уровня мощности и времени приготовления установленная функция вводится в память микроконтроллера, на дисплей выводится значение заданного времени приготовления, а загорание лампочек индикаторов подтверждает выполнение операции ввода соответствующего параметра.
При нажатии кнопки "Старт/Быстрый старт" МК включает реле RELAY2, через контакты которого и замкнутый основной выключатель переменное напряжение питающей сети подается на первичную обмотку высоковольтного трансформатора (рис. 10). Микроконтроллер регулирует время переключения реле, подавая соответствующую команду на изменение уровня средней выходной мощности. Длительность одного полного цикла переключения реле RELAY2 составляет 22 секунды.

Рис. 10. Упрощенная электрическая схема печи при закрытой дверце
В накальной обмотке высоковольтного трансформатора формируется переменное напряжение 3,15 В, которое через дроссели фильтра подается на магнетрон для нагрева нити его накала. Во вторичной обмотке трансформатора вырабатывается переменное напряжение (около 2100 В), которое выпрямляется высоковольтными диодом и конденсатором. В итоге, постоянное рабочее напряжение на магнетроне достигает 4 кВ, причем его положительный полюс оказывается подключенным к общему проводу.
Одновременно с включением магнетрона подается напряжение на мотор поворотного круга, который начинает вращаться, и на вентилятор, который охлаждает магнетрон потоком нагнетаемого воздуха, поступающего через впускные отверстия панели основания. Воздух также подается внутрь печи для удаления паров через верхнюю панель.
Начинается обратный отсчет времени приготовления, по истечении которого напряжение с обмотки реле 2 снимается, его контакты размыкаются, магнетрон и двигатели выключаются.
Когда дверца печи открыта, основной и вторичный выключатели находятся в разомкнутом состоянии ("Выключено"), поэтому напряжение на первичную обмотку высоковольтного трансформатора не подается, на МК же питание подается всегда, независимо от режима работы печи.
Если дверцу открывают в процессе приготовления, то основной выключатель и контакты реле 2 размыкают цепь подачи напряжения на первичную обмотку высоковольтного трансформатора, обратный отсчет времени приготовления прекращается.
В случае если дверца открыта, а основной выключатель не размыкается, резко увеличивается ток в связи с замыканием контрольного выключателя, что приводит к срабатыванию сетевого предохранителя и отключению магнетрона (рис. 11).

Рис. 11. Упрощенная электрическая схема печи при открытой дверце
Продолжение следует
Автор: Александр Седов (г. Москва)
Источник: Ремонт и сервис
