Российская фирма-разработчик электронных устройств "Телесистемы" представила новое устройство для воспроизведения звуковых фрагментов, применяемое для автоматизации процесса информирования пассажиров транспорта - Автоинформатор. Рассмотрим особенности данного устройства.
Основная сфера применения - городской транспорт: автобусы, троллейбусы, трамваи, метро, а также пригородные поезда. Также прибор может применяться для автоматизации процессов звукового сопровождения и рекламной деятельности. Например, в помещении магазина, где необходимо информировать покупателей о новых поступлениях на прилавки или новых акциях, проводимых магазином. Или же на выставке, для воспроизведения информации о фирме и любой другой дополнительной информации для потенциальных клиентов.
Внеший вид устройства представлен на рис. 1. Автоинформатор оснащен трехразрядным светодиодным индикатором с изменяемой яркостью свечения (ручная установка или автоматическая в зависимости от освещения) и встроенным микрофоном (возможно подключение внешнего микрофона). Яркость индикатора автоматически регулируется в зависимости от уровня освещённости. В темное время яркость меньше для того, чтобы не слепить водителя, в светлое время яркость больше, чтобы обеспечить видимость индикации в ярком солнечном свете.

Рис.1. Внешний вид автоинформатора
Объем памяти автоинформатора зависит от установленной микросхемы памяти и может быть от 16 до 128Мб (от 17 до 136 минут звучания).
Прибор выпускается в двух модификациях:
- Автоинформатор - имеет регулируемый линейный выход с Uвых<=0,7В. Для работы с изделием необходим внешний усилитель.
- Автоинформатор-А - имеет регулируемый линейный выход и встроенный УНЧ (что позволяет непосредственное подключение динамиков общим сопротивлением не менее 4 Ом).
Принцип работы
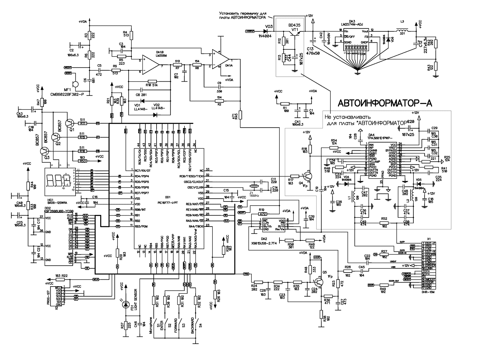
В Автоинформатор загружается программа (скрипт), в которой описаны условия воспроизведения звуковых фрагментов и информация, отображаемая на индикаторе прибора. Скрипт и звуковые фрагменты хранятся во флэш-памяти прибора. Запись скрипта в прибор производится через USB порт компьютера с помощью дополнительного адаптера (поставляется отдельно). Для создания, отладки и загрузки скрипта в Автоинформатор предназначена программа ИнфоСим. Принципиальная схема Автоинформатора приведена на рис. 2.

Рис. 2. Принципиальная схема Автоинформатора
Программа ИнфоСим, поставляемая на диске с USB-адаптером позволяет пользователю написать скрипт, проверить ошибки, а затем его откомпилировать. После этого можно воспроизвести скрипт с помощью эмулятора Автоинформатора, прослушав записанные файлы через звуковую карту компьютера, наблюдая при этом отображаемую на индикаторе информацию. Проверенный скрипт программа ИнфоСим загрузит в Автоинформатор через USB-адаптер. Внешний вид Автоинформатора с USB-адаптером приведен на рис. 3.

Рис.3. Внешний вид Автоинформатора с USB-адаптером
Пример использования информатора водителем
- После загрузки скрипта автоинформатор готов к работе. При его включении на индикатор выводится первый номер маршрута из записанных в памяти. Кнопками ВПЕРЕД/НАЗАД можно выбрать нужный номер маршрута.
- При подъезде к остановке водитель нажимает клавишу ВВОД и прибор говорит: "Остановка городской парк. Осторожно, двери открываются".
- Перед отъездом от остановки водитель нажимает клавишу ВВОД, прибор воспроизводит сообщение: "Осторожно, двери закрываются. Следующая остановка Центральная площадь".
- Далее могут воспроизводиться различные рекламные сообщения (впрочем, воспроизведение рекламных сообщений можно запрограммировать и в промежутки времени на остановках).
- В процессе выполнения маршрута прибор отображает на индикаторе каждый шаг. Например, номер остановки и шаг - до открытия дверей, после открытия и т.д. Тем самым ориентируя водителя, какое должно быть следующее действие. Если водитель ошибся (нажал кнопку лишний раз или забыл нажать ее вовремя), кнопки ВПЕРЕД/НАЗАД можно использовать для навигации по маршруту и выбора нужного фрагмента.
- Если водителю необходимо сделать оперативное сообщение в салон, тогда он должен нажать кнопку МИКРОФОН и начать говорить в микрофон, расположенный в нижней части прибора. В этом режиме можно отрегулировать громкость сообщения. Все регулировки громкости сохраняются в энергонезависимой памяти прибора.
Основные технические характеристики
| Технические характеристики: | |
| Частота дискретизации | 16кГц |
| Разрядность | 9бит |
| Метод сжатия | uLaw16/9 |
| Полоса воспроизводимых частот с неравномерностью 6дБ | 250-7000Гц |
| Время загрузки через USB-адаптер: | |
| 128Мбайт памяти | 14 мин |
| 64Мбайт памяти | 7 мин |
| 32Мбайт памяти | 4 мин |
| 16Мбайт памяти | 2 мин |
| Продолжительность записи: | |
| 128Мбайт памяти | 136 мин |
| 64Мбайт памяти | 68 мин |
| 32Мбайт памяти | 34 мин |
| 16Мбайт памяти | 17 мин |
| Напряжение питания: | |
| Автоинформатор | 12-28В |
| Автоинформатор-А | 9-18В |
| Для модификации Автоинформатор, Uлин. вых | <=0,7В |
| Для модификации Автоинформатор-А выходная мощность УНЧ | - 4 Ом, 12В - 10 Ватт |
| - 8 Ом, 12В - 6 Ватт | |
| Защита от переполюсовки питания | есть |
| Защита УНЧ от перегрузки и КЗ выхода | есть |
| Виброустойчивый соединительный разъем | есть |
Заключение
Звуковые модули для воспроизведения звуковых фрагментов согласно программе
Автоинформатор является логическим продолжением звуковых модулей о которых мы писали ранее: VM3-SM-0,5, VM3-SM-10. Надеемся, что данное устройство найдет широкое применение в нашей стране, что позволит избавить водителей автобусов, троллейбусов, электропоездов и другого общественного транспорта от рутинных обязанностей объявления остановок и предупреждении о закрытии дверей.
Информация по устройству официально предоставлена фирмой "Телесистемы".
Автор:admin
Абражевич Руслан,
г. Минск, Беларусь
