При изготовлении передающей рамочной антенны, получившей в литературе название "магнитная рамка" (magnetic loop), радиолюбителю придется решить несколько задач, обусловленных ее высокой добротностью. Такая антенна требует подстройки в пределах любительского диапазона, т. е. необходим дистанционно перестраиваемый конденсатор переменной емкости с соответствующими цепями управления и с узлом, который в помещении радиостанции отображает положение его ротора (рабочую частоту антенны). Заметим, что КПЕ для такой антенны - это дефицит, поскольку у него должно быть высокое рабочее напряжение, а токосъемник ротора должен быть без потерь или вообще отсутствовать (пример - конденсаторы типа "бабочка").
Несложное решение всех этих задач предложил бельгийский радиолюбитель ON7NU (Daniel Elias, "Servo-CV pour antenne loop magnetique". - CQ-QSO, 2005, № 9/10, p. 22-25). В своей антенне на диапазон 40 метров для настройки антенны и индикации ее рабочей частоты он применил готовый сервопривод - аналоговую рулевую машинку, которую используют в радиоуправляемых моделях.
Такие рулевые машинки содержат электродвигатель постоянного тока, редуктор и узел управления. В канале управления используют широтно-им-пульсную модуляцию. Подключают их к каналу управления (выходу дешифратора приемника и т. п.) тремя проводами. По двум проводам подают напряжение питания, а по третьему - импульсы, которые в конечном итоге и определяют положение выходного вала рулевой машинки. Период повторения управляющих импульсов должен быть примерно 20 мс, а их длительность лежать в пределах 0,5...2 мс. Она определяется органом управления моделью, который механически связан с переменным резистором, задающим этот параметр импульсов управляющего генератора.
В узле управления рулевой машинки также имеется генератор, длительность выходного импульса которого определяется переменным резистором, который механически связан с выходным валом рулевой машинки. Эти импульсы сравниваются с теми, которые поступают по цепи управления. В результате вырабатывается сигнал управления двигателем - он начинает вращаться и поворачивает выходной вал рулевой машинки и связанный с ним переменный резистор до тех пор, пока длительность импульсов встроенного генератора не будет равна длительности импульсов, поступающих по цепи управления.
Максимальный угол поворота вала рулевой машинки в прямой форме в технических характеристиках обычно не нормируется - указывается лишь время поворота на угол 45 или 60 градусов. Несмотря на небольшие габариты, рулевые машинки развивают заметный вращающий момент (несколько кГсм). На рис. 1 приведен внешний вид типичной рулевой машинки класса "стандартные" - модель HS311 фирмы Hitec. Она имеет размеры 41x20x37 мм и вес 44,5 г. Напряжение питания - 4,8 или 6 В. Время поворота на угол 60 градусов - 0,19 с. Вращающий момент -3,7 кГсм.

Рис.1 Внешний вид рулевой машинки класса стандартные модель HS311 фирмы Hitec
Реальный угол поворота выходного вала рулевой машинки больше, чем приведенные выше значения (зависит от модели), но и они вполне достаточны для настройки однодиапазонной рамочной антенны, поскольку от конденсатора требуется относительно небольшое изменение емкости. Так, для перекрытия полосы частот 7000...7100 кГц оно составляет всего около трех процентов.
В антенне ON7NU вопрос о высоковольтном конденсаторе настройки решен также необычно. Рулевая машинка вращает пластину ротора самодельного конденсатора относительно небольшой емкости (рис. 2), а необходимая полная емкость конденсатора, обеспечивающая резонанс рамки в диапазоне 40 метров, достигается включением параллельно ему "конденсатора" в виде отрезка коаксиального кабеля. Если у отрезка такого кабеля необходимой длины аккуратно разделать концы (чтобы исключить пробой), то "конденсатор" будет нормально работать при напряжении несколько киловольт. Именно такое напряжение будет действовать на него в рамочной антенне при мощности передатчика 100 Вт. При этом для уменьшения линейных размеров "конденсатора" кабель можно намотать на диэлектрический каркас.

Рис. 2 Вращение пластины роторас самодельного кондесатора
Пластины самодельного конденсатора в конструкции ON7NU изготовлены из фольгированного стеклотекстолита. Подвижную пластину выполняют из материала, имеющего фольгу с двух сторон, которые соединяют электрически, пропаяв по контуру пластины. Неподвижные пластины могут иметь фольгу только с одной стороны, но тогда их нужно устанавливать фольгированной стороной так, чтобы фольга "смотрела" на подвижную пластину. Электрический контакт с подвижной пластиной обеспечивает припаянный к ней гибкий провод.
Подвижную пластину укрепляют на шайбе выходного вала машинки, а неподвижные фиксируют с помощью двух длинных винтов, которые устанавливают в "ушки" ее корпуса. Пластины конденсатора переменной емкости можно также выполнить из листовой меди или из латуни.
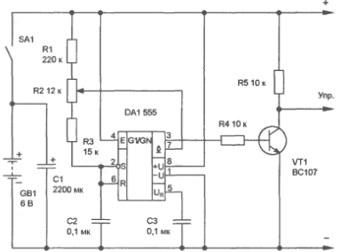
Схема генератора управляющих импульсов, выполненного на таймере 555 (КР1006ВИ1), приведена на рис. 3. Пределы изменения их длительности устанавливают подбором резисторов R1 и R3. Переменный резистор R2, изменяющий в требуемых пределах длительность выходных импульсов, должен иметь шкалу ("Частота антенны"). На ней отмечают рабочие частоты, которые определяют при настройке антенны по минимуму КСВ. Генератор, элементы питания и органы управления размещают в небольшом корпусе (рис. 4).

Рис. 3 Схема генератора управляющих импульсов, выполненного на таймере 555 (КР1006ВИ1)

Генератор, элементы питания и органы управления размещают в небольшом корпусе
В собранном виде антенна ON7NU показана на рис. 5. Крестовина, на которую крепится рамка, выполнена из сантехнических пластмассовых труб диаметром 40 мм и соответствующих Т-образных переходников. Рулевая машинка с КПЕ и конденсатор постоянной

Рис. 5 Антенна ON7NU в собранном виде
