Автор предлагает использовать достоинства коаксиальной динамической головки в громкоговорителе центрального канала АС домашнего театра.
Ценителей хорошего звука, уже имеющих в своем распоряжении высококачественную стереофоническую напольную АС, наверняка не устроят колонки "кинотеатра из одной коробки", а приобретение полноценного акустического комплекта 5.1 может создать не только финансовую проблему, но и сложности с его размещением. Можно предположить, что среди читателей журнала найдется немного людей, которые могут выделить для прослушивания музыки одну комнату, а для домашнего кинотеатра (ДК) - другую. Размещение же обоих комплектов в одном помещении неизбежно превратит даже просторную гостиную в подобие затоваренного склада аудио- и видеотехники. Частично снять остроту указанных проблем можно совмещением систем, т. е. дополнением имеющейся стереофонической АС до комплекта 5.1.
Наиболее сложно решаемой задачей при этом оказывается подбор громкоговорителя центрального канала. В отличие от тыловых громкоговорителей, в качестве которых можно использовать недорогую полочную АС, и сабвуфера, выбор отдельных громкоговорителей центрального канала ограничен. Выходом в такой ситуации может стать самостоятельное его изготовление.
К сожалению, публикаций по самостоятельному изготовлению громкоговорителя центрального канала ДК совсем немного; одна из них - статья [1]. В описанной там конструкции применены динамические головки фирмы SEAS. Норвежская фирма SEAS специализируется на производстве динамических головок среднего и высокого классов. Ее обширный ассортимент формируется комбинированием разновидностей корпусов, диффузоров, подвесов и магнитных систем. Поэтому головки таких производителей с формально отличающимися параметрами часто имеют схожее ("фирменное") звучание.
После прочтения указанной статьи возникло желание повторить описанную в ней конструкцию. Перед началом изготовления громкоговорителя центрального канала были тщательно изучены спецификации головок, проведены расчеты, и в результате анализа было решено изготовить совсем другую конструкцию, хотя и с использованием продукции той же SEAS. Ниже приводится описание такого "альтернативного" громкоговорителя центрального канала. Возможно, статья окажется полезной и тем читателям журнала, кто решил повторить АС А. Демьянова.
При анализе и разработке автор руководствовался следующим набором требований, которые можно было бы назвать условиями разумной достаточности для решения поставленной задачи: -звучание, соответствующее уровню Hi-Fi;
-хорошее соотношение качество/цена;
-невысокая трудоемкость при изготовлении;
-магнитное экранирование головок(актуально только для ДК с кинескопным телевизором).
Отказ от изготовления громкоговорителя из статьи [1] в пользу альтернативного варианта обусловлен следующими причинами.
Приведенная в спецификации АС нижняя граничная частота (65 Гц, -3 дБ) представляется излишне оптимистичной. Расчет дает существенно более высокую частоту среза, а на указанной автором частоте 65 Гц спад АЧХ превышает 6дБ. При расчете использовались следующие параметры колонки: полезный объем - 10 л, настройка фазоинвертора - 63 Гц (внутренний диаметр порта фазоинвертора - 5,4 см, длина - 12 см). Параметры головки Н149 были взяты на сайте изготовителя [2].
По соотношению качество/цена описанная конструкция представляется не оптимальной. Применение четырех одинаковых НЧ-СЧ головок увеличивает не только максимальный уровень отдачи на самых нижних частотах, но и цену - при покупке у российских дилеров SEAS комплект головок обойдется дороже 7000 руб.
Отсутствие магнитного экранирования в этом громкоговорителе исключает его использование совместно с ки-нескопным телевизором. Громкоговоритель имеет высокую трудоемкость изготовления. К недостаткам также можно отнести и узкую диаграмму направленности излучения в горизонтальной плоскости.

Рис. 1 АЧХ типичного громкоговорителя центрального канала Karat CM7DC немецкой фирмы CANTON при различных углах отклонения измерительного микрофона от оси громкоговорителя
На последнем, пожалуй, следует остановиться подробнее. Конструктивная схема, при которой ВЧ головка расположена между СЧ (или НЧ-СЧ) головками, фактически стала стандартом для громкоговорителя центрального канала и используется в большинстве подобных изделий. В результате акустические параметры оказались принесены в жертву дизайну; при такой конструкции диаграмму направленности АС почти всегда можно охарактеризовать как неудовлетворительную. На рис. 1 в качестве примера приведена АЧХ типичного громкоговорителя центрального канала Karat CM7DC немецкой фирмы CANTON [3] при различных углах отклонения измерительного микрофона от оси громкоговорителя. При углах +/-30° (синяя кривая) вместо почти ровной исходной характеристики, снятой на оси излучения (красная линия), получается изрезанная АЧХ с периодическими пиками и провалами, начиная с частоты 500 Гц. Это результат интерференции звуковых волн, излучаемых двумя НЧ-СЧ головками. Не является исключением и колонка, описанная в [1]. На ее передней панели головки расположены в одну линию, что, возможно, и оправдано с позиций технической эстетики, но приводит к чрезмерному обострению диаграммы направленности в горизонтальной плоскости. При отклонении от оси всего на 22° звуковое давление от двух крайних головок уже на частоте 1 кГц оказывается противофазным. На частоте 2 кГц то же самое происходит при вдвое меньшем угле. Таким образом, громкоговоритель центрального канала с четырьмя СЧ головками обеспечивает правильный тональный баланс только для зрителей (слушателей), сидящих напротив.

Рис. 2
Значительно лучшую пространственную равномерность излучения обеспечивают громкоговорители, где используется всего одна головка с коаксиальным расположением СЧ и ВЧ диффузоров; от них можно ожидать и хороший тональный баланс в реальном помещении.
Громкоговорители центрального канала с коаксиальной головкой широко применяют в своих кинотеатральных комплектах средней и высшей ценовых категорий английские KEF и TANNOY - фирмы, весьма уважаемые среди ауди-офилов. Давно известно, что использование коаксиальной головки обеспечивает наилучшую из возможных характеристик направленности и на проблемных частотах - в области совместной работы СЧ и ВЧ звеньев. На рис. 2 показана АЧХ громкоговорителя Q9C производства фирмы KEF [3], снятая при тех же условиях, что и для упомянутой выше Karat CM7DC. Преимущество АС с Q9C в части однородности характеристики направленности более чем очевидно. Это и послужило основным аргументом для разработки и изготовления громкоговорителя центрального канала на основе коаксиальной головки.
К сожалению, приобрести головки фирм KEF и TANNOY в России не представляется возможным. Из доступных российскому радиолюбителю динамических головок, насколько известно автору, подобные изделия выпускает только SEAS. Поэтому была выбрана коаксиальная магнитоэкранированная головка P17RE/XTVF (Н653-04) исходя из предположения, что она будет лучше сочетаться по звучанию с имеющейся у автора фронтальной АС, где в качестве среднечастотных использованы головки P17REX/P (Н602), имеющие идентичный диффузор и подвес.
Следует заметить, что в выбранной головке конструктивно объединены две полноценные головки, но такая конструкция не имеет ничего общего с дешевыми "коаксиальными" блоками головок, широко используемыми в автомобильной аудиотехнике.
Основные технические параметры
Номинальное/минимальное сопротивление, Ом4/3,5
Чувствительность, дБ87
Диапазон воспроизводимых частот по уровню -3 дБ, Гц50...20000
Номинальная мощность, Вт 90
На рис. 3 показан внешний вид громкоговорителя. Корпус имеет простую прямоугольную форму. Кромки передней панели слегка скруглены, но это, как, разумеется, и все остальное, касающееся внешней отделки корпуса, - дело вкуса.

Рис. 3 Внешний вид громкоговорителя
График АЧХ громкоговорителя приведен на рис. 4. Поскольку измерения проводились в домашних условиях, влияния комнаты избежать не удалось. Поэтому считать полученные характеристики абсолютно точными не следует, но для оценки получившегося результата их вполне достаточно. Измерения проводились методом скользящего по частоте тона с помощью бесплатной программы RMAA 5.5 [4] и микрофона ЕСМ8000 фирмы BEHRINGER, установленного на расстоянии 60 см от поверхности передней панели на оси головки, а затем под углом 30° к ней. Черная линия соответствует углу 0°, а красная - 30°.

Рис. 4 График АЧХ громкоговорителя
Полученные результаты наглядно демонстрируют достоинства коаксиальной головки - АЧХ, снятая под углом 30°, выглядит даже более предпочтительно, имея меньшую неравномерность, чем осевая. Разумеется, это не относится к самым верхним (выше 15 кГц) частотам.
На рис. 5 показан график модуля полного сопротивления громкоговорителя. Из него видно, что получившаяся частота настройки фазоинвертора равна приблизительно 40 Гц.

Рис. 5 График модуля полного сопротивления громкоговорителя
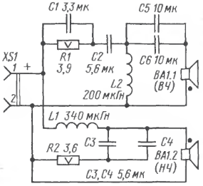
На рис. 6 приведена схема разделительного фильтра. Частота разделения полос выбрана равной 4,5 кГц, что обусловлено относительно высокой частотой собственного резонанса ВЧ головки (1,8 кГц). Из этих же соображений применен фильтр ВЧ третьего порядка. Для выравнивания отдачи в рабочей полосе головки в цепь ФВЧ введен резистор R1. Конденсатор С1 компенсирует спад отдачи головки на самых верхних частотах. ФНЧ совместно с естественным спадом отдачи НЧ головки на частотах выше 5 кГц позволяет согласовать АЧХ головок в области частоты разделения без существенной неравномерности.

Рис. 6 Схема разделительного фильтра
Головки включены электрически в противоположной полярности.
В разделительном фильтре использованы проволочные резисторы С5-16 мощностью 5 Вт. Конденсаторы - пленочные К73-16.
Дроссель L1 выполнен бескаркасным и содержит 70 витков провода ПЭТВ-2 диаметром 1,12 мм. Внутренний диаметр катушки - 31 мм. высота - 20 мм. Дроссель L2 намотан на каркасе диаметром 32 мм и высотой 38 мм (использована пустая катушка для припоя) и содержит 110 витков провода ПЭТВ-2 диаметром 1,32 мм.
В случаях замены предпочтительнее применять конденсаторы серий К73, К78 (например, К73-17, К78-12 или иные). Разумеется, для фильтра подойдут и аудиофильские компоненты: конденсаторы Solen и им подобные; дроссели и кабели из бескислородной меди. Однако из объективных параметров громкоговорителя это изменит только один - цену.
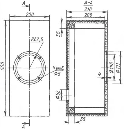
На рис. 7 показан чертеж корпуса громкоговорителя. Он изготовлен из фанеры толщиной 18 мм, которую можно заменить ДСП или ДВП (MDF). Для повышения жесткости стенок, а также для удобства крепления задней стенки корпуса использованы деревянные бруски сечением 35x35 мм. Эффективный внутренний объем корпуса - около 12 л.

Рис. 7 Чертеж корпуса громкоговорителя
Труба фазоинвертора (тип TR-45) и клеммная колодка - покупные. На чертеже корпуса отверстие под колодку не показано. Порт фазоинвертора выведен на заднюю стенку корпуса, поэтому при настенном креплении акустическое оформление превратится в закрытое. Параметры трубы для самостоятельного изготовления следующие: длина - 140 мм, внутренний диаметр - 41 мм. При таких параметрах частота настройки фазоинвертора близка к 40 Гц, а расчетная частота среза по уровню -3 дБ - 50 Гц.
Внутренняя поверхность ящика, кроме передней и задней стенок, покрыта слоем пенополиэтилена толщиной 5 мм (на чертеже не показан). Свободный внутренний объем заполнен синтепоном. Пространство вокруг трубы фазоинвертора и между трубой и головкой оставлено свободным. Фильтр закреплен на задней стенке корпуса.
Предлагаемая конструкция имеет невысокую трудоемкость изготовления, но она может быть еще снижена, если в качестве акустического оформления выбрать закрытый ящик. При этом нижняя граничная частота (по уровню -3 дБ) поднимется до 90... 100 Гц (точное значение зависит от количества и вида звукопоглощающего наполнителя в корпусе), что еще приемлемо для громкоговорителя центрального канала.
У Вас может возникнуть резонный вопрос: если преимущества коаксиальных головок столь очевидны, то почему они до сих пор не вытеснили головки обычной конструкции? Дело в том, что кроме очевидных достоинств коаксиальные головки имеют и недостатки. При коаксиальной конструкции больший диффузор выполняет роль рупора для меньшего. Однако такой "рупор" далеко не оптимален: ведь его форма проектируется, прежде всего, для получения наименьшей неравномерности АЧХ на средних частотах. Задача оптимизации формы большого диффузора для одновременного решения обеих задач на сегодняшний день в полной мере не решена. Если сравнить АЧХ громкоговорителя, описанного в данной статье, и АЧХ громкоговорителя Q9C фирмы KEF, показанной на рис. 2, то нельзя не заметить их удивительного сходства в области частот выше 5 кГц. Частоты, на которых наблюдаются пики и провалы АЧХ, у обоих громкоговорителей практически совпадают. В этом и проявляется особенность поведения коаксиальных головок такой конструкции на высоких частотах. Однако в ситуациях, когда требуется высокая пространственная однородность звукового поля, коаксиальным головкам практически нет альтернативы, а громкоговоритель центрального канала - это именно такой случай. Человеческое ухо очень чувствительно к тональному дисбалансу в области средних частот, но легко "прощает" неравномерность АЧХ на высоких частотах.
В громкоговорителе применена модификация головки с сопротивлением звуковой катушки НЧ излучателя, равным 4 Ом. В продаже она встречается под коммерческим названием WP172SCOAX. Ниже приведены основные параметры НЧ секции этой головки.
Основные технические храктеристики
Частота основного резонанса, Гц ...40
Активное сопротивление, Ом3,2
Чувствительность, дБ88
Форс-фактор, Н/А5,2
Индуктивность, мкГн 400
Подвижная масса, г13
Эквивалентный объем, л25
Механическая добротность1,8
Электрическая добротность 0,37
Несмотря на то что громкоговоритель получился достаточно басовитым, при его использовании совместно с ресивером для домашнего кинотеатра спектр подаваемого сигнала лучше ограничить снизу частотой 80 Гц, рекомендованной стандартом ТНХ. Это предотвратит возникновение интермодуляционных искажений из-за перегрузки громкоговорителя низкочастотными сигналами и повысит "прозрачность" звучания на средних частотах. А воспроизведением баса пусть лучше займется сабвуфер, в который ресивер направит "отсеченные" низкие частоты.
Источники:
- Демьянов А. АС пространственного звучания в домашнем кинотеатре. - Радио, 2004, №11, с. 14,15.
- Официальный сайт фирмы SEAS: http:// www.seas.no/products%202006.htm
- Дмитрокопуло Д. и Аватинян А. Сравнительный тест: Звуковая ось. - Stereo &Video, 2003, № 6, с. 51-69.
- Официальный сайт фирмы RIGHTMARK: http://audio.rightmark.org/products/ rmaa.html
Автор: Д. Горшенин, г. Москва
