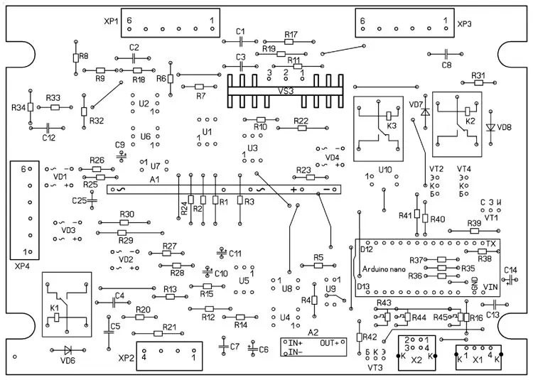
Чертёж платы блока управления и индикации размерами 197x74 мм показан на рис. 12,а и рис. 12,б, плата контроллера размерами 161x114 мм - на рис. 13,а и рис. 13,б. Платы рассчитаны на применение резисторов МЛТ, оксидных конденсаторов К50-35, остальные - плёночные К73-17 или аналоги иностранного производства, светодиоды HL1, HL7 - красного свечения с диаметром корпуса 3 мм, остальные светодиоды - для поверхностного монтажа. Диод VD5 в блоке контроллера также для поверхностного монтажа. Реле - TIANBO-12VDC, модуль А1 - плата из блока питания 12 В/1 А (рис. 14). Модуль Arduino nano и симисторные оптроны установлены в панели.
а)

б)
Рис. 12. Чертёж платы блока управления и индикации

а)
б)
Рис. 13. Плата контроллера

Рис. 14. Блок питания
При первом включении и программировании данные надо внести в EEPROM микроконтроллера, изменив в скетче, в функции SETUP перед строкой EEPROM_Read(); разблокировать строку EEPROM_Write(); и после программирования и запуска программы заблокировать эту строку и снова прошить Arduino nano.
Налаживание устройства заключается в установке резисторами R43, R44, R45 уровней программного PID регулятора для стабилизации оборотов электродвигателя независимо от нагрузки. Процесс нудный и утомительный, про это много написано в Интернете, поэтому не буду описывать то, что можно найти там, результат будет зависеть от того, какой стороной фортуна повернётся к тебе. Мои установки заложены в программе контроллера стиральной машины, но кого-то они могут не устроить.
И последнее. Электродвигатель при работе очень сильно греется, родной движок задымил на пятом году работы, в нашем городе найти новый движок не удалось, нашёл "донора" от стиральной машины Indesit. С помощью кувалды, ножовки, напильника и т. д. довёл его до кондиции, а чтобы он проработал дольше, для охлаждения поставил на него компьютерный вентилятор размерами 80x80x25 мм, как показано на рис. 15.

Рис. 15. Электродвигатель
Информация к размышлению. Первый вариант платы контроллера работал без проблем, но он был без блока управления и работал только на одном режиме. Когда сделал новую плату с блоком управления, начались проблемы со стабильностью работы.
Микроконтроллер постоянно зависал или уходил в непонятное состояние, WDT помог только перегружать контроллер, но сбои продолжались. После долгих поисков решения проблемы оказалось, что на новой плате по линиям питания +5 В и +12 В были установлены малогабаритные керамические конденсаторы ("капельки", аналог К10-17). После их замены конденсаторами К73-17 проблемы со сбоями пропали. Поэтому чем больше поставите конденсаторов К73-17, тем лучше. У меня один такой конденсатор припаян по питанию +5 В и установлен сверху на плате Arduino.
Насчёт WDT, программа со старым Bootloader в модуле Arduino nano работать не будет, контроллер будет постоянно перегружаться. Надо, чтобы Arduino nano был с новым загрузчиком, или самому прошить новый загрузчик. Как это сделать, можно найти информацию в Интернете.
Тахогенераторы на электродвигателе мне попадались с разными сопротивлениями обмотки - 50...500 Ом. Моё устройство рассчитано на тахогенератор с сопротивлением 50 Ом, если у вас тахогенератор сопротивлением обмотки 500 Ом, надо сделать ограничение амплитуды синусоиды (с помощью стабилитрона) на входе транзистора VT1, иначе он сгорит. Это уже проверено, спалил горсть транзисторов, пока с помощью осциллографа не посмотрел амплитуду на входе транзистора. На малых оборотах двигателя амплитуда сигнала - небольшая, и всё вроде работает, но при отжиме на больших оборотах
амплитуда возрастает и транзистор сгорает.
Все библиотеки, которые применены в программах, можно загрузить с сайта GitHub <https://github.com/ ru-doc>.
Примечание: Программы и файлы для программирования модулей Arduino nano, чертежи печатной платы в авторских вариантах находятся здесь.
Автор: В. Киба, г. Волжский Волгоградской обл.
