Сегодня светодиодные осветительные лампы приходят на смену сетевым лампам накаливания. Несмотря на заявленную долговечность в десятки тысяч часов, светодиодные лампы всё-таки выходят из строя. Можно ли отремонтировать подобные лампы? Предлагаемая статья даёт ответ на этот вопрос.
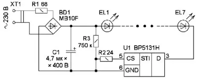
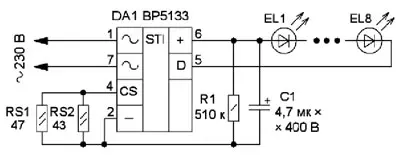
Сейчас в быту сетевые светодиодные вытесняют другие виды осветительных ламп. Сначала в светодиодных лампах применяли выводные светодиоды, потом стали применяться светодиоды для поверхностного монтажа (SMD-светодиоды), которые смонтированы на плате с алюминиевым основанием, что обеспечивает более эффективное отведение тепла. Сейчас трендом является применение линейных стабилизаторов тока на микросхемах и светодиодов с номинальным напряжением около 36 В, за счёт чего сокращается их общее число в лампе. Примером могут быть лампы торговой марки "Онлайт", схема одной из них показана на рис. 1. Другие элементы такой лампы - выпрямительный мост, сглаживающий конденсатор, микросхема стабилизатора тока и защитный резистор, играющий роль предохранителя. Иногда мост и стабилизатор объединены в одном корпусе - это ещё один тренд. Схема такого варианта лампы показана на рис. 2.

Рис. 1.

Рис. 2.
Позиционные обозначения элементов на рис. 1 и рис. 2 приведены в соответствии с обозначениями на платах.
Практика показывает, что основная причина выхода из строя таких ламп - перегорание, как правило, одного светодиода. Каждый светодиод содержитне один, а несколько светодиодных кристаллов, поэтому в лампе всё равно присутствует их несколько десятков. Значит, велика вероятность, что хотя бы один из них может выйти из строя, а это приведёт к отказу всей лампы. При этом драйвер и остальные светодиоды в большинстве случаев остаются исправными. О ремонте таких ламп будет рассказано далее.
Но в связи с этим у радиолюбителей часто возникает вопрос: ремонтировать светодиодные лампы или нет? Это, конечно, решает каждый радиолюбитель. Один из аргументов "за" - экологический фактор, ведь чем дольше проработает лампа, тем меньше мусора будет на нашей планете. Поэтому если есть время и возможности, почему бы этого не сделать? Однако при этом возникают определённые, зачастую непреодолимые трудности. Одна из основных - демонтаж неисправного и монтаж исправного SMD-светодиода.
Чтобы надёжно установить SMD-светодиод на плату с алюминиевым основанием, требуется её подогрев, иначе сильно разогретым паяльником можно легко вывести светодиод из строя. Разогревать такую плату с помощьюфена не рекомендуется, поскольку это может привести к размягчению и деформации пластмассового корпуса лампы. Вынуть плату со светодиодами тоже непросто, поскольку она, как правило, зафиксирована в алюминиевом конусообразном стакане корпуса (рис. 3), который выполняет функцию дополнительного теплоотвода, и к тому же соединена отрезком провода и защитным резистором с цоколем. Кстати, такой стакан затрудняет разогрев платы с помощью фена. Но после замены светодиода придётся все операции провести в обратном порядке. Поэтому такой вариант слишком хлопотный, трудоёмкий и тоже не подходит. Поэтому пришлось искать другой, более простой.

Рис. 3.
Для ремонта светодиодной лампы сначала придётся снять светорассеивающий колпак и найти неисправный светодиод (светодиоды или другие элементы). Во многих случаях его можно найти по характерной точке чёрного цвета на прозрачном компаунде (рис. 4). Для проверки исправности светодиодов и светодиодных ламп можно использовать различные устройства [1 -4].

Рис. 4.
Редко бывает, что перегорел защитный (предохранительный) резистор, который обычно установлен между платой и контактами цоколя, его номинальное сопротивление - несколько десятков ом. Наличие и исправность этого резистора легко проверить омметром, "прозванивая" между собой контакты цоколя и платы. Выход из строя этого резистора в большинстве случаев означает наличие более серьёзной неисправности.
Если из строя вышла микросхема стабилизатора тока, удалить её, конечно, можно, например разрушив её корпус, но заменить исправной - трудно. Дело в том, что корпус таких микросхем имеет на дне контактную площадку, выполняющую функцию теплоотвода, которую надо припаять к площадке на печатной плате. Такая замена потребует разогрева алюминиевой платы, а о трудностях этой процедуры сказано выше.
Итак, неисправный светодиод найден, и его надо удалить с платы. Сделать это можно, аккуратно разрушив его корпус с помощью скальпеля или небольшой остро заточенной отвёртки и удалить остатки. Затем паяльником надо освободить площадки для пайки исправного светодиода. При этом желательно использовать легкоплавкий припой.
После этого сразу возникает вопрос: где взять исправный светодиод? Поскольку в быту, как правило, используется несколько однотипных ламп, в качестве донора светодиодов может служить аналогичная лампа, которая раньше уже вышла из строя. С её платы можно снять исправные светодиоды. Эту плату надо вынуть из лампы и, используя специальный нагреватель для плат или утюг, аккуратно с помощью пинцета снять с неё светодиоды.
Но установить исправный светодиод непосредственно на место неисправного непросто, о чём сказано выше. Выходом из этой ситуации может быть установка исправного светодиода не на посадочное место удалённого, а рядом с ним, используя для этого короткие отрезки лужёного медного провода. Для этого сначала к контактным площадкам светодиода припаивают такой провод диаметром около 0,2 мм (рис. 5). Затем провода припаивают к контактным площадкам на плате лампы.

Рис. 5.
Но сразу возникает очередной вопрос: как отводить тепло от такого светодиода? Для этого его надо установить на густую теплопроводящую пасту или термопроводящий клей. Для этого после припаивания светодиод приподнимают над платой, под него наносят порцию теплопроводящей пасты и с небольшим усилием прижимают его к плате. Паста (или теплопроводящий клей) и отрезки провода должны удерживать светодиод на поверхности платы. Главное, чтобы он был плотно установлен на плате и держался на ней. В зависимости от конкретной ситуации светодиод можно разместить как ближе к центру платы (рис. 6), таки ближе к её краю (рис. 7).

Рис. 6.

Рис. 7.
Если есть светодиоды на замену, описанный выше несложный ремонт можно сделать сравнительно быстро.
Литература
1.Нечаев И. Щуп-пробник светодиодов и светодиодных матриц. - Радио, 2021, № 5, с. 28-30.
2.Нечаев И. Пробник высоковольтных светодиодных матриц. - Радио, 2021, № 12, с. 32-34.
3.Нечаев И. Тестер варисторов, супрессоров, стабилитронов, неоновых ламп, газовых разрядников, светодиодных матриц. - Радио, 2022, № 1, с. 17-21.
4.Нечаев И. Вариант тестера варисторов, супрессоров, стабилитронов, неоновых ламп, газовых разрядников, светодиодных матриц. - Радио, 2022, № 3, с. 27-29.
Автор: И. Нечаев, г. Москва
