Если имеются проблемы с зажиганием л.л. или перегорели нити накала, то целесообразно последовательно со стартером включить цепь из последовательно соединенных конденсатора, емкостью 2мкф×400В (с разрядным резистором 1МОм 0,5Вт), и резистора 100Ом 2Вт, ограничивающего ток через стартер, а перегоревшие нити накала закоротить. Это предложил [1] А. Широченков.
Можно использовать электронное зажигание л.л., заменив им стартер. Впервые это предложил [2] инж. Харизоменов. Его схема состояла из двух классических удвоителей напряжения соединенных параллельно по входу и последовательно по выходу, при этом л.л. включена в цепь постоянного тока учетверителя напряжения. Если включить последовательно с л.л. [3] один или два дросселя, то можно уменьшить коэффициент пульсации светового потока до 10...5%, что соизмеримо с пульсацией светового потока ламп накаливания.
При питании л.л. постоянным током будет наблюдаться, через некоторое время, неравномерность свечения газа в лампе (электрофорез газового столба). Эту проблему решают изменением полярности включения лампы тумблером, что допустимо в домашних условиях.
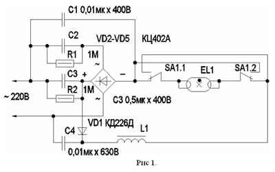
Наиболее оптимальная схема [4] предложена Сучинским А.Г. (рис.1).

Она представляет собой импульсный учетверитель напряжения. Конденсатор С1 заряжается до 300В, а С4 до 600В. Напряжение сети складывается с напряжением на конденсаторах С1 и С4 и прикладывается к лампе ЕL1 (до 1200В в импульсе). После зажигания лампы, через развязывающие диоды VD2 и VD4, подключается нагрузка (балласт): конденсатор С2 или дроссель от л.л. соответствующей мощности.
Номинал конденсатора
С2 (мкФ)=0,1Рл.л. (Вт) (где Рл.л. – мощность л.л.). Конденсаторы любого типа (не забывать про допустимую реактивную мощность конденсаторов). Последовательно с лампой включен сглаживающий дроссель L1 от л.л. соответствующей мощности (лучше последовательно два дросселя), для уменьшения коэффициента пульсации светового потока л.л. до 10...5%. Тумблером SA1 изменяют полярность включения л.л. при появлении неравномерности свечения газового столба.
Схема в налаживании не нуждается. При проблеме зажигания л.л. необходимо проверить, что конденсатор С4 заряжается до 600В, а С1 и С3 до 300В при отсутствии лампы (использовать тестер с входным сопротивлением не менее 20 кОм/В)
Литература
- . Широченков. Пользуйтесь бесплатно. //Техника – молодежи №2,
1996 г, с. 23. - Инж. Харизоменов. Люминесцентной лампе – вторую жизнь.
// Техника – молодежи №11, 1973 г, с. 28. - А. Халатян. Питание ламп дневного света. //ВРЛ, выпуск 67, 1977 г,
с. 33...38. - А.Г. Сучинский. Продление жизни люминесцентной лампы. // ВРЛ,
1992 г, выпуск 116, с. 26...30. - Г.Н. Гохлин. Газоразрядные источники света. М.-Л. –: Энергия,
1966 г, 550 с. - В.Г. Бастанов. Люминесцентная лампа с перегоревшими нитями становится вечной. // 300 практических советов. Московский рабочий, 1989г,
с. 181 – 182.
