В статье описан измеритель емкости неполярных и оксидных конденсаторов, выполненный на основе микроконтроллера PIC16F876A. Диапазон измерения емкости - 1...999·103 мкФ! - разделен на два поддиапазона. Индикация результатов измерения производится трехразрядным светодиодным цифровым индикатором с автоматической установкой запятой. Некоторое влияние эквивалентного последовательного сопротивления на точность измерения на большем пределе компенсируется при калибровке прибора.
В радиолюбительской практике необходимость измерения больших значений электрической емкости очевидна. Многие современные мультиметры имеют функцию измерения емкости конденсатора, их верхний предел не превышает 20-100 мкФ, а при запредельном расширении диапазона существенно снижается точность измерения [1]. Профессиональные RLC-метры измеряют емкость до 1 Ф и более [2], но ввиду своей высокой стоимости они мало доступны для большинства радиолюбителей. В журнале "Радио" описано несколько устройств для измерения емкости оксидных конденсаторов [3,4]; они, как правило, оформлены в виде приставок и основаны на косвенных методах измерения.
Вместе с тем, используя современную элементную базу и основные физические соотношения, можно построить простой прибор, имеющий достаточно высокие метрологические характеристики. В предлагаемом устройстве используется принцип пропорциональности заряда Q электрической емкости С при фиксированном значении напряжения U: С = Q/U; где Q = It. В свою очередь, при заданном токе зарядки заряд конденсатора пропорционален времени протекания зарядного тока [5].
Технические характеристики
Диапазон измерения, мкФ .. .1...999·103
Погрешность во всем диапазоне, %, не более..............±3
Время измерения, с, не более ..........................2,5
Выбор пределов измерения .. .автоматический
Число разрядов индикации.........3
Напряжение питающей сети, В 220
Потребляемая мощность,
Вт, не более...................12
Габаритные размеры измерителя емкости - 127x72x25 мм, масса с блоком питания - не более 0,8 кг.
Основу прибора составляет микроконтроллер PIC16F876A [6], выполняющий все основные функции: управление процессом измерения, вычисление его результатов и отображение полученного значения измеряемой емкости на индикаторе.

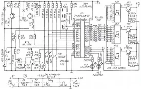
Рис. 1
Принципиальная схема прибора показана на рис. 1. Микроконтроллер DD1 работает по программе, коды которой приведены в таблице. После включения питания и инициализации микроконтроллера устройство работает в автоматическом режиме. Вывод RA0 сконфигурирован как вход компаратора, RA3 - вход образцового напряжения компаратора, RCO, RC1 - выходы управления источниками зарядного тока, RC2 - выход включения разрядки измеряемого конденсатора.
Цикл измерения начинается с разрядки конденсатора через транзистор VT2 и резистор R5. Затем включается источник зарядного тока, равного 1 мА, на транзисторе VT3 [5]. Напряжение на конденсаторе начинает увеличиваться. По достижении им значения примерно 1 В, равного образцовому напряжению на входе RA3, микроконтроллер DD1 останавливает процесс зарядки и фиксирует его продолжительность.
Если напряжение на измеряемом конденсаторе не достигнет образцового в течение 1,2 с, происходит переход на старший предел измерения: включается источник тока, равного 1 А, на транзисторе VT1, индикация "х1000" и измерение повторяется. Далее микроконтроллер вычисляет значение измеряемой емкости по времени зарядки, зарядному току и напряжению на конденсаторе с учетом предела измерения и соответствующего ему калибровочного коэффициента. Цикл измерения периодически повторяется.
Динамическая индикация результатов организована на трехразрядном светодиодном индикаторе HG1-HG3, транзисторах VT5-VT7 и портах микроконтроллера RC3-RC5, RBO-RB7 по классической схеме.
Кнопки SB1-SB3, подключенные к портам RA1, RA2, RA5, служат для ввода калибровочных коэффициентов при настройке и поверке прибора. Кнопка "Режим" - вход в режим калибровки, выбор коэффициента, переход в режим измерения.
Кнопки "+" и "-" - установка значения выбранного коэффициента в пределах от 1 до 255. Калибровочный коэффициент для диапазона "мкФ" отображается без десятичных запятых, для "мкФх1000" - с запятой в разряде единиц. Установленные значения автоматически записываются в память микроконтроллера, сохраняются там после отключения питания и считываются при включении прибора.
Исходный текст управляющей программы написан на языке С в среде программирования MPLAB IDE версии 6.5 [7], укомплектованной компилятором PICC версии 8.05PL1 [8].

Конструктивно прибор оформлен в корпусе от мультиметра М838 (см. фото на рис. 2). Для питания используется выносной выпрямитель (в сетевой вилке), обеспечивающий выходное напряжение 9...12 В при токе до 1 А. Из числа имеющихся в продаже подходит, например, БП7Н-12-1000. Стабилизатор напряжения DA1 установлен на плате прибора. К контактным площадкам Х1, Х2 необходимо припаять выводы оксидного конденсатора С1 емкостью не менее 1000 мкФ на напряжение 16 В. Он займет место в батарейном отсеке корпуса прибора.

Рис. 3

Рис. 4

Рис. 5
Печатная плата измерителя - с двусторонним печатным монтажом и двусторонним расположением деталей; ее основные размеры показаны на рис. 3. Чертеж печатной платы со стороны установки индикаторов представлен на рис. 4, а со стороны установки микросхемы и транзисторов - на рис. 5. Для формирования переходных отверстий в плате просверлены отверстия диаметром 0,5 мм, в которые расклепаны и запаяны отрезки выводов от резисторов МЛТ-0,25. Микроконтроллер DD1 необходимо установить на плату прибора в панель с пружинящими зажимами. Внешний вид смонтированной платы показан на фото рис. 6, 7.

В приборе использованы резисторы МЛТ или аналогичные; резистор R5 - из манганиновой проволоки диаметром 1 мм и длиной 15 мм, можно использовать датчик тока из мультиметра М838. Большинство конденсаторов - серий КМ, К10-17, оксидные - К53-4, К53-14, К52-1, а С1 (1000 мкФ) - К50-35. Кварцевый резонатор - на частоту 10... 12 МГц в корпусе НС-49. Кнопки - малогабаритные тактовые SWT2, TS-A1PS-130. Светодиодные индикаторы TR319 можно заменить любыми другими с такой же цоколевкой, например SA05-11HWA. Транзистор VT2 - мощный полевой с током стока не менее 10 А и сопротивлением сток-исток не более 0,1 Ом. Клеммы ХЗ, Х4 аналогичны используемым в мультиметре М838. Стабилизатор DA1 и транзистор VT1 установлены на пластинчатые теплоотводы площадью 12 и 5 см2 соответственно.

Настройку прибора начинают до установки микроконтроллера в панель на плате. Включают питание выключателем SA1 и проверяют наличие и правильность подачи напряжения питания 5 В на контакты панели микроконтроллера. Напряжение на контактах 1-3, 7 должно быть примерно равно напряжению питания, на контактах 14-16 около 4 В, а на 21-28 напряжение близко к нулю. Затем проверяют работоспособность кнопок SB1-SB3: нажимая их, контролируют появление низкого уровня на входах RA1, RA2, RA5. Цепи динамической индикации проверяют последовательным подсоединением общего провода к соответствующим выводам портов RBO-RB7 и RC3-RC5: при этом наблюдают свечение заданных сегментов в выбранном разряде. Источники тока включают поочередно подачей низкого уровня на контакты 11, 12, при этом амперметр должен быть подключен к гнездам ХЗ, Х4 вместо измеряемого конденсатора. При включении по цепи RC0 ток должен быть в интервале 0,5... 1 мА; а по цепи RC1 - 0,5... 1 А. Цепь разрядки проверяют при включенном источнике тока 1 А подачей напряжения +5 В на контакт 13. Показания вольтметра, подключенного к гнездам ХЗ, Х4, при этом должны упасть до нуля.
Далее, после отключения питания, вставляют запрограммированный микроконтроллер в панель и включают прибор. На дисплее должны быть показания, близкие к нулю, индикатор "Цикл" (HL1) светится прерывисто, а индикатор "х1000" (HL2) не светится. Теперь можно произвести пробные замеры для оценки работоспособности прибора в целом.
Полученные результаты могут значительно отличаться от истинных в силу большого разброса параметров источников тока, погрешности установки образцового напряжения, ошибки компаратора, частоты установленного кварцевого резонатора и ряда других менее заметных факторов. Необходима калибровка прибора.
Для калибровки измерителя нужно иметь четыре образцовых конденсатора разных номиналов: два - для диапазона "мкФ" емкостью 100...900 мкФ, два - для диапазона "мкФ х1000" емкостью более 10000 мкФ. Для точного определения их емкости желательно воспользоваться поверенным промышленным измерителем или каким-либо косвенным методом. Проводя измерения и изменяя калибровочные коэффициенты соответственно показаниям прибора, добиваются совпадения истинного значения емкости калибровочных конденсаторов и показаний прибора. После проведения калибровки прибор готов к эксплуатации.
На старшем пределе измерения показания прибора в некоторой степени зависят от эквивалентного последовательного сопротивления (ЭПС) измеряемого конденсатора; это выражается в занижении истинного значения емкости. Чтобы погрешность прибора не превышала указанную, ЭПС не должно превышать 0,1 Ом. Для исправных оксидных конденсаторов емкостью более 1000 мкФ среднестатистическое значение ЭПС находится именно в этих пределах [9], его влияние компенсируется при калибровке прибора. Для более объективной оценки работоспособности оксидных конденсаторов необходимо совместное измерение емкости и ЭПС - это тема следующей разработки.
Опыт работы с описанным измерителем показал его хорошие потребительские характеристики: точность, долговременную стабильность показаний, удобство эксплуатации. Он позволяет проводить необходимые измерения, возникающие при разработке, изготовлении и ремонте электронного оборудования.
ЛИТЕРАТУРА
- Загорулько А. Расширение пределов измерения мультиметра M830G. - Радио, 2004, № 9, с. 27.
- Измерители RLC WayneKerr4265,4276. - Радио, 2005, № 11, с. 73.
- Дерегуз А. Измеритель емкости оксидных конденсаторов. - Радио, 2001, № 12, с. 27.
- Савосин А. Микрофарадометр. - Радио, 2003, № 5, с. 22, 23.
- Хоровиц П., Хилл У. Искусство схемотехники. - М.: Мир, 2001.
- Microchip Technology Inc. DS39582B. PlC16F87xA. Data Sheet. 28/40/44 - Pin Enhanced Flash Microcontrollers. - http:// www.microchip.com.
- Microchip Technology Inc. DS1281C. MPLAB IDE v6xx. Quick Start Guide. - http:// www.microchip.com.
- HI-TECH Software. PICC Manual.-http://www.htsoft.com.
- Peak Electronic Desing Limined. Equivalent Series Resistance Analyser. Model ESR 60. Users Guide.- http:// www.peakelec.co.uk.
Программу микроконтроллера можно скачать здесь
Автор: А. Топников, г. Углич Ярославской обл.
