Мобильные телефонные аппараты, коммуникаторы, смартфоны обычно эксплуатируются как устройства связи относительно недолгое время, после чего устаревают морально, физически, "обзаводятся" нефатальными неисправностями, надоедают. Старые мобильные аппараты уступают место новым, но энтузиасты иногда приспосабливают устаревшие мобильные устройства для выполнения каких-либо других задач, например, используют их в охранных системах, в качестве радиомодема, радиоприёмника [1], телевизора, мультимедийного плейера, игровой консоли. К сожалению, ещё совсем недавно изготовители мобильных телефонных аппаратов для их подключения к зарядным устройствам, к компьютеру, к головным телефонам оснащали свои изделия различными нестандартными разъёмами, что создавало и создаёт неудобства при их эксплуатации.
В мобильных телефонных аппаратах фирмы Samsung до принятия стандарта microllSB самым распространённым был однорядный двадцатиконтактный разъём [2] (рис. 1), который, в зависимости от типа подключённого провода, использовался либо для подзарядки аккумуляторной батареи, либо для подключения к компьютеру, либо для подключения микротелефонной гарнитуры. Чтобы подключить к такому гнезду головные телефоны, оснащённые стандартным штекером 3,5 мм, необходимо использовать соответствующий переходник. Имеющиеся в продаже переходники по разным причинам не годятся для практического применения, поэтому пришлось изготовить необходимое устройство самостоятельно.

Рис. 1. Однорядный двадцатиконтактный разъём
В наличии имелись исправная микротелефонная гарнитура из комплекта старого телефона фирмы Samsung и ненужный провод от почти такой же гарнитуры с двадцатиконтактным штекером. Гарнитуру было решено оставить как есть, а необходимый переходник изготовить самостоятельно. Кажущаяся очень простой задача таила в себе несколько неожиданностей. Но обо всём по порядку.
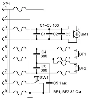
После разборки гарнитуры выяснилось, что в её корпусе имеется двухсторонняя печатная плата с установленными на ней элементами. Составленная по ней принципиальная схема гарнитуры представлена на рис. 2. Имеющиеся у автора телефонные аппараты определяли подключение этой гарнитуры по наличию микрофона BM1, но такое может быть не со всеми телефонами, оснащёнными 20-контактным гнездом.

Рис. 2. Принципиальная схема гарнитуры
Самодельный переходник собран по схеме, показанной на рис. 3. Первая возникшая при его изготовлении проблема состояла в том, что в кабеле для гарнитуры контакт 4 был не подключён (провод отсутствовал). Во время экспериментов выяснилось, что если между контактами 3 и 9 (общий провод) подключить резистор сопротивлением 100 кОм (R1), то телефоны начинают определять наличие подключённых головных телефонов. При сопротивлении этого резистора 200 кОм телефон периодически "терял" подключённую гарнитуру, а при малом сопротивлении переставала работать или нестабильно работала кнопка SB1, нажатием на которую, в зависимости от выполняемой телефонным аппаратом задачи и продолжительности нахождения её контактов в замкнутом состоянии, выполнялись разные функции.

Рис. 3. Схема самодельного переходника
Вторая проблема заключалась в том, что качество работы встроенного в телефон УКВ-радиоприёмника оказалось намного хуже, чем с комплектной гарнитурой. Для выяснения причины контрольный телефонный аппарат был разобран, а также был вскрыт штекер. Обычно в мобильных устройствах функцию УКВ-антенны выполняет весь идущий от головных телефонов провод или его экранирующая оплётка. В контрольном аппарате антенный провод подключён к контакту 1 штекера, а с общим проводом телефона (минус питания) из задействованных для гарнитуры соединены контакты 2 и 9. В штекере же от имеющегося провода на миниатюрной печатной плате контакты 1, 2 и 9 были соединены между собой, в результате чего получалось, что вход радиоприёмной антенны оказывался замкнутым на общий провод.
Для устранения замыкания печатный проводник между контактами 9 и 2 был перерезан (рис. 4), контакт 2 отпаян от печатного контакта, а к печатному проводнику, идущему от контакта 1, припаян один из свободных проводов соединительного кабеля. К сожалению, такой антенны для хорошего приёма оказалось недостаточно, поэтому была применена дополнительная проволочная УКВ-антенна WА1: в корпусе переходника в антенную цепь был введён разделительный конденсатор C3, а к его правому (по схеме) выводу припаян многожильный монтажный провод длиной около 800 мм.

Рис. 4. Доработка гарнитуры
Следует заметить, что качество работы радиоприёмных модулей с низкой ПЧ в цифровых мобильных устройствах, благодаря конструктивным особенностям и цифровой обработке полученной ПЧ, как правило, намного лучше, чем обычных радиоприёмников с низкой ПЧ (на микросхемах К174ХА34, К174ХА42 и т. п.), а также заметно лучше, чем у большинства отечественных радиоприёмников промышленного изготовления с высокой ПЧ - 6,5 или 10,7 МГц (например, на модуле УКВ-2-2-Е). Именно по этой причине использование ненужных мобильных устройств связи в качестве УКВ-радиоприёмников представляет интерес.
Третья неприятная неожиданность. У телефонных аппаратов с одноканальным выходом сигнал на наушники подаётся в противофазе, общий провод не используется. Если не учесть эту особенность в переходнике, то при подключении к нему УМЗЧ, работающего в стереофоническом режиме, произойдёт акустическое короткое замыкание, так как акустические системы также будут работать в противофазе. Если же УМЗЧ перевести в режим "Моно", то произойдёт или просто замыкание аудиовыходов телефона, или (если в УМЗЧ используется резистивный сумматор "Стерео/Моно") противофазные сигналы компенсируют друг друга, сведя полезный сигнал почти к нулевому уровню. Для устранения этого недостатка введён переключатель SA1, который позволяет подключать переходник к телефонным аппаратам как с противофазным монофоническим выходом, так и с обычным синфазным стереовыходом.
Дроссели L1-L3 и конденсаторы С1, C2 уменьшают влияние подключённых к переходнику головных телефонов на радиоприём [1], можно интегрировать этот переходник с той конструкцией. Конденсатор C5 обеспечивает корректную работу подключённого к гнезду XS1 УМЗЧ. При работе сотового телефона в качестве радиоприёмника кнопкой SB1 можно переключать радиостанции.
Все детали переходника, кроме штекера XP1, проволочной антенны WA1 и конденсатора C3, смонтированы на двухсторонней печатной плате размерами 36x17 мм (рис. 5), изготовленной из фольгированного с обеих сторон стеклотекстолита толщиной около 0,6 мм. На верхнем слое печатные проводники вырезаны под имеющиеся детали ручной фрезой. Нижняя сторона платы соединена с контактом 9 и используется как экран.

Рис. 5. Смонтированная печатная плата
Резисторы - малогабаритные для поверхностного монтажа (SMD). Конденсатор C3 - малогабаритный керамический, остальные - SMD. Кнопка SB1 - миниатюрная тактовая (мембранная). Переключатель SA1 - малогабаритный импортный с двумя группами переключающих контактов, корпус припаян к фольге платы (не перегрейте его при пайке). Дроссели L1-L3 - малогабаритные импортные (SMD) индуктивностью 1...10 мкГн (сопротивление L2 постоянному току - не более 1 Ом). Возможно применение самодельных бескаркасных дросселей (25 витков обмоточного провода диаметром 0,15 мм на оправке диаметром 1,5 мм). Гнездо XS1 - под стандартный аудиоштекер диаметром 3,5 мм (если есть возможность выбора, предпочтение следует отдать малогабаритному гнезду с выводами для поверхностного монтажа от неисправного ноутбука, мобильного устройства). Смонтированная плата помещена в пластмассовый корпус размерами (45+8)x20x9,5 мм от телефонного защитного модуля LPA08 K1/BT (рис. 6).

Рис. 6. Устройство в сборе
Если штекер пришлось разрезать, то склеить его можно цианакрилановым клеем. Хотя он считается "моментальным", время полимеризации его под нагрузкой должно быть не менее суток.
В применённом 20-контактном штекере, к сожалению, отсутствуют контакты 19 и 20, на которые может поступать напряжение +5 В от зарядного устройства. Если нет возможности найти штекер, в котором имеются как контакты 1-9, так и 19, 20, в телефонный аппарат можно установить дополнительное гнездо, например, стандартное microUSB. Контрольный телефонный аппарат при работе в качестве радиоприёмника на малой громкости или при подключении выхода к внешнему УМЗЧ потреблял от аккумуляторной батареи ток около 20 мА, на максимальной громкости - до 100 мА. При ёмкости батареи 1000 мА·ч и потребляемом токе 20 мА заряда хватит приблизительно на 50 ч непрерывной работы. Следует учесть, что встроенные контроллеры литиевых аккумуляторов фирмы Samsung могут не только защищать их от избыточного заряда, но и отключать при снижении напряжения ниже минимально допустимого, после чего напряжение на клеммах становится равным нулю. Если телефонный аппарат не учитывает эту особенность, то зарядка аккумуляторной батареи штатным ЗУ становится невозможной. Чтобы устранить эту неприятность, необходимо извлечь батарею из телефона и, соблюдая полярность, подать на неё на пару минут постоянное напряжение 5 В (0,2 А). Батарея при этом "заведётся", после чего её можно вставить в телефонный аппарат и продолжить зарядку от штатного ЗУ.
Литература
1. Бутов А. Внешняя телескопическая антенна для мобильных устройств. - Радио, 2013, №8, с. 20.
2. Разъёмы гарнитур и наушников и т. д. - URL: http://pinouts.ru/HeadsetsHeadphones/ rusjndex.shtml (26.11.2015).
Автор: А. Бутов, с. Курба Ярославской обл.
